|
|
(21), (22) Заявка: 2006113988/28, 26.04.2006
(24) Дата начала отсчета срока действия патента:
26.04.2006
(46) Опубликовано: 27.09.2007
(56) Список документов, цитированных в отчете о поиске:
RU 2073887 C1, 20.02.1997. SU 795202 A1, 15.04.1990. SU 1762256 A1, 15.09.1992. SU 1215044 A, 28.02.1986. EP 0203325 A2, 03.12.1986. GB 2409035 A, 15.06.2005.
Адрес для переписки:
127238, Москва, Дмитровское ш., 75, ОАО “Союзцветметавтоматика”
|
(72) Автор(ы):
Улитенко Константин Яковлевич (RU), Карякин Юрий Леонидович (RU), Демин Александр Викторович (RU)
(73) Патентообладатель(и):
ОАО “Союзцветметавтоматика” (RU)
|
(54) СПОСОБ КОРРЕКТИРОВКИ ИЗМЕРИТЕЛЬНЫХ ПАРАМЕТРОВ РАДИОИЗОТОПНОГО ДИСКРЕТНОГО ПОРОГОВОГО РЕГИСТРАТОРА И УСТРОЙСТВО ДЛЯ ЕГО ОСУЩЕСТВЛЕНИЯ
(57) Реферат:
Предложенная группа изобретений относится к ядерной физике, а именно к способам и устройствам корректировки и стабилизации измерительных трактов радиоизотопных устройств. Задачей данных изобретений является повышение точности и стабильности радиоизотопного дискретного порогового регистратора. Предложенный радиоизотопный дискретный пороговый регистратор содержит источник ионизирующего излучения, детектор ионизирующего излучения, генератор пороговой частоты, сравнивающее устройство, к входу суммирования которого подключен детектор, а к входу вычитания генератор пороговой частоты, а также интерполятор, пороговый каскад и исполнительный механизм, последовательно подключенные к выходу сравнивающего устройства. Кроме того в него дополнительно введен задатчик времени преобразования, вход запуска которого подключен к выходу порогового каскада, а также электронный ключ, входом подключенный к детектору ионизирующих излучений, а выходом – на управляющий вход генератора пороговой частоты, управляющий вход ключа подключен к задатчику времени преобразования. Описанное устройство реализует соответствующий способ корректировки измерительных параметров радиоизотопного дискретного порогового регистратора. 2 н. и 1 з.п. ф-лы, 3 ил.
Изобретение относится к ядерной физике, конкретнее к способам и устройствам корректировки и стабилизации измерительных трактов радиоизотопных устройств, и может найти применение в пороговых регистраторах (релейных радиоизотопных приборах) для контроля параметров технологических сред в различных отраслях промышленности. Основное применение предлагаемого изобретения это контроль границы раздела двух сред (перепада уровней потока ионизирующих частиц).
Известен способ «Корректировка и стабилизация при помощи радиоактивного источника» (1. В.В.Матвеев, Б.И.Хазанов «Приборы для измерения ионизирующих излучений», Атомиздат, 1987, стр.624), и устройство «Радиоизотопное устройство для контроля плотности жидкостей, пульп и высоких давлений газов» (2. А.с. №1118178, кл. G01N 23/02, опубл. 8 июня 1984 г.). Корректировка и стабилизация измерительных параметров детектора ионизирующих излучений, основанная на использовании опорного (реперного) источника, заключающаяся в сравнении последовательности импульсов регистрируемого ионизирующего излучения с последовательностью импульсов от контрольного источника. Недостатком этого способа и устройства является то, что для его реализации требуется механическая конструкция и дополнительный (реперный) источник ионизирующего излучения.
Известен способ «Способ стабилизации коэффициента передачи дискретных пропорциональных детекторов ионизирующих излучений и устройство для его осуществления» (3. А.с. №1290884, кл. G01Т 1/40). Способ и устройство обеспечивают стабилизацию коэффициента усиления детектора, но не учитывают такие дестабилизирующие факторы, как распад источника ионизирующего излучения, изменение параметров объекта, где осуществляется контроль – например зарастание стенок бункера. Известен также способ «Способ дифференциональной стабилизации спектрометрического тракта сцинтилляционного блока детектирования гамма излучения по реперному пику» (4. Патент РФ №2225017, G01Т 1/40, БИ №6 от 27.02.04). В качестве реперного источника используют пик измеряемого излучения, с помощью дифференциальных амплитудных анализаторов формируют два окна стабилизации, симметрично расположенных на склонах реперного пика, а затем сравнивают средние скорости счета в окнах стабилизации для получения сигнала рассогласования и формируют управляющий сигнал коррекции коэффициента передачи детектирующего тракта, причем в качестве реперного источника используют поток характеристического излучения, генерируемого измеряемым гамма-излучением в дополнительном экране из материала с фиксированным атомным номером, окружающим непосредственно сцинтилляционный детектор. То есть необходим экран из специального материала.
Наиболее близким по технической сущности прототипом предлагаемого устройства является пороговый регистратор «Релейный радиоизотопный прибор РРП-3» (5. М.Е.Гельфанд, В.М.Калошин «Радиоизотопные приборы и их применение в промышленности», Атомиздат, стр.26), реализующий метод последовательного анализа (1. B.B.Матвеев, Б.И.Хазанов «Приборы для измерения ионизирующих излучений», Атомиздат, 1987, стр.457), который содержит детектор ионизирующего излучения, сравнивающее устройство (реверсивный счетчик), интерполятор, пороговый каскад и генератор пороговой частоты. Другие вариации использования приведены в (6. Каталог «Berthold technologies». 7. Каталог «Прибор СРП – 97»).
Применение источников ионизирующего излучения большой активности и газоразрядных счетчиков в качестве детекторов ионизирующего излучения обеспечивало требуемую точность и быстродействие пороговых регистраторов.
Принятая сегодня тенденция к снижению активности источников, что в свою очередь приводит к необходимости работы при небольших перепадах ионизирующего излучения, а также необходимость использования более эффективных сцинтилляционных детекторов, требует более высокой стабильности измерительного тракта порогового регистратора.
Задачей предлагаемого изобретения является повышение точности и стабильности радиоизотопного дискретного порогового регистратора за счет корректировки измерительных параметров порогового регистратора путем корректировки частоты генератора пороговой частоты.
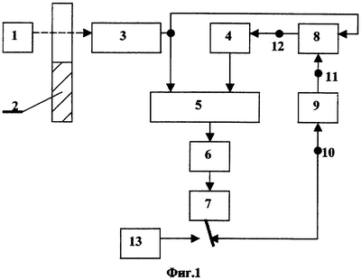
На фиг.1 изображена блок-схема устройства, реализующая предложенный способ корректировки измерительных параметров радиоизотопного дискретного порогового регистратора; на фиг.2 – графическое изображение временных диаграмм в соответствующих точках устройства, поясняющих способ корректировки измерительных параметров порогового устройства; на фиг.3 – пример реализации генератора пороговой частоты.
На представленных фигурах изображены:
1 – источник ионизирующего излучения,
2 – контролируемая среда,
3 – детектор ионизирующего излучения,
4 – генератор пороговой частоты,
5 – сравнивающее устройство,
6 – интерполятор,
7 – пороговый каскад,
8 – электронный ключ,
9 – задатчик времени преобразования,
10 – вход запуска задатчика времени преобразования,
11 – управляющий вход электронного ключа,
12 – управляющий вход генератора пороговой частоты,
13 – исполнительный механизм,
14 – преобразователь ток – частота,
15 – преобразователь частота – ток,
16 – задатчик коэффициента преобразования,
Vпк – сигнал запуска задатчика времени преобразования,
Vт – сигнал на управляющем входе электронного ключа,
no – регистрируемая детектором частота, в случае отсутствия контролируемой среды в измерительном зазоре.
Сущность предлагаемого способа корректировки измерительных параметров радиоизотопного дискретного порогового регистратора заключается в том, что частоту, регистрируемую детектором ионизирующих излучений, в период отсутствия в измерительном зазоре между детектором и источником ионизирующего излучения контролируемой среды, принимают как опорную. Частоту генератора пороговой частоты устанавливают равной (или с постоянным коэффициентом преобразования) опорной частоте. Сравнивают частоту, регистрируемую детектором, с частотой генератора пороговой частоты, определяют состояние соответствия частот. Формируют сигнал управления, в случае подхода в измерительный зазор контролируемой среды (частота генератора превышает значение частоты, регистрируемой детектором) – сигнал управления исполнительным механизмом, в случае отсутствия контролируемой среды – сигнал запуска задатчика времени преобразования. Формируют временные интервалы преобразования, в течение которых обеспечивают прохождение регистрируемой детектором опорной частоты на управляющий вход генератора пороговой частоты. Корректируют установленную частоту генератора пороговой частоты до соответствия опорной частоте, тем самым, сохраняют первоначально установленные измерительные характеристики порогового регистратора, изменение которых может быть вызвано различными дестабилизирующими факторами. При подходе в измерительный зазор контролируемой среды корректировку частоты генератора пороговой частоты прекращают.
Предлагается также устройство, реализующее предложенный способ корректировки измерительных параметров радиоизотопного дискретного порогового регистратора, новизна которого заключается в том, что в устройство введен задатчик времени преобразования, электронный ключ и новые связи между элементами, обеспечивающие автоматическое подключение генератора пороговой частоты к детектору ионизирующего излучения, в период отсутствия в измерительном зазоре между детектором и источником ионизирующего излучения контролируемой среды, и корректировку частоты генератора пороговой частоты по опорной частоте, регистрируемой детектором.
Устройство, реализующее предлагаемый способ, работает следующим образом.
Исходное состояние запуска устройства – это отсутствие в зоне контроля (пучке ионизирующего излучения) источника 1 контролируемой среды 2. Частота импульсов no, регистрируемая детектором ионизирующих излучений в период отсутствия контролируемой среды, будет являться опорной для корректировки частоты генератора пороговой частоты 4. Состояние порогового каскада 7, в соответствии с диаграммой 10 (Vпк), обеспечивает запуск задатчика времени преобразования 9, в соответствии с диаграммой 11 (Vт); электронный ключ 8 открыт для прохождения импульсов no, в интервале времени Т установленным задатчиком времени преобразования 9, регистрируемых детектором ионизирующих излучений 3 в соответствии с диаграммой 12 (no). Регистрируемые импульсы no подаются на управляющий вход генератора пороговой частоты 4 и калибруют регулярную частоту генератора, то есть устанавливает пороговую частоту F=k·no в соответствии с частотой регистрируемых импульсов no в заданном интервале времени.
Корректировка частоты генератора пороговой частоты производится следующим образом. Импульсы no с детектора 3, нормированные временным интервалом Т, трансформируются в токовый сигнал преобразователем частота – ток 15 с коэффициентом преобразования k, установленным задатчиком коэффициента преобразования 16. Преобразователь ток – частота 14 трансформирует токовый сигнал в регулярную пороговую частоту F=k·no, которая и будет являться установленной пороговой частотой генератора пороговой частоты 4.
В дальнейшем работа устройства происходит циклично в автоматическом режиме. Поток ионизирующего излучения с частотой ni регистрируется детектором 3, сигнал с детектора поступает на вход суммирования разностного счетчика 5, на вход вычитания – регулярная частота F генератора пороговой частоты 4. Если ni=F, то создается равновесие и показания разностного счетчика 5 близки к нулевым. При подходе контролируемой среды 2 в зону пучка источника ионизирующего излучения 1 регистрируемая интенсивность потока уменьшится. Установленная частота генератора F станет больше регистрируемой ni. Показания сравнивающего устройства (разностного счетчика) 5 начнут нарастать. По достижении определенного числа импульсов в разностном счетчике принимается гипотеза, что F>ni. Индикация этого состояния осуществляется интерполятором 6, срабатывает пороговый каскад 7, отключает вход запуска задатчика времени преобразования 9, подключает исполнительный механизм 13 порогового регистратора. Подстройка генератора пороговой частоты 4 возобновится при отсутствии контролируемой среды 2. Учитывая то, что время реакции (срабатывания) пороговых регистраторов должно быть порядка секунд и даже долей секунд, а время ожидания значительно больше, время установки задатчика времени преобразования 9 ограничено только временем Т, необходимым для калибровки генератора пороговой частоты 4.
При длительном ожидании подхода контролируемой среды 2 задатчик времени преобразования 9 обеспечивает цикличное подключение генератора пороговой частоты 4 через электронный ключ 8 к детектору ионизирующего излучения 3 для корректировки пороговой частоты F по опорной частоте no. При изменении измерительных параметров детектора (коэффициента передачи) под влиянием дестабилизирующих факторов изменится регистрируемая частота импульсов no, частота F генератора пороговой частоты 4 установится соответствующей этому изменению. Отношение частот, поступающих по входам вычитания и суммирования сравнивающего устройства 5, останется неизменным, следовательно, будут скорректированы измерительные параметры детектора ионизирующих излучений, порог срабатывания и быстродействие порогового регистратора останутся неизменными.
Таким образом, предложенный способ корректировки измерительных параметров радиоизотопного регистратора и устройство для его реализации обеспечивают:
а) повышение точности контроля раздела двух сред (перепада уровней потока ионизирующих частиц);
б) автоматическую установку пороговой частоты при изменении геометрии измерения;
в) автоматическую корректировку пороговой частоты при изменении активности источника ионизирующего излучения при распаде радиоактивного источника.
Предложенный способ корректировки измерительных параметров радиоизотопного дискретного порогового регистратора является новым, явно не следует из уровня техники, имеет изобретательский шаг – так как добавлены новые стадии: формируют сигнал запуска задатчика времени преобразования, корректируют частоту генератора пороговой частоты по опорной частоте, регистрируемой от источника ионизирующего излучения, в период отсутствия контролируемой среды.
Предложенное устройство – пороговый регистратор является также новым и имеет изобретательский шаг, так как использованы новые элементы и их связи: электронный ключ, задатчик времени преобразования, задатчик коэффициента преобразования и новые связи.
Предложенные способ и устройство промышленно применимы и осуществимы, позволит использовать высокоэффективные детекторы ионизирующего излучения в пороговых регистраторах без применения сложных устройств стабилизации их коэффициента усиления, что в свою очередь повысит точность контроля раздела двух сред и позволит снизить активность источников ионизирующего излучения.
Литература
1. В.В.Матвеев, Б.И.Хазанов «Приборы для измерения ионизирующих излучений», Атомиздат, 1987, стр.624, стр.457.
2. А.с. СССР №1118178, кл. G01N 23/02, опубл. 8 июня 1984 г.
3. А.с. СССР №1290884, кл. G01Т 1/40.
4. Патент РФ №2225017, G01Т 1/40, БИ №6 от 27.02.04.
5. М.Е.Гельфанд, В.М.Калошин «Радиоизотопные приборы и их применение в промышленности», Атомиздат, стр.26.
6. Каталог «Berthold technologies», «Радиометрическое измерение технологических процессов, измерение уровня» 2005 г. Id. №32528 PR60Rev 01.
7. Каталог «Прибор геологоразведочный сцинтилляционный СРП-97» МПР РФ, 2006 г.
Формула изобретения
1. Способ корректировки измерительных параметров радиоизотопного дискретного порогового регистратора, заключающийся в регистрации последовательности импульсов регистрируемого ионизирующего излучения, несущих информацию о состоянии объекта контроля, и сравнении его с частотой генератора пороговой частоты, отличающийся тем, что частоту, регистрируемую детектором ионизирующих излучений в период отсутствия в измерительном зазоре между детектором и источником контролируемой среды, принимают как опорную, а частоту генератора пороговой частоты устанавливают равной (или с постоянным коэффициентом преобразования) опорной частоте, сравнивают частоту, регистрируемую детектором, с частотой генератора пороговой частоты, определяют состояние соответствия частот, формируют сигнал управления, в случае подхода в измерительный зазор контролируемой среды (частота генератора превышает значение частоты, регистрируемой детектором) – сигнал управления исполнительным механизмом, в случае отсутствия контролируемой среды – сигнал запуска задатчика времени преобразования, формируют временные интервалы преобразования, в течение которых обеспечивают прохождение опорной частоты, которой корректируют установленную частоту генератора пороговой частоты до соответствия опорной частоте, тем самым сохраняют первоначально установленные измерительные характеристики порогового регистратора, изменение которых может быть вызвано различными дестабилизирующими факторами, при подходе в измерительный зазор контролируемой среды корректировку частоты порогового генератора прекращают.
2. Радиоизотопный дискретный пороговый регистратор, содержащий источник ионизирующего излучения, детектор ионизирующего излучения, генератор пороговой частоты, сравнивающее устройство, к входу суммирования которого подключен детектор, а к входу вычитания генератор пороговой частоты, а также интерполятор, пороговый каскад и исполнительный механизм, последовательно подключенные к выходу сравнивающего устройства, отличающийся тем, что в него введен задатчик времени преобразования, вход запуска которого подключен к выходу порогового каскада, а также электронный ключ, входом подключенный к детектору ионизирующих излучений, а выходом – на управляющий вход генератора пороговой частоты, управляющий вход ключа подключен к задатчику времени преобразования.
3. Радиоизотопный дискретный пороговый регистратор по п.2, отличающийся тем, что генератор пороговой частоты содержит последовательно соединенные преобразователь частота – ток, снабженный задатчиком коэффициента преобразования, и преобразователь ток – частота.
РИСУНКИ
|
|