|
|
(21), (22) Заявка: 2005131325/28, 10.10.2005
(24) Дата начала отсчета срока действия патента:
10.10.2005
(43) Дата публикации заявки: 20.04.2007
(46) Опубликовано: 27.09.2007
(56) Список документов, цитированных в отчете о поиске:
Адрес для переписки:
607188, Нижегородская обл., г. Саров, пр. Мира, 37, ФГУП “РФЯЦ-ВНИИЭФ”, начальнику ОПИНТИ
|
(72) Автор(ы):
Кудасов Юрий Бориславович (RU), Филиппов Алексей Владимирович (RU)
(73) Патентообладатель(и):
Российская Федерация, от имени которой выступает государственный заказчик – Федеральное агентство по атомной энергии (RU), Федеральное государственное унитарное предприятие “Российский федеральный ядерный центр-Всероссийский научно-исследовательский институт экспериментальной физики”-ФГУП “РФЯЦ-ВНИИЭФ” (RU)
|
(54) УСТРОЙСТВО ДЛЯ ИЗМЕРЕНИЯ ИЗМЕНЯЮЩИХСЯ ПАРАМЕТРОВ ПАССИВНОГО ДВУХПОЛЮСНИКА
(57) Реферат:
Устройство относится к технике высокочастотных (ВЧ) электрических измерений и может быть использовано для определения комплексных параметров двухполюсника. В устройстве для измерения изменяющихся параметров пассивного двухполюсника, содержащем генератор ВЧ гармонического электрического сигнала, выход которого подключен к первому входу дифференциального усилителя и к первому вентилю, выход которого подключен ко второму входу дифференциального усилителя, а также через фильтр и кабельную линию к исследуемому двухполюснику, параметры которого изменяются под действием внешних факторов, и регистратор электрического сигнала, новым является то, что выход генератора подключен к первому входу дифференциального усилителя через второй вентиль, к выходу которого подключен эталонный резистор, к выходу генератора также подключены входы третьего и четвертого вентилей, выходы которых через фазовращатели соединены с первыми входами двух смесителей, вторые входы которых соединены с выходом дифференциального усилителя, при этом сдвиг фаз между фазовращателями составляет 90°, а выходы смесителей подключены к регистратору электрического сигнала, который выполнен двухканальным. 1 ил.
Устройство относится к технике высокочастотных (ВЧ) электрических измерений и может быть использовано для определения комплексных параметров двухполюсника.
Известно устройство измерения отклика двухполюсника на электрический сигнал (Т.М.Алиев, А.А.Тер-Хачатуров. Измерительная техника. М.: Высшая школа, 1991). Это устройство состоит из генератора гармонического электрического сигнала, двух электрических цепей, включенных параллельно генератору, первая из которых состоит из двух активных, реактивных или комплексных сопротивлений известной величины, включенных последовательно, а вторая – из активного, реактивного или комплексного сопротивления известной величины и измеряемого двухполюсника, включенных последовательно, нуль-органа, один из входов которого подключен к точке соединения сопротивлений первой цепи, а второй – к точке соединения сопротивления и двухполюсника второй цепи. Это устройство известно как мостовая схема измерения проводимости (в том числе и комплексной). Измерение сопротивления двухполюсника выполняют подбором известных сопротивлений моста таким образом, чтобы достигнуть нулевого напряжения на нуль-органе. Если, например, при нулевой токе в нуль-органе значения всех трех сопротивлений равны, то значение неизвестного сопротивления двухполюсника равно этому же значению.
Недостатками этого устройства являются большое время измерения, которое определяется временем подбора сопротивлений, и отсутствие развязки между генератором и измеряемым двухполюсником, что может привести к систематической ошибке, особенно при ВЧ измерениях.
Известно устройство для измерения изменяющихся параметров пассивного двухполюсника (Ю.Б.Кудасов. Высокочастотные измерения проводимости бесконтактным методом в сверхсильных магнитных полях. ПТЭ. – 1999. – Вып.4. – С.527), содержащее генератор ВЧ гармонического электрического сигнала, выход которого подключен к первому входу дифференциального усилителя и к вентилю, выход вентиля подключен ко второму входу дифференциального усилителя, а также через полосовой фильтр и кабельную линию к исследуемому двухполюснику, параметры которого изменяются под действием внешних факторов. Устройство содержит также регистратор электрического сигнала.
Сигнал ВЧ генератора проходит через вентиль и попадает на измеряемый двухполюсник через фильтр и кабельную линию. В кабельной линии формируется отраженная от двухполюсника волна, амплитуда и фаза которой зависит от его комплексного импеданса. Отраженная волна не проходит через вентиль в обратном направлении, поэтому на первый вход дифференциального усилителя попадает только сигнал генератора, а на второй – сумма сигнала генератора и отраженного сигнала. Тогда на выходе дифференциального усилителя мы получаем отраженный сигнал. По амплитуде сигнала можно установить величину активного сопротивления двухполюсника. Достоинством данного устройства является высокое быстродействие. Постоянная времени измерения составляет порядка 100 нс.
К недостаткам данного устройства можно отнести невысокую точность измерений по сравнению с мостовой схемой, а также невозможность измерения комплексного импеданса двухполюсника.
Техническим результатом заявляемого устройства является повышение точности определения измеряемых параметров, а также одновременное измерение активной и реактивной составляющих полного сопротивления двухполюсника.
Заявляемый технический результат достигается за счет того, что в устройстве для измерения изменяющихся параметров пассивного двухполюсника, содержащем генератор ВЧ гармонического электрического сигнала, выход которого подключен к первому входу дифференциального усилителя и к вентилю, выход которого подключен ко второму входу дифференциального усилителя, а также через фильтр и кабельную линию к исследуемому двухполюснику, параметры которого изменяются по действием внешних факторов, и регистратор электрического сигнала, новым является то, что выход генератора подключен к первому входу дифференциального усилителя через вентиль, к выходу которого подключен эталонный резистор, к выходу генератора также подключены входы двух вентилей, выходы которых через фазовращатели соединены с первыми входами двух смесителей, вторые входы которых соединены с выходом дифференциального усилителя, а выходы смесителей подключены к двухканальному регистратору электрического сигнала.
Выход генератора подключен к четырем электрическим цепям через вентили. Такое подключение позволяет устранить взаимное влияние этих цепей друг на друга и на ВЧ генератор, которое может возникнуть, например, при изменении импеданса двухполюсника. Таким образом, устраняется источник возможных систематических ошибок измерения. Выходы двух первых вентилей подключены ко входам дифференциального усилителя. Одновременно один из них подключен к эталонному резистору, а другой – к исследуемому двухполюснику через фильтр и кабельную линию. Выходное сопротивление первого вентиля и эталонный резистор, с одной стороны, и выходное сопротивление второго вентиля и входной импеданс системы фильтр-кабель-двухполюсник, с другой, образуют две последовательные цепочки сопротивлений аналогично мостовой схеме, а входы дифференциального усилителя оказываются включенными в диагональ моста, образованного этими цепочками. Эти две цепочки и дифференциальный усилитель образуют разностную схему измерения импеданса, которая обладает более высокой точностью по сравнению с прямыми измерениями. Если фильтр согласован с кабельной линией в полосе пропускания и величина эталонного сопротивления равна волновому сопротивлению кабельной линии, на выходе дифференциального усилителя будет выделен сигнал, отраженный от двухполюсника. Фильтр позволяет подавлять электрические помехи, возникающие в кабельной линии. Сигнал ВЧ генератора поступает также на две цепочки с фазовращателями, в каждой из которых производится сдвиг фазы на фиксированную величину, причем разность этих сдвигов должна быть близка к 90°. Тогда на первые входы двух смесителей попадут сигналы генератора, сдвинутые по фазе относительно друг друга на 90°, а на вторые входы – отраженный от двухполюсника сигнал. Поскольку смесители выполняют аналоговую операцию перемножения сигналов, то на выходе смесителей будут получены сигналы, пропорциональные двум ортогональным проекциям вектора, отвечающего представлению отраженного сигнала на комплексной плоскости. По двум сигналам с выходов смесителей могут быть определены амплитуда и фаза отраженного сигнала, которые, в свою очередь, позволяют найти импеданс двухполюсника. Таким образом, предлагаемое устройство сохраняет быстродействие прототипа, но при этом повышается точность измерений и приобретается возможность измерения импеданса двухполюсника.
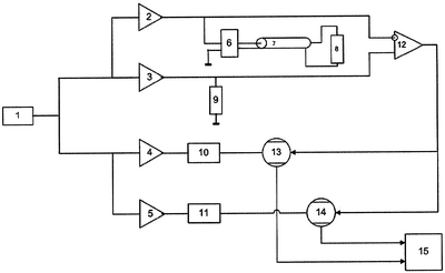
На чертеже представлена электрическая схема устройства.
В качестве генератора высокочастотного гармонического электрического сигнала 1 может быть использован генератор Hewlett Packard HP33120A, который создает на выходе гармонический сигнал с частотой 50 МГц и амплитудой 1 В. Выход генератора 1 подключен к первому входу дифференциального усилителя через вентиль 2, к выходу которого подключен эталонный резистор 9 сопротивлением 75 Ом, и к вентилю 3. Вентили 2, 3, 4 и 5 собраны по схеме однокаскадного транзисторного усилителя в схеме с общим эмиттером с коэффициентом усиления, равным единице, и выходным сопротивлением 75 Ом. В них могут быть использованы транзисторы КТ 939А. Поскольку коэффициент прямой передачи сигнала в схеме с общем эмиттером много больше коэффициента обратной передачи, усилитель эффективно выполняет функции вентиля. Дифференциальный усилитель может быть собран на основе транзисторов КТ 939А. Выход вентиля 3 подключен ко второму входу дифференциального усилителя 12, а также через пассивный полосовой фильтр 6 с полосой пропускания 44 – 56 МГц и кабельную линию 7 к исследуемому двухполюснику 8. Волновое сопротивление кабельной линии составляет 75 Ом. К выходу генератора также подключены входы вентилей 4 и 5, выходы которых через фазовращатели 10 и 11 соединены с первыми входами смесителей 13 и 14, вторые входы которых соединены с выходом дифференциального усилителя 12, а выходы смесителей подключены к двухканальному регистратору электрического сигнала 15. В качестве регистратора электрического сигнала может использоваться цифровой осциллограф Hewlett Packard HP 54810А. Фазовращатели собраны на трансформаторах с сердечниками МЗ0ВН. Сдвиг фазы в фазовращателе 10 составляет 45°, а в фазовращателе 11 – 135°. В кольцевых смесителях могут использоваться трансформаторы на сердечниках МЗ0ВН, а также диодные мосты на основе диодов 2Д922.
Сигнал с выхода генератора 1 поступает на усилители 2, 3, 4 и 5. Задержка распространения сигнала в вентилях должна быть одинаковой. Внутреннее выходное сопротивление вентиля 3 и входное сопротивление фильтра 6, с одной стороны, а также выходное сопротивление вентиля 3 и эталонное сопротивление 9, с другой, образуют два делителя напряжения. Причем, когда фильтр согласован с кабельной линией, а импеданс двухполюсника имеет только активную составляющую и равен 75 Ом, отражение в кабельной линии отсутствует, и входное сопротивление фильтра равно 75 Ом. В этом случае напряжения на входах дифференциального усилителя 12 равны, а сигнал на его выходе отсутствует. Если импеданс двухполюсника не равен 75 Ом, в кабельной линии возникает отраженная волна, причем сигнал на выходе дифференциального усилителя пропорционален отраженному сигналу. Сигнал с выхода ВЧ генератора поступает также к смесителям 13 и 14 через вентили 4 и 5 и фазовращатели 10 и 11. Сдвиг фаз между фазовращателями составляет 90°, поэтому сигнал на выходе смесителя 13, отражающий активную составляющую импеданса, будет иметь вид Е1=Е0cos , а сигнал на выходе смесителя 14, отражающий реактивную составляющую импеданса, будет иметь вид Е2=Е0sin , где Е0 – амплитуда отраженного от двухполюсника сигнала, а – его фаза. Сигналы на выходе смесителей 13 и 14 записываются регистратором 15. По сигналам Е1 и Е2 можно восстановить значения Е0 и , а также величину импеданса двухполюсника. Быстродействие устройства определяется полосой пропускания полосового фильтра. При полосе 12 МГц граничная частота изменения импеданса составит 6 МГц, что соответствует постоянной времени измерения 50 нс.
Формула изобретения
Устройство для измерения изменяющихся параметров пассивного двухполюсника, содержащее генератор высокочастотного гармонического электрического сигнала, выход генератора подключен к первому входу дифференциального усилителя и к первому вентилю, выход которого подключен ко второму входу дифференциального усилителя, а также через фильтр и кабельную линию – к исследуемому двухполюстнику, и регистратор электрического сигнала, отличающееся тем, что выход генератора подключен к первому входу дифференциального усилителя через второй вентиль, к выходу которого подключен также эталонный резистор, к выходу генератора также подключены входы третьего и четвертого вентилей, причем их выходы через фазовращатели соединены с первыми входами двух смесителей, вторые входы которых соединены с выходом дифференциального усилителя, при этом сдвиг фаз между фазовращателями составляет 90°, а выходы смесителей подключены к регистратору электрического сигнала, который выполнен двухканальным.
РИСУНКИ
|
|