|
|
(21), (22) Заявка: 2006114200/28, 25.04.2006
(24) Дата начала отсчета срока действия патента:
25.04.2006
(46) Опубликовано: 27.09.2007
(56) Список документов, цитированных в отчете о поиске:
RU 2217725 C2, 27.11.2003. RU 1239546 A1, 23.06.1986. RU 94045603 A1, 27.10.1996. RU 2252422 C1, 20.05.2005. US 3789658 A, 05.02.1974. US 4006403 A, 01.02.1977. US 383990 A, 01.02.1977.
Адрес для переписки:
390014, г.Рязань, Рязанский военный автомобильный институт, НИО, А.Д. Герасимову
|
(72) Автор(ы):
Волков Степан Степанович (RU), Носов Александр Константинович (RU), Патрин Александр Николаевич (RU)
(73) Патентообладатель(и):
Рязанский военный автомобильный институт им. генерала армии В.П. Дубынина (RU)
|
(54) УСТРОЙСТВО ДЛЯ РЕГИСТРАЦИИ ПЕРЕМЕННОЙ СОСТАВЛЯЮЩЕЙ ТОКА В СИСТЕМЕ ЭЛЕКТРОСНАБЖЕНИЯ АВТОМОБИЛЯ
(57) Реферат:
Устройство содержит последовательно соединенные датчик тока в виде тороидальной катушки индуктивности с ферритовым сердечником, дискриминатор, усилитель переменного тока, синхронный детектор, усилитель постоянного тока, сигнализатор. Второй вход синхронного детектора подсоединен через фазосдвигающую цепь к якорю генератора переменного тока. Технический результат заключается в избирательной регистрации переменной составляющей электрического тока, протекающего через аккумуляторную батарею при наличии в цепи других переменных составляющих электрических токов другой частоты и фазы, но сравнимых или больших по величине в сравнении с регистрируемым сигналом. 1 ил.
Изобретение относится к автомобильной промышленности, в частности к устройствам диагностирования, работа которых основана на регистрации переменной составляющей тока в бортовой сети, и может быть использовано в производстве и эксплуатации автотракторной техники для повышения безопасности работы системы электроснабжения.
Известно устройство для регистрации переменной составляющей тока в системе электроснабжения автомобиля, содержащее датчик и сигнализатор. [А.Г. Сергеев, В.Е. Ютт. Диагностирование электрооборудования автомобилей. – М.: Транспорт, 1987 г.],
Работа устройства основана на выделении переменной составляющей тока с помощью датчика, в качестве которого используется конденсатор, и электрического усилителя переменного напряжения, соединенного с сигнализатором.
Недостатком такого устройства является нечувствительность к фазе и частоте электрических сигналов переменного тока.
Наиболее близким к предлагаемому является устройство регистрации переменной составляющей тока, протекающего через аккумуляторную батарею, содержащее датчик, усилитель и сигнализатор, соединенный с выходом усилителя. [Патент РФ №2217725, МПК G01М 15/00, 2003 г.]
Действие устройства основано на регистрации переменной составляющей тока бесконтактным способом с помощью датчика Холла, чувствительного к изменениям магнитного поля вокруг провода, создающим напряжение на выходе датчика, пропорциональное величине переменной составляющей тока в проводе.
Недостатком известного устройства является его нечувствительность к фазе и частоте переменной составляющей тока, что приводит к существенному влиянию других составляющих переменного тока и снижению достоверности результатов измерений составляющих тока, обусловленных отказом выпрямительного блока.
Технический результат направлен на избирательную по частоте и фазе регистрацию переменной составляющей электрического тока, протекающего через аккумуляторную батарею, возникающего вследствие выхода из строя выпрямляющих диодов синхронного генератора переменного тока, соединенного параллельно с аккумуляторной батареей, при наличии в цепи других переменных составляющих электрических токов другой частоты и фазы, но сравнимых или больших по величине в сравнении с регистрируемым сигналом.
Технический результат достигается тем, что устройство для регистрации переменной составляющей тока, протекающего через аккумуляторную батарею, содержащее регистрирующий датчик, усилитель и сигнализатор, соединенный с выходом усилителя, при этом устройство дополнительно снабжено дискриминатором напряжения, синхронным детектором и фазосдвигающей цепью, причем дискриминатор соединен последовательно с регистрирующим датчиком, выход дискриминатора соединен с входом синхронного детектора, второй вход детектора соединен через фазосдвигающую цепь с якорем генератора, выход синхронного детектора соединен с входом усилителя, а выход усилителя соединен с сигнализатором, причем регистрирующий датчик выполнен в виде тороидальной катушки индуктивности, снабжен ферритовым сердечником и расположен аксиально на проводе, соединяющем аккумуляторную батарею со стартером.
Отличительным признаком предлагаемого изобретения является то, что устройство дополнительно снабжено дискриминатором напряжения и синхронным детектором, при этом дискриминатор соединен последовательно с регистрирующим датчиком, выход дискриминатора соединен с входом синхронного детектора, второй вход детектора соединен с одной фазой якоря генератора, выход синхронного детектора соединен с входом усилителя, а выход усилителя соединен с сигнализатором, причем регистрирующий датчик выполнен в виде тороидальной катушки индуктивности, снабжен ферритовым сердечником и расположен аксиально на проводе, соединяющем аккумуляторную батарею со стартером.
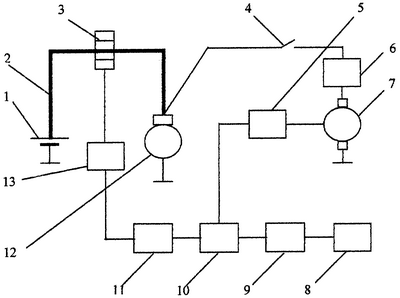
На чертеже представлена функциональная схема, поясняющая работу предлагаемого устройства, для регистрации переменной составляющей тока в системе электроснабжения автомобиля.
Схема содержит аккумуляторную батарею 1, соединительный токоведущий провод 2, соединенный со стартером 12, генератор переменного тока 7 с двухполупериодным трехфазным выпрямителем 6, соединенный через выключатель 4 со стартером 12, последовательно соединенные тороидальный регистрирующий датчик 3 переменной составляющей выпрямленного тока, расположенный аксиально на проводе 2, дискриминатор 13, усилитель напряжения переменного тока 11, синхронный детектор 10, усилитель постоянного тока 9 и сигнализатор 8. Устройство также содержит фазосдвигающую цепь 5, содержащую три параллельно соединенные выходами фазосдвигающие цепи, входы которых подсоединены соответственно к началам фазных обмоток генератора 7, а общий выход соединен с опорным входом детектора 10. Регистрирующий датчик 3 выполнен в виде тороидальной катушки индуктивности, снабжен ферритовым сердечником и расположен аксиально на проводе 2.
Устройство работает следующим образом. При пробое одного из диодов выпрямителя появляется переменная составляющая тока – в питающей сети автомобиля возникают переменные токи. Действующее значение напряжения возникающей переменной составляющей выпрямленного тока определяется величиной фазного напряжения генератора и составляет величину единицы вольт (U=(0.4-0.5)U0) [1].
Вследствие малого значения внутреннего сопротивления аккумуляторной батареи через нее будет протекать ток больше допустимого значения. Переменный ток, протекающий через аккумулятор, имеет деструктивный характер, сокращает ресурс работы аккумулятора и является недопустимым. Из-за малого сопротивления аккумулятора обнаружение переменного тока через него представляет большие трудности. В прелагаемом устройстве переменная составляющая тока, протекающего из генератора 7 через выпрямитель 6, соединительный токоведущий провод 2 и аккумуляторную батарею 1, создает в тороидальном регистрирующем датчике 3 переменное напряжение с фазной частотой генератора 7. Полученный на регистрирующем датчике 3 сигнал выделяется с помощью дискриминатора 13 из суммарного сигнала всех составляющих переменного тока и подается на вход усилителя переменного тока 11. Выделение сигнала осуществляется по амплитуде, так как все возможные составляющие переменного тока в бортовой сети автомобиля, наводимые внешними электромагнитными излучениями, меньше составляющей тока, вызванной действием переменного фазного напряжения. Усиленный сигнал подается на сигнальный вход синхронного детектора 10. На второй вход детектора 10 подается опорный сигнал от генератора 7 через фазосдвигающую цепь 5. Последняя содержит три параллельные фазосдвигающие цепи, входы которых подсоединены соответственно к началам фазных обмоток генератора 7, а выходы подсоединены к опорному входу синхронного детектора 10. Фазосдвигающие цепи создают относительный сдвиг фаз соответственно 0°, 120° и 240°. Затем добавляется дополнительный сдвиг фазы на все три цепи, возникающий на участке цепи “выпрямитель 6 – регистрирующий датчик 3 – дискриминатор 13 – усилитель переменного тока 11 – вход детектора 10”. Это условие обеспечивает синфазность и равенство частоты опорного сигнала с любой фазы и сигнала, возникающего при пробое одного из диодов выпрямителя 6, поступающих на входы детектора 10. Выходной сигнал детектора 10 усиливается усилителем 9 и поступает на сигнализатор 8. При необходимости сигнализатор 8 может быть заменен исполнительным устройством.
Сопоставительный анализ с прототипом показал, что предлагаемое устройство регистрации переменной составляющей тока в системе электроснабжения является чувствительным к фазе и частоте переменной составляющей тока за счет применения регистрирующего датчика, выполненного в виде тороидальной катушки, дискриминатора, фазосдвигающей цепи и использования синхронного детектора.
Источники информации
1. Данов Б.А., Рогачев В.Д., Электрооборудование автомобилей КамАЗ. – М.: Транспорт, 1997 г.
Формула изобретения
Устройство для регистрации переменной составляющей тока, протекающего через аккумуляторную батарею, содержащее регистрирующий датчик, усилитель и сигнализатор, соединенный с выходом усилителя, отличающееся тем, что дополнительно снабжено дискриминатором напряжения, синхронным детектором и фазосдвигающей цепью, при этом дискриминатор соединен последовательно с регистрирующим датчиком, выход дискриминатора соединен с входом синхронного детектора, второй вход детектора соединен через фазосдвигающую цепь с якорем генератора, выход синхронного детектора соединен с входом усилителя, а выход усилителя соединен с сигнализатором, причем регистрирующий датчик выполнен в виде тороидальной катушки индуктивности, снабжен ферритовым сердечником и расположен аксиально на проводе, соединяющем аккумуляторную батарею со стартером.
РИСУНКИ
MM4A – Досрочное прекращение действия патента СССР или патента Российской Федерации на изобретение из-за неуплаты в установленный срок пошлины за поддержание патента в силе
Дата прекращения действия патента: 26.04.2008
Извещение опубликовано: 20.03.2010 БИ: 08/2010
|
|