|
|
(21), (22) Заявка: 2006108975/03, 21.03.2006
(24) Дата начала отсчета срока действия патента:
21.03.2006
(46) Опубликовано: 27.09.2007
(56) Список документов, цитированных в отчете о поиске:
РЕПИН Н.Н. Санитарно-технические устройства зданий, изд-е 2-е. – М.: Государственное издательство литературы по строительству и архитектуре, 1957, с.247-248, рис.181 (б). КОЗИН В.Е. и др. Теплоснабжение: Учебное пособие для студентов вузов. – М.: Высшая школа, 1980, с.29-31, рис.II.3 (е), рис.V.3 на с.128. RU 2005267 С1, 30.12.1993.
Адрес для переписки:
432027, г.Ульяновск, Северный Венец, 32, ГОУ ВПО “Ульяновский государственный технический университет”, Проректору по научной работе
|
(72) Автор(ы):
Ротов Павел Валерьевич (RU), Шарапов Владимир Иванович (RU), Половов Олег Владимирович (RU), Ротова Марина Александровна (RU)
(73) Патентообладатель(и):
Государственное образовательное учреждение высшего профессионального образования “Ульяновский государственный технический университет” (RU)
|
(54) СПОСОБ РАБОТЫ СИСТЕМЫ ТЕПЛОСНАБЖЕНИЯ
(57) Реферат:
Изобретение относится к области теплоэнергетики и может быть использовано в системах теплоснабжения. Технический результат: повышение качества и экономичности работы системы теплоснабжения за счет поддержания оптимального расхода циркуляционной воды в системе горячего водоснабжения и исключения завышения температуры обратной сетевой воды. Способ работы системы теплоснабжения, по которому сетевую воду подают потребителям по подающему и отводят по обратному трубопроводам теплосети, отбор воды на горячее водоснабжение производят из подающего и обратного трубопроводов теплосети, температуру воды, подаваемой на горячее водоснабжение, поддерживают постоянной при помощи смешения сетевой воды из подающего и обратного трубопроводов теплосети в смесительном устройстве и циркуляции части воды, подаваемой на горячее водоснабжение, циркуляционную воду, возвращаемую от потребителей, подают непосредственно в смесительное устройство. Причем отбор сетевой воды из обратного трубопровода теплосети на горячее водоснабжение регулируют по давлению в циркуляционном трубопроводе горячего водоснабжения перед циркуляционным насосом. 1 ил.
Изобретение относится к области теплоэнергетики и может быть использовано в системах теплоснабжения.
Известен аналог – способ работы системы теплоснабжения, по которому сетевую воду потребителям подают по подающему и отводят по обратному трубопроводам теплосети, отбор воды на горячее водоснабжение производят непосредственно из подающего и обратного трубопроводов теплосети, температуру воды, подаваемой на горячее водоснабжение, поддерживают постоянной за счет смешения части сетевой воды из подающего и обратного трубопроводов теплосети в смесительном устройстве и циркуляции части воды, подаваемой на горячее водоснабжение (см. кн. Репин Н.Н. Санитарно-технические устройства зданий. М.: Государственное издательство литературы по строительству и архитектуре, 1957, рис.181 (б) на стр.247, описание на стр.248).
Данный аналог принят в качестве прототипа.
Недостатками аналога и прототипа является снижение качества и надежности теплоснабжения из-за прекращения циркуляции горячей воды в часы минимального водоразбора при наполнении бака-аккумулятора и отсутствия регулирования отбора воды на горячее водоснабжение из обратного трубопровода теплосети.
Техническим результатом, достигаемым настоящим изобретением, является повышение качества и экономичности работы системы теплоснабжения за счет поддержания оптимального расхода циркуляционной воды в системе горячего водоснабжения и исключения завышения температуры обратной сетевой воды.
Для достижения этого результата предложен способ работы системы теплоснабжения, по которому сетевую воду подают потребителям по подающему и отводят по обратному трубопроводам теплосети, отбор воды на горячее водоснабжение производят из подающего и обратного трубопроводов теплосети, температуру воды, подаваемой на горячее водоснабжение, поддерживают постоянной при помощи смешения сетевой воды из подающего и обратного трубопроводов теплосети в смесительном устройстве и циркуляции части воды, подаваемой на горячее водоснабжение, циркуляционную воду, возвращаемую от потребителей, подают непосредственно в смесительное устройство.
Отличием заявляемого способа является то, что отбор сетевой воды из обратного трубопровода теплосети на горячее водоснабжение регулируют по давлению в циркуляционном трубопроводе горячего водоснабжения перед циркуляционным насосом.
Далее рассмотрим сведения, подтверждающие возможность осуществления изобретения с получением искомого технического результата.
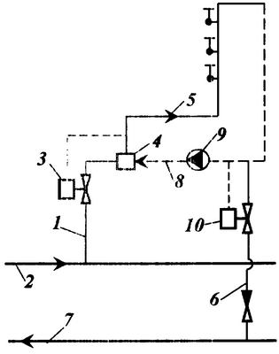
На чертеже представлена принципиальная схема системы теплоснабжения, поясняющая предложенный способ.
Система теплоснабжения содержит подающий смесительный трубопровод 1, подключенный к подающему трубопроводу теплосети 2, регулятор температуры 3, включенный в подающий смесительный трубопровод 1 перед смесительным устройством 4, подающий трубопровод системы горячего водоснабжения 5, подключенный на выход смесительного устройства 4, обратный смесительный трубопровод 6, подключенный к обратному трубопроводу теплосети 7 и циркуляционному трубопроводу системы горячего водоснабжения 8, циркуляционный насос 9, включенный в циркуляционный трубопровод системы горячего водоснабжения 8 между точкой врезки обратного смесительного трубопровода 6 и смесительным устройством 4, регулятор подпитки системы горячего водоснабжения 10, включенный в обратный смесительный трубопровод 6. Циркуляционный трубопровод системы горячего водоснабжения 8 подключен на вход смесительного устройства 4.
Рассмотрим пример реализации заявленного способа.
Сетевую воду потребителям подают по подающему 2 и отводят по обратному 7 трубопроводам теплосети. Отбор воды на горячее водоснабжение осуществляют непосредственно из теплосети по подающему 1 и обратному 6 смесительным трубопроводам. Температуру воды на горячее водоснабжение поддерживают смешением сетевой воды из подающего 2 и обратного 7 трубопроводов теплосети в смесительном устройстве 4. Для этого регулятором температуры 3 регулируют расход сетевой воды в подающем смесительном трубопроводе 1 в зависимости от температуры воды в подающем трубопроводе системы горячего водоснабжения 5. Постоянство температуры воды в системе горячего водоснабжения обеспечивают циркуляцией части воды по циркуляционному трубопроводу системы горячего водоснабжения 8, подключенному на вход смесительного устройства 4. Циркуляцию воды в системе горячего водоснабжения осуществляют при помощи циркуляционного насоса 9. Подачу сетевой воды из обратного трубопровода теплосети 7 на вход циркуляционного насоса 9 в часы минимального и максимального водоразбора регулируют регулятором подпитки 10 по давлению в циркуляционном трубопроводе горячего водоснабжения 8 перед циркуляционным насосом 9.
В часы минимального водоразбора из системы горячего водоснабжения температура воды в циркуляционном трубопроводе системы горячего водоснабжения 8 становится равной температуре воды в подающем трубопроводе системы горячего водоснабжения 5. Возвращаемую от потребителей воду в полном объеме циркуляционным насосом 9 подают на вход в смесительное устройство 4. При этом регулятор температуры 3 и регулятор подпитки 10 перекрывают подачу сетевой воды на горячее водоснабжение из подающего 2 и обратного 7 трубопроводов теплосети. В часы максимального водоразбора из системы горячего водоснабжения с уменьшением количества воды в циркуляционном трубопроводе 8 подачу воды из обратного трубопровода теплосети 7 регулируют регулятором подпитки по давлению в циркуляционном трубопроводе 8 перед циркуляционным насосом 9.
Подача циркуляционной воды системы горячего водоснабжения вместе с обратной сетевой водой на вход смесительного устройства 4 позволяет снизить расход сетевой воды на горячее водоснабжение из обратного трубопровода теплосети 7.
Формула изобретения
Способ работы системы теплоснабжения, по которому сетевую воду подают потребителям по подающему и отводят по обратному трубопроводам теплосети, отбор воды на горячее водоснабжение производят из подающего и обратного трубопроводов теплосети, температуру воды, подаваемой на горячее водоснабжение, поддерживают постоянной при помощи смешения сетевой воды из подающего и обратного трубопроводов теплосети в смесительном устройстве и циркуляции части воды, подаваемой на горячее водоснабжение, циркуляционную воду, возвращаемую от потребителей, подают непосредственно в смесительное устройство, отличающийся тем, что отбор сетевой воды из обратного трубопровода теплосети на горячее водоснабжение регулируют по давлению в циркуляционном трубопроводе горячего водоснабжения перед циркуляционным насосом.
РИСУНКИ
MM4A – Досрочное прекращение действия патента СССР или патента Российской Федерации на изобретение из-за неуплаты в установленный срок пошлины за поддержание патента в силе
Дата прекращения действия патента: 22.03.2008
Извещение опубликовано: 27.08.2009 БИ: 24/2009
NF4A – Восстановление действия патента СССР или патента Российской Федерации на изобретение
Дата, с которой действие патента восстановлено: 10.06.2010
Извещение опубликовано: 10.06.2010 БИ: 16/2010
|
|