|
|
(21), (22) Заявка: 2005137670/09, 02.12.2005
(24) Дата начала отсчета срока действия патента:
02.12.2005
(46) Опубликовано: 20.09.2007
(56) Список документов, цитированных в отчете о поиске:
SU 1269244 A1, 07.11.1986. SU 1529429 A1, 15.12.1989. SU 1506532 A1, 07.09.1989. SU 1078601 A, 07.03.1984. FR 2250233, 30.05.1975.
Адрес для переписки:
426063, г.Ижевск, ул. Промышленная, 8, ФГУП “Ижевский механический завод”
|
(72) Автор(ы):
Гуляев Павел Валентинович (RU), Меркушев Александр Аркадьевич (RU)
(73) Патентообладатель(и):
Федеральное государственное унитарное предприятие “Ижевский механический завод” (RU)
|
(54) УСТРОЙСТВО ДЛЯ ПОДАВЛЕНИЯ ДРЕБЕЗГА КОНТАКТОВ
(57) Реферат:
Изобретение относится к импульсной технике и может быть использовано в интегральных микросхемах импульсных устройств и систем управления. Технический результат заключается в снижении энергопотребления. Устройство для устранения дребезга контактов содержит входную шину, генератор, соединенный со счетным входом счетчика, схему совпадения, входы которой соединены с выходами счетчика, резистор, один конец резистора соединен с общей шиной. Второй вход резистора подключен к входной шине устройства. Вход разрешения генерации генератора и вход сброса счетчика через буфер соединены с входной шиной. 1 з.п. ф-лы, 1 ил.
Изобретение относится к импульсной технике и может быть использовано в интегральных микросхемах импульсных устройств и систем управления.
Известно устройство для подавления дребезга контактов (патент РФ №2036551, кл. Н03К 5/153, опубл. 27.05.1995), содержащее элемент И-НЕ, первый вход которого соединен через инвертор с замыкающим контактом переключателя, а второй вход – с шиной установки в ноль, конденсатор, одна обкладка которого соединена с общей шиной, а вторая – с первым входом элемента ИСКЛЮЧАЮЩЕЕ ИЛИ. Второй вход элемента ИСКЛЮЧАЮЩЕЕ ИЛИ через первый резистор подключен к размыкающему контакту переключателя. Выходами устройства являются выходы элементов И-НЕ и ИСКЛЮЧАЮЩЕЕ ИЛИ, при этом выход последнего соединен через второй резистор с входом инвертора. Недостатком устройства является использование конденсатора, что затрудняет его реализацию в интегральном исполнении.
Наиболее близким по составу и сущности к заявляемому является устройство для устранения дребезга контактов (а.с. СССР №1269244, кл. Н03К 5/153, опубл. 07.11.1986). Устройство содержит генератор, счетчик, вход запрета которого соединен с входной шиной через элемент ИСКЛЮЧАЮЩЕЕ ИЛИ, а счетный вход подключен к выходу генератора. Выходы счетчика соединены с входами элемента И, выход которого является выходом устройства. Достоинством устройства является возможность его реализации в интегральном исполнении. Недостатком указанного устройства является повышенное энергопотребление, вызванное постоянным функционированием генератора.
Технической задачей предлагаемого изобретения является снижение энергопотребления устройства при реализации его в интегральном исполнении по КМОП технологии.
Для достижения этого технического результата в устройстве для подавления дребезга контактов, содержащем входную шину, генератор, выход которого соединен со счетным входом счетчика, выходы которого подключены к входам схемы совпадения, выход которой является выходом устройства, генератор снабжен входом разрешения генерации и вновь введены буфер и резистор, при этом один конец резистора соединен с общей шиной, а второй конец соединен с входной шиной и одним входом буфера, к выходу которого подключены вход разрешения генерации генератора и вход сброса счетчика. В устройстве для подавления дребезга контактов другой вход буфера соединен с выходом устройства.
Указанная совокупность признаков позволяет снизить энергопотребление устройства.
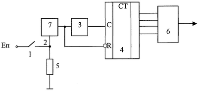
На чертеже представлена структурная схема предлагаемого устройства для подавления дребезга контактов.
Устройство содержит кнопку 1, входную шину 2, генератор 3, счетчик 4, резистор 5, схему 6 совпадения и буфер 7. Один контакт кнопки 1 соединен с шиной питания Еп, а другой контакт подключен к входной шине 2 устройства. К входной шине 2 подключен один конец резистора 5, другой конец которого соединен с общей шиной. Вход разрешения генерации генератора 3 и вход сброса счетчика 4 соединены через буфер 7 с входной шиной 2. Выход генератора 3 подключен к счетному входу счетчика 4. Выходы счетчика 4 соединены с входами схемы 6 совпадения. Выход схемы 6 совпадения является выходом устройства.
Схема 6 совпадения устройства может быть выполнена, например, на элементе логическое И, резистор 5 – в виде диффузионного резистора или открытого МОП (метал-окисел-полупроводник) транзистора. Буфер 7 может быть выполнен в виде двух последовательно включенных инверторов, неинвертирующего шинного формирователя или проводника. При использовании счетчиков, у которых активным сигналом сброса является логическая единица, вход сброса счетчика необходимо соединить с входной шиной устройства через инвертор.
Устройство работает следующим образом. В исходном состоянии кнопка 1 не нажата и на входную шину 2 устройства через резистор 5 поступает сигнал низкого уровня. Данный сигнал через буфер поступает на генератор 3 и счетчик 4 и при этом блокирует работу генератора 3 и удерживает счетчик 4 в сброшенном состоянии. На выходах счетчика 4 и на выходе схемы 6 совпадения устанавливается сигнал логического нуля. Генератор 3 устройства может быть выполнен на логических элементах по любой известной схеме, при этом для запуска и блокировки генератора 3 можно, например, цепи питания логических элементов подключить к входу разрешения генерации. Тогда напряжение питания может поступить на элементы генератора 3 и запустить его только при нажатии кнопки 1. Другим вариантом организации запуска и блокировки генератора 3 является введение в его состав логической схемы, принудительно переводящей элементы генератора 3 в состояние логического нуля или единицы при сигнале низкого уровня на входной шине 2. Это позволит исключить переключение логических элементов, что при выполнении их по КМОП технологии существенно снижает ток потребления.
При нажатии кнопки 1 на входной шине 2 и выходе буфера 7 появляется сигнал высокого уровня, который запускает генератор 3 и разрешает работу счетчика 4. Дребезг контактов всякий раз приводит к периодическому появлению на входной шине 2 сигнала низкого уровня, остановке генератора 3 и сбросу счетчика 4 в нулевое состояние. И только тогда, когда кнопка 1 устойчиво находится в нажатом состоянии достаточно долгое время, счетчик 4 может досчитать до определенного состояния (например, до максимального кода), которое приведет к появлению на выходе схемы 6 совпадения состояния логической единицы.
В некоторых случаях запускать генератор 3 необходимо при нажатии кнопки 1 устройства, а выключать только при достижении счетчиком 4 определенного состояния и при этом отпускание кнопки 1 не должно приводить к сбросу счетчика 4 и остановке генератора 3 до достижения заданного состояния. Для выполнения данной функции буфер 7 следует выполнить в виде логической схемы, подключенной не только к входной шине 2, но и к выходу устройства. При этом возможно большое число вариантов реализации буфера 7. В целом логику его работы в таком случае можно описать следующим образом. При появлении логической единицы на входной шине элемент памяти (например, триггер) буфера 7 устанавливается в единицу, разрешая работу генератора 3. Обнуление данного элемента памяти происходит при достижении счетчиком определенного состояния (независимо от уровня сигнала на входной шине), вызывая отключение генератора 3. Обнуление счетчика 4 при этом возможно только при отпущенной кнопке 1 и остановленном генераторе 3.
Формула изобретения
1. Устройство для подавления дребезга контактов, содержащее входную шину, генератор, выход которого соединен со счетным входом счетчика, выходы которого подключены к входам схемы совпадения, выход которой является выходом устройства, отличающееся тем, что генератор снабжен входом разрешения генерации и вновь введены буфер и резистор, при этом один конец резистора соединен с общей шиной, а второй конец соединен с входной шиной и одним входом буфера, к выходу которого подключены вход разрешения генерации генератора и вход сброса счетчика.
2. Устройство для подавления дребезга контактов по п.1, отличающееся тем, что другой вход буфера соединен с выходом устройства.
РИСУНКИ
|
|