|
|
(21), (22) Заявка: 2006113377/09, 20.04.2006
(24) Дата начала отсчета срока действия патента:
20.04.2006
(46) Опубликовано: 20.09.2007
(56) Список документов, цитированных в отчете о поиске:
RU 2180465 C1, 10.03.2002. SU 1480020 A1, 15.05.1989. SU 1195407 A1, 30.11.1985. US 5623197, 22.04.1997. DE 10152855, 15.05.2003.
Адрес для переписки:
111250, Москва, ул. Авиамоторная, 53, ЗАО “Патентный Поверенный”, пат.пов. Г.Н.Андрущак, рег. № 189
|
(72) Автор(ы):
Белянин Олег Валерьевич (RU)
(73) Патентообладатель(и):
Белянин Олег Валерьевич (RU)
|
(54) БЕСПРОВОДНАЯ ЗАРЯДНАЯ СИСТЕМА (ВАРИАНТЫ)
(57) Реферат:
Изобретение относится к электротехнике. Технический результат заключается в обеспечении гарантированного беспроводного питания и подзарядки различных устройств, содержащих зарядный блок, выполненный согласно изобретению. Для этого устройство содержит на питающей стороне узкополосный высокочастотный генератор с излучающей антенной, а на стороне зарядного блока – приемную антенну, инвертор напряжения, контроллер заряда-разряда, блок аккумуляторов и/или блок ионисторов, при этом инвертор содержит на входе выпрямитель и импульсный умножитель напряжения, содержащий n каскадов (где n 2), каждый из которых содержит последовательно соединенные первый диод, накопительный конденсатор и второй диод, включенный согласно с первым, а также МОП-транзистор с индуцированным каналом, сток которого соединен с затвором и с точкой соединения первого диода и накопительного конденсатора, точка соединения которого со вторым диодом соединена с истоком МОП-транзистора с индуцированным каналом предыдущего каскада, при этом соединенные между собой свободные выводы первых диодов и соответственно соединенные между собой свободные выводы вторых диодов являются входом импульсного умножителя напряжения, выходом которого являются исток МОП-транзистора с индуцированным каналом последнего каскада и точка соединения накопительного конденсатора и второго диода первого каскада, а также как вариант – устройство содержит на питающей стороне узкополосный высокочастотный генератор с излучающей антенной, а на стороне зарядного блока – приемную антенну, инвертор напряжения, контроллер заряда-разряда, блок аккумуляторов и/или блок ионисторов, при этом инвертор содержит на входе выпрямитель и импульсный умножитель напряжения, содержащий n каскадов (где n 2), каждый из которых содержит последовательно соединенные первый диод, накопительный конденсатор и второй диод, включенный согласно с первым, а также первый и второй полевые транзисторы, при этом точка соединения первого диода и накопительного конденсатора соединена с затвором первого полевого транзистора и стоком второго полевого транзистора, исток первого полевого транзистора соединен с затвором второго полевого транзистора, при этом свободные выводы первых диодов каскадов объединены, свободные выводы вторых диодов каскадов объединены и к ним подключены стоки первых полевых транзисторов, исток второго полевого транзистора каскада соединен с точкой соединения конденсатора и второго диода следующего каскада, а исток второго полевого транзистора последнего каскада и точка соединения конденсатора и второго диода первого каскада являются выходом импульсного умножителя напряжения, входом которого являются соединенные между собой свободные выводы первых диодов и соответственно соединенные между собой свободные выводы вторых диодов. 2 н.п. ф-лы, 3 ил.
Изобретение относится к электротехнике и направлено на обеспечение возможности передачи электроэнергии на беспроводные устройства-клавиатуры, компьютерные мыши, мобильные телефоны, фото-, видео-, веб-камеры, карманные компьютеры, активные RFID-метки, беспроводные пульты и устройства ввода, любые другие маломощные беспроводные устройства.
Известны беспроводные системы передачи электроэнергии, основанные на приеме электромагнитных колебаний из эфира (WO 2005069503, 28.07.2005, Н02J 17/00, JP 2005537773T, 08.12.2005, H02J 17/00, US 2005077872, 14.04.2005, Н02J 17/00, WO 200438890, 02.02.2006, H02J 17/00 и др.)
Наиболее близким к изобретению можно рассматривать устройство для реализации способа обеспечения аварийного питания сотовых радиотелефонов, которое содержит: широкополосную антенну, повышающий трансформатор, выпрямитель, блок сравнения напряжений, блок переключения режимов, накопитель, аккумулятор, блок индикации и управления, клеммы питания радиотелефона.
Широкополосной антенной осуществляется прием электромагнитных волн в широком диапазоне, что позволяет обеспечить накопление электроэнергии практически в любом месте. В низкочастотном диапазоне лучше всего в районе ЛЭП, а в высокочастотном – лучше всего при грозе и рядом с передающей станцией. Повышающий трансформатор необходим для обеспечения работы диодов выпрямителя и для обеспечения напряжением заряда накопителя, т.к. величина электрического сигнала в широкополосной антенне составляет десятые доли вольта. Выпрямленное напряжение используется для заряда накопителя, в качестве которого может быть использован конденсатор с малой утечкой или аккумулятор. (RU 2180465, 10.03.2002, H02J 17/00).
Однако возможны случаи, при которых напряженность электромагнитного поля мала, поскольку источников электромагнитного излучения поблизости нет и напряженность поля недостаточна для обеспечения подзаряда источников питания на стороне зарядного блока. При этом сама схема преобразователя напряжения (повышающий трансформатор и выпрямитель) не позволяет обеспечить гарантированное питание (подзаряд) в виду значительных потерь на них.
Технический результат изобретения заключается в обеспечении гарантированного беспроводного питания и подзарядки различных устройств, содержащих зарядный блок, выполненный согласно изобретению.
Для достижения указанного технического результата предлагаются – беспроводная зарядная система, содержащая на питающей стороне узкополосный высокочастотный генератор с излучающей антенной, а на стороне зарядного блока – приемную антенну, соединенную с инвертором напряжения, выход которого соединен с входом контроллера заряда-разряда, который соединен с блоком аккумуляторов и/или с блоком ионисторов, при этом инвертор содержит на входе выпрямитель и импульсный умножитель напряжения, содержащий n каскадов (где n 2), каждый из которых содержит последовательно соединенные первый диод, накопительный конденсатор и второй диод, включенный согласно с первым, а также МОП-транзистор с индуцированным каналом, сток которого соединен с затвором и с точкой соединения первого диода и накопительного конденсатора, точка соединения которого со вторым диодом соединена с истоком МОП-транзистора с индуцированным каналом предыдущего каскада, при этом соединенные между собой свободные выводы первых диодов и соответственно соединенные между собой свободные выводы вторых диодов являются входом импульсного умножителя напряжения, выходом которого являются исток МОП-транзистора с индуцированным каналом последнего каскада и точка соединения накопительного конденсатора и второго диода первого каскада, а также как вариант – беспроводная зарядная система, содержащая на питающей стороне узкополосный высокочастотный генератор с излучающей антенной, а на стороне зарядного блока – приемную антенну, соединенную с инвертором напряжения, выход которого соединен с входом контроллера заряда-разряда, который соединен с блоком аккумуляторов и/или с блоком ионисторов, при этом инвертор содержит на входе выпрямитель и импульсный умножитель напряжения, содержащий n каскадов (где n 2), каждый из которых содержит последовательно соединенные первый диод, накопительный конденсатор и второй диод, включенный согласно с первым, а также первый и второй полевые транзисторы, при этом точка соединения первого диода и накопительного конденсатора соединена с затвором первого полевого транзистора и стоком второго полевого транзистора, исток первого полевого транзистора соединен с затвором второго полевого транзистора, при этом свободные выводы первых диодов каскадов объединены, свободные выводы вторых диодов каскадов объединены и к ним подключены стоки первых полевых транзисторов, исток второго полевого транзистора каскада соединен с точкой соединения конденсатора и второго диода следующего каскада, а исток второго полевого транзистора последнего каскада и точка соединения конденсатора и второго диода первого каскада являются выходом импульсного умножителя напряжения, входом которого являются соединенные между собой свободные выводы первых диодов и соответственно соединенные между собой свободные выводы вторых диодов.
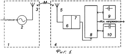
На фиг.1 представлена общая структурная схема беспроводной зарядной системы.
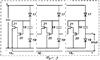
На фиг.2 – схема импульсного умножителя напряжения по варианту 1.
На фиг.3 – схема импульсного умножителя напряжения по варианту 2.
Беспроводная зарядная система содержит питающую сторону 1, на которой находятся узкополосный высокочастотный генератор 2 и излучающая антенна 3, а также зарядный блок 4, содержащий приемную антенну 5, инвертор напряжения, содержащий выпрямитель 6 и импульсный умножитель напряжения 7, контроллер заряда-разряда 8, блок аккумуляторов 9 и блок ионисторов 10.
Импульсный умножитель напряжения по варианту 1 содержит n каскадов 111-11n, первый диод 12, накопительный конденсатор 13, второй диод 14 и МОП-транзистор с индуцированным каналом 15.
Импульсный умножитель напряжения по варианту 2 содержит n каскадов 161-16n, первый диод 17, накопительный конденсатор 18, второй диод 19, первый и второй полевые транзисторы 20 и 21.
Беспроводная зарядная система согласно изобретению работает следующим образом.
На питающей стороне 1 узкополосный высокочастотный генератор 2 с помощью излучающей антенны 3 излучает электромагнитные волны определенной частоты .
Эти волны наводят в приемной антенне 5 зарядного блока 4 переменную ЭДС частоты и амплитуды, зависящей от расстояния до излучателя. Инвертор, содержащий выпрямитель 6 и импульсный умножитель напряжения 7, должен обеспечивать преобразование переменного напряжения в постоянное (медленно меняющееся) или импульсное напряжение, которое должно быть не ниже порогового уровня, обусловленного конкретной конструкцией контроллера заряда-разряда 8 и используемых блока аккумуляторов 9 и блока ионисторов 10.
Контроллер заряда-разряда 8 является стандартным элементом, применяемым в современных мобильных устройствах. Он служит для оптимизации режима заряда-разряда аккумуляторов и ионисторов (поддержка необходимых напряжений и токов, предотвращение полного разряда), переключения нагрузки на заряженные аккумуляторы и ионисторы для поддержки необходимого напряжения питания (например, в режиме пуска), отключения от нагрузки элементов, которые находятся в режиме зарядки, и др.
Импульсный умножитель напряжения по варианту 1 функционирует следующим образом.
Входящее напряжение Vin заряжает параллельно подключенные конденсаторы 13 через диоды 12 и 14, которые предотвращают разряд конденсаторов 13 через контур входящего напряжения. МОП-транзисторы с индуцированным каналом 15 служат для последовательного объединения конденсаторов 13 в контур исходящего напряжения Vout. В начале процесса зарядки конденсаторов 13 напряжение Vi на затворе МОП-транзисторов с индуцированным каналом 15 мало, сопротивление канала транзисторов велико. Зарядка конденсаторов 13 будет происходить быстрее, чем разряд через исходящий контур (пока эквивалентное сопротивление канала транзистора и нагрузки больше, чем сопротивление диодов). При достижении определенного напряжения Vo1 на затворе транзисторов разряд через исходящий контур происходит быстрее, чем зарядка конденсаторов 13. Таким образом, устанавливаются автоколебания с исходящим напряжением, близким к Vo1*N. Форма и частота импульсов исходящего напряжения зависят от характеристик нагрузки, транзисторов и диодов, емкостей конденсаторов.
Импульсный умножитель напряжения по варианту 2 функционирует следующим образом.
Входящее напряжение Vin заряжает параллельно подключенные конденсаторы 18 через диоды 12 и 14, которые предотвращают разряд конденсаторов 18 через контур входящего напряжения. Полевые транзисторы 20 и 21 служат для последовательного объединения конденсаторов 18 в контур исходящего напряжения Vout. Пока конденсаторы 18 не заряжены, напряжение Vi на затворе транзисторов р-типа 20 меньше напряжения отсечки Vi1, транзисторы находятся во включенном состоянии. Транзисторы n-типа 21, напротив, находятся в выключенном состоянии, поскольку к их затвору приложено отрицательное напряжение Vo, которое должно быть меньше напряжения отсечки транзисторов Vo1. Таким образом, исходящий контур разомкнут. По мере зарядки конденсаторов 18 транзисторы 20 выключаются, напряжение на затворе транзисторов 21 растет, и они включаются. Конденсаторы 18 объединяются в последовательную цепь и начинают разряжаться через нагрузочный контур с начальным напряжением Vout, кратным N. Как только напряжение на конденсаторах 18 упадет до определенного уровня, транзисторы 20 и 21 выключаются, и процесс зарядки конденсаторов 18 через контур входящего напряжения повторяется. Форма и частота импульсов исходящего напряжения зависят от характеристик нагрузки, транзисторов и диодов, емкостей конденсаторов и представляют собой колебания вблизи Vout.
Наличие на питающей стороне узкополосного высокочастотного генератора позволяет осуществлять бесперебойное питание (заряд питающих элементов) вне зависимости от наличия или отсутствия иных источников электромагнитного излучения.
Для примера можно рассмотреть работу устройства при питании беспроводной компьютерной мыши. Для обеспечения работы мыши необходимо питание, которое в настоящий момент осуществляется от батареек, срок работы которых достаточно мал. В предлагаемом изобретении батарейки заменяются на описанные выше зарядное устройство и узкополосный высокочастотный генератор. Генератор, подключенный либо к компьютеру, либо непосредственно к электрической сети, будет обеспечивать работу всех находящихся в зоне его поля компьютерных мышей, оборудованных зарядным устройством. При этом генератор может выключаться на определенное время, поскольку энергии, запасенной аккумулятором и/или ионисторами, хватит для автономной работы мышей. Кроме того, подзаряд может осуществляться посредством относительно маломощных фоновых электромагнитных полей, так как зарядное устройство оборудовано широкополосной антенной и импульсным умножителем напряжения, что позволит увеличить время автономной работы беспроводных устройств.
Формула изобретения
1. Беспроводная зарядная система, содержащая на питающей стороне узкополосный высокочастотный генератор с излучающей антенной, а на стороне зарядного блока – приемную антенну, соединенную с инвертором напряжения, выход которого соединен с входом контроллера заряда-разряда, который соединен с блоком аккумуляторов и/или с блоком ионисторов, при этом инвертор содержит на входе выпрямитель и импульсный умножитель напряжения, содержащий n каскадов (где n 2), каждый из которых содержит последовательно соединенные первый диод, накопительный конденсатор и второй диод, включенный согласно с первым, а также МОП-транзистор с индуцированным каналом, сток которого соединен с затвором и с точкой соединения первого диода и накопительного конденсатора, точка соединения которого со вторым диодом соединена с истоком МОП-транзистора с индуцированным каналом предыдущего каскада, при этом соединенные между собой свободные выводы первых диодов и соответственно соединенные между собой свободные выводы вторых диодов являются входом импульсного умножителя напряжения, выходом которого являются исток МОП-транзистора с индуцированным каналом последнего каскада и точка соединения накопительного конденсатора и второго диода первого каскада.
2. Беспроводная зарядная система, содержащая на питающей стороне узкополосный высокочастотный генератор с излучающей антенной, а на стороне зарядного блока – приемную антенну, соединенную с инвертором напряжения, выход которого соединен с входом контроллера заряда-разряда, который соединен с блоком аккумуляторов и/или с блоком ионисторов, при этом инвертор содержит на входе выпрямитель и импульсный умножитель напряжения, содержащий n каскадов (где n 2), каждый из которых содержит последовательно соединенные первый диод, накопительный конденсатор и второй диод, включенный согласно с первым, а также первый и второй полевые транзисторы, при этом точка соединения первого диода и накопительного конденсатора соединена с затвором первого полевого транзистора и стоком второго полевого транзистора, исток первого полевого транзистора соединен с затвором второго полевого транзистора, при этом свободные выводы первых диодов каскадов объединены, свободные выводы вторых диодов каскадов объединены и к ним подключены стоки первых полевых транзисторов, исток второго полевого транзистора каскада соединен с точкой соединения конденсатора и второго диода следующего каскада, а исток второго полевого транзистора последнего каскада и точка соединения конденсатора и второго диода первого каскада являются выходом импульсного умножителя напряжения, входом которого являются соединенные между собой свободные выводы первых диодов и соответственно соединенные между собой свободные выводы вторых диодов.
РИСУНКИ
PC4A – Регистрация договора об уступке патента СССР или патента Российской Федерации на изобретение
Прежний патентообладатель:
Белянин Олег Валерьевич
(73) Патентообладатель:
Общество с ограниченной ответственностью “Мобильная Энергия”
Договор № РД0031552 зарегистрирован 23.01.2008
Извещение опубликовано: 10.03.2008 БИ: 07/2008
|
|