|
|
(21), (22) Заявка: 2006113376/09, 20.04.2006
(24) Дата начала отсчета срока действия патента:
20.04.2006
(46) Опубликовано: 20.09.2007
(56) Список документов, цитированных в отчете о поиске:
WO 2006030497, 23.03.2006. RU 2262212 С2, 10.10.2005. RU 2180465 С1, 10.03.2002. SU 1195407 А1, 30.11.1985. DE 10152855, 15.05.2003.
Адрес для переписки:
111250, Москва, ул. Авиамоторная, 53, ЗАО “Патентный Поверенный”, пат.пов. Г.Н.Андрущак, рег. № 189
|
(72) Автор(ы):
Белянин Олег Валерьевич (RU)
(73) Патентообладатель(и):
Белянин Олег Валерьевич (RU)
|
(54) БЕСПРОВОДНАЯ ЗАРЯДНАЯ СИСТЕМА С ОБРАТНОЙ СВЯЗЬЮ
(57) Реферат:
Изобретение относится к электротехнике. Технический результат изобретения заключается в обеспечении адаптационного режима работы и осуществлении бесперебойного режима работы устройства – потребителя и увеличении срока работы накопителей энергии. Для этого заявленная система содержит на питающей стороне высокочастотный генератор, вход которого соединен с управляющим выходом контроллера, а выход – с первым входом модулятора, выход которого соединен с антенной и входом декодера, выход которого через усилитель соединен со входом контроллера, информационный выход которого соединен со вторым входом модулятора, а на стороне зарядного блока антенну, соединенную с выходом модулятора и входами декодера и инвертора, выходы которых соединены соответственно с информационным и энергетическим входами контроллера заряда-разряда, который соединен с блоком аккумуляторов и/или блоком ионисторов, при этом информационный и управляющий выходы контроллера заряда-разряда соединены соответственно с первым входом модулятора и входом генератора, выход которого соединен со вторым входом модулятора, а инвертор содержит последовательно соединенные выпрямитель и умножитель напряжения. 1 з.п. ф-лы, 1 ил.
Изобретение относится к электротехнике и направлено на обеспечение возможности передачи электроэнергии и информации на беспроводные устройства – клавиатуры, компьютерные мыши, мобильные телефоны, фото-, видео-, веб-камеры, карманные компьютеры, активные RFID-метки, беспроводные пульты и устройства ввода, любые другие маломощные беспроводные устройства.
Известны беспроводные системы передачи электроэнергии, основанные на приеме электромагнитных колебаний из эфира (WO 2005069503, Н02J 17/00, 28.07.2005, JP 2005537773T, Н02J 17/00, 08.12.2005, US 2005077872, H02J 17/00, 14.04.2005, WO 200438890, H02J 17/00, 02.02.2006 и др.).
Наиболее близким к изобретению можно рассматривать устройство беспроводного электропитания WO 2006030497, H02J 17/00, 23.03.2006.
Однако все указанные системы передачи энергии не позволяют осуществлять адаптационный режим работы и осуществить бесперебойный режим работы устройства – потребителя и увеличить срок работы накопителей энергии.
Технический результат изобретения заключается в обеспечении адаптационного режима работы, осуществлении бесперебойного режима работы устройства-потребителя и увеличении срока работы накопителей энергии.
Для достижения указанного результата предлагается беспроводная зарядная система с обратной связью, содержащая на питающей стороне высокочастотный генератор, вход которого соединен с управляющим выходом контроллера, а выход – с первым входом модулятора, выход которого соединен с антенной и входом декодера, выход которого через усилитель соединен со входом контроллера, информационный выход которого соединен со вторым входом модулятора, а на стороне зарядного блока антенну, соединенную с выходом модулятора и входами декодера и инвертора, выходы которых соединены соответственно с информационным и энергетическим входами контроллера заряда-разряда, который соединен с блоком аккумуляторов и/или блоком ионисторов, при этом информационный и управляющий выходы контроллера заряда-разряда соединены соответственно с первым входом модулятора и входом генератора, выход которого соединен со вторым входом модулятора, а инвертор содержит последовательно соединенные выпрямитель и умножитель напряжения.
Дополнительные особенности изобретения заключаются в том, что на питающей стороне выход модулятора и вход декодера соединены с антенной через первый блок развязки, а на стороне зарядного блока антенна соединена с выходом модулятора и входами декодера и инвертора через второй блок развязки.
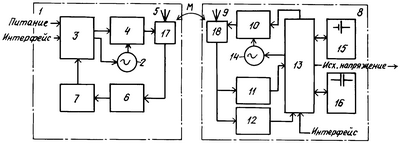
На чертеже приведена структурная электрическая схема беспроводной зарядной системы с обратной связью.
Беспроводная зарядная система с обратной связью содержит на питающей стороне 1 высокочастотный генератор 2, контроллер 3, модулятор 4, антенну 5, декодер 6, усилитель 7, а на стороне зарядного устройства 8 – антенну 9, модулятор 10, декодер 11, инвертор 12, контроллер заряда-разряда 13, высокочастотный генератор 14, блок аккумуляторов 15 и блок ионисторов 16, а также первый и второй блоки развязки 17 и 18 соответственно. Питающая сторона может подсоединяться к родительскому устройству (например, компьютеру) и обмениваться с ним информационными командами через интерфейс. Зарядное устройство может обмениваться информационными командами с мобильным устройством через интерфейс.
Беспроводная зарядная система с обратной связью работает следующим образом.
Антенна 5 излучает электромагнитные волны определенной частоты .
Эти волны наводят в антенне 9 зарядного устройства переменную ЭДС частоты и амплитудой, зависящей от расстояния до излучателя. Инвертор должен обеспечивать преобразование переменного напряжения в постоянное (медленно меняющееся) или импульсное напряжение Ui, которое должно быть не ниже порогового уровня, обусловленного конкретной конструкцией контроллера заряда-разряда и используемых аккумуляторов и ионисторов.
Контроллер заряда-разряда 13 является стандартным элементом, применяемым в современных мобильных устройствах. Он служит для оптимизации режима заряда-разряда аккумуляторов и ионисторов (поддержка необходимых напряжений и токов, предотвращение полного разряда), переключения нагрузки на заряженные аккумуляторы и ионисторы для поддержки необходимого напряжения питания и др.
Контроллер 3 питающей стороны управляет высокочастотным генератором 2, подавая ему команды включения, выключения и установление определенного уровня мощности.
Контроллер 3 передает команды для стороны зарядного устройства 8 через модулятор 4, который модулирует несущий сигнал высокочастотного генератора 2. Модулированный сигнал излучается антенной 5 и принимается антенной 9 со стороны зарядного устройства 8. Модулированная составляющая сигнала декодируется декодером 11 и передается контроллеру заряда-разряда 13, который в данном случае выполняет не только указанные выше функции, но и функции обработки и передачи информационных команд.
Переменное напряжение с антенны 9 стороны зарядного устройства выпрямляется и увеличивается инвертором до уровня, необходимого для зарядки аккумуляторов и ионисторов.
Сигнал, полученный со стороны зарядного устройства 8, декодируется декодером 6, усиливается усилителем 7 (он необходим, поскольку мощность сигнала беспроводного устройства гораздо меньше, чем мощность сигнала излучателя) и поступает на вход контролера 3. Контроллер 3 получает команды со стороны зарядного устройства и формирует команды на включение-выключение и управление уровнем мощности высокочастотного генератора 2 (для оптимизации излучения энергии) и команды, управляющие режимом работы контроллера заряда-разряда 13.
При снижении напряжения питания (разряд аккумуляторов и ионисторов) контроллер заряда-разряда 13 формирует сигнал об этом и передает его на контроллер 3, который формирует команду для увеличения мощности (амплитуды) несущей на высокочастотный генератор 2. Несущая переданного сигнала используется для подзаряда блоков аккумуляторов и ионисторов 15 и 16. Если информация от питающей стороны не передается, несущая от высокочастотного генератора 4 все равно поступает в антенну 5 (модулятор не балансный).
Блоки развязки 17 и 18 служат для разделения трактов приема и передачи при работе системы на одной частоте (частоты высокочастотных генераторов 2 и 14 равны).
Система позволяет адаптивно осуществлять подзаряд аккумуляторов по мере их разряда, что продляет срок их службы.
Формула изобретения
1. Беспроводная зарядная система с обратной связью, содержащая на питающей стороне высокочастотный генератор, вход которого соединен с управляющим выходом контроллера, а выход – с первым входом модулятора, выход которого соединен с антенной и входом декодера, выход которого через усилитель соединен со входом контроллера, информационный выход которого соединен со вторым входом модулятора, а на стороне зарядного блока антенну, соединенную с выходом модулятора и входами декодера и инвертора, выходы которых соединены соответственно с информационным и энергетическим входами контроллера заряда-разряда, который соединен с блоком аккумуляторов и/или блоком ионисторов, при этом информационный и управляющий выходы контроллера заряда-разряда соединены соответственно с первым входом модулятора и входом высокочастотного генератора, выход которого соединен со вторым входом модулятора, а инвертор содержит последовательно соединенные выпрямитель и умножитель напряжения.
2. Беспроводная зарядная система с обратной связью по п.1, отличающаяся тем, что на питающей стороне выход модулятора и вход декодера соединены с антенной через первый блок развязки, а на стороне зарядного блока антенна соединена с выходом модулятора и входами декодера и инвертора через второй блок развязки.
РИСУНКИ
PC4A – Регистрация договора об уступке патента СССР или патента Российской Федерации на изобретение
Прежний патентообладатель:
Белянин Олег Валерьевич
(73) Патентообладатель:
Общество с ограниченной ответственностью “Мобильная Энергия”
Договор № РД0031552 зарегистрирован 23.01.2008
Извещение опубликовано: 10.03.2008 БИ: 07/2008
|
|