|
|
(21), (22) Заявка: 2006102083/09, 25.01.2006
(24) Дата начала отсчета срока действия патента:
25.01.2006
(46) Опубликовано: 20.09.2007
(56) Список документов, цитированных в отчете о поиске:
DE 4005851, 29.08.1991. ЕР 0454133, 30.10.1991. SU 1398573 A1, 10.04.1996. RU 2208256 C2, 10.07.2003. US 5110538 A, 05.05.1992.
Адрес для переписки:
440026, г.Пенза, ул. Володарского, 8/10, ФГУП НИИ физических измерений
|
(72) Автор(ы):
Колосов Павел Александрович (RU), Зеленцов Юрий Аркадьевич (RU), Ворожбитов Анатолий Иванович (RU), Мокров Евгений Алексеевич (RU)
(73) Патентообладатель(и):
ФГУП “НИИ физических измерений” (RU)
|
(54) СПОСОБ СТАБИЛИЗАЦИИ И ПОДГОНКИ ТОНКОПЛЕНОЧНЫХ РЕЗИСТОРОВ И УСТРОЙСТВО ДЛЯ ЕГО ОСУЩЕСТВЛЕНИЯ
(57) Реферат:
Изобретение относится к технологии изготовления резисторов, в частности к стабилизации и подгонке тонкопленочных резисторов, и может быть использовано при производстве металлопленочных тензорезисторных датчиков давления, силы, деформации и гибридных интегральных схем в радиотехнической и приборостроительной промышленности. Способ стабилизации и подгонки тонкопленочных резисторов импульсами напряжения определенной амплитуды, длительности и скважности включает стабилизацию и подгонку в едином технологическом цикле при неизменной амплитуде, длительности и скважности импульсов напряжения. Стабилизацию проводят “пакетами” импульсов напряжения до нижнего не изменяющегося значения сопротивления, которое фиксируют контрольным “пакетом” импульсов напряжения, после чего осуществляют подгонку сопротивлений резисторов подачей на них “пакетов” импульсов напряжения, в которых количество импульсов увеличивают в несколько раз, а в промежутках между “пакетами” импульсов непрерывно контролируют изменение сопротивлений резисторов. Устройство для реализации указанного способа содержит источник питания постоянного тока, релейный блок управления устройством, формирователь импульсов с элементом, регулирующим амплитуду импульсов напряжения и блок управления измерением и структурированием, который содержит счетчик количества импульсов, переключатель диапазонов, счетчик времени индикации, логические элементы “ИЛИ-НЕ”, “ИЛИ” и триггер, а также ключевую схему. Изобретение позволяет расширить функциональные возможности и проводить стабилизацию структуры резистивного слоя за счет исключения скрытых дефектов и подгонку тонкопленочных резисторов в одном технологическом цикле при неизменной амплитуде, длительности и скважности импульсов напряжения с постоянным контролем изменения величины сопротивления резисторов, а также упростить конструкцию устройства для осуществления процесса. 2 н. и 1 з.п. ф-лы, 5 ил.
Изобретение относится к технологии изготовления резисторов, в частности к стабилизации и подгонке тонкопленочных резисторов, и может быть использовано при производстве металлопленочных тензорезисторных датчиков давления, силы, деформации и гибридных интегральных схем в радиотехнической и приборостроительной промышленности.
Известен способ стабилизации структуры тонкопленочных тензорезисторов, заключающийся в том, что пленку резистивного материала выдерживают в вакууме после напыления в течение 4,5÷5,0 часов при температуре напыления, на пленку резистивного материала через трафарет наносят слой проводящего материала и создают контактные площадки тензорезисторов и рисунок коммутации, затем формируют топологический рисунок тензорезисторов и выдерживают их в кислородной плазме с расходом кислорода 2÷3 см3/мин в течение 1,5÷2,0 часов (Авторское свидетельство СССР №1398573, G01L 1/22, заявл. 13.05.85).
Недостатками известного способа являются:
– длительность процесса стабилизации (около 6,0÷7,0 часов);
– незаконченность структурообразования резистивной пленки из-за наличия в ней скрытых дефектов, обусловленных исходным состоянием поверхности подложки и непосредственно самим процессом напыления;
– отсутствие возможности выявления скрытых дефектов резистивного слоя на ранних стадиях изготовления тонкопленочных резисторов.
Известен способ стабилизации структуры резистивного слоя тонкопленочных резисторов и подгонки величины их сопротивлений воздействием на них повышенными импульсными электрическими нагрузками определенной амплитуды, частоты и скважности (“Электронная техника” серия VI “Микроэлектроника”, 1971, вып. 8(34), стр.115, “Электронная техника” серия III “Микроэлектроника”, 1972, вып. 6 (40), стр.56).
Недостатками известного технического решения являются:
– невозможность импульсной обработки тонкопленочных резисторов сложной (многополосковой) конфигурации типа “меандр”, так как при задании амплитуды импульса напряжения не учитывается расстояние между соседними резистивными полосками;
– выбранные параметры импульсного напряжения (частота следования импульсов 20 Гц при скважности 10) не позволяют достичь полного структурирования резистивной пленки и могут приводить к ее разрушению.
Известен способ импульсной подгонки величины сопротивления резистора, заключающийся в прикладывании к регулируемому резистору высокого импульсного напряжения (Патент Японии (JP) №3-26527, 5 Н01С 17/22, В4J 2/335, публ. 86.06.19 (опубл. ВНИИПИ 101-05-92, стр.42)).
Недостатком указанного способа является ограниченность функциональных возможностей только подгонкой величины сопротивления.
Наиболее близким по технической сущности является способ стабилизации тонкопленочных резисторов, заключающийся в структурировании резистивного материала подачей на него импульсного напряжения определенной амплитуды (Патент Германии (DE), заявка №4005851 МКИ 5 Н01С 17/30, Н05В 3/10, публ. 29.08.91, №35 (опубл. ВНИИПИ 101-12-92, стр.11)).
Недостатками указанного способа являются:
– ограниченность способа только стабилизацией величины сопротивления тонкопленочного резистора;
– выбранные параметры импульсного напряжения (длительность импульса от 0,5 до 5,0 мсек и частота следования импульсов от 50 Гц до 2 кГц), не учитывающие скважность импульсов напряжения при стабилизации, приведут к разогреву не только тонкопленочного резистора, но и подложки и могут приводить к разрушению резистивной пленки.
Известно устройство для импульсной обработки тонкопленочных резисторов, содержащее источник питания устройством, источник испытательного напряжения с поляризованным реле, обеспечивающий частоту следования импульсов в 20 Гц при скважности импульсов, равной 10, схему измерения сопротивления регулируемого резистора (“Электронная техника” серия III “Микроэлектроника”, 1973, вып. 2 (42), стр.58)
Недостатками известного устройства являются:
– отсутствие возможности регулировки длительности импульсов и величины испытательного напряжения;
– отсутствие постоянного контроля величины изменения сопротивления при импульсной обработке;
– ограниченность функциональных возможностей в части проведения либо стабилизации, либо подгонки тонкопленочных резисторов.
Наиболее близким по технической сущности является устройство для подгонки тепловой головки принтера, содержащее источник питания для создания во время подгонки импульсного напряжения, схему измерения сопротивления резистивного нагревателя, блок управления перемещением держателя головки относительно испытательного электрода и пульт управления источником питания, схемой измерения сопротивления и блоком перемещения держателя (Патент ЕПВ (ЕР) №0454133, 5 Н01С 17/22, В41J 2/345, публ. 30.10.91, №44 (опубл. ВНИИПИ 101-01-93, стр.9)).
Недостатком известного технического решения является сложность конструкции за счет наличия механизма перемещения принтерной головки и ограниченность функциональных возможностей в части невозможности стабилизации структуры резистивного слоя тонкопленочного резистора.
Целью изобретения является стабилизация структуры резистивного слоя за счет исключения скрытых дефектов и подгонка тонкопленочных резисторов в одном технологическом цикле при неизменной амплитуде, длительности и скважности импульсов напряжения с постоянным контролем изменения величины сопротивления резисторов, а также расширение функциональных возможностей и упрощение конструкции устройства для осуществления процесса.
Поставленная цель достигается тем, что в способе стабилизации и подгонки тонкопленочных резисторов импульсами напряжения определенной амплитуды, длительности и скважности стабилизацию и подгонку проводят в едином технологическом цикле при неизменной амплитуде, длительности и скважности импульсов напряжения, причем стабилизацию проводят “пакетами” импульсов до нижнего не изменяющегося значения сопротивления, которое фиксируют контрольным “пакетом” импульсов напряжения, после чего осуществляют подгонку сопротивлений резисторов подачей на них “пакетов” импульсов напряжения, в которых количество импульсов увеличивают в несколько раз при неизменной амплитуде, длительности и скважности импульсов, при этом сопротивление каждого резистора увеличивают до требуемого номинального значения, а в промежутках между “пакетами” импульсов непрерывно контролируют изменение сопротивлений резисторов как при стабилизации их сопротивлений, так и при их подгонке. Причем скважность импульсов задают из условия

где m – скважность импульсов,
tимп. – длительность импульса,
tост. – временной промежуток между импульсами, время остывания,

где Qрез. – количество теплоты, полученное тонкопленочным резистором за время прохождения импульса длительностью tимп.,
Рпер. – мощность, передаваемая от тонкопленочного резистора подложке (основанию, на котором он расположен),
Ризл. – мощность, рассеиваемая поверхностью тонкопленочного резистора в окружающую среду,
длительность импульса и его амплитуда связаны соотношением

где Uимп. – амплитуда импульсов напряжения,
Rн – начальное сопротивление тонкопленочного резистора, причем амплитуда импульса напряжения остается неизменной как на этапе стабилизации, так и на этапе подгонки, и энергия импульса напряжения ограничивается выражением

А в устройство для стабилизации и подгонки сопротивления тонкопленочных резисторов, содержащее источник питания постоянного тока, релейный блок, ключевую схему, цепь измерения сопротивления регулируемого резистора, в блок управления устройством дополнительно введены формирователь импульсов с элементом, регулирующим длительность импульсов напряжения, и блок управления измерением и структурированием, который содержит счетчик количества импульсов, переключатель диапазонов, счетчик времени индикации, логические элементы “ИЛИ-НЕ”, “ИЛИ” и триггер. Причем первый выход формирователя импульсов соединен с первым входом блока управления измерением и структурированием, который одновременно является С-входом счетчика количества импульсов, и с первым входом ключевой схемы. Второй вход ключевой схемы соединен с четвертым выходом блока управления измерением и структурированием, который одновременно является инверсным выходом триггера и соединен с R-входом счетчика времени индикации, а выход три ключевой схемы соединен с первым нормально разомкнутым контактом переключательной группы релейного блока, второй нормально разомкнутый контакт переключательной группы релейного блока соединен с источником постоянного тока. Нормально замкнутые контакты переключательной группы релейного блока соединены с цепью измерения сопротивления, а к перекидным контактам переключательной группы релейного блока подключен регулируемый резистор, при этом вход управления релейного блока соединен с пятым выходом блока управления измерением и структурированием, который является прямым выходом триггера и одновременно соединен с R-входом счетчика количества импульсов. Выходы счетчика количества импульсов соединены с переключателем диапазонов, выход которого соединен с одним из входов логического элемента “ИЛИ-НЕ”. Второй вход логического элемента “ИЛИ-НЕ” соединен с одним из входов логического элемента “ИЛИ” и является вторым входом блока управления измерением и структурированием, который соединен с первым выходом блока управления устройством, второй вход которого соединен с общей шиной. Выход логического элемента “ИЛИ-НЕ” соединен с S-входом триггера, С-вход которого соединен с выходом логического элемента “ИЛИ”. Второй вход логического элемента “ИЛИ” соединен с выходом счетчика времени индикации, С-вход которого является третьим входом блока управления измерением и структурированием и соединен со вторым выходом формирователя импульсов. D-вход триггера соединен с общей шиной, а в источник постоянного тока введен элемент, регулирующий амплитуду импульсов напряжения.
Общими признаками прототипа и заявляемого способа является то, что стабилизацию и подгонку тонкопленочных резисторов осуществляют импульсами напряжения определенной амплитуды и длительности.
Отличительными признаками является то, что стабилизацию и подгонку проводят в едином технологическом цикле при неизменной амплитуде, длительности и скважности импульсов напряжения, причем стабилизацию проводят “пакетами” импульсов до нижнего не изменяющегося значения сопротивления, которое фиксируют контрольным “пакетом” импульсов напряжения, после чего осуществляют подгонку сопротивлений резисторов подачей на них “пакетов” импульсов напряжения, в которых количество импульсов увеличивают в несколько раз, при неизменной амплитуде и длительности, при этом сопротивление каждого резистора увеличивают до требуемого номинального значения, а в промежутках между “пакетами” импульсов непрерывно контролируют изменение сопротивлений резисторов, как при стабилизации их сопротивлений, так и при их подгонке.
Общими признаками прототипа и заявляемого устройства являются наличие источника питания постоянного тока, релейного блока, ключевой схемы, цепи измерения сопротивления регулируемого резистора, блока управления устройством.
Отличительными признаками устройства является то, что оно снабжено формирователем импульсов с регулирующим элементом для задания длительности импульсов, блоком управления измерением и структурированием сопротивления резисторов, а в источник постоянного тока введен регулирующий элемент для задания требуемой амплитуды импульсов напряжения, при этом блок управления измерением и структурированием содержит счетчик количества импульсов, переключатель диапазонов, счетчик времени индикации, логические элементы “ИЛИ-НЕ”, “ИЛИ” и триггер, причем первый выход формирователя импульсов соединен с первым входом блока управления измерением и структурированием, который одновременно является С-входом счетчика количества импульсов, и с первым входом ключевой схемы, второй вход которой соединен с четвертым выходом блока управления измерением и структурированием, который является инверсным выходом триггера и соединен с R-входом счетчика времени индикации, а третий выход ключевой схемы соединен с первым нормально разомкнутым контактом переключательной группы релейного блока, а второй нормально разомкнутый контакт переключательной группы релейного блока соединен с источником постоянного тока, при этом нормально замкнутые контакты переключательной группы релейного блока соединены с цепью измерения сопротивления, а к перекидным контактам переключательной группы релейного блока подключен регулируемый резистор, причем первый вход управления релейного блока соединен с пятым выходом блока управления измерением и структурированием, который является прямым выходом триггера и одновременно соединен с R-входом счетчика количества импульсов, а выходы счетчика количества импульсов соединены с переключателем диапазонов, выход которого соединен с одним из входов логического элемента “ИЛИ-НЕ”, второй вход которого соединен с одним из входов логического элемента “ИЛИ” и является вторым входом блока управления измерением и структурированием, который соединен с первым входом блока управления устройством, второй вход которого соединен с общей шиной, а выход логического элемента “ИЛИ-НЕ” соединен с S-входом триггера, С-вход которого соединен с выходом логического элемента “ИЛИ”, второй вход которого соединен с выходом счетчика времени индикации, при этом С-вход счетчика времени индикации является третьим входом блока управления измерением и структурированием и соединен со вторым выходом формирователя импульсов, D-вход триггера соединен с общей шиной.
Другие технические решения со сходными отличительными признаками в патентной и научно-технической литературе не обнаружены, следовательно, заявляемые способ и устройство обладают существенными отличиями.
В способе стабилизации и подгонки тонкопленочных резисторов на этапе стабилизации под воздействием импульсов напряжения, организованных в “пакеты” и имеющих определенную амплитуду, длительность и скважность, на участках резистивного слоя, имеющих скрытые дефекты и характеризующихся повышенным сопротивлением, выделяется мгновенная импульсная мощность, разогревающая резистивную пленку в местах с наибольшей плотностью дефектов. В результате кратковременного разогрева изменяется структура резистивной пленки, при этом сопротивление резистора уменьшается (т.е. начальная величина сопротивления Rн уменьшается на r), что подтверждает происходящие структурные изменения в резистивной пленке.
Задаваемая скважность импульсов и соотношение длительности импульса и его амплитуды определяются структурными особенностями и конструктивным исполнением тонкопленочного резистора. Задаваемое время остывания должно быть достаточным для предотвращения перегрева тонкопленочного резистора. Амплитуда импульса напряжения остается неизменной как на этапе стабилизации, так и на этапе подгонки и ограничена в зависимости от конфигурации тонкопленочного резистора.
С завершением этапа стабилизации, когда величина сопротивления резистора достигает значения Rст и далее не изменяется, подают контрольный “пакет” из нескольких импульсов, которым фиксируют величину сопротивления резистора. Затем осуществляют подгонку сопротивления тонкопленочного резистора до требуемого номинального значения Rподг. При этом количество импульсов напряжения в “пакете” увеличивают в несколько раз, чтобы происходил разогрев поверхности резистивной пленки, и тепло от разогрева расходовалось на окисление резистивной пленки, увеличивающее сопротивление резистора до требуемой номинальной величины, причем длительность и скважность импульсов и их амплитуду оставляют неизменными.
Количество импульсов в “пакете” при проведении стабилизации и подгонки устанавливается методом подбора: 1÷8 – при стабилизации, а при подгонке 8÷32.
В результате оптимального выбора длительности импульсов, количества импульсов в “пакете” и амплитуды импульсов на этапе стабилизации тепло выделяется на участках со структурными дефектами и расходуется в основном на стабилизацию резистивной пленки тонкопленочного резистора. На этапе же подгонки сопротивления тонкопленочного резистора происходит разогрев поверхности тонкопленочного резистора, при котором резистивный слой окисляется, а величина его сопротивления возрастает до требуемого значения.
За счет введения в устройство формирователя импульсов с регулирующим элементом для задания длительности импульсов и блока управления измерением и структурированием сопротивления резисторов, а в источник постоянного тока – регулирующего элемента для задания требуемой амплитуды импульсов напряжения расширены функциональные возможности, позволяющие проводить стабилизацию резистивного слоя тонкопленочных резисторов с исключением скрытых дефектов и подгонку величины их сопротивления до номинального значения в одном технологическом цикле при неизменной амплитуде, длительности и скважности импульсов напряжения с постоянным контролем изменения величины сопротивления резисторов.
Таким образом, изобретение позволяет проводить стабилизацию и подгонку сопротивления тонкопленочных резисторов в едином технологическом цикле при неизменной амплитуде, длительности и скважности импульсов напряжения, выявлять и устранять скрытые дефекты резистивного слоя, обусловленные как дефектами исходной рабочей поверхности подложек, так и дефектами, привносимыми самим процессом напыления (молекулами воздуха в вакуумной камере напылительной установки, структурными дефектами резистивной пленки), которые создают внутренние микронапряжения в тонкой пленке и существенным образом влияют на свойства резистивных пленок и, как следствие, на надежность и стабильность параметров тонкопленочных тензорезисторов или резисторов интегральных схем в процессе эксплуатации.
На основании вышесказанного можно сделать вывод о соответствии заявляемого технического решения критерию “изобретательский уровень”.
На фиг.1. представлен характер изменения сопротивления тонкопленочного резистора на этапах стабилизации и подгонки, где Rн – начальная величина сопротивления, Rст – величина сопротивления после стабилизации, Rподг – величина сопротивления после подгонки.
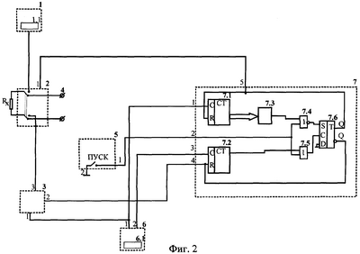
На фиг.2 представлена структурная схема предлагаемого устройства.
На фиг.3 представлена циклограмма работы устройства, где:
ФИ 1 – форма импульсов на выходе 1 формирователя импульсов 6;
ПУСК – форма сигнала на выходе 1 блока управления устройством 5;
СКИ – форма импульсов на выходах счетчика количества импульсов 7.1;
ПД – форма импульсов на выходе переключателя диапазонов 7.3;
Qтр – форма импульсов на прямом выходе триггера 7.6;
ФИ 2 – форма импульсов на выходе 2 формирователя импульсов 6;
тр – форма импульсов на инверсном выходе триггера 7.6;
СВИ – форма импульсов на выходе счетчика времени индикации 7.2;
Кл – форма импульсов на выходе 3 ключевой схемы 3.
На фиг.4 представлено изменение величины тонкопленочных резисторов при стабилизации и подгонке (образец 1).
На фиг.5 представлено изменение величины тонкопленочных резисторов при стабилизации и подгонке (образец 2).
Устройство для стабилизации и подгонки сопротивления тонкопленочных резисторов (фиг.2) содержит источник питания постоянного тока 1 с регулирующим элементом 1.1, релейный блок 2, ключевую схему 3, цепь измерения сопротивления регулируемого резистора 4, блок управления устройством 5 с тумблером “Пуск”, формирователь импульсов 6 с регулирующим элементом 6.1, блок управления измерением и структурированием 7, который содержит счетчик количества импульсов 7.1, счетчик времени индикации 7.2, переключатель диапазонов 7.3, логические элементы “ИЛИ-НЕ” 7.4, “ИЛИ” 7.5 и триггер 7.6. При этом выход 1 формирователя импульсов 6 соединен с входом 1 ключевой схемы 3 и входом 1 блока управления измерением и структурированием 7, который одновременно является С-входом счетчика количества импульсов 7.1. Вход 2 ключевой схемы 3 соединен с выходом 4 блока управления измерением и структурированием 7, который является инверсным выходом триггера 7.6 и соединен с R-входом счетчика времени индикации 7.2, а выход 3 ключевой схемы 3 соединен с первым нормально разомкнутым контактом переключательной группы релейного блока 2. Второй нормально разомкнутый контакт переключательной группы релейного блока 2 соединен с источником постоянного тока 1, а нормально замкнутые контакты переключательной группы релейного блока 2 соединены с цепью измерения сопротивления 4. К перекидным контактам переключательной группы релейного блока 2 подключен регулируемый резистор Rx, а вход управления 1 релейного блока 2 соединен с выходом 5 блока управления измерением и структурированием 7, который является прямым выходом триггера 7.6 и одновременно соединен с R-входом счетчика количества импульсов 7.1. Выходы счетчика количества импульсов 7.1 соединены с переключателем диапазона 7.3, выход которого соединен с одним из входов логического элемента “ИЛИ-НЕ” 7.4. Второй вход логического элемента “ИЛИ-НЕ” 7.4 соединен с одним из входов логического элемента “ИЛИ” 7.5 и является входом 2 блока управления измерением и структурированием 7, который соединен с выходом 1 блока управления устройством 5. Выход 1 блока управления устройством 5 соединен с одним из контактов тумблера “Пуск”, второй контакт которого является входом 2 блока управления устройством 5 и соединен с общей шиной. Выход логического элемента “ИЛИ-НЕ” 7.4 соединен с S-входом триггера 7.6, С-вход которого соединен с выходом логического элемента “ИЛИ” 7.5, а D-вход триггера 7.6 соединен с общей шиной. Второй вход логического элемента “ИЛИ” 7.5 соединен с выходом счетчика времени индикации 7.2, С-вход которого является входом 3 блока управления измерением и структурированием 7 и соединен со вторым выходом формирователя импульсов 6.
Устройство работает следующим образом (фиг.2, фиг.3).
В исходном состоянии контакты тумблера “Пуск” в блоке управления устройством 5 разомкнуты. На S-входе триггера 7.6 устанавливается с выхода логического элемента “ИЛИ-НЕ” 7.4 низкий логический уровень. Это приводит к установлению на прямом выходе Q триггера 7.6 высокого логического уровня, который запрещает переключение релейного блока 2. На инверсном выходе триггера 7.6 в это время устанавливается низкий логический уровень, который разрешает работу счетчика времени индикации 7.2 и запрещает прохождение импульсов с формирователя импульсов 6 на релейный блок 2. В этом состоянии устройства регулируемый резистор Rx соединен через нормально замкнутые контакты переключательной группы релейного блока 2 с цепью измерения сопротивления 4.
При замыкании контактов тумблера “Пуск” с выхода 1 блока управления устройством 5 сигнал низкого уровня поступает на один из входов логических элементов “ИЛИ” 7.5 и “ИЛИ-НЕ” 7.4. Первое изменение логического уровня с низкого на высокий на выходе счетчика времени индикации 7.2, пройдя через логический элемент “ИЛИ” 7.5 и, поступив на С-вход триггера 7.6, приведет к переключению триггера. Высокий логический уровень с инверсного выхода триггера 7.6 поступает на R-вход счетчика времени индикации 7.2, устанавливая на его выходе низкий логический уровень и запрещая его работу. Одновременно высокий логический уровень с инверсного выхода триггера 7.6 поступает на вход 2 ключевой схемы 3, разрешая прохождение импульсов с формирователя импульсов 6 на релейный блок 2, при этом длительность импульсов устанавливается регулирующим элементом 6.1 в формирователь импульсов 6. Низкий логический уровень с прямого выхода Q триггера 7.6 поступает на вход релейного блока 2 и переключает контакты переключательной группы, тем самым регулируемый резистор Rx отключается от цепи измерения сопротивления 4 и подключается к источнику постоянного тока 1 и ключевой схеме 3. В это же время низкий логический уровень с прямого выхода Q триггера 7.6 поступает на R-вход счетчика количества импульсов 7.1 и “разрешает” ему подсчитывать импульсы, поступающие с формирователя импульсов 6 на релейный блок 2. Переключателем диапазонов 7.3 устанавливают количество импульсов в “пакете”, необходимое для стабилизации резистивного слоя регулируемого резистора Rx или подгонки его сопротивления. При совпадении количества импульсов, отсчитанных счетчиком количества импульсов 7.1 и установленных переключателем диапазонов 7.3, на вход логического элемента “ИЛИ-НЕ” 7.4 поступает изменение логического уровня с низкого на высокий. Логический элемент 7.4 этот уровень инвертирует и подает на S-вход триггера 7.6, в результате триггер 7.6 переключается. Низкий логический уровень с инверсного выхода триггера 7.6 “разрешает” работу счетчика времени индикации 7.2 и “запрещает” прохождение импульсов с формирователя импульсов 6 через ключевую схему 3 на релейный блок 2. Одновременно высокий логический уровень с прямого выхода Q триггера 7.6 переключает релейный блок 2 в исходное состояние, при котором регулируемый резистор Rx подключается к цепи измерения сопротивления 4 и измеряется величина его сопротивления.
Отсчитав необходимое количество импульсов в “пакете”, подаваемое на регулируемый резистор Rx, устройство переходит в режим измерения и индикации сопротивления резистора, т.е. величина изменения сопротивления контролируется после подачи на регулируемый резистор каждого “пакета” импульсов и на этапе стабилизации структуры резистивного слоя тонкопленочных резисторов и на этапе подгонки величины их сопротивления. По окончании времени индикации на выходе счетчика времени индикации 7.2 появляется изменение логического уровня с низкого на высокий, и процесс стабилизации или подгонки повторяется, пока не переключится тумблер “Пуск” в блоке управления устройством 5 в исходное состояние. Регулирующим элементом 6.1 в формирователе импульсов 6 можно изменить длительность импульсов, а регулирующим элементом 1.1 в источнике постоянного тока 1 – изменить амплитуду импульсов напряжения.
Пример 1:
Проводилась стабилизация и подгонка тонкопленочных резисторов сопротивлением 747,7÷732,4 Ом, сформированных на металлической подложке с тонким изолирующим слоем методом термического напыления в вакууме из резистивного сплава на основе нихрома, при амплитуде импульсов – 210 В, длительности 10 мксек. Количество импульсов в “пакете”: при стабилизации – 2, при подгонке – 8.
Изменение величин сопротивлений тонкопленочных резисторов в испытываемых образцах составило: 3,2÷4,9 Ом при стабилизации и 0,8÷14,7 Ом – при подгонке. Результат отражен на фиг.4.
Пример 2:
Проводилась стабилизация и подгонка тонкопленочных резисторов сопротивлением 673,8÷660,1 Ом, сформированных аналогично примеру 1, при амплитуде импульсов – 190 В, длительности импульсов – 10 мксек. Количество импульсов в “пакете”: при стабилизации – 2, при подгонке – 8.
Изменение величин сопротивлений тонкопленочных резисторов в испытываемых образцах составило: 8,0÷8,7 Ом при стабилизации и 3,1÷17,3 Ом при подгонке. Результат отражен на фиг.5.
Изобретение позволило расширить функциональные возможности и проводить стабилизацию структуры резистивного слоя за счет исключения скрытых дефектов и подгонку тонкопленочных резисторов в одном технологическом цикле при неизменной амплитуде, длительности и скважности импульсов напряжения с постоянным контролем изменения величины сопротивления резисторов, а также упростить конструкцию устройства для осуществления процесса.
Источники информации
1. Авторское свидетельство СССР №1398573, G01L 1/22, заявл. 13.05.85.
2. «Электронная техника» серия VI «Микроэлектроника», 1971, вып. 8 (34), стр.115.
3. «Электронная техника» серия III «Микроэлектроника», 1972, вып.6 (40), стр.56.
4. «Электронная техника» серия III «Микроэлектроника», 1973, вып. 2(42), стр.58.
5. Патент Германии (DE), заявка №4005851, МКИ 5 Н01С 17/30, Н05В 3/10, публ. 29.08.91, №35 (опубл. ВНИИПИ 101-12-92, стр.11).
6. Патент Японии (JP) №3-26527, 5 H01C 17/22, B4J 2/335, публ. 19.06.86 (опубл. ВНИИПИ 101-05-92, стр.42).
7. Патент ЕПВ (ЕР) №0454133, 5 H01C 17/22, В41J 2/345, публ. 30.10.91, №44 (опубл. ВНИИПИ 101-01-93, стр.9).
Формула изобретения
1. Способ стабилизации и подгонки тонкопленочных резисторов импульсами напряжения определенной амплитуды, длительности и скважности, отличающийся тем, что стабилизацию и подгонку проводят в едином технологическом цикле при неизменной амплитуде, длительности и скважности импульсов напряжения, причем стабилизацию проводят “пакетами” импульсов напряжения до нижнего не изменяющегося значения сопротивления, которое фиксируют контрольным “пакетом” импульсов напряжения, после чего осуществляют подгонку сопротивлений резисторов подачей на них “пакетов” импульсов напряжения, в которых количество импульсов увеличивают в несколько раз, при этом сопротивление каждого резистора увеличивают до требуемого номинального значения, а в промежутках между “пакетами” импульсов непрерывно контролируют изменение сопротивлений резисторов, как при стабилизации их сопротивлений, так и при их подгонке.
2. Способ стабилизации и подгонки тонкопленочных резисторов по п.1, отличающийся тем, что скважность импульсов задают из условия

где m – скважность импульсов;
tимп. – длительность импульса;
tост. – временной промежуток между импульсами, время остывания

где Qрез. – количество теплоты, полученное тонкопленочным резистором за время прохождения импульса длительностью tимп.;
Рпер. – мощность, передаваемая от тонкопленочного резистора подложке (основанию, на котором он расположен);
Ризл. – мощность, рассеиваемая поверхностью тонкопленочного резистора в окружающую среду,
длительность импульса и его амплитуда связаны соотношением

где Uимп. – амплитуда импульсов напряжения;
Rн. – начальное сопротивление тонкопленочного резистора, причем амплитуда импульса напряжения остается неизменной как на этапе стабилизации, так и на этапе подгонки, и энергия импульса напряжения ограничивается выражением

3. Устройство для стабилизации и подгонки сопротивления тонкопленочного резистора, содержащее источник питания постоянного тока, релейный блок, ключевую схему, цепь измерения сопротивления регулируемого резистора, блок управления устройством, отличающееся тем, что в устройство дополнительно введены формирователь импульсов с элементом, регулирующим амплитуду импульсов напряжения, и блок управления измерением и структурированием, который содержит счетчик количества импульсов, переключатель диапазонов, счетчик времени индикации, логические элементы “ИЛИ-НЕ”, “ИЛИ” и триггер, причем первый выход формирователя импульсов соединен с первым входом блока управления измерением и структурированием, который одновременно является С-входом счетчика количества импульсов, и с первым входом ключевой схемы, второй вход которой соединен с четвертым выходом блока управления измерением и структурированием, который является инверсным выходом триггера и соединен с R-входом счетчика времени индикации, а выход ключевой схемы соединен с первым нормально разомкнутым контактом переключательной группы релейного блока, а второй нормально разомкнутый контакт переключательной группы релейного блока соединен с источником постоянного тока, при этом нормально замкнутые контакты переключательной группы релейного блока соединены с цепью измерения сопротивления, а к перекидным контактам переключательной группы релейного блока подключен регулируемый резистор, причем первый вход управления релейного блока соединен с пятым выходом блока управления измерением и структурированием, который является прямым выходом триггера и одновременно соединен с R-входом счетчика количества импульсов, а выходы счетчика количества импульсов соединены с переключателем диапазонов, выход которого соединен с одним из входов логического элемента “ИЛИ-НЕ”, второй вход которого соединен с одним из входов логического элемента “ИЛИ” и является вторым входом блока управления измерением и структурированием, который соединен с первым выходом блока управления устройством, второй вход которого соединен с общей шиной, а выход логического элемента “ИЛИ-НЕ” соединен с S-входом триггера, С-вход которого соединен с выходом логического элемента “ИЛИ”, второй вход которого соединен с выходом счетчика времени индикации, при этом С-вход счетчика времени индикации является третьим входом блока управления измерением и структурированием и соединен со вторым выходом формирователя импульсов, D-вход триггера соединен с общей шиной, а в источник постоянного тока введен элемент, регулирующий амплитуду импульсов напряжения.
РИСУНКИ
PD4A – Изменение наименования обладателя патента СССР или патента Российской Федерации на изобретение
(73) Новое наименование патентообладателя:
Открытое акционерное общество «Научно-исследовательский институт физических измерений» (RU)
Адрес для переписки:
440026, г. Пенза, ул. Володарского, 8/10, ОАО «НИИФИ»
Извещение опубликовано: 27.07.2009 БИ: 21/2009
|
|