|
|
(21), (22) Заявка: 2005139664/09, 19.12.2005
(24) Дата начала отсчета срока действия патента:
19.12.2005
(46) Опубликовано: 20.09.2007
(56) Список документов, цитированных в отчете о поиске:
RU 2208256 С2, 10.07.2003. RU 2133514 C1, 20.07.1999. US 5119538 А, 09.06.1992. US 4929923 А, 29.05.1990.
Адрес для переписки:
440605, г.Пенза, пр. Байдукова/ул. Гагарина, 1а/11, Пензенская государственная технологическая академия
|
(72) Автор(ы):
Власов Геннадий Сергеевич (RU)
(73) Патентообладатель(и):
Пензенская государственная технологическая академия (RU)
|
(54) ТОНКОПЛЕНОЧНЫЙ ИЗМЕРИТЕЛЬНЫЙ РЕЗИСТОР
(57) Реферат:
Настоящее изобретение относится к области микроэлектроники и измерительной техники и может быть использовано в электронной промышленности и измерительной электронике. Тонкопленочный измерительный резистор содержит резистивный слой на диэлектрической подложке в форме меандра из нихрома или другого резистивного материала, на края которого нанесены алюминиевые слои, являющиеся контактами для подключения тока, проходящего через резистор. В него дополнительно введены резистивные слои для приема и усреднения потенциала вдоль линии тока граничной области токового контакта, которые выполнены из того же резистивного материала в форме полос – продолжений резистора, перпендикулярных направлению тока, втекающего и вытекающего из резистора, причем на их края нанесены алюминиевые слои, являющиеся потенциальными контактами. Техническим результатом является повышение точности воспроизведения требуемого сопротивления и упрощение конструкции тонкопленочного резистора. 3 ил.
Настоящее изобретение относится к области микроэлектроники и измерительной техники и может быть использовано в электронной промышленности и измерительной электронике.
Уровень техники
Известны эталонные сопротивления и измерительные резисторы, выполненные различными способами. В частности, известна конструкция эталонного сопротивления с токовыми и потенциальными клеммами (см., например, Мейзда Ф. Электронные измерительные приборы и методы измерений: Пер. с англ. – М.: Мир, 1990. – 535 с., С.33, рис.2.8).
Конструкция эталонного сопротивления состоит из корпуса, внутри которого расположена скрепленная с крышкой корпуса катушка, намотанная высокоомным проводом и подключенная к двум разнесенным по концам диаметра катушки медным выводам, каждый из которых с двумя припаянными клеммами (токовой и потенциальной), расположенными над корпусом в непосредственной близости друг от друга.
К недостаткам этого устройства можно отнести сложность, большие габариты и высокую стоимость, обусловленную наличием дорогостоящих элементов указанной конструкции. В то же время его параметры точности (например, ТКС=±15÷20·10-6/°C) сравнимы с аналогичными параметрами современных прецизионных тонкопленочных резисторов.
Наиболее близким по технической сущности к предлагаемому изобретению является непроволочный резистор (см. заявка №272772, H01С, Изобретения стран мира №3, 1992 г., С.4), содержащий резистивный слой в форме меандра из нихрома, на края которого нанесены алюминиевые слои, являющиеся контактами для подключения тока, вблизи которых выполнены дополнительные выводы в виде узких алюминиевых полос, электрически соединенных с дополнительными контактами для приема потенциала с резистивного слоя.
Недостатком этого устройства является невысокая точность воспроизведения физической величины сопротивления резистивного элемента, заключенного между основными выводами, и преобразование в напряжение, снимаемое с дополнительных выводов, из-за неопределенности геометрического места расположения узких алюминиевых полосок относительно границ основных (токовых) контактов резистора.
Раскрытие изобретения
Задачей, на решение которой направлено заявляемое изобретение, является повышение точности воспроизведения требуемого сопротивления равного отношению снимаемого с потенциальных клемм напряжения к току, протекающему через резистор, и упрощение конструкции тонкопленочного резистора.
Достигаемый технический результат обеспечивается тем, что в тонкопленочный измерительный резистор, содержащий резистивный слой на диэлектрической подложке в форме меандра из нихрома или другого резистивного материала, на края которого нанесены алюминиевые слои, являющиеся контактами для подключения тока, проходящего через резистор, дополнительно введены резистивные слои для приема и усреднения потенциала вдоль линии тока граничной области токового контакта, которые выполнены из того же резистивного материала в форме полос – продолжений резистора, перпендикулярных направлению тока, втекающего и вытекающего из резистора, причем на их края нанесены алюминиевые слои, являющиеся потенциальными контактами.
Краткое описание чертежей
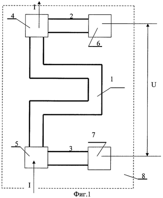
На фиг.1 представлена конструкция тонкопленочного измерительного резистора.
Элементы чертежей обозначены следующим образом.
1 – резистивный слой в виде меандра, 2, 3 – дополнительные резистивные полосы, 4, 5 – токовые контакты, 6, 7 – потенциальные контакты, 8 – диэлектрическая подложка.
На фиг.2 представлена модель контактной области резистивного слоя 1 с токовым контактом 4.
21, 22 – дополнительные резистивные полосы в контактной области, 9 – токовый вывод; цифрами мелкого шрифта 1,1÷20, 1÷2 – слои моделирования электрического поля.
На фиг.3 представлен объемный элемент моделирования электрического сопротивления слоя тонкопленочного материала единичных размеров по осям координат. Слои материала изображены на фронтальной эпюре фиг.2 и пронумерованы для контакта и резистивной пленки мелким шрифтом, соответственно 1÷20 и 1÷2. Причем принято, что опытная модель имеет 1 слой, являющийся переходным. Сопротивления элемента моделирования: rx – элементарное сопротивление вдоль линии тока, rу – элементарное сопротивление перпендикулярное линии тока в плоскости подложки, rz – элементарное сопротивление, перпендикулярное плоскости подложки, rd1 – первое элементарное диагональное сопротивление, rd2 – второе элементарное диагональное сопротивление.
Осуществление изобретения
С целью анализа картины электрического поля в контактной области объекта, представленного на фиг.2, производилось компьютерное моделирование распределения электрического потенциала с учетом различных значений удельных сопротивлений материалов резистивной пленки, контакта 4 и переходной области между ними. При этом соотношения между удельными объемными сопротивлениями были приняты: рез/ пер=100, рез/ мет 10000, где рез – удельное сопротивление резистивной пленки, пер – удельное сопротивление переходного слоя и мет – удельное сопротивление контакта, в качестве металла которого использовался алюминий. Элементарный элемент моделирования, представленный на фиг.3, содержит сосредоточенные сопротивления граней и указанные диагональные сопротивления и заполняет в один ряд каждый слой резистивных элементов 1, 21, 22, 4 и переходную область между резистивным материалом и металлическим контактом (фиг.2), ориентирован в направлении тока, а соотношения сосредоточенных сопротивлений определяются лишь материалом слоя и соответствуют приведенному соотношению удельных сопротивлений.
Отличительной особенностью моделирования было то, что область моделирования в зоне контакта 4, с использованием элементарных элементов моделирования фиг.3, расширялась за пределы области этого контакта. Моделирование сопровождалось натурными испытаниями. При пропускании через резистивный элемент 1, контакт 4 и вывод 9 тока I=100 мА (фиг.2) поверхностный слой резистивной пленки с полосой, отходящей от области контакта в направлении, перпендикулярном току, имел более равномерное распределение потенциалов в своей области по мере удаления от контакта.
С учетом проведенного анализа результатов моделирования, а также теоретических материалов, в частности (Смирнов В.И., Мата Ф.Ю. Теория конструкций контактов в электронной аппаратуре. – М.: Советское радио, 1974. – 176 с.), разработана конструкция тонкопленочного измерительного резистора, которая представлена на фиг.1.
Моделирование показывает, что ток, проходя контур: резистивный элемент 1, переходной контактный слой, контакт 4, образует на поверхностном резистивном участке 21 в случае отсутствия в нем тока усредненный потенциал, близкий к потенциалу правой границы переходного слоя. В то же время резистивный элемент (полоса) 22, направленный в плоскости подложки перпендикулярно входящему в контакт 4 току, (фиг.2) и контактная площадка 6 (7) (потенциальный вывод) производят усреднение потенциала по длине контакта вдоль линии тока. Разность усредненных потенциалов, снимаемых с переходных слоев токовых контактов 4, 5, будет гораздо ближе соответствовать действительному значению падения напряжения на резисторе 1, чем в устройстве – прототипе, в котором некоторая неопределенность сопротивления резистора обусловлена отступом дополнительных алюминиевых потенциальных контактов вдоль линии тока от границ площадок токовых контактов. Кроме того, резистивные элементы 2 и 3 способствуют, в определенной мере, выравниванию температурных полей в области подложки.
Таким образом, предложенная конструкция тонкопленочного измерительного резистора позволяет воспроизвести сопротивление, равное отношению напряжения, снимаемого с потенциальных выводов, к протекающему через резистор току, что более точно соответствует действительному значению, чем в устройстве – прототипе.
Лабораторные испытания выполнялись с тонкопленочным резистором, резистивная пленка которого толщиной 2 мкм и шириной 200 мкм в области его элементов 1-21, 22 фиг.2 получена вакуумным напылением из материала с удельным сопротивлением =500 Ом/ . Алюминиевый контакт с удельным сопротивлением =0,05 Ом/ , размером 200·200·20 мкм наносился на резистивное покрытие вакуумным напылением. В качестве источника тока использовался калибратор П 320, а в качестве вольтметра использовался прибор Щ 31 в режиме измерения постоянного тока.
Формула изобретения
Тонкопленочный измерительный резистор, содержащий резистивный слой на диэлектрической подложке в форме меандра из нихрома или другого резистивного материала, на края которого нанесены алюминиевые слои, являющиеся контактами для подключения тока, проходящего через резистор, отличающийся тем, что в него дополнительно введены резистивные слои для приема и усреднения потенциала вдоль линии тока граничной области токового контакта, которые выполнены из того же резистивного материала в форме полос – продолжений резистора, перпендикулярных направлению тока, втекающего и вытекающего из резистора, причем на их края нанесены алюминиевые слои, являющиеся потенциальными контактами.
РИСУНКИ
MM4A – Досрочное прекращение действия патента СССР или патента Российской Федерации на изобретение из-за неуплаты в установленный срок пошлины за поддержание патента в силе
Дата прекращения действия патента: 20.12.2007
Извещение опубликовано: 27.07.2009 БИ: 21/2009
|
|