|
|
(21), (22) Заявка: 2006102667/09, 31.01.2006
(24) Дата начала отсчета срока действия патента:
31.01.2006
(30) Конвенционный приоритет:
28.11.2005 UA A 2005 11244
(46) Опубликовано: 20.09.2007
(56) Список документов, цитированных в отчете о поиске:
RU 2250505 C1, 20.04.2005. RU 2221278 C2, 10.01.2004. RU 2134907 C1, 20.08.1999. SU 1264220 A1, 23.11.1986. US 4317113 A, 23.02.1982.
Адрес для переписки:
58029, Украина, г. Черновцы, пр. Незалежности, 106, к.239, Частное предприятие “АРТОН”
|
(72) Автор(ы):
Баканов Владимир Викторович (UA), Мисевич Игорь Захарович (UA), Михавчук Михаил Иванович (UA)
(73) Патентообладатель(и):
Частное предприятие “АРТОН” (UA)
|
(54) ДЫМОВОЙ ПОЖАРНЫЙ ИЗВЕЩАТЕЛЬ
(57) Реферат:
Использование: в системах пожарной сигнализации для выявления увеличения оптической плотности воздуха по интенсивности рассеяния инфракрасного излучения. Технический результат заключается в повышении стабильности чувствительности извещателя за счет одновременного порогового контроля фазы, продолжительности и амплитуды усиленного сигнала фото – ЕДС. Дымовой пожарный извещатель содержит схему сброса по напряжению питания, две клеммы для подключения к шлейфу пожарной сигнализации, элемент односторонней проводимости, формирователь выходного сигнала, токоограничительный элемент, конденсатор, индикатор, схему регистрации импульсов, формирователь импульсов, тактовый генератор, токовый ключ, излучатель, камеру со светопоглощающими стенками, фотодиод, усилитель, а также коммутатор сопротивления, пороговый элемента и резистор. 1 ил.
Изобретение относится к области пожарной сигнализации и может быть использовано в системах пожарной сигнализации для выявления увеличения оптической плотности воздуха по интенсивности рассеяния инфракрасного излучения.
Известны пожарные извещатели, оптические датчики дыма и устройства регистрации дыма, которые работают по принципу периодического излучения импульсов инфракрасного излучения и следующего их приема, усиления и обработки полученного сигнала разными способами, формируя сигнал о наличии или отсутствии дыма (см. журнал «Системы безопасности связи и телекоммуникации», 2000, 33, с.65).
Известное устройство регистрации дыма (патент Российской Федерации RU 2221278, G08B 17/10, опубл. 2004.01.10) имеет тактовый генератор, излучатель, связанный через оптическую камеру со светопоглощающими стенками с фотоприемником, схему сброса, формирователь выходного сигнала. Кроме того, он имеет схему синхронного детектирования, схему сравнения и запоминания, которая выполнена в виде первого и второго двоичных счетчиков, причем V-вход и R-вход первого двоичного счетчика схемы сравнения и запоминания соединены с соответствующими выходами тактового генератора, выход упомянутого первого двоичного счетчика параллельно связан с входом излучателя, V-входом второго двоичного счетчика схемы сравнения и запоминания и первым входом схемы синхронного детектирования, второй и третий входы которой связаны соответственно с выходами фотоприемника и схемы сброса, а выход – с R-входом второго двоичного счетчика схемы сравнения и запоминания, выход второго двоичного счетчика схемы сравнения и запоминания связан с С-входами обеих счетчиков и с входом формирователя выходного сигнала. Причем схема синхронного детектирования содержит два логических элемента И-НЕ, диод, RC-цепь, входы первого элемента И-HE связаны с выходом фотоприемника, а выход – через диод с RC-цепью, которая связана с входом второго логического элемента И-НЕ и через конденсатор связана с выходом первого двоичного счетчика схемы сравнения и запоминания, причем второй вход второго логического элемента И-НЕ связан с выходом схемы сброса, а выход – с R-входом второго двоичного счетчика схемы сравнения и запоминания.
Недостатком известного устройства является низкая стабильность чувствительности от устройства до устройства при их серийном производстве (см. п.5.3.4. НПБ 65-97 Извещатели пожарные оптико-электронные. Общие технические требования. Методы испытаний) из-за значительного разброса параметров синхронного детектора, выполненного на логических элементах И-НЕ. Логические элементы НЕ не предназначены для целей синхронного детектирования, поэтому производители этих элементе не гарантируют значения параметров, необходимых для синхронного детектирования. Технологический разброс параметров логических элементов, используемых в синхронном детекторе, влияет на стабильность чувствительности извещателей, которая может превышать нормированные величины, установленные НПБ 65-97.
Наиболее близким по технической сути к изобретению, которое патентуется, есть избранный как прототип дымовой пожарный извещатель (Извещатель пожарный дымовой оптико-электронный ИП212-41М; ТУ 4371-005-12215496-00; Паспорт 4371-005-12215496-00 ПС), который имеет две клеммы для подключения к шлейфу пожарной сигнализации, к первой из которых подключен вход элемента односторонней проводимости, выход которого соединен с первым выводом электропитания формирователя выходного сигнала и входом токоограничительного элемента, выход которого подключен к шине электропитания и к первому выводу первого конденсатора, второй вывод которого соединен с общей шиной, второй клеммой и со вторым выводом электропитания формирователя выходного сигнала, выход которого подключен к индикатору, а вход – к выходу схемы регистрации импульсов и к первому входу схемы формирователя импульсов, второй вход которого соединен с выходом тактового генератора, извещатель также имеет схему сброса по напряжению питания, а выход схемы формирователя импульсов через токовый ключ соединен с излучателем, который оптически связан через камеру со светопоглощающими стенками с фотодиодом, анод и катод которого подключены к входу усилителя. Кроме того, выход усилителя соединен с первым входом синхронного детектора, выход которого подключен к первому входу схемы регистрации импульсов, второй вход которой связан со вторым входом синхронного детектора и выходом формирователя импульсов. Третий вход синхронного детектора подключен к выходу схемы сброса по напряжению питания. Формирователь импульсов имеет только один выход, выполненный на R-S триггере для обеспечения «бездребезгового» формирования импульсов на ультранизких частотах.
Недостатком известного извещателя является также низкая стабильность чувствительности, которая проявляется при серийном производстве таких пожарных извещателей, вызванная тем, что синхронный детектор не обеспечивает стабильного детектирования усиленного сигнала фото – ЕДС за счет фазовых задержек усилителя. Кроме того, в этом синхронном детекторе возникает конфликт внутренних сопротивлений выходов двух логических элементов, соединенных вместе, которые должны были бы обеспечивать разные логические уровни. Такое применение синхронного детектора уменьшает стабильность чувствительности извещателя в целом.
В основу изобретения поставлена задача повышения стабильности чувствительности путем одновременного порогового контроля фазы, продолжительности и амплитуды усиленного сигнала фото – ЕДС. За счет применения формирователя импульсов с дополнительными выходами, порогового элемента, резистора и коммутатора сопротивления, а также их связями с другими блоками извещателя обеспечивается стабильность чувствительности. Достижение стабильности в условиях серийного производства важно и потому, что требования российского стандарта НПБ 65-97 к этому параметру более жесткие, чем требования европейского стандарта EN-54-7.
Указанная цель достигается тем, что дымовой пожарный извещатель, который имеет схему сброса по напряжению питания и две клеммы для подключения к шлейфу пожарной сигнализации, к первой из которых подключен вход элемента односторонней проводимости, выход которого соединен с первым выводом электропитания формирователя выходного сигнала и входом токоограничительного элемента, выход которого подключен к шине электропитания и к первому выводу конденсатора, второй вывод которого соединен с общей шиной, второй клеммой и со вторым выводом электропитания формирователя выходного сигнала, выход которого подключен к индикатору, а вход – к выходу схемы регистрации импульсов и к первому входу схемы формирователя импульсов, второй вход которого соединен с выходом тактового генератора, а первый выход схемы формирователя импульсов через токовый ключ соединен с излучателем, который оптически связан через камеру со светопоглощающими стенками с фотодиодом, анод и катод которого подключены к входу усилителя, согласно изобретению дополнительно содержит коммутатор сопротивления, пороговый элемента и резистор, причем формирователь импульсов имеет второй и третий выходы, второй выход формирователя импульсов соединен с первым входом схемы регистрации импульсов, второй вход которой соединен с выходом логического элемента ИЛИ, первый вход которого подключен к выходу схемы сброса по напряжению питания, а второй вход – через пороговый элемент к выходу коммутатора сопротивления, вход управления которого соединен с выходом усилителя, а третий выход формирователя импульсов через резистор соединен с входом порогового элемента.
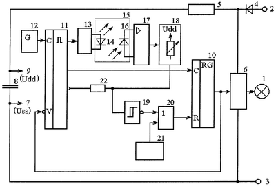
На чертеже представлена блок-схема дымового пожарного извещателя.
Дымовой пожарный извещатель содержит индикатор 1, а также клеммы 2 и 3 для подключения к шлейфу пожарной сигнализации. К первой клемме 2 подключен вход элемента 4 односторонней проводимости, выход которого соединен с входом токоограничительного элемента 5 и первым выводом электропитания формирователя 6 выходного сигнала. Второй вывод электропитания формирователя 6 выходного сигнала соединен со второй клеммой 3, общей шиной 7 и первым выводом конденсатора 8. Выход токоограничительного элемента 5 подключен к шине 9 электропитания и к второму выводу конденсатора 8. Выход формирователя 6 выходного сигнала подключен к индикатору 1, а вход – к выходу схемы 10 регистрации импульсов, а также к первому входу формирователя 11 импульсов. Ко второму входу формирователя 11 импульсов подключен тактовый генератор 12. Первый выход формирователя 11 импульсов через токовый ключ 13 соединен с излучателем 14. Второй выход формирователя 11 импульсов соединен с первым входом схемы 10 регистрации импульсов. Излучатель 14 оптически связан через камеру 15 со светопоглощающими стенками с фотодиодом 16. Выводы фотодиода 16 подключены к входу усилителя 17. К выходу усилителя 17 подключен вход коммутатора 18 сопротивления, выход которого соединен с входом порогового элемента 19. Логический элемент 20 ИЛИ первым своим входом соединен с выходом схемы 21 сброса по напряжению питания, а вторым входом – с выходом порогового элемента 19. Выход логического элемента 20 ИЛИ подключен ко второму входу схемы 10 регистрации импульсов. Третий выход формирователя 11 импульсов через резистор 22 соединен с входом порогового элемента 19.
Выводы электропитания элементов соединены соответственно с шиной питания 9 и с общей шиной 7 извещателя (эти соединения не показаны).
Дымовой пожарный извещатель работает следующим образом. При подаче напряжения питания на входные клеммы 2 и 3 через элемент 4 односторонней проводимости и токоограничительный элемент 6 осуществляется заряд конденсатора 8. Элемент 4 односторонней проводимости осуществляет защиту других элементов дымового пожарного извещателя при ошибочном подключении полярности напряжения питания. Пока напряжение на выводах накопительного конденсатора 8 недостаточно для нормальной работы дымового пожарного извещателя, на выходе схемы 21 сброса по напряжению электропитания формируется потенциальный уровень, который через логический элемент 20 ИЛИ устанавливает на втором входе схемы 10 регистрации импульсов высокий потенциальный уровень. В этом случае схема 10 регистрации импульсов будет находиться в нулевом состоянии независимо от сигнала на ее первом входе. Формирователь 6 выходного сигнала будет закрыт, и индикатор 1 будет выключен. В то же время низкий потенциальный уровень, который поступит с выхода схемы 10 регистрации импульсов на вход формирователя 11 импульсов, разрешит формирование серии импульсов на его выходах. Благодаря работе тактового генератора 12 на трех выходах формирователя 11 импульсов формируется серия коротких, продолжительностью несколько десятков микросекунд, импульсов с периодом следования около одной секунды.
С первого выхода формирователя 11 импульсов первый импульс поступает на вход токового ключа 13. Токовый ключ 13 обеспечивает разряд конденсатора 8 заданной величиной тока через свой выход на излучатель 14, который создает в оптической камере 15 со светопоглощающими стенками импульсы инфракрасного излучения. Величина, на которую будет разряжаться конденсатор 8, будет зависеть от продолжительности и периода импульсов, которые появляются на первом выходе формирователя 11 импульсов, а также отношения тока заряда конденсатора 8 через токоограничительный элемент 5 к току разряда этого конденсатора 8 через токовый ключ 13 и излучатель 14. Рассеянное оптической камерой 15 со светопоглощающими стенками инфракрасное излучение поступает на фотодиод 16. Усиленные усилителем 17 импульсы по своей амплитуде и фазе будут существенным образом зависеть от оптической плотности воздуха в оптической камере 15. Так, при абсолютной прозрачности воздуха на выходе усилителя 17 будут присутствовать импульсы малой амплитуды, так как будет иметь место некоторое отражение от стенок оптической камеры 15. Импульс на выходе усилителя 17 будет достигать своего максимума или в момент окончания импульса на первом выходе формирователя 11 импульсов, или после завершения этого импульса. Форма сигнала на выходе усилителя 17 существенно зависит от быстродействия усилителя 17 и продолжительности импульса на первом выходе формирователя 11 импульсов. При малой амплитуде импульсов выходное сопротивление коммутатора 18 сопротивления значительно превышает сопротивление резистора 22, поэтому по каждому переключению сигнала на третьем выходе формирователя 11 импульсов будет происходить переключение порогового элемента 19. Поэтому в каждом такте формирования серии импульсов на выходах формирователя 11 импульсов будет происходить сброс в начальное состояние схемы 10 регистрации импульсов. Формирователь 6 выходного сигнала будет находиться в закрытом состоянии, и индикатор 1 будет отключен.
Извещатель будет оставаться в дежурном режиме работы, потребляя от шлейфа пожарной сигнализации, который подключен к клеммам 2 и 3, ток, величина которого ограничена токоограничительным элементом 5.
По мере увеличения удельной оптической плотности среды будет увеличиваться амплитуда импульсов на выходе усилителя 17, пока не достигнет значения, при котором выходное сопротивление коммутатора 18 сопротивления изменит свое значение так, что значение сопротивления резистора 22 станет значительно больше выходного сопротивления коммутатора 18 сопротивления. В этом случае при изменении состояния на третьем выходе формирователя 11 импульсов состояние порогового элемента 19 изменяться не будет. Если удельная оптическая плотность среды достигнет своего порогового значения, то в каждом такте формирования серии импульсов на выходах формирователя 11 импульсов будет происходить изменение внутреннего состояния схемы 10 регистрации импульсов.
При достижении задымленности установленного уровня, т.е. при повышении удельной оптической плотности воздуха, увеличивается интенсивность рассеянного излучения оптической камере 15. В этом случае по каждой серии импульсов на выходах формирователя 11 импульсов состояние схемы 10 регистрации импульсов будет увеличиваться на единицу, пока не состоится переключение старшего разряда схемы 10 регистрации импульсов, по которому запрещается дальнейшее формирование импульсов на выходах формирователя 11 импульсов. При наличии высокого потенциального уровня на старшем разряде схемы 10 регистрации импульсов приоткрывается формирователь 6 выходного сигнала, таким образом обеспечивается скачкообразное снижение внутреннего сопротивления извещателя, т.е. сопротивления постоянному току, который течет между входными клеммами 2 и 3. Вывести дымовой пожарный извещатель из этого состояния возможно только отключением напряжения питания на время, достаточное для разряда накопительного конденсатора 8, до величины, при которой на выходе схемы 21 сброса по напряжению электропитания установится низкий потенциальный уровень.
Использование введенных коммутатора 18 сопротивления, порогового элемента 19, резистора 22, а также формирователя 11 импульсов с дополнительными выходами и их связями с другими элементами позволило повысить стабильность чувствительности извещателя, так как одновременно происходит пороговый контроль фазы, продолжительности и амплитуды усиленного сигнала фото – ЕДС.
Все примененные в извещателе элементы широко известные, кроме того, они могут быть выполнены разными средствами, например тактовый генератор 12 как генератор импульсов, известный и на биполярных транзисторах, и на логических элементах – двух или трех элементах НЕ и т.п. Формирователь 11 импульсов, известный как цепь с ждущими одновибраторами или как двоичный счетчик с дешифратором. Токовый ключ 13, известный на биполярных и полевых транзисторах, операционных усилителях и т.п. Излучатель 14 инфракрасного излучения, оптическая камера 15 со светлопоглощаюшими стенками и фотодиод 16, известны как оптически-электронные компоненты любого точечного оптического дымового извещателя. Усилитель 17 может быть выполнен на основе операционного усилителя или двух – трех каскадного транзисторного усилителя. Коммутатор 18 сопротивления может быть выполнен на полевом или биполярном транзисторе, также возможно его выполнение на основе диодного коммутатора тока. Пороговый элемент 19 может быть выполнен на основе компаратора, триггера Шмитта и т.п. Схема 10 регистрации импульсов известна на основе регистра или двоичного счетчика. Формирователь 6 выходного сигнала может быть выполнен на полевом или биполярном транзисторе. Схема 21 сброса по напряжению электропитания известна на основе RC-цепи, транзисторной каскада или специальной микросхемы. Токоограничительный элемент 5 может быть выполнен на основе резистора, ограничителя тока на полевом транзисторе и т.п. Элемент 4 односторонней проводимости, известный как диод или другой р-n переход.
Формула изобретения
Дымовой пожарный извещатель, который имеет схему сброса по напряжению питания и две клеммы для подключения к шлейфу пожарной сигнализации, к первой из которых подключенный вход элемента односторонней проводимости, выход которого соединен с первым выводом электропитания формирователя выходного сигнала и входом токоограничительного элемента, выход которого подключен к шине электропитания и к первому выводу конденсатора, второй вывод которого соединен с общей шиной, второй клеммой и со вторым выводом электропитания формирователя выходного сигнала, выход которого подключен к индикатору, а вход – к выходу схемы регистрации импульсов и к первому входу схемы формирователя импульсов, второй вход которого соединен с выходом тактового генератора, а первый выход схемы формирователя импульсов через токовый ключ соединен с излучателем, который оптически связан через камеру со светопоглощающими стенками с фотодиодом, анод и катод которого подключены к входу усилителя, дополнительно содержит коммутатор сопротивления, пороговый элемент и резистор, причем формирователь импульсов имеет второй и третий выходы, второй выход формирователя импульсов соединен с первым входом схемы регистрации импульсов, второй вход которой соединен с выходом логического элемента ИЛИ, первый вход которого подключен к выходу схемы сброса по напряжению питания, а второй вход – через пороговый элемент к выходу коммутатора сопротивления, вход управления которого соединен с выходом усилителя, а третий выход формирователя импульсов через резистор соединен с входом порогового элемента.
РИСУНКИ
|
|