|
|
(21), (22) Заявка: 2006102675/09, 31.01.2006
(24) Дата начала отсчета срока действия патента:
31.01.2006
(46) Опубликовано: 20.09.2007
(56) Список документов, цитированных в отчете о поиске:
RU 2250505 C1, 20.04.2005. RU 2221278 C2, 10.01.2004. RU 2134907 C1, 20.08.1999. SU 1264220 A1, 23.11.1986. US 4317113 A, 23.02.1982.
Адрес для переписки:
58029, Украина, г. Черновцы, пр. Незалежности, 106, к.239, Частное предприятие “АРТОН”
|
(72) Автор(ы):
Абушкевич Владимир Антонович (UA), Баканов Владимир Викторович (UA), Мисевич Игорь Захарович (UA)
(73) Патентообладатель(и):
Частное предприятие “АРТОН” (UA)
|
(54) ДЫМОВОЙ ПОЖАРНЫЙ ИЗВЕЩАТЕЛЬ
(57) Реферат:
Использование: в системах пожарной сигнализации для выявления увеличения оптической плотности воздуха по интенсивности рассеяния инфракрасного излучения. Технический результат заключается в компенсации снижения мощности излучателя. Дымовой пожарный извещатель содержит блок обработки и управления, формирователь сигнала регистрации дыма, оптический индикатор, элемент односторонней проводимости, две входные клеммы для подключения шлейфа пожарной сигнализации, токовый ключ, ограничитель тока и напряжения, два конденсатора, излучатель, фотоприемник, оптическую камеру со светопоглощающими стенками, а также делитель напряжения между выходом блока обработки и управления и входом токового ключа, который выполнен на биполярных транзисторах, соединенных по схеме Дарлингтона. Коэффициент деления делителя напряжения устанавливается таким, чтобы при термостабильной амплитуде импульсов на выходе блока обработки и управления соотношение суммарной температурной нестабильности напряжения база – эмиттер транзисторов токового ключа к падению напряжения на эмиттерном резисторе токового ключа равнялось по модулю температурному коэффициенту мощности излучателя. 1 ил.
Изобретение относится к области пожарной сигнализации и может быть использовано в системах пожарной сигнализации для выявления увеличения оптической плотности воздуха по интенсивности рассеяния инфракрасного излучения.
Известны пожарные извещатели, оптические датчики дыма и устройства регистрации дыма, которые работают по принципу периодического излучения импульсов инфракрасного излучения и следующего их приема и обработки полученного сигнала разными способами, формируя сигнал о наличии или отсутствии дыма (см. журнал «Системы безопасности связи и телекоммуникации», 2000, 33, с.65).
Известный фотоэлектрический детектор дыма [«Photoelectric smoke detector and disaster monitoring system using the photoelectric»; EP 0755037 A1; G08B 17/103; 22.01.1997], который содержит блок обработки и управления, первый выход которого подключен к входу формирователя сигнала регистрации дыма, токовый ключ, к выходу которого подключен излучатель, связанный через оптическую камеру со светопоглощающими стенками с фотоприемником, а выходы формирователя сигнала регистрации дыма через клеммы подключены к шлейфу пожарной сигнализации. Второй выход блока обработки и управления соединен с входом токового ключа, а выводы фотоприемника подключены к входам усилителя, выход которого соединен с входом блока обработки и управления. Электропитание блока обработки и управления, токового ключа и формирователя сигнала регистрации дыма выполнено отдельными электрическими цепями.
Недостатком этого детектора является значительное потребление электрического тока от шлейфа пожарной сигнализации, который должен содержать отдельную шину электропитания, от которой осуществляется питание блока обработки и управления и токового ключа, который формирует ток через излучатель. Кроме того, у такого фотоэлектрического детектора дыма недостаточная температурная стабилизация чувствительности, так как нет полной компенсации температурной нестабильности мощности излучателя.
Известен также детектор дыма [«SMOKE DETECTOR»; US 2001/0020899 A1; G08B 17/10; G08B 23/00; 13.09.2001], который содержит блок обработки и управления, первый выход которого через делитель напряжения соединен с входом первого токового ключа, к выходу которого подключен излучатель, связанный через оптическую камеру со светопоглощающими стенками с фотоприемником, который соединен с входом блока обработки и управления. Электропитание блока обработки и управления, токового ключа также выполнено отдельными электрическими цепями.
Недостатком известного детектора является использование отдельных шин электропитания, от которых осуществляется питание блока обработки и управления и токового ключа, который формирует ток через излучатель. Кроме того, у такого детектора дыма недостаточная температурная стабилизация чувствительности, так как нет полной компенсации температурной нестабильности мощности излучателя.
Наиболее близким к предлагаемому изобретению является выбранный как прототип дымовой пожарный извещатель 2151Э фирмы System Sensor («Извещатель пожарный дымовой оптико-электронный 2151Э» ТУ 4371-001-52635653-00, www.systemsensor.ru), который содержит блок обработки и управления, первый выход которого соединен с входом формирователя сигнала регистрации дыма, к выходу которого подключен оптический индикатор, а первый вход питания формирователя сигнала регистрации дыма через элемент односторонней проводимости соединен с первой входной клеммой для подключения шлейфа пожарной сигнализации, а второй вход питания – со второй входной клеммой для подключения шлейфа пожарной сигнализации, к которой подключены первые выводы электропитания блока обработки и управления, токового ключа, ограничителя тока и напряжения, а также первые выводы первого и второго конденсаторов, второй вывод электропитания блока обработки и управления подключен к второму выводу первого конденсатора и к первому выходу ограничителя тока и напряжения, второй выход которого соединен со вторым выводом второго конденсатора и вторым выводом электропитания токового ключа, к выходам которого подключен излучатель, который оптически связан через оптическую камеру со светопоглощающими стенками с фотоприемником, выход которого подключен к входу блока обработки и управления. Вход токового ключа соединен со вторым выходом блока обработки и управления.
Недостатком прототипа также является недостаточная температурная стабилизация чувствительности, так как нет полной компенсации температурной нестабильности мощности излучателя.
В основу изобретения поставленная задача обеспечить полную компенсацию снижения мощности излучателя за счет увеличения величины тока, который протекает в цепи излучателя при росте температуры.
Поставленная задача решается тем, что дымовой пожарный извещатель, который содержит блок обработки и управления, первый выход которого соединен с входом формирователя сигнала регистрации дыма, к выходу которого подключен оптический индикатор, первый вход электропитания формирователя сигнала регистрации дыма через элемент односторонней проводимости соединен с первой входной клеммой, а второй вход электропитания – со второй входной клеммой, к которой подключены первые выводы электропитания блока обработки и управления, токового ключа, ограничителя тока и напряжения, а также первые выводы первого и второго конденсаторов, второй вывод электропитания блока обработки и управления подключен к второму выводу первого конденсатора и к первому выходу ограничителя тока и напряжения, второй выход которого соединен со вторым выводом второго конденсатора и вторым выводом электропитания токового ключа, к выходам которого подключен излучатель, который оптически связан через оптическую камеру со светопоглощающими стенками с фотоприемником, выход которого подключен к входу блока обработки и управления, дополнительно содержит делитель напряжения, вход которого соединен со вторым выходом блока обработки и управления, а выходы делителя напряжения соединены с соответствующими входами токового ключа, который выполнен на биполярных транзисторах, соединенных по схеме Дарлингтона, а коэффициент деления делителя напряжения устанавливается таким, чтобы при термостабильной амплитуде импульсов на втором выходе блока обработки и управления соотношение суммарной температурной нестабильности напряжения база – эмиттер транзисторов токового ключа к падению напряжения на эмиттерном резисторе токового ключа равнялось по модулю температурному коэффициенту мощности излучателя.
В предложенном устройстве за счет применения между вторым выходом блока обработки и управления и входами токового ключа делителя напряжения устанавливается на эмиттерном резисторе при нормальной температуре окружающего воздуха такое падение напряжения, при котором увеличение тока через излучатель полностью компенсирует уменьшение мощности излучателя, вызванное ростом температуры.
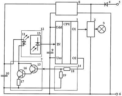
На чертеже представлена блок-схема дымового пожарного извещателя.
Дымовой пожарный извещатель содержит блок 1 обработки и управления, первый выход которого соединен с входом формирователя 2 сигнала регистрации дыма, к выходу которого подключен оптический индикатор 3. Первый вход электропитания формирователя 2 сигнала регистрации дыма через элемент 4 односторонней проводимости соединен с первой входной клеммой 5 для подключения шлейфа пожарной сигнализации. Второй вход электропитания формирователя 2 сигнала регистрации дыма соединен со второй входной клеммой 6 для подключения шлейфа пожарной сигнализации, к которой подключены первые выводы электропитания блока 1 обработки и управления, токового ключа 7, ограничителя 8 тока и напряжения, а также первые выводы первого и второго конденсаторов. Второй вывод электропитания блока 1 обработки и управления подключен к второму выводу первого конденсатора 9 и к первому выходу ограничителя 8 тока и напряжения. Второй выход ограничителя 8 тока и напряжения соединен со вторым выводом второго конденсатора 10 и вторым выводом электропитания токового ключа 7, к выходам которого подключен излучатель 11. Излучатель 11 оптически связан через оптическую камеру 12 со светопоглощающими стенками с фотоприемником 13, выход которого подключен к входу блока 1 обработки и управления. Второй выход блока 1 обработки и управления через делитель 14 напряжения соединен с входами токового ключа 7, который выполнен на биполярных транзисторах 15 и 16, соединенных по схеме Дарлингтона. Через эмиттерний резистор 17 эмиттер транзистора 16 соединен со второй входной клеммой 6 и вторым выходом делителя 14 напряжения. Делитель 14 напряжения состоит из двух резисторов 18 и 19. Первый вывод резистора 18 подключен к входу делителя 14 напряжения, а второй вывод этого резистора 18 соединен с первым выходом делителя 14 напряжения, а через резистор 19 – со вторым выходом делителя 14 напряжения.
Количество транзисторов токового ключа 7, соединенных по схеме Дарлингтона, зависит от соотношения тока в цепи излучателя 11 к выходному току второго выхода блока 1 обработки и управления. Как правило, такое соотношение равняется 400-800, поэтому достаточно двух транзисторов.
Пример выполнения токового ключа 7 на биполярных n-р-n транзисторах 15 и 16 приведен на чертеже.
Согласно известным вариантам реализации составного транзистора по схемам Дарлингтона коллекторы этих транзисторов 15 и 16 могут быть соединены между собой и через первый выход токового ключа 7 подключены к катоду излучателя 11. Анод излучателя 11 через второй выход токового ключа 7 и второй вывод электропитания этого же токового ключа 7 соединен со вторым выводом второго конденсатора 10. Коллектор транзистора 15 может не соединяться с катодом излучателя 11, а подключаться непосредственно к второму выводу второго конденсатора 10. Токовый ключ 7 может быть выполнен также на биполярных р-n-р транзисторах и на композиции р-n-р и n-р-n транзисторов, соединенных по известным схемам транзисторов Дарлингтона с общим коллектором.
Дымовой пожарный извещатель работает следующим образом. При подаче напряжения питания на входные клеммы 5 и 6 через элемент 4 односторонней проводимости и ограничитель 8 тока и напряжения осуществляется заряд первого и второго конденсаторов 9 и 10. Элемент 4 односторонней проводимости осуществляет защиту других элементов дымового пожарного извещателя при ошибочном подключении полярности напряжения питания шлейфа пожарной сигнализации. Пока напряжение на выводах питания недостаточное для нормальной работы блока 1 обработки и управления, на его обоих выходах удерживаются низкие потенциальные уровни, поэтому будут выключены формирователь 2 сигнала регистрации дыма и токовый ключ 7. Индикатор 3 не будет светиться. После выхода на минимальное значение рабочего напряжения блок 1 обработки и управления осуществляет задержку начала работы при минимальном значении тока потребления. Эта задержка обеспечивает гарантированный выход напряжения на первом конденсаторе 9 на значение, которые не превосходит максимально возможное значение рабочего напряжения блока 1 обработки и управления. Накопленный на втором конденсаторе 10 заряд будет обеспечивать последующую стабильную работу излучателя 11. После этой задержки импульсы стабильной амплитуды продолжительностью несколько десятков микросекунд будут поступать на вход токового ключа 7 с периодичностью около 1 с. Токовый ключ 7 обеспечивает не только формирование импульсов тока стабильной амплитуды через излучатель 11 при постоянной температуре окружающей среды, но и увеличение этого тока при росте температуры.
При постоянной температуре окружающей среды токовый ключ 7 обеспечивает разряд второго конденсатора 10 стабильной величиной тока через излучатель 11. Величина этого тока практически не будет зависеть от колебания напряжения на втором конденсаторе 10, а также от значения прямого падения напряжения на излучателе 11. Величина напряжения, на которое будет разряжаться второй конденсатор 10, будет зависеть от продолжительности и периода импульсов, которые появляются на втором выходе блока 1 обработки и управления, а также от соотношения тока заряда второго конденсатора 10 через ограничитель 8 тока и напряжения к току разряда этого конденсатора 10 через токовый ключ 7. Таким образом, напряжение, которое установится в дежурном режиме работы на втором конденсаторе 10, будет обеспечивать необходимые падения напряжений на эмиттерном резисторе 17, на излучателе 11, а также активный режим работы транзисторов 15 и 16. За счет использования двух накопительных конденсаторов 9 и 10, а также раздельных цепей их заряда от ограничителя 8 тока и напряжения обеспечивается стабильная работа извещателя. Кратковременные провалы напряжения на выводах второго конденсатора 10 в моменты его разряда токовым ключом 7 не изменят разности потенциалов на выводах первого конденсатора 9, т.е. между выводами электропитания блока 1 обработки и управления.
Рассеянное оптической камерой 12 со светопоглощающими стенками инфракрасное излучение излучателя 11 поступает на фотоприемник 13 и обрабатывается блоком 1 обработки и управления. Сигнал, который поступает на вход блока 1 обработки и управления, будет существенным образом зависеть от оптической плотности воздуха в оптической камере 12. Так при абсолютной прозрачности воздуха на выходе фотоприемника 13 будет присутствовать фоновый сигнал – импульсы малой амплитуды, так как будет иметь место некоторое отражение от стенок оптической камеры 12. По мере увеличения оптической плотности воздуха в оптической камере 12 будет увеличиваться амплитуда импульсов на выходе фотоприемника 13. Пока амплитуда этих импульсов не достигнет установленного предельного значения, состояние на выходах блока 1 обработки и управления не будет изменяться. На входе формирователя 2 сигнала регистрации дыма будет оставаться низкий потенциальный уровень, поэтому индикатор 3 будет оставаться отключенным. Извещатель будет оставаться в дежурном режиме работы, потребляя от шлейфа пожарной сигнализации ток, величина которого ограничена ограничителем 8 тока и напряжения.
Если амплитуда импульсов на выходе фотоприемника 13 превысит предельное значение и если такой уровень сигнала появится на входе блока 1 обработки и управления подряд несколько раз, например 4, то состоится изменение состояний на его выходах. На первом выходе появится высокий потенциальный уровень, по которому откроется формирователь 2 сигнала регистрации дыма, через формирователь 2 и индикатор 3 будет протекать ток, который обеспечит формирование в шлейфе пожарной сигнализации состояния «ПОЖАР». На втором выходе блока 1 обработки и управления установится низкий потенциальный уровень. Токовый ключ 7 будет закрыт. Второй конденсатор 10 не будет разряжаться через излучатель 11, однако напряжение на втором конденсаторе 10 не будет расти, так как резко уменьшается разность потенциалов между клеммами 5 и 6 благодаря току, который протекает через формирователь 2. Если это падание напряжения будет превышать минимальное значение рабочего напряжения блока 1 обработки и управления, то извещатель будет находиться в состоянии «ПОЖАР» бесконечно долго. Вывести извещатель из этого состояния возможно только отключением напряжения питания шлейфа пожарной сигнализации (напряжение между входными клеммами 5 и 6) на время, которое достаточное для разряда первого конденсатора 9 до величины, при которой на входах электропитания блока 1 обработки и управления установится напряжение ниже минимального значения.
За счет введения делителя 14 напряжения с фиксированным коэффициентом деления на эмиттерном резисторе 17 устанавливается расчетное падение напряжения при нормальной температуре окружающего воздуха. Условие для расчета этого напряжения выбирается таким, чтобы отношение суммарной температурной нестабильности напряжения база – эмиттер транзисторов 15 и 16 к падению напряжения на эмиттерном резисторе 17 равнялось абсолютному значению температурного коэффициента мощности излучателя 11. Уменьшение мощности излучения излучателя 11 с ростом температуры, как правило, составляет около 1% на каждый °С [Иванов В.И. и др. Полупроводниковые оптоэлектронные приборы: Справочник М.: Энергоатомиздат, 1988, с. 71]. При такой зависимости увеличение температуры окружающего воздуха на 30°С приводит к потере чувствительности извещателей без температурной компенсации на 30%, что составляет половину допустимой температурной нестабильности чувствительности дымовых пожарных извещателей согласно нормативных документов ДСТУ EN54-7:2004 и НПБ 65-97. Известно также, что температурная нестабильность одного перехода база – эмиттер транзистора из кремния составляет 2,1 мВ на каждый °С [Хоровиц П., Хилл У. Искусство схемотехники, т.1, с.115]. Таким образом, при термостабильной амплитуде импульсов на выходе блока 1 обработки и управления и двухтранзисторной схеме Дарлингтона для полной компенсации уменьшения мощности излучателя 11 падение напряжения на эмиттерном резисторе 17 должно составляет около 0,42 В.
Новый элемент – делитель 14 напряжения – широко известный. Другие элементы соответствуют прототипу. Блок 1 обработки и управления с малым потреблением тока может быть такой же, как и в прототипе, выполненный на микросхеме МС145010 фирмы «Motorola» или выполненный на микроконтроллерах фирм MICROCHIP, ATMEL и других.
Формула изобретения
Дымовой пожарный извещатель, который содержит блок обработки и управления, первый выход которого соединен с входом формирователя сигнала регистрации дыма, к выходу которого подключен оптический индикатор, первый вход электропитания формирователя сигнала регистрации дыма через элемент односторонней проводимости соединен с первой входной клеммой, а второй вход электропитания – со второй входной клеммой, к которой подключены первые выводы электропитания блока обработки и управления, токового ключа, ограничителя тока и напряжения, а также первые выводы первого и второго конденсаторов, второй вывод электропитания блока обработки и управления подключен к второму выводу первого конденсатора и к первому выходу ограничителя тока и напряжения, второй выход которого соединен со вторым выводом второго конденсатора и вторым выводом электропитания токового ключа, к выходам которого подключен излучатель, который оптически связан через оптическую камеру со светопоглощающими стенками с фотоприемником, выход которого подключен к входу блока обработки и управления, дополнительно содержит делитель напряжения, вход которого соединен со вторым выходом блока обработки и управления, а выходы делителя напряжения соединены с соответствующими входами токового ключа, который выполнен на биполярных транзисторах соединенных по схеме Дарлингтона, а коэффициент деления делителя напряжения устанавливается таким, чтобы при термостабильной амплитуде импульсов на втором выходе блока обработки и управления соотношение суммарной температурной нестабильности напряжения база – эмиттер транзисторов токового ключа к падению напряжения на эмиттерном резисторе токового ключа равнялось по модулю температурному коэффициенту мощности излучателя.
РИСУНКИ
|
|