|
|
(21), (22) Заявка: 2006100282/09, 10.01.2006
(24) Дата начала отсчета срока действия патента:
10.01.2006
(46) Опубликовано: 20.09.2007
(56) Список документов, цитированных в отчете о поиске:
RU 2262744 C1, 20.10.2005. RU 2208815 C2, 20.07.2003. RU 2242799 С1, 20.12.2004. US 6094991 А, 01.08.2000. ЕР 1560042 А2, 03.08.2005. Справочник по основам радиолокационной техники. /Под ред. В.В.ДРУЖИНИНА. – М.: Воениздат, 1967, с.651.
Адрес для переписки:
442965, Пензенская обл., г. Заречный, пр-кт Мира, корп.1, ФГУП “НИКИРЭТ”
|
(72) Автор(ы):
Первунинских Вадим Александрович (RU), Лебедев Лев Евгеньевич (RU), Иванов Владимир Эристович (RU), Прыщак Алексей Валерьевич (RU), Москалянов Евгений Владимирович (RU), Егоров Александр Николаевич (RU), Савельева Ирина Викторовна (RU)
(73) Патентообладатель(и):
Федеральное государственное унитарное предприятие “Научно-исследовательский и конструкторский институт радиоэлектронной техники” ФГУП “НИКИРЭТ” (RU)
|
(54) СЕЙСМИЧЕСКОЕ УСТРОЙСТВО ОБНАРУЖЕНИЯ ДВИЖУЩИХСЯ ОБЪЕКТОВ
(57) Реферат:
Изобретения относятся к устройствам тревожной сигнализации, сигнализирующим о вторжении движущихся нарушителей на охраняемую территорию по факту обнаружения характерных механических колебаний грунта. Устройство состоит из одного или группы сейсмоприемников, установленных в грунт, которые объединены двухпроводной линией связи с пультом управления. Анализатор сейсмосигнала, формирует сигнал срабатывания при появлении нарушителей в зоне обнаружения сейсмоприемника. Передача информации от сейсмоприемников к пульту управления и наоборот осуществляется посредством цифровой последовательной двунаправленной приемо – передачи информации на основе позиционно-временного кода. Достигаемыми техническими результатами изобретения являются: повышение надежности устройства за счет обеспечения возможности изменения чувствительности сейсмоприемников, обеспечения адресного приема сигналов от разных сейсмоприемников и получения информации для селекции движущихся объектов по массе. 3 з.п. ф-лы, 15 ил.
Изобретения относятся к устройствам тревожной сигнализации, сигнализирующим о вторжении нарушителей (людей, транспортных средств) на охраняемую территорию по факту обнаружения характерных механических колебаний грунта, создаваемых при движении нарушителей.
Общеизвестны сейсмометрические способы и устройства обнаружения нарушителей, заключающиеся в преобразовании механических колебаний грунта в аналоговый электрический сигнал, в анализе спектра частот электрического сигнала и выделении характерного полезного сигнала, в сравнении амплитуд полезного сигнала с заданным пороговым уровнем и в формировании сигнала тревоги по превышению порогового уровня амплитудой полезного сигнала. В качестве чувствительного элемента применяют «точечные» сейсмоприемники (сейсмодатчики, сейсмодетекторы, геофоны и т.п.), заглубленные под поверхность грунта и формирующие зоны обнаружения нарушителя с некоторым радиусом R. Следует отметить, что радиус зоны обнаружения R «точечного» сейсмоприемника связан с типом и структурой грунта (каменистый, песчаный и т.д.), а также с его состоянием (сухой, влажный) и может быть изменен в определенных пределах путем изменения коэффициента усиления аналогового тракта устройства. На протяженных рубежах (периметрах) охраны в качестве чувствительного элемента используют «сейсмокосы», в состав которых входит группа устанавливаемых вдоль рубежа сейсмоприемников, каждый из которых соединен отдельной проводной линией связи, а все линии связи объединены в общий жгут или многожильный кабель. Иногда применяют протяженные сейсмолинии, в которых «точечные» сейсмоприемники соединены двухпроводной линией связи (например, коаксиальным кабелем). Для исключения эффекта влияния (шунтирования) соседних сейсмоприемников друг на друга, обычно используют сейсмоприемники с большим выходным сопротивлением, что не всегда является приемлемым из-за токовых «утечек», связанных, например, с изменением сопротивления изоляции кабеля. Учитывая, что уровень аналогового сигнала на выходе сейсмоприемника невелик, то на стабильность характеристик сейсмолинии в этом случае влияют также разбросы емкостей и индуктивностей составляющих элементов.
Преобразование механических колебаний грунта в электрический сигнал в сейсмоприемниках может быть основано на различных физических принципах, например, электромагнитном, емкостном, тензорезистивном, пьезорезистивном, магнитоэлектрическом, волоконнооптическом, пьезоэлектрическом или комбинированном. Наибольшее распространение в практике охраны получили электромагнитные и пьезоэлектрические сейсмоприемники ввиду простоты конструкции и низкой стоимости.
Общий существенный недостаток общеизвестных способов и устройств состоит в повышенной частоте ложных тревог и пропусков нарушителей, а также в отсутствии точного указания места вторжения движущихся нарушителей в зону обнаружения из-за отсутствия адресных признаков в тревожных сигналах. Общим недостатком является громоздкость «сейсмокос» из-за использования многожильных кабельных линий связи и низкая их ремонтопригодность (и как следствие – высокая стоимость изделий и стоимость проведения ремонта). Одинаковая чувствительность сейсмоприемников в составе «сейсмокос» или сейсмолиний приводит на некоторых участках охраняемых рубежей к заниженной или завышенной чувствительности и, соответственно, к ухудшению характеристик обнаружения и помехоустойчивости. Одинаковая чувствительность сейсмоприемников приводит также к недостаточной гибкости при эксплуатации изделий на местности и затрудняет настройку (подстройку) сейсмоприемников к типу грунта и изменениям его состояния от климатических факторов.
К общеизвестным устройствам можно отнести, например, известное «Устройство и способ обнаружения проникновения человека через контур запрещенной зоны», описанное в патенте RU №2209467, МПК G08B 13/16, опубл. 2003 г. и содержащее расположенные по контуру сейсмоприемники, включающие в себя сейсмические датчики в виде геофонов, предварительные дифференциальные и парафазные усилители, соединенные протяженным кабелем с пультом постовым, содержащим приемные модули информации со вторыми дифференциальными усилителями и частотными фильтрами, систему цифровой обработки и блок питания постоянного электрического тока. В этом устройстве соединение пульта постового с каждым сейсмоприемником осуществлено парой жил кабеля связи. В пульте постовом для каждого сейсмоприемника используются отдельные приемные модули информации (по числу сейсмоприемников).
Сходными существенными признаками заявленных нами изобретений и вышеупомянутого известного устройства являются: сейсмоприемники, предварительные усилители, пульт постовой, содержащий систему цифровой обработки.
Недостатком известного устройства является низкая помехозащищенность, вызванная использованием протяженных линий связи от удаленных сейсмоприемников до пульта постового, в которых в качестве защиты используется только дифференциальный прием парафазных аналоговых сигналов малой амплитуды. Недостатком этого устройства является также громоздкость и большая стоимость кабельных или проводных линий связи, связанных с индивидуальной прокладкой двухпроводных жил к каждому сейсмоприемнику от пульта постового.
Упомянутые недостатки частично устраняются в другом, близком по технической сущности к заявленным нами изобретениями, известном “Устройстве обнаружения вторжения с зонами идентификации и с распознаванием шумовых воздействий”, описанном в патенте US №4591834, МКИ G08B 13/22, опубл. 1986 г. Это устройство содержит пространственную матрицу из нескольких сейсмолиний, распределенных в охраняемом пространстве по зонам обнаружения, анализатор сигнала (сигнальный процессор), схему передатчика связи, схему звукового и тревожного приема и двухпроводную линию связи. Каждая сейсмолиния содержит три группы сейсмоприемников, связанных между собой. Одна группа предназначена для обнаружения сигнала вторжения, две другие группы предназначены для оценки и распознавания шумовых воздействий. Все сейсмоприемники каждой сейсмолинии конструктивно соединены общим многожильным кабелем, образуя «сейсмокосу». Причем сейсмоприемники обнаружения сигналов вторжения и сейсмоприемники распознавания шумовых воздействий определенным образом чередуются вдоль рубежа охраны.
Анализатор сигнала (сигнальный процессор) содержит: мультиплексор обнаружения вторжения; мультиплексор распознавания; фильтр; детектор огибающей (rectifier amp); первый и второй усилители – фильтры; первый, второй и третий компараторы (threshold detector); первый, второй и третий одновибраторы (pulse stretcher & delay); исполнительное сигнализационное устройство (relay driver, output relay, alarm); генератор импульсов; счетчик зон, индикатор зон (BCD/decimal decoder, zone reset switch); суммирующий усилитель; интегратор (rectifier & integrator network); усилитель; счетчик импульсов; включатель (задатчик) счета (count switch); элемент И; элемент И-НЕ; элемент ИЛИ; первый и второй элементы ИЛИ-НЕ; выходной ключ (output latch); первый и второй задатчики пороговых уровней. Схема передатчика связи содержит элементы кодирования тревожных сообщений и номеров зон обнаружения с помощью частотно – модулированных импульсных посылок и приемопередатчик, выполненный на основе выходного усилителя и разделяющего трансформатора. Схема звукового тревожного приема содержит приемопередатчик на основе усилителя и разделяющего трансформатора, тональные декодеры, звуковые и цифровые индикаторы тревожных сообщений и номеров зон обнаружения. С помощью известного устройства обеспечивается как охрана площадей, так и охрана периметров объектов. Площадь или периметр объекта охраны делится на зоны, в каждой из которых устанавливаются сейсмолинии. В каждой сейсмолинии одна группа сейсмоприемников обеспечивает обнаружение вторжения человека – нарушителя, две другие группы сейсмоприемников обеспечивают распознавание шумовых воздействий. Принцип обнаружения вторжения осуществляется путем последовательного во времени переключения зон обнаружения и анализа состояния трех групп сейсмоприемников сейсмолинии в каждой зоне по двум отдельным каналам – обнаружения и распознавания. При отсутствии сигналов сейсмического воздействия с помощью генератора импульсов, счетчика и мультиплексоров осуществляют циклический мониторинг состояния зон обнаружения в «быстром режиме». При обнаружении сейсмического воздействия в любой из контролируемых зон, счет импульсов прекращается на заданное время «окна анализа» этой зоны. При накоплении определенного числа импульсов воздействия в «окне анализа», счетчик импульсов формирует сигнал тревоги. При этом схема передатчика связи передает на пульт управления по двухпроводной линии связи тонально – кодированные сообщения о тревожном состоянии в зоне обнаружения с указанием номера зоны. Схема звукового и тревожного приема пульта управления осуществляет звуковую и цифровую индикацию тревожного сообщения.
Сходными признаками заявленных нами изобретений и известного устройства являются: сейсмолиния, содержащая группу сейсмоприемников, установленных в грунт, пульт управления с исполнительным сигнализационным устройством, приемопередатчики сигналов схемы передатчика связи и схемы звукового и тревожного приема, двухпроводная линия связи, а также анализатор сигнала, содержащий первый и второй компараторы, первый и второй одновибраторы, суммирующий усилитель, генератор импульсов, интегратор, усилитель, фильтр и детектор огибающей.
К недостаткам известного устройства следует отнести высокую стоимость изделия из-за сложности и громоздкости его чувствительных элементов. Использование трех сейсмолиний для контроля каждой из охраняемых зон требует применения дорогостоящих кабельных линий связи. При этом ухудшается ремонтопригодность сейсмолиний и отдельных сейсмоприемников.
Упомянутый недостаток частично устраняется в наиболее близком по технической сущности к заявленным нами изобретениям, в другом «Сейсмическом устройстве обнаружения нарушителя», описанном в патенте RU №2262744, МПК G08B 13/22, опубл. 20.10.2005 г. Первый вариант этого устройства содержит сейсмолинию, содержащую группу сейсмоприемников, установленных в грунт вдоль охраняемого рубежа. Сейсмоприемники с помощью двухпроводной линии связи подключены к первому блоку электронному (пульту управления), содержащему последовательно соединенные балансировочный усилитель, анализатор сигнала и исполнительное сигнализационное устройство. Анализатор сигнала содержит первый, второй, третий и четвертый компараторы, первый и второй одновибраторы, суммирующий усилитель, генератор импульсов, элемент ИЛИ, последовательно соединенные интегратор и усилитель, последовательно соединенные фильтр и детектор огибающей, первый селектор длительности, первый сдвигающий регистр и аналоговый сумматор, группа входов которого подключена к группе выходов первого сдвигающего регистра, первые входы первого и второго компараторов объединены и подключены ко входу фильтра, а их вторые входы подключены, соответственно, к первому и второму источникам положительного и отрицательного постоянного напряжения, выходы первого и второго компараторов подключены, соответственно, к первому и второму входам элемента ИЛИ, третий вход которого подключен к выходу четвертого компаратора, а его выход – к входу первого одновибратора, выход которого подключен к входу исполнительного устройства и является первым выходом анализатора сигнала, первый вход четвертого компаратора подключен к выходу аналогового сумматора, а его второй вход – к третьему источнику положительного постоянного напряжения, вход интегратора подключен к выходу детектора огибающей, первый вход суммирующего усилителя подключен к выходу усилителя, его второй вход подключен к четвертому источнику положительного постоянного напряжения, а его выход – к второму входу третьего компаратора, выход которого подключен к первому входу первого селектора длительности, второй вход которого подключен к выходу генератора импульсов и является вторым выходом анализатора сигнала, а его выход подключен к входу второго одновибратора, выход которого подключен к первому входу первого сдвигающего регистра, второй вход которого подключен к выходу генератора импульсов. Сейсмолиния содержит группу сейсмоприемников, каждый из которых содержит развязывающий резистор, последовательно соединенные чувствительный элемент, согласующий усилитель, полосовой фильтр и нормирующий усилитель, выход которого через развязывающий резистор подключен к одной сигнальной линии связи, которая с одной стороны сейсмолинии является ее выходом, а с другой стороны – через токозадающий резистор соединена с шиной питания первого варианта устройства, которая подключена к источнику положительного постоянного напряжения, цепи питания каждого сейсмоприемника подключены, соответственно, к шине питания первого варианта устройства и к шине нулевого потенциала.
Работа первого варианта известного устройства заключается в обнаружении установленной в грунт сейсмолинией характерных сейсмических сигналов, их фильтрации с целью выделения максимальной энергии сигнала, создаваемого движущимся нарушителем, анализе структуры сигнала анализатором сигнала и формировании исполнительным сигнализационным устройством (пульта управления) сигнала срабатывания (тревожного сообщения о пересечении рубежа охраны движущимся нарушителем). Балансировочный усилитель служит для согласования уровней сигнала сейсмолинии с диапазоном входных сигналов анализатора сигналов и обеспечения контроля целостности проводной линии связи, соединяющей сейсмоприемники в сейсмолинии. В анализаторе сигналов происходит дальнейшая фильтрация сигналов в полосе частот с выделением полезной составляющей аналогового сигнала, детектирование огибающей сигнала и сравнение выбросов аналогового сигнала с медленно изменяющимся пороговым уровнем, отслеживающим шумовую составляющую аналогового тракта. При превышении выбросов сигнала порогового уровня на выходе первого компаратора формируются импульсные сигналы с амплитудами уровня логической единицы, которые селектируются и нормируются по длительности. Далее эти импульсы («маркеры сейсмического воздействия») поступают на вход группы элементов, реализующих функцию выделения определенного уровня сигнала в «скользящем временном окне». Этот уровень пропорционален числу маркеров сейсмического воздействия в «скользящем временном окне» и является признаком наличия движущегося объекта в зоне обнаружения сейсмолинии. При обнаружении движущегося нарушителя в анализаторе сигнала формируется сигнал срабатывания определенной длительности (как правило, 3-4 с из условия сопряжения с большинством систем сбора и обработки информации), который приводит в действие исполнительное сигнализационное устройство (пульта управления).
Сходными признаками заявленных нами изобретений и известного устройства являются: пульт управления с встроенным исполнительным сигнализационным устройством и сейсмоприемник, размещаемый на охраняемом рубеже и содержащий анализатор сейсмосигнала, а также последовательно соединенные через первые выходы и входы чувствительный элемент, согласующий усилитель, полосовой фильтр и нормирующий усилитель, первый и второй входы/выходы сейсмоприемника соединены с первым и вторым входом/выходами пульта управления с помощью двухпроводной линии связи.
В анализаторе сейсмосигнала – первый одновибратор, последовательно соединенные фильтр и детектор огибающей, последовательно соединенные интегратор и усилитель, суммирующий усилитель, первый вход которого подключен к выходу усилителя, а второй его вход подключен к первому источнику положительного постоянного напряжения, выход суммирующего усилителя подключен к второму входу первого компаратора, первый его вход подключен к выходу детектора огибающей и к входу интегратора, выход первого компаратора подключен к первому входу первого селектора длительности, второй его вход подключен к выходу генератора импульсов и к второму входу первого сдвигающего регистра, выход первого селектора длительности через второй одновибратор подключен к первому входу первого сдвигающего регистра, группа выходов которого подключена к группе входов аналогового сумматора, выход которого подключен к первому входу второго компаратора, второй вход которого подключен к второму источнику положительного постоянного напряжения.
Известное устройство имеет следующие недостатки. Во-первых, все сейсмоприемники СП1…СПn имеют одинаковую чувствительность, что ограничивает применение устройства на участках местности, имеющих различное локальное состояние грунта (например, песчаный грунт и по соседству – каменистый). Во-вторых, отсутствует адресность сигналов от разных сейсмоприемников сейсмолинии, что не позволяет определить место пересечения охраняемого рубежа движущимся нарушителем. В-третьих, отсутствует информация, позволяющая селектировать движущие объекты по массе (например, человек и транспортное средство). Перечисленные недостатки в целом сужают область применения известного устройства в системах охранной сигнализации.
Целью настоящего изобретения является устранение вышеперечисленных недостатков и расширение за счет этого функциональных возможностей заявленных изобретений.
Для достижения этой цели в известное техническое решение введены новые существенные признаки, функциональные элементы и связи, которые позволяют повысить функциональную надежность, во-первых, за счет обеспечения возможности установки у разных сейсмоприемников различной чувствительности, во-вторых, за счет обеспечения адресного приема сигналов от разных сейсмоприемников, и в-третьих, за счет получения информации, позволяющей селектировать движущиеся объекты по массе, а в целом – расширить функциональные возможности устройства.
Расширение функциональных возможностей устройства достигнуто, во-первых, в предложенном первом варианте устройства, которое содержит пульт управления с встроенным исполнительным сигнализационным устройством и сейсмоприемник, размещаемый на охраняемом рубеже и содержащий анализатор сейсмосигнала, а также последовательно соединенные через первые выходы и входы чувствительный элемент, согласующий усилитель, полосовой фильтр и нормирующий усилитель, первый и второй входы/выходы сейсмоприемника соединены с первым и вторым входом/выходами пульта управления с помощью двухпроводной линии связи, при этом в сейсмоприемник введены линейный контроллер и линейный приемопередатчик, а в пульт управления – центральный контроллер и центральный приемопередатчик, в сейсмоприемнике выход анализатора сейсмосигнала подключен к первому входу линейного контроллера, выход которого подключен к первому входу линейного приемопередатчика, первый и второй входы/выходы которого являются, соответственно, первым и вторым входами/выходами сейсмоприемника, в пульте управления его первый и второй входы/выходы являются, соответственно, первым и вторым входами/выходами центрального приемопередатчика, выход которого подключен к входу центрального контроллера, первая группа выходов которого подключена к группе входов исполнительного сигнализационного устройства.
Анализатор сейсмосигнала содержит первый одновибратор, последовательно соединенные фильтр и детектор огибающей, последовательно соединенные интегратор и усилитель, суммирующий усилитель, первый вход которого подключен к выходу усилителя, а второй его вход подключен к первому источнику положительного постоянного напряжения, выход суммирующего усилителя подключен к второму входу первого компаратора, первый его вход подключен к выходу детектора огибающей и к входу интегратора, выход первого компаратора подключен к первому входу первого селектора длительности, второй его вход подключен к выходу генератора импульсов и к второму входу первого сдвигающего регистра, выход первого селектора длительности через второй одновибратор подключен к первому входу первого сдвигающего регистра, группа выходов которого подключена к группе входов аналогового сумматора, выход которого подключен к первому входу второго компаратора, второй вход которого подключен к второму источнику положительного постоянного напряжения, при этом выход второго компаратора подключен к входу первого одновибратора, выход которого является выходом анализатора сейсмосигнала.
Во-вторых, расширение функциональных возможностей устройства достигнуто в предложенном втором варианте устройства, в котором дополнительно к первому варианту устройства нормирующий усилитель, входящий в состав сейсмоприемника, выполнен с возможностью регулирования коэффициента усиления по второму и третьему его входам, которые подключены, соответственно, к второму и третьему выходам линейного контроллера, второй вход линейного контроллера подключен к первому выходу линейного приемопередатчика, в пульте управления второй выход центрального контроллера подключен к первому входу центрального приемопередатчика.
В-третьих, расширение функциональных возможностей устройства достигнуто в предложенном третьем варианте устройства, в котором дополнительно к первому или второму варианту устройства введена группа сейсмоприемников, размещаемых на охраняемом рубеже, первые и вторые входы/выходы каждого из которых параллельно подключены через двухпроводную линию связи к первому и второму входу/выходу пульта управления, при этом, каждый сейсмоприемник формирует с пультом управления индивидуальный канал связи посредством цифровой последовательной двунаправленной приемо – передачи информации с разделением каналов связи на основе позиционно-временного кода.
В-четвертых, расширение функциональных возможностей устройства достигнуто в предложенном четвертом варианте устройства, в котором в отличие от третьего варианта устройства функции анализатора сейсмосигнала выполняет микроконтроллер или программируемая логическая интегральная схема (ПЛИС), функции исполнительного сигнализационного устройства выполняет решающий блок на основе микроконтроллера, ПЛИС или персональной ЭВМ, в качестве индивидуального канала связи используется CAN – интерфейс в соответствии со стандартом ISO 11899 или ISO 11992, при этом функции центрального и линейных контроллеров выполняют CAN – контроллеры, а функции центрального и линейных приемопередатчиков выполняют CAN – трансиверы.
Сущность изобретений поясняется фиг.1-15, на которых изображено следующее.
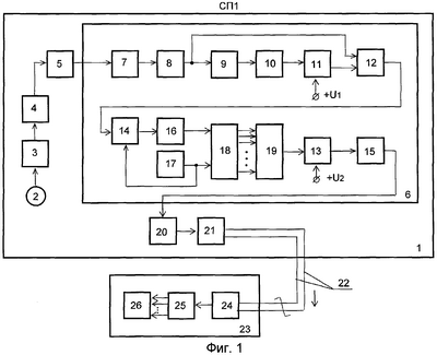
На фиг.1 приведена структурная схема первого варианта сейсмического устройства обнаружения движущихся нарушителей и анализатора сейсмосигнала, где введены обозначения: сейсмоприемник – 1, в состав которого входят: чувствительный элемент – 2, согласующий усилитель – 3, полосовой фильтр – 4, нормирующий усилитель – 5, анализатор сейсмосигнала – 6, в состав которого входят: фильтр – 7, детектор огибающей – 8, интегратор – 9, усилитель – 10, суммирующий усилитель – 11, первый и второй компараторы – 12 и 13 соответственно, первый селектор длительности – 14, первый и второй одновибраторы – 15 и 16 соответственно, генератор импульсов – 17, первый сдвигающий регистр – 18, аналоговый сумматор – 19; линейный контроллер – 20; линейный приемопередатчик – 21; двухпроводная линия связи – 22; пульт управления – 23, в состав которого входят: центральный приемопередатчик – 24, центральный контроллер – 25, исполнительное сигнализационное устройство – 26.
На фиг.2 приведена структурная схема второго варианта сейсмического устройства обнаружения движущихся нарушителей, на которой изображены сейсмоприемник 1 и пульт управления 23, соединенные двухпроводной линией связи 22. В составе сейсмоприемника 1 второго варианта устройства приведен пример реализации нормирующего усилителя 5, содержащего операционный усилитель – 27 с резисторами – 28, 29, задающими коэффициент усиления операционного усилителя, а также изображены линейный контроллер 20, содержащий передающий блок – 30 и приемный блок – 31, и линейный приемопередатчик 21, содержащий передающий усилитель – 32 и приемный усилитель – 33. В составе пульта управления 23 второго варианта устройства изображены: исполнительное сигнализационное устройство 26, центральный контроллер 25 с передающим блоком 30 и приемным блоком 31, а также центральный приемопередатчик 24 с передающим усилителем 32 и приемным усилителем 33.
На фиг.3 приведена структурная схема третьего варианта сейсмического устройства обнаружения движущихся нарушителей, в состав которого входит группа сейсмоприемников 1 (от двух до n), соединенных двухпроводной линией связи 22 с пультом управления 23.
На фиг.4 приведена структурная схема четвертого варианта сейсмического устройства обнаружения движущихся нарушителей с использованием в составе четвертого варианта устройства элементов и изделий с большой степенью интеграции (микроконтроллеров, ПЛИС, ПЭВМ), реализующих основные его функции. В качестве интерфейса связи группы сейсмоприемников 1 с пультом управления 23 приведен пример использования CAN – интерфейса, аппаратная реализация которого выполнена путем применения CAN – контроллеров и CAN – трансиверов.
На фиг.5 приведен пример расположения первого или второго вариантов устройства на объекте охраны. Показан установленный в грунте сейсмоприемник 1, соединенный двухпроводной линией связи (проводом П-274М) с пультом управления 23, закрепленным на отрезке трубы. Расположение первого и второго вариантов устройства изображено в двух видах (вид спереди и вид сверху). L – расстояние от сейсмоприемника до пульта управления, R – радиус зоны обнаружения сейсмоприемника. Корпус сейсмоприемника спресован горячим полиэтиленом под высоким давлением, что обеспечивает долговременную эксплуатацию сейсмоприемника в грунте.
На фиг.6 приведен пример расположения третьего или четвертого варианта устройства на объекте охраны. Показана установленная в грунт вдоль охраняемого рубежа группа сейсмоприемников 1, образующая сейсмолинию. Сейсмоприемники 1 соединены двухпроводной линией связи с пультом управления 23. Приведены два вида (вид спереди и вид сверху) третьего или четвертого варианта устройства. Соединение отрезков двухпроводной линии связи 22 между собой осуществляется методом пайки с последующей герметизацией или путем использования герметизированных контактных колодок.
На фиг.7 приведен пример расположения группы сейсмоприемников 1 на охраняемой площади (вид сверху).
На фиг.8 приведен пример расположения группы из трех сейсмоприемников 1 третьего или четвертого варианта устройства, установленных на охраняемом объекте. Сейсмоприемники 1 имеют разные чувствительности и связанные с этим разные радиусы R зон обнаружения. Групповое расположение сейсмоприемников 1 предназначено для идентификации разных по массе движущихся объектов (например, автомобиля и человека).
На фиг.9 приведен пример реализации передающего блока 30 линейного контроллера 20 и центрального контроллера 25. Передающий блок 30 содержит второй сдвигающий регистр – 34; первый управляемый генератор – 35; первый ключевой элемент – 36; согласующий резистор – 37; схему выделения переднего фронта – 38, в состав которой входят: первый элемент задержки – 39, первый инвертор – 40, первый элемент И – 41; элемент ИЛИ – 42; третий одновибратор – 43; выключатель кнопочный – 44 и первый задающий блок – 45, в состав которого входят переключатели (джамперы) – 46-51.
На фиг.10 приведен пример реализации приемного блока 31, применяемого в линейном контроллере 20 и центральном контроллере 25. Приемный блок 31 содержит третий сдвигающий регистр – 52; дешифратор – 53; второй селектор длительности – 54; четвертый и пятый одновибраторы – 55 и 56 соответственно; первый элемент ИЛИ – НЕ – 57; второй инвертор – 58; второй и третий управляемые генераторы – 59 и 60 соответственно; второй элемент задержки – 61; схему выделения заднего фронта – 62, в состав которой входят: третий инвертор – 63, третий элемент задержки – 64, второй элемент ИЛИ – НЕ – 65; цифроуправляемый резистор – 66; второй и третий ключевые элементы – 67 и 68 соответственно; второй элемент И – 69; схему сравнения – 70; второй задающий блок – 71. На фигуре также изображено подключение приемного блока 31 к исполнительному сигнализационному устройству 26, которое содержит индикатор 72.
На фиг.11 приведены временные диаграммы, поясняющие принцип работы первого, второго или третьего вариантов устройства при обнаружении движущегося человека – нарушителя через рубеж охраны. На временных диаграммах изображен пример формирования сейсмоприемником 1 сигнала срабатывания Т и передачи информации об адресе места срабатывания по двухпроводной линии связи в пульт управления 23. Временные диаграммы сигналов на выходах рассматриваемых элементов обозначены соответствующими им цифрами.
На фиг. 12 приведены временные диаграммы, поясняющие принцип работы четвертого варианта устройства при обнаружении человека – нарушителя и передачи информации в пульт управления 23 по CAN – интерфейсу. Временные диаграммы сигналов на выходах рассматриваемых элементов обозначены соответствующими цифрами.
На фиг.13 приведена блок-схема алгоритма обнаружения решающим блоком факта одновременного движения по охраняемой территории грузового автомобиля (бензовоза), легкового автомобиля и людей на примере задачи охраны крановой площадки трубопроводной магистрали от хищения нефтепродуктов.
На фиг.14 приведены временные диаграммы, поясняющие функционирование алгоритма обнаружения движущихся объектов, имеющих различную массу.
На фиг.15 приведен пример расположения третьего или четвертого варианта устройства на охраняемом объекте для обнаружения подкопа под инженерными сооружениями (зданиями, заграждениями и т.п.).
Первый вариант предложенного устройства (фиг.1) работает следующим образом.
В анализаторе сейсмосигнала 6 и чувствительный элемент 2 сейсмоприемника 1 (фиг.1) преобразует механические колебания грунта в электрический сигнал. Чувствительный элемент 2 может быть реализован на одном из физических принципов преобразования механических колебаний в электрический сигнал: пьезокерамическом, электромагнитном, емкостном, тензорезистивном, пьезорезистивном, магнитоэлектрическом, волоконнооптическом или комбинированном. В качестве чувствительного элемента 2 может быть использовано отдельное устройство, например, геофон, акселерометр или сейсмодатчик. Согласующий усилитель 3 предназначен для усиления электрического сигнала и устранения нежелательных смещений по постоянному току. Полосовой фильтр 4 и нормирующий усилитель 5 предназначены для выделения и согласования полезного сигнала с диапазоном входных воздействий анализатора сейсмосигнала 6, работа которого аналогична работе анализатора сигнала устройства – прототипа. В первом варианте устройства нормирующий усилитель 5 имеет постоянный коэффициент усиления и обеспечивает формирование зоны обнаружения нарушителя с некоторым радиусом R.
В анализаторе сейсмосигнала 6 происходит фильтрация сигнала с помощью фильтра 7, полоса прозрачности которого выбирается из условия выделения максимальной энергии сигнала, создаваемого движущимся объектом, и подавления нежелательных шумовых и помеховых воздействий. Форма сигналов с выхода фильтра 7, получаемых, например, при пересечении человеком – нарушителем охраняемого рубежа, приведена на фиг.11 (диаграмма 7). Детектор огибающей 8 выделяет огибающие полезного сигнала, которые поступают на вход интегратора 9 и на первый вход первого компаратора 12, на второй вход которого подается медленно изменяющийся (с постоянной времени от 0,5 до 1,5 мин) пороговый уровень, формируемый интегратором 9, усилителем 10 и суммирующим усилителем 11. Суммирующий усилитель 11 обеспечивает смещение этого уровня вверх на некоторую постоянную величину, обеспечивая тем самым определенное соотношение сигнал/шум аналогового тракта. Это соотношение может регулироваться за счет изменения порогового уровня +U1 и за счет изменения коэффициента усиления усилителя 10. На выходе первого компаратора 12 формируются импульсы превышения порогового уровня аналоговым сигналом. Далее эти импульсы проходят через первый селектор длительности 14, где «отсеиваются» короткие импульсы, а затем – через второй одновибратор 16, где эти импульсы нормируются по длительности. Пример формирования импульсов с выхода второго одновибратора 16 при шаговых воздействиях человека – нарушителя, пересекающего рубеж охраны, приведен на фиг.11 (диаграмма 16). В анализаторе сейсмосигнала 6 следующая группа элементов: генератор импульсов 17, первый сдвигающий регистр 18, аналоговый сумматор 19 и второй компаратор 13 реализуют функцию выделения определенного уровня сигнала в «скользящем временном окне». Режим «скользящего временного окна» обеспечивает первый сдвигающий регистр 18, на первый вход которого подаются импульсы с выхода второго одновибратора 16, которые можно трактовать как «маркеры сейсмического воздействия», а на второй его вход – тактовые импульсы с выхода генератора 17. «Маркеры сейсмического воздействия» последовательно продвигаются тактовыми импульсами в первом сдвигающем регистре 18, формируя на его группе выходов соответствующие импульсы сдвига, которые преобразуются аналоговым сумматором 19 в аналоговый сигнал, амплитуда которого пропорциональна числу «маркеров сейсмического воздействия». При превышении амплитуды аналогового сигнала заданного порогового уровня +U2, второй компаратор 13 формирует сигнал, который приводит к формированию первым одновибратором 15 сигнала срабатывания Т, который является выходным сигналом анализатора сейсмосигнала 6. Длительность сигнала Т выбирается из условия сопряжения с системами сбора и обработки информации (ССОИ), применяемых на объектах охраны, и составляет, как правило, 3 – 4 с. Сигнал срабатывания Т приведен на фиг.11 (диаграмма 15) и является выходным сигналом анализатора сейсмосигнала.
По началу сигнала срабатывания Т сейсмоприемник 1 инициирует процедуру передачи кода собственного адреса в пульт управления 23 (фиг.1). Одновременно, код адреса сейсмоприемника 1 является также и признаком сигнала срабатывания Т по этому адресу. Для организации передачи информации между сейсмоприемником 1 и удаленным от него на определенное расстояние пультом управления 23 используется двухпроводная линия связи 22 и каналообразующая приемопередающая аппаратура. Передающая часть сейсмоприемника 1 состоит из линейного контроллера 20 и линейного приемопередатчика 21. В состав приемной части пульта управления 23 входят центральный приемопередатчик 24 и центральный контроллер 25. Каналообразующая аппаратура и двухпроводная линия связи обеспечивают организацию интерфейса последовательной цифровой передачи информации. В зависимости от типа используемого интерфейса (RS-232, RS-485, CAN) линейный контроллер 20, центральный контроллер 25, линейный приемопередатчик 21 и центральный приемопередатчик 24 каналообразующей аппаратуры могут иметь различную структуру при сохранении общего функционального назначения. Принятый пультом управления 23 код адреса сейсмоприемника 1 (являющийся сигналом срабатывания этого сейсмоприемника) дешифрируется центральным контроллером 25 и поступает на вход исполнительного сигнализационного устройства 26, которое формирует сигнал тревоги. В качестве исполнительного сигнализационного устройства могут быть использованы механические или оптоэлектронные реле, звуковые или светоизлучающие (единичные или семисегментные) индикаторы. Таким образом, первый вариант устройства обеспечивает передачу сигналов срабатывания по двухнаправленной линии связи 22 в направлении от сейсмоприемника 1 к пульту управления 23 с указанием адреса сейсмоприемника.
Второй вариант предлагаемого устройства, в отличие от первого варианта, обеспечивает двунаправленную передачу информации по двупроводной линии связи (от сейсмоприемника 1 к пульту управления 23 – сигналов срабатывания с указанием адреса сейсмоприемника, от пульта управления 23 к сейсмоприемнику 1 – кода данных). В качестве передаваемых данных используется код коэффициента усиления нормирующего усилителя 5, который устанавливает определенный требуемый радиус зоны обнаружения R второго варианта устройства.
Структурная схема второго варианта устройства приведена на фиг.2. На структурной схеме каждый из применяемых контроллеров (линейный контроллер 20 и центральный контроллер 25) представлен состоящим из двух частей: передающего блока 30 и приемного блока 31. Линейный приемопередатчик 21 и центральный приемопередатчик 24 изображены на схеме в виде двунаправленных узлов, содержащих передающие 32 и приемные 33 усилители. На схеме приведен простейший пример реализации нормирующего усилителя 5, содержащего операционный усилитель 27 с резисторами 28 и 29. В отличие от первого варианта устройства, на фиг.2 изображены дополнительные связи между элементами 5-20, 20-21 и 24-25.
Второй вариант предложенного устройства (фиг.2) работает следующим образом. После установки (монтажа) устройства на охраняемом объекте с пульта управления 23 в сейсмоприемник 1, имеющий определенный адрес, заносится код коэффициента усиления нормирующего усилителя 5. Тем самым устанавливается требуемый радиус R зоны обнаружения второго варианта устройства. В рабочем режиме второй вариант устройства функционирует аналогично первому варианту устройства. Анализ сигналов в сейсмоприемнике 1, передача сигнала срабатывания при обнаружении нарушителя в пульт управления 23 и формирование исполнительным сигнализационным устройством 26 сигнала тревоги происходит аналогичным образом. Различия первого и второго вариантов устройства заключаются в отличии функционирования каналообразующей аппаратуры и приводятся далее по тексту. В целях унификации первого и второго вариантов устройства элементы каналообразующей аппаратуры 21, 24, 30 и 31 для каждого из вариантов устройства выбраны одинаковыми.
Рассмотрим принцип функционирования элементов каналообразующей аппаратуры первого и второго вариантов устройства на примере их реализации.
Приведем пример передачи адреса №5 (двоичного кода 0101) от сейсмоприемника 1 в пульт управления 23. Пример реализации передающего блока 30 приведен на фиг.9. Передающий блок 30 (фиг.9) преобразует цифровой параллельный двоичный код адреса (например, 0101) в последовательную старт – стопную комбинацию элементов, приведенную на фиг.11 (диаграмма 20). Стартовый элемент закодирован двумя нулевыми уровнями, а столовый элемент – двумя единичными уровнями. Основой преобразователя параллельного кода в последовательный является второй сдвигающий регистр 34, в который заносится по D-входам (D6…D9) собственный код адреса сейсмоприемника 1 с переключателей 49-51 первого задающего блока 45. Занесение собственного кода адреса осуществляется импульсом записи по V – входу каждый раз при поступлении в передающий блок 30 сигнала срабатывания Т с выхода первого одновибратора 15 анализатора сейсмосигнала 6. Импульс записи формируется схемой выделения переднего фронта 38 с помощью первого элемента задержки 39 сигнала на время 1, первого инвертора 40 и элемента И-41. Временные диаграммы формирования импульса записи приведены на фиг.11 (диаграммы 39 и 41). Последовательное продвижение информации внутри второго сдвигающего регистра 34 на его выход Q11 осуществляется тактовыми импульсами с первого управляемого генератора 35, поступающими на С – вход второго сдвигающего регистра 34. Первый ключевой элемент 36 разрешает прохождение информации с выхода второго сдвигающего регистра 34 на вход линейного приемопередатчика 21 и далее в двухпроводную линию связи 22 (фиг.11, диаграмма 21) в течение времени действия управляющего импульса с выхода первого элемента задержки 39 (фиг.11, диаграмма 41). Согласующий резистор 37 обеспечивает подачу в двухпроводную линию связи высокого уровня напряжения (+Епит) при закрытом состоянии первого ключевого элемента 36 во время отсутствия управляющего импульса.
Пример реализации приемного блока 31 приведен на фиг.10. Процедура приема кода адреса пультом управления 23 заключается в следующем. Информация из двухпроводной линии связи 22 посредством центрального приемопередатчика 24 поступает в приемный блок 31 центрального контроллера 25. Информация в приемном блоке 31 подается на вход второго селектора длительности 54 и D – вход третьего сдвигающего регистра 52, который выполняет в данном случае функцию преобразователя последовательного двоичного кода в параллельный цифровой код для индикации адреса сейсмоприемника 1. Прием и продвижение информации в третьем сдвигающем регистре 52 осуществляется импульсами, поступающими на его С – вход с выхода второго управляемого генератора 59 при наличии разрешающего сигнала нулевого уровня на R – входе третьего сдвигающего регистра (фиг.11, диаграмма 57). Управляемый генератор 59 формирует на своем выходе прямоугольные импульсы (меандр) определенной частоты (фиг.11, диаграмма 59) при наличии на его входе сигнала с уровнем логической единицы. Разрешающий сигнал формируется следующим образом. Стартовый элемент принятой комбинации выделяется вторым селектором длительности 54 по наличию кодового элемента сигнала нулевого уровня двойной длительности, при этом на выходе второго селектора длительности 54 формируется сигнал (фиг.11, диаграмма 54), который запускает четвертый одновибратор 55, формирующий в свою очередь импульс определенной длительности (фиг.11, диаграмма 55). Этот импульс участвует в формировании разрешающего сигнала для третьего сдвигающего регистра 52 и стробирующего импульса для записи параллельного цифрового кода в дешифратор 53. Для формирования этих двух импульсов используются первый элемент ИЛИ – НЕ 57, второй инвертор 58, а также схема выделения заднего фронта 62, в состав которой входят: третий инвертор 63, третий элемент задержки 64 (на время 2) и второй элемент ИЛИ – НЕ 65. Временное расположение импульсов приведено на фиг.11 (диаграммы 64 и 65). Группа элементов 69, 70, 71 предназначена для идентификации адреса сейсмоприемника 1. Принятый и зафиксированный в третьем сдвигающем регистре 52 код адреса (разряды Q6…Q9) сравнивается схемой сравнения 70 с кодом собственного адреса сейсмоприемника 1, заданным вторым задающим блоком 71. При совпадении кодов схема сравнения 70 выдает разрешающий сигнал А (сигнал опознания адреса), который поступает на управляющий вход второго элемента И 69 и разрешает прохождение кода данных (разряды Q2…Q5 третьего сдвигающего регистра 52) на вход дешифратора 53. Второй задающий блок 71 выполнен аналогично первому задающему блоку 45 за исключением числа разрядов кода при уменьшении их до числа разрядов кода адреса. Дешифратор 53 обеспечивает регистрацию кода адреса на семисегментном индикаторе 72 исполнительного сигнализационного устройства 26.
Рассмотрим теперь пример передачи данных от пульта управления 23 к сейсмоприемнику 1. Для обеспечения адресной передачи значений коэффициента усиления нормирующего усилителя 5 в передающем блоке 30 центрального контроллера 25 первый задающий блок 45 содержит две группы переключателей: для задания кода данных (переключатели 46-48) и задания кода адреса (переключатели 49-51). Переключателями 46-48 устанавливается цифровой код требуемого значения коэффициента усиления нормирующего усилителя 5. Элементы 42, 43 и 44 передающего блока 30 предназначены для обеспечения передачи цифрового кода коэффициента усиления для нормирующего усилителя 5 в неавтоматизированном (ручном) режиме при настройке устройства на объекте эксплуатации. Для обеспечения приема кода коэффициента усиления (в качестве кода данных) в приемном блоке 31 линейного контроллера 20 применена схема преобразования последовательного цифрового кода данных в некоторую величину отдельного дополнительного сопротивления, которое используется для регулирования общего коэффициента усиления нормирующего усилителя 5. В состав этой схемы входит группа элементов 56, 60, 61, 66-68, основным из которых является цифроуправляемый резистор 66. Информация, поступившая из двухпроводной линии связи на вход линейного приемопередатчика 21, преобразуется им к виду, который приведен на диаграмме 20 фиг.11. В приемном блоке 31 эта информация поступает на вход третьего сдвигающего регистра 52 и на вход цифроуправляемого резистора 66. Стартовый элемент принятой комбинации выделяется вторым селектором длительности 54 в виде сигнала (фиг.11, диаграмма 54), который задерживается вторым элементом задержки 61 на время 3 и запускает пятый одновибратор 56, который, в свою очередь, приводит в действие третий управляемый генератор 60. При воздействии импульсов, формируемых управляемым генератором (фиг.11, диаграмма 60), цифроуправляемый резистор 66 образует между своими двумя выходами резистор с определенной величиной сопротивления. После завершения идентификации адреса сейсмоприемника 1 и формировании разрешающего сигнала А открываются второй и третий ключевые элементы 67, 68 и образованный резистор с выхода приемного блока 31 подключается параллельно резистору 29 нормирующего усилителя 5 (фиг.2). Таким образом, может быть изменено соотношение сопротивлений резисторов 28 и 29 и установлено новое значение коэффициента усиления нормирующего усилителя 5. Следует отметить, что регулирование коэффициента усиления может выполняться как путем параллельного подключения добавочного сопротивления к резистору 29, так и путем включения добавочного сопротивления в цепь обратной связи последовательно с резистором 29. Цифроуправляемый резистор 66 является общеизвестным элементом и может быть реализован, например, в виде микросхемы AD5260 фирмы «Analog Devices».
Пример расположения первого или второго вариантов устройства на объекте охраны приведен на фиг.5. Длина расстояния L определяется мощностью используемой каналообразующей аппаратуры (приемопередатчиков).
Третий вариант предлагаемого устройства может быть организован путем использования нескольких сейсмоприемников 1. Структурная схема третьего варианта устройства приведена на фиг.3. Третий вариант устройства, в отличие от первого и второго вариантов, включает в свой состав от двух и более сейсмоприемников 1, которые объединяются двухпроводной линией связи 22. Первые и вторые входы/выходы каждого сейсмоприемника 1 параллельно подключены через двухпроводную линию связи 22 к первому и второму входу/выходу пульта управления 23, при этом каждый сейсмоприемник 1 формирует с пультом управления 23 индивидуальный канал связи посредством цифровой последовательной двунаправленной приемо – передачи информации с разделением каналов связи на основе позиционно – временного кода. Каждому сейсмоприемнику 1 присваивается собственный адрес (или номер), который устанавливается с помощью переключателей 49-51 задающего блока 45. Работа третьего варианта устройства аналогична первому и второму вариантам и заключается в передаче сигналов срабатывания (при их формировании) от каждого в отдельности сейсмоприемника 1 в пульт управления 23. При этом адреса сигналов срабатывания отображаются в исполнительном сигнализационном устройстве 26 на индикаторе 72. Третий вариант устройства обеспечивает также адресную передачу информации от пульта управления 23 в отдельные сейсмоприемники 1. Наличие в структуре третьего варианта устройства двухпроводной линии связи 22 позволяет организовать интерфейс последовательной передачи информации по одному из стандартов (RS-232, RS-485 или CAN), используя при этом соответствующие линейный 21 и центральный 24 приемопередатчики, а также линейный 20 и центральный 25 контроллеры.
Третий вариант устройства может иметь различные способы установки на местности. Пример организации протяженного рубежа охраны приведен на фиг.6. Сейсмоприемник 1 в этом варианте при установке их в грунт образуют «сейсмолинию». Третий вариант устройства при таком расположении сейсмоприемников будет фиксировать пересечение движущихся нарушителей через осевую линию установки сейсмоприемников. Другим примером установки третьего варианта устройства является распределение сейсмоприемников на площади охраняемой зоны (фиг.7) для обнаружения вторжения на охраняемую зону движущихся объектов – нарушителей.
Следующим способом установки третьего варианта устройства на местности является размещение сейсмоприемников группами по два – три сейсмоприемника в каждой группе в пределах зоны чувствительности сейсмоприемников. Пример такого расположения сейсмоприемников приведен на фиг.8. Необходимость указанного расположения может быть вызвана постановкой задачи селектирования движущихся объектов по массе (например, необходимостью отличить движущегося человека от движущегося автомобиля). Техническая возможность осуществления селектирования может быть выполнена за счет использования сейсмоприемников с разной чувствительностью и, как следствие, с разными радиусами зон обнаружения (например – R1, R2 и R3 на фиг.8).
Все элементы, используемые для реализации передающего блока 30 линейного контроллера 20, линейного приемопередатчика 21, а также центрального приемопередатчика 24 и приемного блока 31 центрального контроллера 25, являются общеизвестными. Второй сдвигающий регистр 34 может быть реализован, например, с использованием микросхемы 564 ИР6, третий сдвигающий регистр 52 – с использованием микросхемы 564 ИР2, дешифратор 53 – с использованием микросхемы 564 ИД5. Приемопередатчики 21, 24 могут быть реализованы, например, с использованием микросхем типа 1564АП4 или 1533ИП7. При использовании элементной базы средней степени интеграции, в линейном контроллере 20 и центральном контроллере 25 могут быть применены микросхемы 1002 ХЛ1. Применение современной элементной базы с высокой степенью интеграции позволяет снизить габаритные размеры сейсмоприемника 1 и пульта управления 23 при сохранении (и даже расширении) функциональных возможностей предложенных первого, второго и третьего вариантов устройства. Например, функции анализатора сейсмосигнала 6, линейного контроллера 20 и центрального контроллера 25 могут быть реализованы с помощью микроконтроллеров ATMega XX фирмы «Atmel», C8051F XXX фирмы «Cygnal» или CY8C27443 фирмы «Cypress Micro Systems». Электропитание предложенных вариантов устройства может быть выполнено двумя способами. Первый способ – использование аккумуляторных батарей в сейсмоприемниках 1 и пульте управления 23 (на фиг.1, 2, 3 и 4 не показаны). Второй способ заключается в передаче питающего напряжения от пульта управления 23 в сейсмоприемники 1 по двухпроводной линии связи 22. Для этого напряжение источника питания, расположенного в пульте управления 23, может быть передано через центральный приемопередатчик 24, двухпроводную линию связи 22, линейные приемопередатчики 21 на входы стабилизаторов напряжения линейных контроллеров 20 (источник питания, стабилизаторы напряжения и цепи развязки питающего напряжения и импульсных сигналов на фиг.1, 2, 3 и 4 не показаны).
Применение CAN-интерфейса в структуре четвертого варианта устройства позволяет расширить его функциональные возможности в части передачи информации от сейсмоприемников в пульт управления. Структурная схема четвертого варианта сейсмического устройства обнаружения движущихся нарушителей с использованием CAN-интерфейса приведена на фиг.4. CAN-интерфейс отличается повышенной помехоустойчивостью и надежностью. Обмен информацией между передатчиком и приемником в соответствии с CAN-протоколом осуществляется с помощью стандартного информационного кадра (фрейма), пример которого приведен на фиг.12 (диаграмма 20). Поле данных стандартного фрейма может включать до 8 байт информации, что дает возможность передавать по двухпроводной линии связи 22 дополнительные сведения от сейсмоприемника 1 в пульт управления 23. Временные диаграммы цикла передачи информации с использованием CAN-протокола приведены на фиг.12. В сейсмоприемнике 1 аналоговые сигналы (фиг.12, диаграмма 7) от движущегося объекта преобразуются в «маркеры сейсмического воздействия» (фиг.12, диаграмма 16), по которым формируется сигнал срабатывания Т (фиг.12, диаграмма 15). Сигнал срабатывания инициирует в CAN-контроллере (фиг.12, диаграмма 20) стандартный фрейм передачи данных с адресом сейсмоприемника 1, который выдается CAN-трансивером в двухпроводную линию связи 22 (фиг.12, диаграмма 21). Кроме адреса сейсмоприемника 1 в поле данных стандартного фрейма может присутствовать дополнительная информация. На приемной стороне (в пульте управления 23) стандартный фрейм принимается CAN-трансивером 35 и посредством CAN-контроллера 34 передается в решающий блок 26, где происходит обработка полученной информации (фиг.12, диаграмма 26). Использование стандартных CAN-контроллеров и CAN-трансиверов позволяет организовать в структуре четвертого варианта устройства возможность передачи управляющей информации из решающего блока в сейсмоприемники 1. В приведенных на фиг.4 и 12 примерах может быть передана следующая информация. От сейсмоприемника 1 к пульту управления 23 можно передавать:
– общее количество «маркеров сейсмического воздействия»;
– пиковые значения (или энергию) аналогового сигнала в момент формирования «маркера сейсмического воздействия»;
– среднее значение уровня шума в аналоговом тракте;
– текущие настройки сейсмоприемника 1 (чувствительность, пороговые уровни);
– информацию об исправности сейсмоприемника 1 и его узлов.
От пульта управления 23 к сейсмоприемнику 1 может быть передан запрос на получение текущей информации, указанной выше, а также управляющая информация по изменению текущих настроек сейсмоприемника 1.
Современная технология производства позволяет изготовить сейсмоприемники 1 с небольшими габаритными размерами при наличии в своем составе вычислительных средств (микроконтроллеров или ПЛИС). Применение таких сейсмоприемников в вариантах устройства может обеспечить организацию сети (или «паутины») сейсмических «интеллектуальных» датчиков, работающих совместно с решающим блоком по специально разработанной программе обнаружения движущихся объектов. Пример работы четвертого варианта устройства может быть проиллюстрирован с помощью фиг.8, 12, 13 и 14 при решении задачи обнаружения попыток хищения нефтепродуктов. Три сейсмоприемника (СП1, СП2 и СП3) устанавливаются в грунт вблизи, например, крановой площадки трубопроводной магистрали (фиг.8). Известно, что при хищении нефтепродуктов злоумышленники обычно используют грузовой автомобиль (бензовоз) и легковой автомобиль, используемый в разведывательных целях. Поэтому, попытку хищения нефтепродуктов можно установить по факту одновременного движения по охраняемой территории бензовоза, легкового автомобиля и людей в течение некоторого интервала времени. Сейсмоприемники СП1, СП2 и СП3 имеют разные зоны чувствительности (радиусы R1, R2 и R3) и настроены, соответственно, на обнаружение грузового автомобиля (СП1), легкового автомобиля (СП2) и человека (СП3). Каждый из сейсмоприемников передает в решающий блок «маркеры сейсмического воздействия» с соответствующими адресами. Причем каждый «маркер сейсмического воздействия» передается за один цикл связи сейсмоприемника с решающим блоком (при передаче одного стандартного фрейма). Обнаружение наличия каждого из указанных классов движущихся объектов происходит путем подсчета определенного количества (Ni) «маркеров сейсмического воздействия» (MCBi) в определенном «скользящем временном окне» (ti). При достижении количества «маркеров сейсмического воздействия» установленных значений Ni для каждого класса объектов, решающий блок формирует признаки I обнаружения грузового автомобиля ( 1), легкового автомобиля ( 2) и человека ( 3). В качестве решающего правила при формировании сигнала тревоги будет служить логическое выражение 1 & 2 & 3 одновременного наличия трех признаков обнаружения.
Блок-схема алгоритма обнаружения и временные диаграммы его функционирования приведены, соответственно, на фиг.13 и 14. На фиг.14 приведен пример формирования признака 1 при наличии трех (N1=3) MCB во временном окне t1 (для грузового автомобиля), признака 2 при наличии двух (N2=2) MCB во временном окне t2 (для легкового автомобиля) и признака 3 при наличии пяти (N3=5) MCB во временном окне t3 (для человека). Формирование общего сигнала тревоги приведено на последней диаграмме фиг.14.
Третий или четвертый вариант устройства может быть также применен для обнаружения подкопа под инженерными сооружениями (фиг.15). Для этой цели на охраняемом объекте делаются шурфы и в них устанавливаются сейсмоприемники 1 (при необходимости на разной глубине). При попытке осуществления подкопа, проходящего через зоны обнаружения сейсмоприемников 1, третий или четвертый вариант устройства формирует сигнал тревоги.
Введенные нами в известное устройство дополнительные признаки и функциональные связи позволяют придать вариантам устройства новые существенные свойства.
Формула изобретения
1. Сейсмическое устройство обнаружения движущихся нарушителей, содержащее пульт управления с встроенным исполнительным сигнализационным устройством и сейсмоприемник, размещаемый на охраняемом рубеже и содержащий анализатор сейсмосигнала, а также последовательно соединенные согласующий усилитель, полосовой фильтр и нормирующий усилитель, при этом нормирующий усилитель предназначен для согласования полезного сигнала с диапазоном входных воздействий анализатора сейсмосигнала, первый и второй входы/выходы сейсмоприемника соединены с первым и вторым входом/выходами пульта управления с помощью двухпроводной линии связи, отличающееся тем, что в сейсмоприемник введены линейный контроллер и линейный приемопередатчик, а в пульт управления – центральный контроллер и центральный приемопередатчик, при этом в сейсмоприемнике выход анализатора сейсмосигнала подключен к первому входу линейного контроллера, выход которого подключен к первому входу линейного приемопередатчика, первый и второй входы/выходы которого являются, соответственно, первым и вторым входами/выходами сейсмоприемника, в пульте управления его первый и второй входы/выходы являются, соответственно, первым и вторым входами/выходами центрального приемопередатчика, выход которого подключен к входу центрального контроллера, первая группа выходов которого подключена к группе входов исполнительного сигнализационного устройства.
2. Сейсмическое устройство обнаружения движущихся нарушителей по п.1, отличающееся тем, что нормирующий усилитель выполнен с возможностью регулирования коэффициента усиления по второму и третьему его входам, которые подключены, соответственно, к второму и третьему выходам линейного контроллера, второй вход линейного контроллера подключен к первому выходу линейного приемопередатчика, в пульте управления второй выход центрального контроллера подключен к первому входу центрального приемопередатчика.
3. Сейсмическое устройство обнаружения движущихся нарушителей по п.1 или 2, отличающееся тем, что в него введена группа сейсмоприемников, размещаемых на охраняемом рубеже, первые и вторые входы/выходы каждого из которых параллельно подключены через двухпроводную линию связи к первому и второму входу/выходу пульта управления, при этом каждый сейсмоприемник формирует с пультом управления индивидуальный канал связи посредством цифровой последовательной двунаправленной приемо-передачи информации с разделением каналов связи на основе позиционно-временного кода.
4. Сейсмическое устройство обнаружения движущихся нарушителей по п.3, отличающееся тем, что функции анализатора сейсмосигнала выполняет микроконтроллер или программируемая логическая интегральная схема (ПЛИС), функции исполнительного сигнализационного устройства выполняет решающий блок на основе микроконтроллера, ПЛИС или персональной ЭВМ, в качестве индивидуального канала связи используется CAN-интерфейс, при этом функции центрального и линейных контроллеров выполняют CAN-контроллеры, а функции центрального и линейных приемопередатчиков выполняют CAN-трансиверы.
РИСУНКИ
|
|