|
|
(21), (22) Заявка: 2006101699/09, 23.01.2006
(24) Дата начала отсчета срока действия патента:
23.01.2006
(46) Опубликовано: 20.09.2007
(56) Список документов, цитированных в отчете о поиске:
RU 2251748 C2, 10.05.2005. RU 50327 U1, 27.12.2005. RU 32898 U1, 27.09.2003. RU 32899 U1, 27.09.2003. US 5129083 A, 07.07.1992. US 5136708 A, 04.08.1992.
Адрес для переписки:
119607, Москва, ул. Удальцова, 85, ФГУП “Научно-исследовательский институт “Восход”, руководителю патентной группы
|
(72) Автор(ы):
Юхневич Леонид Александрович (RU), Михайлов Станислав Александрович (RU), Романов Анатолий Николаевич (RU)
(73) Патентообладатель(и):
Федеральное государственное унитарное предприятие “Научно-исследовательский институт “Восход” (RU)
|
(54) АВТОМАТИЗИРОВАННАЯ СИСТЕМА ПАСПОРТНОГО КОНТРОЛЯ ГРАЖДАН
(57) Реферат:
Изобретение относится к вычислительной технике, в частности к автоматизированной системе паспортного контроля граждан. Техническим результатом является повышение надежности системы проверки личности путем реализации процедур автоматического контроля биометрических параметров и документальных данных личности. Технический результат достигается тем, что система содержит блок приема данных визуального сканирования паспорта, блок идентификации опорных адресов базы данных граждан риска, блок селекции данных, блок формирования адресов базы данных граждан риска, блок идентификации данных граждан риска, блок приема данных базы данных граждан риска, блок приема данных встроенной интегральной микросхемы электронного паспорта, блок идентификации данных визуального считывания, блок идентификации биологических параметров личности, блок приема данных отпечатка пальца, блок задания типа записей данных, блок селекции типов записей данных, блоки селекции опорных адресов типов записей данных, блоки модификации адресов записи и считывания данных, блок интеграции сигналов записи и считывания данных. 10 ил.
Изобретение относится к области вычислительной техники, в частности к автоматизированной системе паспортного контроля граждан.
Координация работы по изготовлению биометрических паспортов в разных странах ведется в соответствии с рекомендациями Международной организации гражданской авиации (International Civil Aviation Organisation – ICAO), а подстегивают процесс поголовного перехода на электронные документы Соединенные Штаты Америки.
В 2002 году в США был принят закон о пограничном контроле, в соответствии с которым граждане 27 стран мира смогут беспрепятственно въезжать на территорию США сроком до 90 дней при условии наличия у них биометрических паспортов (Россия в этот список не входит).
Все эти страны обязаны были обеспечить своих граждан новыми паспортами до октября 2004 года, позже срок был продлен еще на год. Большинство государств не успевают выполнить это требование. И только шесть стран – Бельгия, Финляндия, Люксембург, Германия, Австрия и Швеция – пообещали выдержать сроки. Конгресс США скорее всего продлит срок обязательного введения биометрических паспортов. Сейчас Евросоюз предлагает отсрочку до августа 2006 года. Переговоры о переносах срока ведет со Штатами и Великобритания.
Примерно в то же время, что и в Штатах, предъявлять биометрические паспорта начнут и пограничные службы других стран, в первую очередь, Евросоюза. Такое решение было принято в 2003 году на встрече министров внутренних дел стран Большой восьмерки (G8). Поэтому процесс биометризации затронул все страны и континенты.
Переход на заграничные паспорта нового поколения в России взаимоувязан еще с двумя проектами автоматизации, реализуемыми на федеральном уровне, – «Погранконтроль» (система сбора, хранения и обработки информации о проследовавших через госграницу лицах, транспортных средствах и грузах) и «Миграция» (система контроля миграционной ситуации в России, включающая создание банка данных по учету иностранных граждан и лиц без гражданства). Во всех этих системах будут обрабатываться идентичные данные, которые могут быть интегрированы.
Таким образом, кроме борьбы с терроризмом новые паспорта помогут также и в борьбе с незаконной миграцией. Такие же функции системы биометрического контроля собираются использовать и в Европе. Страны большой пятерки Евросоюза намерены предпринимать совместные усилия по депортации нелегальных эмигрантов, в связи с чем лоббируют ускорение ввода новых паспортов. Разработку биометрических паспортов поддерживает и Международная организация по миграции.
В российских биометрических паспортах, прототипы которых уже продемонстрировали ФГУП НИИ «Восход» и «Гознак», первая страница будет пластиковая. Именно в нее встраивается микросхема, содержащая биометрические данные. Фотография на пластиковую страницу будет наноситься с помощью лазера.
В стране предстоит построить единую сеть, соединяющую более чем 8 тысяч паспортно-визовых подразделений, консульские учреждения МИД РФ, пункты погранконтроля. На последние необходимо будет установить терминалы для считывания биометрической информации и другое оборудование.
В этой связи с особой остротой встает задача создания системы идентификации и верификации личности граждан, которая бы способствовала повышению эффективности и надежности паспортного контроля особенно в связи с переходом на электронные паспортные системы.
Главный повод для введения электронных паспортов – стремление препятствовать пересечению границы людьми, имеющими поддельные документы и представляющими потенциальную угрозу безопасности страны.
В рамках новой системы, например при пересечении границы, гражданин должен положить свой электронный паспорт на считывающее устройство, которое проверит, соответствуют ли указанные на первой странице данные и фото тем данным и фото, которые содержатся в памяти чипа. Затем он должен положить указательный палец правой руки на другое считывающее устройство. Таким образом, будет проведена проверка того, что отпечатки пальца совпадают с данными, записанными в памяти чипа.
Известны системы, которые могли бы быть использованы для решения поставленной задачи [1, 2].
Первая из известных систем содержит блоки приема и хранения данных, соединенные с блоками управления и обработки данных, блоки поиска и селекции, подключенные к блокам хранения данных и отображения, синхронизирующие входы которых соединены с выходами блока управления [1].
Существенный недостаток данной системы состоит в невозможности решения задачи обновления данных, хранимых в памяти в виде соответствующих документов одновременно с решением задачи выдачи содержания этих документов пользователям в реальном масштабе времени.
Известна и другая система, содержащая блоки обработки данных, информационные входы которых соединены с блоками приема данных и управления, а выходы подключены к первой группе блоков памяти, центральный процессор, входы которого соединены с выходами блоков памяти первой группы и блоков обработки данных, а выходы соединены с входами блоков памяти второй группы и блоков отображения данных [2].
Последнее из перечисленных выше технических решений наиболее близко к описываемому.
Его недостаток заключается в невысокой надежности идентификации личности, обусловленной тем, что выполнение процедуры контроля личности реализуется путем визуального просмотра паспортных данных, а это неизбежно приводит к тому, что при предъявлении высококлассно подделанных документов возможны ложная идентификация личности и, как следствие, прохождение потенциальных террористов через пограничный пункт.
Цель изобретения – повышение надежности системы проверки личности путем реализации процедур автоматического контроля биометрических параметров и документальных данных личности.
Поставленная цель достигается тем, что в известную систему, содержащую блок приема данных визуального сканирования паспорта, информационный и синхронизирующий входы которого являются первыми информационным и синхронизирующими входами системы, при этом информационный вход блока приема данных визуального сканирования паспорта предназначен для приема данных с выхода автоматизированного устройства считывания данных электронного паспорта, а синхронизирующий вход блока приема данных визуального сканирования паспорта предназначен для приема синхронизирующих сигналов с выхода автоматизированного устройства считывания данных электронного паспорта, при этом один выход блока приема данных визуального сканирования паспорта является информационным выходом системы, блок приема данных базы данных граждан риска, информационный и синхронизирующий входы которого являются вторыми информационным и синхронизирующими входами системы, при этом информационный вход блока приема данных базы данных граждан риска предназначен для приема данных базы данных граждан риска с информационного выхода сервера базы данных, а синхронизирующий вход блока приема данных базы данных граждан риска предназначен для приема синхронизирующих сигналов сервера базы данных, блок приема данных встроенной интегральной схемы паспорта, информационный и синхронизирующий входы которого являются третьими информационным и синхронизирующими входами системы, при этом информационный вход блока приема данных встроенной интегральной схемы паспорта предназначен для приема данных с выхода устройства считывания встроенной интегральной схемы паспорта, а синхронизирующий вход блок приема данных встроенной интегральной схемы паспорта предназначен для приема синхронизирующих сигналов с выхода устройства считывания встроенной интегральной схемы паспорта, блок формирования адресов базы данных граждан риска, адресный выход которого является первым адресным выходом системы, предназначенным для выдачи адреса считывания данных граждан риска на адресный вход сервера базы данных, а установочный выход блока формирования адресов базы данных граждан риска подключен к установочному входу блока приема данных визуального сканирования паспорта, блок приема данных отпечатка пальца, информационный и синхронизирующий входы которого являются четвертыми информационным и синхронизирующими входами системы, при этом информационный вход блока приема данных отпечатка пальца предназначен для приема данных с информационного выхода устройства для оцифровывания отпечатка пальца, а синхронизирующий вход предназначен для приема синхронизирующих сигналов с синхронизирующего выхода устройства для оцифровывания отпечатка пальца, блок интеграции сигналов записи и считывания данных, информационный выход которого является вторым адресным выходом системы, предназначенным для выдачи адресов считывания и записи данных на адресный вход сервера базы данных, а первый, второй и третий синхронизирующие выходы являются первым, вторым и третьим синхронизирующими выходами системы соответственно, при этом первый синхронизирующий выход блока интеграции сигналов записи и считывания данных предназначен для выдачи сигналов управления считыванием данных на первый канал прерывания базы данных сервера, второй синхронизирующий выход блока интеграции сигналов записи и считывания данных предназначен для выдачи сигналов управления записью данных x на второй канал прерывания базы данных сервера, а третий синхронизирующий выход блока интеграции сигналов записи и считывания данных предназначен для выдачи сигналов управления считыванием данных на третий канал прерывания базы данных сервера, блок задания типа записей данных, информационный и синхронизирующий входы которого являются пятыми информационным и синхронизирующими входами системы, при этом информационный вход блока задания типа записей данных предназначен для приема типа записей данных с информационного выхода автоматизированного рабочего места пользователя, а синхронизирующий вход блока задания типа записей данных предназначен для приема синхронизирующих сигналов с синхронизирующего выхода автоматизированного рабочего места пользователя, а информационный и синхронизирующий выходы блока задания типа записей данных соединены с информационным и синхронизирующим входами блока селекции типов записей данных соответственно, отличающаяся тем, что система содержит блок идентификации опорных адресов базы данных риска, информационный вход которого соединен с другим выходом блока приема данных визуального сканирования паспорта, синхронизирующий вход блока идентификации опорных адресов базы данных риска подключен к первому синхронизирующему входу системы, один информационный выход блока идентификации опорных адресов базы данных риска соединен с информационным входом блока формирования адресов базы данных риска, а синхронизирующий выход подключен к синхронизирующему входу блока формирования адресов базы данных риска и к первому синхронизирующему входу блока интеграции сигналов записи и считывания данных, блок селекции данных, информационный вход которого соединен с другим информационным выходом блока идентификации опорных адресов базы данных риска, синхронизирующий вход блока селекции данных подключен к синхронизирующему выходу блока идентификации опорных адресов базы данных риска, а установочный вход блока селекции данных соединен с установочным выходом блока формирования адресов базы данных риска, при этом один выход блока селекции данных подключен к счетному входу блока формирования адресов базы данных риска и ко второму синхронизирующему входу блока интеграции сигналов записи и считывания данных, а другой выход соединен с одним установочным входом блока формирования адресов базы данных риска, блок идентификации данных граждан риска, один информационный вход которого подключен к другому выходу блока приема данных визуального сканирования паспорта, другой информационный вход блока идентификации данных граждан риска соединен с выходом блока приема данных базы данных риска, а синхронизирующий вход блока идентификации данных граждан риска подключен ко второму синхронизирующему входу системы, при этом один выход блока идентификации данных граждан риска соединен со счетным входом блока селекции данных, а другой выход является первым сигнальным выходом системы, предназначенным для выдачи сигналов оповещения на автоматизированное рабочее место контролера, и подключен ко второму установочному входу блока формирования адресов базы данных риска, блок идентификации данных личности, один информационный вход которого соединен с другим выходом блока приема данных визуального сканирования паспорта, другой информационный вход блока идентификации данных личности подключен к одному выходу блока приема данных встроенной интегральной схемы паспорта, а синхронизирующий вход блока идентификации данных личности соединен со вторым выходом блока селекции данных, при этом один выход блока идентификации данных личности является вторым сигнальным выходом системы, предназначенным для выдачи сигналов оповещения на автоматизированное рабочее место контролера, блок идентификации биометрических данных личности, один информационный вход которого соединен с другим выходом блока приема данных встроенной интегральной схемы паспорта, другой информационный вход блока идентификации биометрических данных личности подключен к блоку приема данных отпечатка пальца, а синхронизирующий вход блока идентификации биометрических данных личности соединен с другим выходом блока идентификации данных личности, при этом выходы блока идентификации биометрических параметров личности являются третьим и четвертым сигнальными выходами системы, предназначенными для выдачи сигналов оповещения на автоматизированное рабочее место контролера, и блоки модификации адресов записи и считывания данных, информационные выходы которых соединены с соответствующими информационными входами блока интеграции сигналов записи и считывания данных, выходы управления записью блоков модификации адресов записи и считывания данных, подключены к соответствующим входам управления записью блока интеграции сигналов записи и считывания данных, а выходы управления считыванием блоков модификации адресов записи и считывания данных соединены с соответствующими входами управления считыванием блока интеграции сигналов записи и считывания данных, при этом синхронизирующий вход первого блока модификации адресов записи и считывания данных подключен к первому выходу блока идентификации данных личности, а управляющий вход блока модификации адресов записи и считывания данных соединен с первым выходом блока селекции типа записей данных, синхронизирующий вход второго блока модификации адресов записи и считывания данных подключен к одному выходу блока идентификации биометрических параметров личности, а управляющий вход второго блока модификации адресов записи и считывания данных соединен со вторым выходом блока селекции типа записей данных, синхронизирующий вход третьего блока модификации адресов записи и считывания данных соединен с другим выходом блока идентификации биометрических параметров личности, а управляющий вход третьего блока модификации адресов записи и считывания данных соединен со третьим выходом блока селекции типа записей данных.
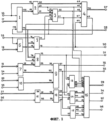
Сущность изобретения поясняется чертежами, где на фиг.1 представлена структурная схема системы, на фиг.2 – структурная схема блока идентификации опорных адресов базы данных граждан риска, на фиг.3 – структурная схема блока селекции данных, на фиг.4 – структурная схема блока формирования адресов базы данных риска, на фиг.5 – структурная схема блока идентификации данных граждан риска, на фиг.6 – структурная схема блока задания типа записей данных, на фиг.7 – структурная схема блока селекции типов данных, на фиг.8 – структурная схема блоков селекции опорных адресов типов записей данных, на фиг.9 – структурная схема блоков модификации адресов записи и считывания данных, на фиг.10 – структурная схема блока интеграции сигналов записи и считывания данных.
Система (фиг.1) содержит блок 1 приема данных визуального сканирования паспорта, блок 2 идентификации опорных адресов базы данных граждан риска, блок 3 селекции данных, блок 4 формирования адресов базы данных граждан риска, блок 5 идентификации данных граждан риска, блок 6 приема данных базы данных граждан риска, блок 7 приема данных встроенной интегральной микросхемы (чипа) паспорта, блок 8 идентификации данных визуального считывания, блок 9 идентификации биологических параметров личности, блок 10 приема данных отпечатка пальца, блок 11 задания типа записей данных, блок 12 селекции типов записей данных, блоки 13-15 модификации адресов записи и считывания данных, блок 16 интеграции сигналов записи и считывания данных.
На фиг.1 также показаны первый 17, второй 18, третий 19, четвертый 20 и пятый 21 информационные входы системы, первый 22, второй 23, третий 24, четвертый 25 и пятый 26 синхронизирующие входы системы, а также первый 27 и второй 28 адресные выходы системы, информационный 29 и сигнальные 30-33 выходы системы, первый 34, второй 35 и третий 36 синхронизирующие выходы системы.
Блок 1 (фиг.1) приема данных визуального сканирования паспорта выполнен в виде регистра. На чертеже показаны входы информационный 17, синхронизирующий 22 и установочный 173 выходы, а также первый 170 и второй 171 информационные выходы.
Блок 2 (фиг.2) идентификации опорных адресов базы данных граждан риска, к которым относятся «невыездные» граждане, содержит блок 40 памяти, выполненный в виде постоянного запоминающего устройства, дешифратор 41, элементы 42-45 И, первый 46 и второй 47 элементы задержки. На чертеже показаны информационный 48 и синхронизирующий 49 входы, а также информационные 50, 51 и синхронизирующий 52 выходы.
Блок 3 (фиг.3) селекции данных содержит регистр 52, счетчик 53, компаратор 54, элемент 55 задержки. На чертеже показаны информационный вход 56, синхронизирующий вход 57, счетный вход 58 и установочный вход 59, а также первый 60 и второй 61 выходы.
Блок 4 (фиг.4) формирования адресов базы данных граждан риска содержит счетчик 62 и элемент 63 ИЛИ. На чертеже показаны информационный 64, синхронизирующий 65, счетный 66 и установочные 67, 68 входы, а также информационный 70 и синхронизирующий 69 выходы.
Блок 5 (фиг.5) идентификации граждан риска содержит компаратор 72 и элемент 73 задержки. На чертеже показаны информационные 74, 75 и синхронизирующий 76 входы, а также первый 77 и второй 78 выходы.
Блок 6 (фиг.1) приема данных базы данных граждан риска выполнен в виде регистра, имеющего информационный 22 и синхронизирующий 27 входы.
Блок 7 (фиг.1) приема данных встроенной интегральной схемы (чипа) паспорта выполнен в виде регистра, имеющего информационный 19 и синхронизирующий 24 входы, а также первый 38 и второй 39 выходы.
Блок 8 (фиг.1) идентификации данных визуального считывания выполнен в виде компаратора, имеющего информационные 79, 80 и синхронизирующий 81 входы, а также первый 82 и второй 83 выходы.
Блок 9 (фиг.1) идентификации биологических параметров личности выполнен в виде компаратора, имеющего информационные 85, 86 и синхронизирующий 84 входы, а также первый 87 и второй 88 выходы.
Блок 10 (фиг.1) приема данных отпечатка пальца выполнен в виде регистра, имеющего информационный 20 и синхронизирующий 25 входы, и один выход, соединенный с входом 86 блока 9.
Блок 11 (фиг.6) задания типа данных содержит регистр 89 и элемент 90 задержки. На чертеже показаны информационный 21 и синхронизирующий 26 входы, а также информационный 91 и синхронизирующий 92 выходы.
Блок 12 (фиг.7) селекции типов записей данных содержит дешифратор 94 и элементы 95-97 И. На чертеже показаны информационный 98, синхронизирующие 99 входы, а также выходы 100-102.
Блоки 13-15 (фиг.8) модификации адресов записи и считывания данных содержат формирователь 119 опорного адреса базы данных сервера, реверсивный счетчик 120, компаратор 121, сумматор 122, триггер 123, группу 124 элементов И, элементы 125-129 ИЛИ, элементы 130-135 задержки. На чертеже показаны синхронизирующий 114 и управляющий 115 входы, а также информационный 139, первый 140 и второй 141 синхронизирующие выходы.
Формирователь 119 (фиг.8) опорного адреса базы данных сервера содержит блок 105 памяти, выполненные в виде постоянного запоминающего устройства, регистры 106, триггеры 107, элементы 108-109 И, элемент 110 ИЛИ, элементы 111, 112 задержки. На чертеже показаны синхронизирующий 114 вход, а также информационный 118 и синхронизирующие 116, 117 выходы.
Блок 16 (фиг.10) интеграции сигналов записи и считывания данных содержит группу 145 элементов ИЛИ, элементы 146-148 ИЛИ и элемент 149 задержки. На чертеже показаны информационные 150-152 и синхронизирующие 153-160 входы, а также адресный 28, первый 34, второй 35 и третий 36 синхронизирующие выходы.
Все узлы и элементы системы выполнены на стандартных потенциально-импульсных элементах.
Работу системы рассмотрим на примере ее использования на пограничном контрольно-пропускном пункте.
При прохождении пограничного контрольно-пропускного пункта каждый гражданин предъявляет документ, удостоверяющий его личность. В качестве такого документа в системе используется заграничный паспорт нового поколения, в который вмонтирован микрочип – кристалл, в котором записаны биометрические данные владельца. Такие паспорта надежно защищены от подделки, процедура идентификации человека значительно упрощается и ускоряется процесс прохождения пограничного контроля.
Для идентификации владельца паспорта необходимо ответить на два вопроса: является ли человек, предъявивший паспорт, его владельцем и соответствуют ли паспортные данные тем, что зафиксированы в централизованной базе. Обычно для определения владельца служит его фотография, а для поиска по базе данных – номер паспорта.
В последнее время широкое распространение получили автоматизированные системы биометрической идентификации, способные идентифицировать личность по отпечатку пальца, фотографии, форме ладони, радужной оболочке глаза, почерку и др. В любом случае такие системы позволяют выделить минимальный набор признаков, исключающих ошибку в распознавании, и сохранить их в цифровом виде.
При выборе системы автоматизированной биометрической идентификации обычно руководствуются следующими правилами:
– быстрое получение биометрической информации;
– безопасное и безболезненное для человека получение информации;
– минимальный объем информации, по которой осуществляется идентификация;
– алгоритмы обработки должны минимизировать время идентификации и вероятность ошибки.
Такими качествами в достаточной степени обладают биометрические системы, основанные на электронном сканировании отпечатков пальца. В частности, кремниевый сенсор FingerChip производства компании Atmel позволяет разрабатывать простые устройства для сканирования отпечатков пальцев.
Сенсор FingerChip формирует полное изображение отпечатка при простом движении пальца по его поверхности, причем изображение имеет высокое качество даже для сухих и трудных отпечатков. Кроме того, FingerChip представляет собой “самоочищающийся” сенсор, поскольку на его поверхности не остается “остаточного” отпечатка, который стирается естественным образом при движении пальца.
Современные алгоритмы идентификации не требуют хранения полноразмерного изображения и осуществляют идентификацию по 50-60 особым точкам. Шаблон отпечатка занимает в памяти объем не более 160 байт. При этом алгоритмы идентификации обеспечивают достаточно низкую вероятность ошибки.
Таким образом, процесс автоматической идентификации сводится к следующей последовательности действий:
– съем биометрической информации;
– автоматическое сравнение информации с шаблоном, записанным в паспорте, на основании которого принимается решение, принадлежит ли паспорт владельцу;
– при необходимости сравнение результатов биометрии с шаблоном, загруженным из централизованной базы данных.
Естественно, что электронный паспорт должен предоставлять пользователю определенный объем энергонезависимой памяти и удобный интерфейс для ее обслуживания. В связи с длительным сроком использования микрочип паспорта должен быть пассивным. Кроме биометрической информации, занимающей объем 160 байт, в памяти электронного паспорта можно хранить информацию о страховых компаниях, отметки о льготах, визах и т.п.
При этом информация заносится в паспорт в кодированном виде, что позволяет эффективнее использовать пользовательскую память паспорта и существенно снизить его стоимость.
Для удобства идентификации паспорта в централизованной базе данных он имеет собственный ID-номер.
Кроме встроенной памяти, электронный паспорт имеет удобный интерфейс обмена со считывающим устройством. Наиболее современная технология для автоматизированного документооборота – это технология Inlay. Транспондер, изготовленный по технологии Inlay, представляет собой тонкую лавсановую ленту (0,03 мм) с нанесенной на нее антенной и встроенным чипом.
Транспондер не требует питания, имеет фиксированный 64-разрядный, записанный на заводе-изготовителе, неповторяющийся ID-номер (264=18446744073709551616), который позволяет однозначно идентифицировать сам Транспондер и 32 страницы 64-разрядной пользовательской памяти (256 байт).
Если 160 байт памяти используются для хранения биометрической информации, то остальные 96 байт – для хранения дополнительной информации.
Транспондер позволяет осуществлять радиообмен со считывателем по протоколу ISO/IEC 15693. Стоимость такого транспондера не превышает 0,5 долл. Для записи и считывания информации разработаны микросхемы, поддерживающие указанный протокол. Стоимость микросхемы, реализующей радиоканал обмена, – около 5 долларов.
Для реализации электронного паспорта достаточно вклеить Транспондер в российский паспорт установленного образца, ввести код владельца и паспортные данные в соответствующую базу данных. При внесении изменений в базу данных информация из базы должна дублироваться в памяти чипа.
Таким образом, каждый электронный паспорт содержит биометрическую информацию о своем владельце, уникальный номер вклеенного транспондера, однозначно соответствующий номеру паспорта (что исключает вклеивание другого транспондера), а также необходимую дополнительную информацию о владельце, в том числе его цифровую фотографию.
Электронный паспорт, удостоверяющий личность его владельца, сканируется как устройством визуального сканирования, так и устройством опроса микрочипа. Одновременно с этим, проверяемый гражданин проходит процедуру снятия электронного отпечатка пальца с помощью считывающего устройства (на чертеже не показано).
Считанный код отпечатка пальца поступает на информационный вход 20 блока 10, куда и записывается синхронизирующим импульсом, поступающим со считывающего устройства на вход 25 системы.
После визуального сканирования и распознавания визуальных данных электронного паспорта на вход 17 системы поступает кодограмма, имеющая следующую структуру:
| КОД |
КОД |
КОД |
КОД |
| Кодовая комбинация, образованная начальными буквами Фамилии, Имени, Отчества Гражданина |
Фамилия, Имя, Отчество гражданина |
Атрибуты записей, содержащихся в электронном паспорте |
Изображение личности гражданина как результат сканирования его цифровой фотографии |
В результате опроса микрочипа на вход 19 системы поступает кодограмма, имеющая следующую структуру:
| КОД |
КОД |
КОД |
КОД |
| Фамилия, Имя, Отчество |
Атрибуты записей, содержащихся в электронном паспорте |
Цифровая фотография личности |
Оцифрованный отпечаток пальца |
Данная кодограмма с входа 19 системы поступает на информационный вход блока 7, куда и заносится синхронизирующим импульсом с входа 24 системы.
С выхода 170 блока 1 кодовая комбинация, образованная начальными буквами фамилии, имени и отчества гражданина, поступает на информационный вход 48 блока 2, откуда она выдается на вход дешифратора 41.
Дешифратор 41 расшифровывает кодовую комбинацию и подготавливает цепь прохождения сигнала с входа 49, открывая один из элементов 42-45 И. Для определенности положим, что высокий потенциал поступил на один вход элемента 42 И.
Параллельно с этим, синхронизирующий импульс с входа 26 системы поступает на вход 49 блока 2, где задерживается элементом 46 на время занесения кодограммы в блок 1 и срабатывания дешифратора 41, и далее опрашивает состояния элементов 42-45 И.
Учитывая то обстоятельство, что открытым по одному входу будет только элемент 42 И, то, пройдя этот элемент И, синхроимпульс поступает на вход считывания фиксированной ячейки памяти постоянного запоминающего устройства 40, где хранится код опорного адреса базы данных «невыездных» граждан и количество записей подобных граждан, имеющих такую же кодовую комбинацию начальных букв фамилии, имени, отчества.
Структура кодограммы, хранимой в фиксированной ячейке памяти ПЗУ, имеет следующий вид:
| КОД |
КОД |
| Опорный адрес базы данных «невыездных» граждан, в которой хранятся записи данных граждан, представляющих общественную опасность, имеющих такую же кодовую комбинацию начальных букв Фамилии, Имени, Отчества, как и у гражданина, предъявившего паспорт |
Количество записей с указанной кодовой комбинацией начальных букв Фамилии, Имени, Отчества. |
Код опорного адреса базы данных «невыездных» граждан из блока 40 памяти считывается на выход 50 и далее через вход 64 блока 4 поступает на информационный вход счетчика 62, а код количества записей считывается на выход 51 и далее через вход 56 блока 3 поступает на информационный вход регистра 52.
Параллельно с описанным процессом тот же импульс считывания с выхода элемента 46 блока 2 задерживается элементом задержки 47 на время считывания содержимого фиксированной ячейки ПЗУ 40 и затем с выхода 52 поступает на синхронизирующий вход 65 счетчика 62 блока 4 и на синхронизирующий вход 57 регистра 52, фиксируя в них соответствующие считанные коды.
Код адреса с выхода счетчика 62 блока 4 выдается на вход 70 блока 4, и далее выдается на первый адресный выход 31 системы.
Одновременно с занесением кода опорного адреса базы данных «невыездных» граждан в счетчик 62 блока 4, синхронизирующий импульс с входа 65 блока 4 поступает на вход 153 блока 19, где проходит элемент 146 ИЛИ, задерживается элементом 149 на время занесения кода адреса в счетчик 62, и далее через выход 34 системы выдается на вход первого канала прерывания сервера базы данных.
По этому сигналу сервер переходит на подпрограмму считывания содержимого ячейки базы данных «невыездных» граждан по указанному на выходе 27 адресу, выдачи первой записи базы данных «невыездных» граждан на информационный вход 18 системы и занесения ее в блок 6 синхронизирующим импульсом, поступающим с сервера на вход 23.
Кодограмма первой записи базы данных «невыездных» граждан на входе 18 системы имеет следующую структуру
| КОД |
КОД |
КОД |
| Фамилия, Имя, Отчество гражданина, отнесенного к группе потенциально опасных для общества |
Атрибуты записи, характеризующие документальные данные гражданина |
Цифровая фотография личности гражданина |
Таким образом, в блоке 6 будут находиться все атрибуты записи гражданина, отнесенного к группе риска, а в блоке 1 к этому моменту времени уже находятся все атрибуты записи гражданина, проходящего контроль.
Код фамилии, имени и отчества гражданина, проходящего контроль, с выхода 171 блока 1 поступает на информационный вход 74, а код фамилии, имени и отчества гражданина, отнесенного к группе риска, поступает с выхода блока 6 на другой информационный вход 75 блока 5.
Параллельно с этим процессом синхронизирующий импульс с входа 23 поступает на синхронизирующий 76 вход блока 5, где задерживается элементом 73 на время занесения кода в блок 6, и далее поступает на синхронизирующий вход компаратора 72.
По этому синхроимпульсу компаратор 72 сравнивает входные коды, и если атрибуты личности, находящиеся в блоке 6, не совпадают с атрибутами личности блока 1, то на выходе 77 блока 5 появляется сигнал, который поступает на вход 58 блока 3, где, во-первых, проходит на счетный вход счетчика 53, который подсчитывает число просмотренных записей в базе данных риска.
Во-вторых, этот же импульс задерживается элементом 55 на время срабатывания счетчика 53 и затем поступает на синхронизирующий вход компаратора 54, на один информационный вход которого с выхода регистра 52 подан код числа записей в базе данных «невыездных» граждан, а на другой информационный вход код числа просмотренных записей с выхода счетчика 53.
Если число просмотренных записей, зарегистрированное счетчиком 53, меньше числа записей базы данных «невыездных» граждан, то на выходе 60 блока 3 появляется импульс. Данный импульс через вход 66 блока 4 проходит на счетный вход счетчика 62, увеличивая на единицу опорный адрес базы данных сервера, который с выхода 70 блока 4 поступает на адресный выход 28 системы.
Кроме того, этот же импульс поступает на вход 154 блока 19, где проходит элемент 146 ИЛИ, задерживается элементом 149 на время срабатывания счетчика 62, и вновь выдается через выход 35 системы на вход первого канала прерывания сервера базы данных.
По этому сигналу сервер вновь переходит на подпрограмму считывания содержимого ячейки базы данных «невыездных» граждан по вновь сформированному адресу, выдачи его на информационный вход 22 системы и занесения содержимого очередной ячейки базы данных в блок 6 синхронизирующим импульсом, поступающим с сервера на вход 23.
Описанный процесс считывания атрибутов граждан группы риска из ячеек базы данных и сравнения их содержимого с атрибутами проверяемого гражданина будет продолжаться до тех пор, пока не будут просмотрены все записи в базе данных «невыездных» граждан. Этот факт будет зафиксирован компаратором 54 блока 3 выдачей сигнала на выход 61.
С выхода 61 блока 3 сигнал, во-первых, поступает на вход 67 блока 4, где проходит элемент 63 ИЛИ, и далее поступает как на установочный вход счетчика 62, сбрасывая его в исходное состояние, так и через выход 69 блока 4 на установочные входы блоков 1 и 3.
Если же блок 5 зафиксирует факт равенства входных кодов, что будет свидетельствовать о том, что проверяемый гражданин относится к группе «невыездных» граждан, то на выходе 78 блока 5 появляется сигнал, который, во-первых, поступает на сигнальный выход 30 системы и зажигает табло на АРМе контроля «ВНИМАНИЕ! ПАССАЖИР ГРУППЫ РИСКА».
Кроме того, сигнал с выхода 78 блока 5 поступает на вход 68 блока 4, где проходит элемент 63 ИЛИ, и далее поступает как на установочный вход счетчика 62, сбрасывая его в исходное состояние, так и через выход 69 поступает на установочные входы блоков 1 и 3.
Во-вторых, если в результате проверки по базе данных «невыездных» граждан, будет установлено, что проверяемый гражданин не имеет отношения к группе потенциально опасных граждан, то сигнал с выхода 61 блока 3 поступает на синхронизирующий вход 81 блока 8, на один информационный вход 79 которого к этому моменту времени подан код документальных данных и цифровой фотографии проверяемой личности с выхода 171 блока 1, а на другой информационный вход 80 блока 8 подан код документальных данных и цифровой фотографии проверяемой личности, считанный с встроенной в паспорт микросхемы.
По синхронизирующему сигналу с входа 81 блок 8 сравнивает входные коды, и в случае их совпадения на выходе 83 блока 8 формируется сигнал, поступающий на синхронизирующий вход 84 блока 9. К этому моменту времени на один информационный вход 85 блока 9 с выхода 39 блока 7 подан код отпечатка пальца, полученный в результате опроса встроенной микросхемы (чипа) электронного паспорта, а на другой информационный вход 86 подан код отпечатка пальца с выхода блока 10, полученный со считывающего устройства.
Если коды отпечатков пальцев совпадают, то по синхронизирующему импульсу, поступившему на вход 84 блока 9, последний на выходе 88 формирует сигнал идентификации личности гражданина, проходящего пограничный контроль. Этот сигнал, во-первых, через второй сигнальный выход 33 системы сразу же выдается на АРМ контролера, зажигая табло «ПРОХОД РАЗРЕШЕН».
Во-вторых, этот же сигнал поступает на вход 114 блока 15 для запуска процедуры документирования факта выезда за границу данного гражданина, откуда он подается на одни входы элементов 108, 109 И формирователя 119.
Однако открытым по одному входу будет только элемент 108 И, так как на один из его входов подается высокий потенциал с инверсного выхода триггера 107, находящегося в исходном состоянии.
В результате синхронизирующий импульс с входа 114 проходит элемент 108 И и поступает на вход фиксированной ячейки памяти ПЗУ 105, где хранится опорный адрес буферной зоны памяти сервера, отведенной для хранения записей документальных данных граждан, выезжающих за пределы государственной границы Российской Федерации.
Тот же синхронизирующий импульс с выхода элемента 108 И задерживается элементом 111 на время считывания кода из ПЗУ 105 и, во-первых, поступает на синхронизирующий вход регистра 106, занося в него опорный адрес записи.
Во-вторых, этот же импульс поступает на единичный вход триггера 107 и устанавливает его в единичное состояние, при котором элемент 108 И будет закрыт, а элемент 109 И – открыт.Тем самым будет подготовлена цепь прохождения следующего синхронизирующего импульса с входа 114.
И, наконец, в-третьих, импульс с выхода элемента задержки 111 проходит элемент 110 ИЛИ, вновь задерживается элементом 112 на время занесения кода адреса в регистр 106 и далее поступает на выход 116 формирователя 119.
Код адреса записи с выхода 118 формирователя 119 выдается на один вход сумматора 122, к другому входу которого подключен выход счетчика 120, соединенный также с одним входом компаратора 121, на другой вход которого постоянно подан «нулевой код».
Синхронизирующий импульс с выхода 116 формирователя, во-первых, сразу же через элемент 125 ИЛИ поступает на синхронизирующий вход сумматора 122, который суммирует код опорного адреса с выхода 118 с нулевым кодом счетчика 120, находящегося к этому моменту времени в исходном состоянии и выдает оставшийся без изменения код адреса записи на вход элементов 124 И группы.
Во-вторых, этот же импульс проходит элемент 128 ИЛИ и поступает на прямой вход триггера 123, устанавливая последний в единичное состояние, при котором высоким потенциалом с прямого выхода открываются элементы 124 И группы по другому входу, подключая тем самым выход сумматора 122 к выходу 139.
В результате этого опорный адрес записи с входа 152 блока 16 через элементы 145 ИЛИ группы выдается на второй адресный 28 выход системы.
В-третьих, синхронизирующий импульс с выхода элемента 112 формирователя 119 задерживается элементом 113 на время формирования итогового кода на адресном 32 выходе системы и через выход 140 блока 15 поступает на вход 157 блока 19, проходит элемент 147 ИЛИ и выдается на выход 36 системы в качестве сигнала управления записью.
Этот сигнал поступает на вход второго канала прерывания сервера базы данных, по которому сервер переходит на подпрограмму записи содержимого блока 1 с его выхода 171 через информационный выход системы 29 в базу данных по адресу, сформированному на выходе 28 системы.
Кроме того, импульс с выхода 117 элемента 130 задержки блока 15 поступает на счетный вход счетчика 120, фиксируя первую запись, а также после задержки элементом 135 на время записи данных в базу данных системы, данный импульс проходит вход элемента 129 ИЛИ, устанавливая триггер 123 в исходное состояние. Возвращаясь в исходное состояние триггер 123 закрывает элементы 124 И группы по одному входу и, тем самым, отключает выход сумматора 122 от адресного 28 выхода системы.
Если же в процессе идентификации личности гражданина блок 8 зафиксирует неравенство входных кодов, что будет свидетельствовать о несоответствии документальных данных чипа и визуальных данных паспорта, то на выходе 82 формируется сигнал, который, во-первых, через сигнальный выход 31 системы сразу же выдается на АРМ контролера, зажигая табло «ВНИМАНИЕ! Ошибка в документальных данных».
Во-вторых, этот же сигнал поступает на вход 114 блока 13 и запускает процедуру документирования данных проверяемого гражданина в зону памяти базы данных сервера, отведенную для документирования всех случаев, связанных с ошибками в документальных данных. Процедура документирования реализуется точно так же, как она была описана в предыдущем случае.
Если же в процессе верификации отпечатка пальца блок 9 выявит несовпадение кодов отпечатков пальцев на своих входах 85 и 86, то это факт будет зафиксирован выработкой сигнала на выходе 87.
Сигнал несовпадения кодов с указанного выхода, во-первых, через сигнальный выход 32 системы сразу же выдается на АРМ контролера, зажигая табло «ВНИМАНИЕ! Ошибка в биометрических параметрах личности».
Во-вторых, этот же сигнал поступает на вход 114 блока 14 и запускает процедуру документирования данных проверяемого гражданина в зону памяти базы данных сервера, отведенную для документирования всех случаев, связанных с ошибками в биометрических параметрах личности.
Процедура документирования реализуется точно так же, как она была описана в предыдущем случае.
После окончания работы контрольно-пропускных пунктов система готова к выдаче итоговых данных в центральную базу данных системы.
С этой целью на вход 25 системы последовательно подаются коды следующих признаков данных:
| КОД |
ХАРАКТЕРИСТИКА ПРИЗНАКА |
| 11 |
ДАННЫЕ ГРАЖДАН, ВЫЕХАВШИХ ЗА ГРАНИЦУ |
| 10 |
ДАННЫЕ ГРАЖДАН, ЗАДЕРЖАННЫХ НА ГРАНИЦЕ И3-ЗА НЕСОВПАДЕНИЯ ДОКУМЕНТАЛЬНЫХ ДАННЫХ. |
| 01 |
ДАННЫЕ ГРАЖДАН, ЗАДЕРЖАННЫХ НА ГРАНИЦЕ И3-ЗА НЕСОВПАДЕНИЯ БИОМЕТРИЧЕСКИХ ПАРАМЕТРОВ |
Работу системы рассмотрим на примере документирования данных с первым признаком, имеющим код 11.
Код первого признака с входа 21 системы заносится в регистр 89 блока 11 синхронизирующим импульсом, поступающим на вход 26 системы. С выхода 91 блока 11 код признака поступает на вход 98 блока 12 и далее на вход дешифратора 94.
Дешифратор 94 расшифровывает код входного признака и открывает по одному входу элемент 97 И, на другой вход которого подается с входа 99 блока 12 подается импульс с входа 26 системы, задержанный элементом 90 на время занесения кода признака в регистр 89 и срабатывания дешифратора 94.
Синхронизирующий импульс проходит элемент 97 И, и с выхода 102 блока 12 поступает на вход 115 блока 15, откуда, во-первых, через элемент 128 ИЛИ поступает на единичный вход триггера 125, устанавливая его в единичное состояние, при котором высоким потенциалом с прямого выхода открываются элементы 124 И группы по другому входу, подключая тем самым выход сумматора 122 к выходу 139.
В результате этого адрес последней записи, сохраненной в сумматоре 122 с входа 139 блока 15 поступает на вход 152 блока 16 и далее через элементы 145 ИЛИ группы выдается на адресный 28 выход системы.
Во-вторых, синхронизирующий импульс с входа 115 задерживается элементом 133 на время срабатывания триггера 123 и через элемент 127 ИЛИ выдается на выход 141 блока 15, откуда проходит на вход 160 блока 16, проходит элемент 148 ИЛИ и выдается на выход 35 в качестве сигнала управления считыванием данных. С выхода 37 системы сигнал поступает на вход третьего канала прерывания сервера базы данных.
По этому сигналу сервер переходит на подпрограмму считывания содержимого ячейки базы данных по указанному на выходе 28 адресу, и выдачи первой записи базы данных граждан, выехавших за границу.
Кроме того, синхронизирующий импульс с выхода элемента 127 ИЛИ задерживается элементом 134 на время считывания данных из базы данных, и, во-первых, через элемент 126 ИЛИ поступает на установочный вход сумматора 122, сбрасывая его в исходное состояние. Во-вторых, этот импульс поступает на вычитающий вход реверсивного счетчика 120, уменьшая его показания на единицу.
В-третьих, данный импульс задерживается элементом 131 на время срабатывания реверсивного счетчика 120 и поступает на синхронизирующий вход компаратора 121.
Компаратор 121 сравнивает показания реверсивного счетчика 120 с нулевым кодом, подаваемым на его другой вход, и пока показания счетчика 120 больше нулевого кода, то на выходе А компаратора 121 формируется сигнал, который, во-первых, через элемент 125 ИЛИ поступает на синхронизирующий вход сумматора 122, который по этому сигналу суммирует код опорного адреса с входа 118 с уменьшенными на единицу показаниями реверсивного счетчика 120 и выдает итоговый адрес на адресный 28 выход системы.
Во-вторых, этот же импульс задерживается элементом 132 задержки на время срабатывания сумматора 122, проходит элемент 127 ИЛИ и выдается на выход 141 блока 15, откуда проходит на вход 160 блока 16, проходит элемент 148 ИЛИ и выдается на выход 37 в качестве очередного сигнала управления считыванием данных.
По этому сигналу сервер вновь переходит на подпрограмму считывания содержимого ячейки базы данных по указанному на выходе 28 адресу, и выдачи очередной записи базы данных граждан на средства отображения и печати (на чертеже не показаны).
Кроме того, синхронизирующий импульс с выхода элемента 127 ИЛИ вновь задерживается элементом 134 на время считывания данных из базы данных и, во-первых, вновь через элемент 126 ИЛИ поступает на установочный вход сумматора 122, сбрасывая его в исходное состояние.
Во-вторых, он вновь поступает на вычитающий вход реверсивного счетчика 120, уменьшая его показания на единицу.
И, в-третьих, он задерживается элементом 131 на время срабатывания реверсивного счетчика 120 и поступает на синхронизирующий вход компаратора 121.
Компаратор 121 вновь сравнивает показания реверсивного счетчика 120 с нулевым кодом, подаваемым на его другой вход, и пока показания счетчика 120 больше нулевого кода, то на выходе А компаратора 121 формируется сигнал, который через элемент 125 ИЛИ поступает на синхронизирующий вход сумматора 122, который по этому сигналу суммирует код опорного адреса с входа 118 с уменьшенными на единицу показаниями реверсивного счетчика 120 и выдает итоговый адрес на адресный 28 выход системы.
Описанный процесс считывания данных базы данных граждан продолжается до тех пор, пока компаратор 121 не зафиксирует факт равенства нулю показаний реверсивного счетчика 120, свидетельствующего о том, что все строки записи данных базы данных о гражданах, выехавших за границу, выданы на средства отображения и печати.
Этот факт будет подтвержден выдачей импульса на выход В компаратора 121, который поступает на установочные входы реверсивного счетчика 120, сумматора 122 и триггера 123.
Аналогичным образом система работает и при выдаче для документирования данных граждан с другими классификационными признаками.
Таким образом, введение новых узлов и блоков позволило существенно повысить надежность системы путем реализации процедур автоматического контроля биометрических параметров и верификации данных личности.
Внедрение системы в практику работы контрольно-пропускных пунктов позволит существенно повысить эффективность и надежность работы контрольно-пропускных пунктов на всей территории Российской Федерации.
Источники информации
1. Патент США №5136708, М. кл. G06F 15/16, 1992.
2. Патент США №5129083, М. кл. G06F 12/00, 15/40, 1992 (прототип).
Формула изобретения
Автоматизированная система паспортного контроля граждан, содержащая блок приема данных визуального сканирования паспорта, информационный и синхронизирующий входы которого являются первыми информационным и синхронизирующими входами системы, при этом информационный вход блока приема данных визуального сканирования паспорта предназначен для приема данных с выхода автоматизированного устройства считывания данных электронного паспорта, а синхронизирующий вход блока приема данных визуального сканирования паспорта предназначен для приема синхронизирующих сигналов с выхода автоматизированного устройства считывания данных электронного паспорта, при этом один выход блока приема данных визуального сканирования паспорта является информационным выходом системы, блок приема данных базы данных граждан риска, информационный и синхронизирующий входы которого являются вторыми информационным и синхронизирующими входами системы, при этом информационный вход блока приема данных базы данных граждан риска предназначен для приема данных базы данных граждан риска с информационного выхода сервера базы данных, а синхронизирующий вход блока приема данных базы данных граждан риска предназначен для приема синхронизирующих сигналов сервера базы данных, блок приема данных встроенной интегральной схемы паспорта, информационный и синхронизирующий входы которого являются третьими информационным и синхронизирующими входами системы, при этом информационный вход блока приема данных встроенной интегральной схемы паспорта предназначен для приема данных с выхода устройства считывания встроенной интегральной схемы паспорта, а синхронизирующий вход блок приема данных встроенной интегральной схемы паспорта предназначен для приема синхронизирующих сигналов с выхода устройства считывания встроенной интегральной схемы паспорта, блок формирования адресов базы данных граждан риска, адресный выход которого является первым адресным выходом системы, предназначенным для выдачи адреса считывания данных граждан риска на адресный вход сервера базы данных, а установочный выход блока формирования адресов базы данных граждан риска подключен к установочному входу блока приема данных визуального сканирования паспорта, блок приема данных отпечатка пальца, информационный и синхронизирующий входы которого являются четвертыми информационным и синхронизирующими входами системы, при этом информационный вход блока приема данных отпечатка пальца предназначен для приема данных с информационного выхода устройства для оцифровывания отпечатка пальца, а синхронизирующий вход предназначен для приема синхронизирующих сигналов с синхронизирующего выхода устройства для оцифровывания отпечатка пальца, блок интеграции сигналов записи и считывания данных, информационный выход которого является вторым адресным выходом системы, предназначенным для выдачи адресов считывания и записи данных на адресный вход сервера базы данных, а первый, второй и третий синхронизирующие выходы являются первым, вторым и третьим синхронизирующими выходами системы соответственно, при этом первый синхронизирующий выход блока интеграции сигналов записи и считывания данных предназначен для выдачи сигналов управления считыванием данных на первый канал прерывания базы данных сервера, второй синхронизирующий выход блока интеграции сигналов записи и считывания данных предназначен для выдачи сигналов управления записью данных на второй канал прерывания базы данных сервера, а третий синхронизирующий выход блока интеграции сигналов записи и считывания данных предназначен для выдачи сигналов управления считыванием данных на третий канал прерывания базы данных сервера, блок задания типа записей данных, информационный и синхронизирующий входы которого являются пятыми информационным и синхронизирующими входами системы, при этом информационный вход блока задания типа записей данных предназначен для приема типа записей данных с информационного выхода автоматизированного рабочего места пользователя, а синхронизирующий вход блока задания типа записей данных предназначен для приема синхронизирующих сигналов с синхронизирующего выхода автоматизированного рабочего места пользователя, а информационный и синхронизирующий выходы блока задания типа записей данных соединены с информационным и синхронизирующим входами блока селекции типов записей данных соответственно, отличающаяся тем, что система содержит блок идентификации опорных адресов базы данных риска, информационный вход которого соединен с другим выходом блока приема данных визуального сканирования паспорта, синхронизирующий вход блока идентификации опорных адресов базы данных риска; подключен к первому синхронизирующему входу системы, один информационный выход блока идентификации опорных адресов базы данных риска соединен с информационным входом блока формирования адресов базы данных риска, а синхронизирующий выход подключен к синхронизирующему входу блока формирования адресов базы данных риска и к первому синхронизирующему входу блока интеграции сигналов записи и считывания данных, блок селекции данных, информационный вход которого соединен с другим информационным выходом блока идентификации опорных адресов базы данных риска, синхронизирующий вход блока селекции данных подключен к синхронизирующему выходу блока идентификации опорных адресов базы данных риска, а установочный вход блока селекции данных соединен с установочным выходом блока формирования адресов базы данных риска, при этом один выход блока селекции данных подключен к счетному входу блока формирования адресов базы данных риска и ко второму синхронизирующему входу блока интеграции сигналов записи и считывания данных, а другой выход соединен с одним установочным входом блока формирования адресов базы данных риска, блок идентификации данных граждан риска, один информационный вход которого подключен к другому выходу блока приема данных визуального сканирования паспорта, другой информационный вход блока идентификации данных граждан риска соединен с выходом блока приема данных базы данных граждан риска, а синхронизирующий вход блока идентификации данных граждан риска подключен ко второму синхронизирующему входу системы, при этом один выход блока идентификации данных граждан риска соединен со счетным входом блока селекции данных, а другой выход является первым сигнальным выходом системы, предназначенным для выдачи сигналов оповещения на автоматизированное рабочее место контролера, и подключен ко второму установочному входу блока формирования адресов базы данных риска, блок идентификации данных личности, один информационный вход которого соединен с другим выходом блока приема данных визуального сканирования паспорта, другой информационный вход блока идентификации данных личности подключен к одному выходу блока приема данных встроенной интегральной схемы паспорта, а синхронизирующий вход блока идентификации данных личности соединен со вторым выходом блока селекции данных, при этом один выход блока идентификации данных личности является вторым сигнальным выходом системы, предназначенным для выдачи сигналов оповещения на автоматизированное рабочее место контролера, блок идентификации биометрических данных личности, один информационный вход которого соединен с другим выходом блока приема данных встроенной интегральной схемы паспорта, другой информационный вход блока идентификации биометрических данных личности подключен к блоку приема данных отпечатка пальца, а синхронизирующий вход блока идентификации биометрических данных личности соединен с другим выходом блока идентификации данных личности, при этом выходы блока идентификации биометрических параметров личности являются третьим и четвертым сигнальными выходами системы, предназначенными для выдачи сигналов оповещения на автоматизированное рабочее место контролера, и блоки модификации адресов записи и считывания данных, информационные выходы которых соединены с соответствующими информационными входами блока интеграции сигналов записи и считывания данных, выходы управления записью блоков модификации адресов записи и считывания данных, подключены к соответствующим входам управления записью блока интеграции сигналов записи и считывания данных, а выходы управления считыванием блоков модификации адресов записи и считывания данных соединены с соответствующими входами управления считыванием блока интеграции сигналов записи и считывания данных, при этом синхронизирующий вход первого блока модификации адресов записи и считывания данных подключен к первому выходу блока идентификации данных личности, а управляющий вход первого блока модификации адресов записи и считывания данных соединен с первым выходом блока селекции типа записей данных, синхронизирующий вход второго блока модификации адресов записи и считывания данных подключен к одному выходу блока идентификации биометрических параметров личности, а управляющий вход второго блока модификации адресов записи и считывания данных соединен со вторым выходом блока селекции типа записей данных, синхронизирующий вход третьего блока модификации адресов записи и считывания данных соединен с другим выходом блока идентификации биометрических параметров личности, а управляющий вход третьего блока модификации адресов записи и считывания данных соединен со третьим выходом блока селекции типа записей данных.
РИСУНКИ
MM4A – Досрочное прекращение действия патента СССР или патента Российской Федерации на изобретение из-за неуплаты в установленный срок пошлины за поддержание патента в силе
Дата прекращения действия патента: 24.01.2008
Извещение опубликовано: 20.10.2009 БИ: 29/2009
|
|