|
| На основании пункта 3 статьи 13 Патентного закона Российской Федерации от 23 сентября 1992 г. № 3517-I патентообладатель обязуется передать исключительное право на изобретение (уступить патент) на условиях, соответствующих установившейся практике, лицу, первому изъявившему такое желание и уведомившему об этом патентообладателя и федеральный орган исполнительной власти по интеллектуальной собственности, – гражданину РФ или российскому юридическому лицу. |
|
(21), (22) Заявка: 2006105960/09, 28.02.2006
(24) Дата начала отсчета срока действия патента:
28.02.2006
(46) Опубликовано: 20.09.2007
(56) Список документов, цитированных в отчете о поиске:
RU 2178201 C1, 10.01.2002. RU 2210112 С2, 10.08.2003. RU 2015554 C1, 30.06.1994. SU 855667 A1, 15.08.1981. JP 2005071322, 17.03.2005.
Адрес для переписки:
109651, Москва, Батайский пр., 1, кв.139, А.А. Бурбе
|
(72) Автор(ы):
Бурба Александр Алексеевич (RU), Клышинская Ольга Ивановна (RU), Полтавский Александр Васильевич (RU)
(73) Патентообладатель(и):
Бурба Александр Алексеевич (RU), Клышинская Ольга Ивановна (RU), Полтавский Александр Васильевич (RU)
|
(54) УСТРОЙСТВО ДЛЯ ОЦЕНКИ ЭФФЕКТИВНОСТИ
(57) Реферат:
Изобретение относится к вычислительной технике, в частности к устройствам для обработки данных, и может быть использовано для оценки эффективности различных технических комплексов, состоящих из нескольких систем массового обслуживания. Техническим результатом является расширение функциональных возможностей за счет наличия оценки обобщенного показателя эффективности. Устройство содержит регистры, ПЗУ, коммутаторы, блоки умножения, сумматоры, элементы задержки, элементы ИЛИ, блоки возведения в степень, блок сравнения, элемент И, генератор тактовых импульсов, распределители импульсов, блоки индикации. 4 ил.
Изобретение относится к вычислительной технике, к оборудованию для обработки данных и может быть использовано для оценки эффективности различных технических комплексов, например, состоящих из нескольких систем массового обслуживания (СМО).
Известен статистический анализатор, содержащий два блока хранения, два блока умножения, два блока вычитания, блок извлечения квадратного корня и сумматор (патент РФ №2015554, кл. G06F 17/18, 1994).
Недостатком этого устройства является отсутствие возможности оценки вероятности того, что одна случайная величина больше или меньше другой случайной величины.
Наиболее близким аналогом (прототипом) является устройство для оценки эффективности, содержащее три блока вычитания, шесть блоков умножения, два сумматора, блок входных регистров, два счетчика, три постоянных запоминающих устройства семь коммутаторов, десять элементов задержки, два регистра, четыре блока возведения в степень, четыре элемента ИЛИ, блок сравнения, блок индикации, генератор тактовых импульсов, элемент И и распределитель импульсов (патент РФ №2178201, кл. G06F 17/18, 2002).
Это устройство позволяет определять эффективность W СМО за счет определения вероятности выполнения этой системой задачи благодаря вычислению вероятности Р того, что одна случайная величина больше или меньше другой случайной величины с помощью следующей формулы

где – случайное располагаемое число каналов обслуживания;
– случайное потребное число каналов обслуживания;
kи – исходное располагаемое число каналов обслуживания (без учета возможности отказов);
kj – текущее значение числа каналов обслуживания ;
lи – исходное потребное число каналов обслуживания (потенциально возможное количество заявок на обслуживание);
Pn – вероятность безотказной работы одного канала обслуживания в прогнозируемый момент времени;
Р – вероятность того, что заявка поступит на обслуживание;
– число сочетаний соответственно из lи по i и из kи по kj .
Недостатком этого устройства является невозможность оценки обобщенного показателя эффективности технических комплексов, состоящих из СМО.
Техническим результатом заявленного изобретения является расширение функциональных возможностей за счет наличия оценки обобщенного показателя эффективности технических комплексов, состоящих из СМО. В качестве примера такой системы можно привести автоматическую телефонную станцию, которая состоит из нескольких СМО.
Обобщенный показатель эффективности W технического комплекса можно представить в следующем виде:

где Wr – показатель эффективности r-ой СМО в составе технического комплекса (определяется по формуле (1));
r – весовой коэффициент, определяющий важность r-й СМО, ;
S – количество СМО в составе технического комплекса.
Технический результат достигается тем, что устройство для оценки эффективности, содержащее первый, второй и третий блоки вычитания, с первого по шестой блоки умножения, первый и второй сумматоры, блок входных регистров, первый и второй счетчики, с первого по третье постоянное запоминающее устройство (ПЗУ), с первого по седьмой коммутаторы, с первого по десятый элементы задержки (ЭЗ), первый и второй регистры, с первого по четвертый блоки возведения в степень, с первого по четвертый элементы ИЛИ, блок сравнения, первый блок индикации, генератор тактовых импульсов, элемент И и первый распределитель импульсов, тактовый вход которого соединен с выходом генератора тактовых импульсов, а с первого по двадцать четвертый выходы подключены соответственно к четырем входам записи блока входных регистров, к первому и второму входам считывания блока входных регистров, к управляющим входам первого и второго коммутаторов, к входу считывания первого ПЗУ, к входам записи первого и второго регистров, к входам считывания первого и второго регистров, к третьему и четвертому входам считывания блока входных регистров, к управляющим входам с третьего по шестой коммутаторов, к входам запуска первого и второго счетчиков, к тактовым входам первого и второго счетчиков, к управляющему входу элемента И, с первого по четвертый информационные входы блока входных регистров являются входом задания исходной информации устройства, с первого по четвертый выходы блока входных регистров соединены с информационными входами с первого по четвертый коммутаторов, первые выходы первого и второго коммутаторов подключены к входам вычитаемого соответственно первого и второго блоков вычитания, а вторые выходы этих коммутаторов соединены с входами основания соответственно третьего и четвертого блоков возведения в степень, первый выход третьего коммутатора подключен к входу уменьшаемого третьего блока вычитания, а также к первым входам блока сравнения и третьего ПЗУ, первый выход четвертого коммутатора соединен с входом уменьшаемого четвертого блока вычитания, а также с первым входом второго ПЗУ, выход первого счетчика подключен к входу вычитаемого третьего блока вычитания, к входу показателя четвертого блока возведения в степень, а также ко вторым входам блока сравнения и третьего ПЗУ, выход второго счетчика соединен с входом вычитаемого четвертого блока вычитания, с входом показателя третьего блока возведения в степень и со вторым входом второго ПЗУ, выход первого ПЗУ подключен к входам уменьшаемого первого и второго блоков вычитания, выходы которых соединены с информационными входами соответственно второго и первого регистров, выходы которых подключены к входам основания соответственно первого и второго блоков возведения в степень, выходы которых соединены с информационными входами соответственно пятого и шестого коммутаторов, а входы показателей с выходами соответственно первого и второго элементов ИЛИ, первые входы которых подключены к выходам соответственно третьего и четвертого блоков вычитания, а вторые входы – ко вторым выходам соответственно третьего и четвертого коммутаторов, выходы второго и третьего ПЗУ соединены с входами соответственно первого и второго ЭЗ, выходы которых подключены к первым входам соответственно первого и второго блоков умножения, вторые входы которых соединены с выходами соответственно третьего и четвертого блоков возведения в степень, а выходы – с первыми входами соответственно третьего и четвертого блоков умножения, выходы которых подключены соответственно к первому входу первого сумматора и входу третьего ЭЗ, а вторые входы этих блоков умножения – к выходам соответственно четвертого и пятого ЭЗ, входы которых соединены с первыми выходами соответственно шестого и пятого коммутаторов, вторые выходы которых подключены соответственно к первому и второму входам пятого блока умножения, выход которого через шестой ЭЗ соединен с первым входом третьего элемента ИЛИ, второй вход которого через седьмой ЭЗ подключен к первому выходу седьмого коммутатора, а выход – к первому входу второго сумматора, выход которого соединен с информационным входом седьмого коммутатора, а второй вход – с выходом шестого блока умножения, первый вход которого подключен к выходу третьего ЭЗ, а второй вход – к выходу первого сумматора, который этим же выходом соединен через восьмой ЭЗ с первым входом четвертого элемента ИЛИ, выход которого подключен ко второму входу первого сумматора, а второй вход – через девятый элемент задержки к выходу элемента И, информационный вход которого соединен с выходом второго блока возведения в степень, выход блока сравнения через десятый ЭЗ соединен с управляющим входом седьмого коммутатора, второй выход которого подключен к входу первого блока индикации, дополнительно содержит группу входных регистров, состоящую из S элементов, первую и вторую группы коммутаторов, каждая из которых состоит из S элементов, группу блоков умножения, состоящую из S элементов, группу элементов задержки (ЭЗ) и группу сумматоров, каждая из которых состоит из (S-1) элементов, второй блок индикации и второй распределитель импульсов, тактовый вход которого соединен с выходом генератора тактовых импульсов, а двадцать пятый выход подключен к входам записи каждого элемента группы входных регистров, с двадцать шестого по двадцать пятый + S выходы соединены с управляющими входами соответственно первого, второго и так далее вплоть до S-го элемента второй группы коммутаторов, информационные входы каждого из которых подключены к выходу десятого ЭЗ, а выходы элементов этой группы соединены с входами считывания соответствующих элементов группы входных регистров, а также с управляющими входами соответствующих элементов первой группы коммутаторов, информационные входы каждого из которых подключены к выходу седьмого коммутатора, а выходы – к первым входам соответствующих элементов группы блоков умножения, вторые входы каждого из которых соединены с выходами соответствующих элементов группы входных регистров, информационные входы каждого из которых являются входом задания исходной информации устройства, выход каждого из элементов группы блоков умножения, за исключением последнего, подключен к входам соответствующих элементов группы ЭЗ, а выход последнего, S-го элемента группы блоков умножения соединен с первым входом последнего, (S-1)-го элемента группы сумматоров, выходы первого и второго элементов группы ЭЗ подключены соответственно к первому и второму входам первого элемента группы сумматоров, выходы всех остальных элементов группы ЭЗ, начиная с третьего и заканчивая (S-1)-м, соединены с первыми входами соответствующих элементов группы сумматоров, начиная со второго и заканчивая (S-2)-м, а второй вход каждого элемента группы сумматоров, за исключением первого, подключен к выходу предыдущего элемента, выход последнего элемента группы сумматоров соединен с входом второго блока индикации.
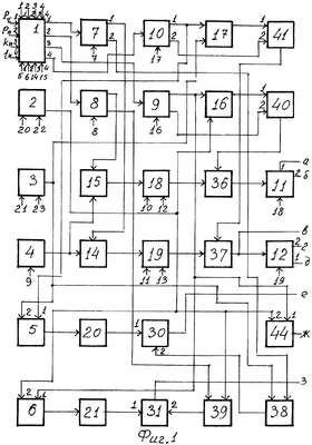
На фиг.1, 2 и 3 представлена функциональная схема устройства для оценки эффективности (для ликвидации громоздкости связи между распределителем импульсов и управляющими входами соответствующих блоков показаны не полностью, а обозначены путем нумерации входов и выходов); на фиг.4 изображена циклограмма работы устройства для оценки эффективности (по оси ординат обозначены номера выходов распределителя импульсов, а по оси абсцисс – число тактов, причем длительность различных вычислительных операций в верхней части фиг.4).
Устройство для оценки эффективности (фиг.1, 2 и 3) содержит блок 1 входных регистров, первый 2 и второй 3 счетчики, первое 4, второе 5 и третье 6 ПЗУ, первый 7, второй 8, третий 9, четвертый 10, пятый 11, шестой 12 и седьмой 13 коммутаторы, первый 14, второй 15, третий 16 и четвертый 17 блоки вычитания, первый 18 и второй 19 регистры, первый 20, второй 21, третий 22, четвертый 23, пятый 24, шестой 25, седьмой 26, восьмой 27, девятый 28 и десятый 29 ЭЗ, первый 30, второй 31, третий 32, четвертый 33, пятый 34 и шестой 35 блоки умножения, первый 36, второй 37, третий 38 и четвертый 39 блоки возведения в степень, первый 40, второй 41, третий 42 и четвертый 43 элементы ИЛИ, блок 44 сравнения, генератор 45 тактовых импульсов, первый 46 и второй 47 сумматоры, первый распределитель 48 импульсов, первый блок 49 индикации, элемент И 50, группу 51 входных регистров, первую 52 и вторую 53 группы коммутаторов, группу 54 блоков умножения, группу 55 ЭЗ, группу 56 сумматоров, второй распределитель 57 импульсов и второй блок 58 индикации. Нумерация управляющих выходов второго распределителя 57 импульсов начинается не с единицы, а с двадцати пяти для того, чтобы не было путаницы с номерами управляющих выходов первого распределителя 48 импульсов.
Устройство для оценки эффективности работает следующим образом. С входа задания исходной информации значения Р , Рn, kи и l подаются на информационные входы блока 1 входных регистров. При этом сигналы на запись поступают на четыре входа записи блока 1 с первого по четвертый выходов первого распределителя 48 импульсов, темп работы которого задается генератором 45 тактовых импульсов (фиг.1, 2 и 3). С входа задания исходной информации величины 1, 2, …, S засылаются на информационные входы группы 51 входных регистров. Сигналы на запись подаются на входы записи группы 51 с двадцать пятого выхода второго распределителя 57 импульсов, темп работы которого задается генератором 45 тактовых импульсов. По сигналам с пятого и шестого выходов первого распределителя 48 импульсов величины P и Pn с первого и второго выходов блока 1 входных регистров подаются на информационные входы соответственно первого 7 и второго 8 коммутаторов, на управляющие входы которых засылаются сигналы соответственно с седьмого и восьмого выходов первого распределителя 48 импульсов. Благодаря наличию этих управляющих сигналов величины Р и Рn подаются с первых выходов коммутаторов 7 и 8 на входы вычитаемого соответственно первого 14 и второго 15 блоков вычитания. По сигналу с девятого выхода первого распределителя 48 импульсов с выхода первого ПЗУ 4 поступает «единица» на входы уменьшаемого блоков 14 и 15, с выходов которых сигналы, соответствующие величинам (1-Р ) и (1-Рn), поступают на информационные входы соответственно второго 19 и первого 18 регистров. При этом управляющие сигналы на блоки 18 и 19 для записи этих величин подаются с десятого и одиннадцатого выходов первого распределителя 48 импульсов.
По сигналам с двенадцатого и тринадцатого выходов первого распределителя 48 импульсов на входы считывания первого 18 и второго 19 регистров с их выходов величины (1-Рn) и (1-Р ) направляются на входы основания соответственно первого 36 и второго 37 блоков возведения в степень. С третьего и четвертого выходов блока 1 входных регистров по сигналам с четырнадцатого и пятнадцатого выходов первого распределителя 48 импульсов на третий и четвертый входы считывания блока 1 величины kи и lи подаются на информационные входы соответственно третьего 9 и четвертого 10 коммутаторов. Со вторых выходов этих коммутаторов значения kи и lи засылаются на вторые входы соответственно первого 40 и второго 41 элементов ИЛИ (сигналы на управляющие входы третьего 9 и четвертого 10 коммутаторов подаются соответственно с шестнадцатого и семнадцатого выходов первого распределителя 48 импульсов), с выходов которых эти величины направляются на входы показателя соответственно первого 35 и второго 37 блоков возведения в степень.
С выходов блоков 36 и 37 значения и поступают на информационные входы соответственно пятого 11 и шестого 12 коммутаторов, со вторых выходов которых эти значения подаются соответственно на второй и первый входы пятого блока 34 умножения (сигналы на управляющие входы пятого 11 и шестого 12 коммутаторов направляются соответственно с восемнадцатого и девятнадцатого выходов первого распределителя 48 импульсов). Кроме того, величина с выхода второго блока 37 возведения в степень засылается через элемент И 50 на вход девятого ЭЗ 28. Сигнал на пропуск этой величины подается на управляющий вход блока 50 с двадцать четвертого выхода первого распределителя 48 импульсов. С выхода блока 34 величина поступает на вход шестого ЭЗ 25. Это значение соответствует первому слагаемому формулы (3) при kj=i=0.
В соответствии с циклограммой работы устройства (фиг.4) с двадцатого и двадцать первого выходов первого распределителя 48 импульсов управляющие сигналы подаются на входы запуска первого 2 и второго 3 счетчиков (фиг.1, 2 и 3). После этого с двадцать второго и двадцать третьего выходов блока 48 направляются сигналы на тактовые входы счетчиков 2 и 3. Таким образом, на выходе первого счетчика 2 формируется величина kj=1, которая поступает на вторые входы третьего ПЗУ 6 и блока 44 сравнения, на вход показателя четвертого блока 39 возведения в степень и на вход вычитаемого третьего блока 16 вычитания. На выходе второго счетчика 3 будет появляться значение i=1, направляемое на второй вход второго ПЗУ 5, на вход показателя третьего блока 38 возведения в степень и на вход вычитаемого четвертого блока 17 вычитания.
По сигналам с четырнадцатого и пятнадцатого выходов первого распределителя 48 импульсов на третий и четвертый входы считывания блока 1 входных регистров с третьего и четвертого выходов этого блока значения kи и lи поступают на информационные входы соответственного третьего 9 и четвертого 10 коммутаторов. Причем в данной ситуации управляющие сигналы на эти коммутаторы не подаются, поэтому величины kи и lи будут появляться на их первых выходах. Значение lи направляется на вход уменьшаемого четвертого блока 17 вычитания и на первый вход второго ПЗУ 5. Величина kи засылается на вход уменьшаемого третьего блока 16 вычитания, на первые входы третьего ПЗУ 6 и блока 44 сравнения. Блок 44 настроен следующим образом. При соблюдении неравенства kjи на его выходе появится сигнал. А в случае, когда kj=kи на выходе сигнал будет отсутствовать.
С выходов второго 5 и третьего 6 ПЗУ значения и подаются на входы соответственно первого 20 и второго 21 ЭЗ. С выходов третьего 16 и четвертого 17 блоков вычитания величины (kи-kj) и (lи-i) поступают на первые входы соответственно первого 40 и второго 41 элементов ИЛИ, с выходов которых эти величины направляются на входы показателя соответственно первого 36 и второго 37 блоков возведения в степень. На входы основания этих блоков с выходов соответственно первого 18 и второго 19 регистров поступают по сигналам на входы считывания этих регистров с двенадцатого и тринадцатого выходов первого распределителя 48 импульсов значения (1-Рn) и (1-P ). С выходов первого 36 и второго 37 блоков возведения в степень величины и подаются на информационные входы соответственно пятого 11 и шестого 12 коммутаторов, с первых выходов которых эти величины поступают на входы соответственно пятого 24 и четвертого 23 ЭЗ. В данной ситуации управляющие сигналы на эти коммутаторы не подаются.
С первого и второго выходов блока 1 входных регистров по сигналам на первый и второй входы считывания с пятого и шестого выходов первого распределителя 48 импульсов значения Р и Рn засылаются на информационные входы соответственно первого 7 и второго 8 коммутаторов. В этом случае управляющие сигналы на их управляющие входы не подаются, поэтому величины P и Рn со вторых выходов коммутаторов 7 и 8 подаются на входы основания соответственно третьего 38 и четвертого 39 блоков возведения в степень, с выходов которых значения и направляются на вторые входы соответственно первого 30 и второго 31 блоков умножения. На первые входы этих блоков с выходов соответственно первого 20 и второго 21 ЭЗ поступают величины и 
С выходов первого 30 и второго 31 блоков умножения значения и засылаются на первые входы соответственно третьего 32 и четвертого 33 блоков умножения, на вторые входы которых подаются с выходов соответственно четвертого 23 и пятого 24 ЭЗ величины и С выхода третьего блока 32 умножения значения направляется на первый вход первого сумматора 46, а величина с выхода четвертого блока 33 умножения поступает на вход третьего ЭЗ 22.
На второй вход первого сумматора 46 с выхода девятого ЭЗ 28 через четвертый элемент ИЛИ 43 засылается значение соответствующее случаю i=0. С выхода этого сумматора величина при i=1 подается на вход восьмого ЭЗ 27 и на второй вход шестого блока 35 умножения, на второй вход которого направляется с выхода третьего ЭЗ 22 значение С выхода блока 35 величина при i=0 и 1, kj=1 поступает на второй вход второго сумматора 47, на первый вход которого с выхода шестого ЭЗ 25 через третий элемент ИЛИ 42 засылается значение при i=0, kj=0.
С выхода второго сумматора 47 величина Wr, определяемая по формуле (1) для случая i=0 и 1, kj=0 и 1, подается на информационный вход седьмого коммутатора 13. Поскольку в данной ситуации kjи (как правило kи>1), то на выходе блока 44 сравнения будет сигнал, который через десятый ЭЗ 29 направляется на управляющий вход седьмого коммутатора 13. Следовательно, с первого выхода этого коммутатора промежуточное значение Wr засылается на вход седьмого ЭЗ 26 для последующего суммирования при kj=2.
В дальнейшем работа устройства происходит по описанному выше порядку. Когда kj=kи, на выходе блока 44 сравнения сигнал будет отсутствовать и уже конечное значение Wr со второго выхода седьмого коммутатора 13 поступает на первый блок 49 индикации для наглядного отображения, а также на информационные входы первой группы 52 коммутаторов, следует иметь ввиду, что это первое значение Wr (при i=1), т.е. W1. Одновременно с выхода десятого Э329 на входы второй группы 53 коммутаторов поступает сигнал, который проходит только через первый коммутатор группы 53 благодаря наличию управляющего сигнала с двадцать шестого выхода второго распределителя 57 импульсов. По этой причине управляющие сигналы поступают только на первый коммутатор группы 52 и на вход считывания первого входного регистра группы 51. Следовательно, на первый и второй входы первого элемента группы 54 блоков умножения будут поступать соответственно величины W1 и 1. С выхода этого элемента группы 54 значение 1·W1 подается на вход первого элемента группы 55 ЭЗ.
Аналогичным образом осуществляется определение показателя эффективности для второй СМО. Единственное отличие будет заключаться в том, что на информационные входы блока 1 входных регистров засылаются другие исходные данные. Значения W2 и 2 будут подаваться с выходов вторых элементов первой группы 52 коммутаторов и группы 51 входных регистров за счет наличия управляющего сигнала на двадцать седьмом выходе второго распределителя 57 импульсов. Таким образом, с выхода второго элемента группы 54 блоков умножения на вход второго элемента группы 55 ЭЗ засылается сигнал, соответствующий величине 2·W2.
С выходов первого и второго элементов группы 55 ЭЗ величины 1·W1 и 2·W2 поступают одновременно на первый и второй входы соответственно первого элемента группы 56 сумматоров, с выхода которого значение 1·W1+ 2·W2 подается на второй вход второго элемента группы 56 сумматоров. На первый вход этого элемента с выхода третьего элемента группы 55 ЭЗ засылается величина 3·W3, вычисленная по уже описанной схеме. Следовательно, на выходе последнего элемента группы 56 сумматоров будет иметь место величина W , вычисляемая по формуле (2), которая направляется на второй блок 58 индикации для наглядного отображения.
Таким образом, технический результат достигается не за счет использования математического аппарата, а за счет технических средств (блоков и элементов), упомянутых в процессе описания работы устройства, которое позволяет расширить функциональные возможности за счет наличия оценки обобщенного показателя эффективности технических комплексов, состоящих из нескольких СМО. Следует подчеркнуть, что описанное устройство позволяет учитывать важность каждой из СМО, входящей в состав технического комплекса, путем использования весовых коэффициентов.
Промышленная применимость изобретения обосновывается тем, что оно может быть использовано в различных областях (отраслях) в процессе оценки эффективности различных технических комплексов, состоящих, например, из нескольких СМО.
Формула изобретения
Устройство для оценки эффективности технических комплексов, содержащее четыре блока вычитания, шесть блоков умножения, два сумматора, блок входных регистров, два счетчика, с первого по третье постоянное запоминающее устройство (ПЗУ), семь коммутаторов, десять элементов задержки (ЭЗ), два регистра, четыре блока возведения в степень, четыре элемента ИЛИ, блок сравнения, блок индикации, генератор тактовых импульсов, элемент И и распределитель импульсов, тактовый вход которого соединен с выходом генератора тактовых импульсов, а с первого по двадцать четвертый выходы подключены соответственно к четырем входам записи блока входных регистров, к первому и второму входам считывания блока входных регистров, к управляющим входам первого и второго коммутаторов, к входу считывания первого ПЗУ, к входам записи первого и второго регистров, к входам считывания первого и второго регистров, к третьему и четвертому входам считывания блока входных регистров, к управляющим входам с третьего по шестой коммутаторов, к входам запуска первого и второго счетчиков, к тактовым входам первого и второго счетчиков, к управляющему входу элемента И, с первого по четвертый информационные входы блока входных регистров являются входом задания исходной информации устройства, на которые поступают значения Р , Pn, kи, lи, которые соответственно характеризуют вероятность поступления заявки на обслуживание, вероятность безотказной работы одного канала обслуживания в прогнозируемый момент времени, исходное располагаемое число каналов обслуживания без учета возможности отказов, потенциально возможное количество заявок на обслуживание, с первого по четвертый выходы блока входных регистров соединены с информационными входами с первого по четвертый коммутаторов, первые выходы первого и второго коммутаторов подключены к входам вычитаемого соответственно первого и второго блоков вычитания, а вторые выходы этих коммутаторов соединены с входами основания соответственно третьего и четвертого блоков возведения в степень, первый выход третьего коммутатора подключен к входу уменьшаемого третьего блока вычитания, а также к первым входам блока сравнения и третьего ПЗУ, первый выход четвертого коммутатора соединен с входом уменьшаемого четвертого блока вычитания, а также с первым входом второго ПЗУ, выход первого счетчика подключен к входу вычитаемого третьего блока вычитания, к входу показателя четвертого блока возведения в степень, а также ко вторым входам блока сравнения и третьего ПЗУ, выход второго счетчика соединен с входом вычитаемого четвертого блока вычитания, с входом показателя третьего блока возведения в степень и со вторым входом второго ПЗУ, выход первого ПЗУ подключен к входам уменьшаемого первого и второго блоков вычитания, выходы которых соединены с информационными входами соответственно второго и первого регистров, выходы которых подключены к входам основания соответственно первого и второго блоков возведения в степень, выходы которых соединены с информационными входами соответственно пятого и шестого коммутаторов, а входы показателей с выходами соответственно первого и второго элементов ИЛИ, первые входы которых подключены к выходам соответственно третьего и четвертого блоков вычитания, а вторые входы – ко вторым выходам соответственно третьего и четвертого коммутаторов, выходы второго и третьего ПЗУ соединены с входами соответственно первого и второго ЭЗ, выходы которых подключены к первым входам соответственно первого и второго блоков умножения, вторые входы которых соединены с выходами соответственно третьего и четвертого блоков возведения в степень, а выходы – с первыми входами соответственно третьего и четвертого блоков умножения, выходы которых подключены соответственно к первому входу первого сумматора и входу третьего ЭЗ, а вторые входы этих блоков умножения – к выходам соответственно четвертого и пятого ЭЗ, входы которых соединены с первыми выходами соответственно шестого и пятого коммутаторов, вторые выходы которых подключены соответственно к первому и второму входам пятого блока умножения, выход которого через шестой ЭЗ соединен с первым входом третьего элемента ИЛИ, второй вход которого через седьмой ЭЗ подключен к первому выходу седьмого коммутатора, а выход – к первому входу второго сумматора, выход которого соединен с информационным входом седьмого коммутатора, а второй вход – с выходом шестого блока умножения, первый вход которого подключен к выходу третьего ЭЗ, а второй вход – к выходу первого сумматора, который этим же выходом соединен через восьмой ЭЗ с первым входом четвертого элемента ИЛИ, выход которого подключен ко второму входу первого сумматора, а второй вход – через девятый элемент задержки к выходу элемента И, информационный вход которого соединен с выходом второго блока возведения в степень, выход блока сравнения через десятый ЭЗ соединен с управляющим входом седьмого коммутатора, второй выход которого подключен к входу первого блока индикации, отличающееся тем, что оно дополнительно содержит группу входных регистров, состоящую из S элементов, где S – количество систем массового обслуживания в составе технического комплекса, первую и вторую группы коммутаторов, каждая из которых состоит из S элементов, группу блоков умножения, состоящую из S элементов, группу элементов задержки и группу сумматоров, каждая из которых состоит из (S-1) элементов, второй блок индикации и второй распределитель импульсов, тактовый вход которого соединен с выходом генератора тактовых импульсов, первый выход второго распределителя импульсов подключен к входам записи каждого элемента группы входных регистров, со второго по (S+1)-й выходы второго распределителя импульсов соединены с управляющими входами первого – S-го элемента второй группы коммутаторов соответственно, информационные входы каждого из которых подключены к выходу десятого ЭЗ, а выходы элементов этой группы соединены с входами считывания соответствующих элементов группы входных регистров, а также с управляющими входами соответствующих элементов первой группы коммутаторов, информационные входы каждого из которых подключены ко второму выходу седьмого коммутатора, а выходы – к первым входам соответствующих элементов группы блоков умножения, вторые входы каждого из которых соединены с выходами соответствующих элементов группы входных регистров, информационные входы каждого из которых являются входом задания исходной информации устройства, на которые поступают весовые коэффициенты r, определяющие важность r-й системы массового обслуживания, выход каждого из элементов группы блоков умножения, за исключением последнего, подключен к входам соответствующих элементов группы ЭЗ, а выход последнего S-го элемента группы блоков умножения соединен с первым входом последнего (S-1)-го элемента группы сумматоров, выходы первого и второго элементов группы ЭЗ подключены соответственно к первому и второму входам первого элемента группы сумматоров, выходы всех остальных элементов группы ЭЗ, начиная с третьего и заканчивая (S-1)-м, соединены с первыми входами соответствующих элементов группы сумматоров, начиная со второго и заканчивая (S-2)-м, а второй вход каждого элемента группы сумматоров, за исключением первого, подключен к выходу предыдущего элемента, выход последнего элемента группы сумматоров соединен с входом второго блока индикации.
РИСУНКИ
|
|