|
|
(21), (22) Заявка: 2006109979/28, 28.03.2006
(24) Дата начала отсчета срока действия патента:
28.03.2006
(46) Опубликовано: 20.09.2007
(56) Список документов, цитированных в отчете о поиске:
Справочник проектировщика: Расчетно-теоретический. – М.: Госстройиздат, 1961. SU 741093 A1, 15.06.1980. SU 1640595 A1, 23.11.1986. RU 2001118424 A, 10.07.2003. US 4446733, 08.05.1984.
Адрес для переписки:
302020, г.Орел, Наугорское ш., 29, ОрелГТУ
|
(72) Автор(ы):
Коробко Виктор Иванович (RU), Турков Андрей Викторович (RU), Гвозков Павел Александрович (RU), Бояркина Ольга Владимировна (RU)
(73) Патентообладатель(и):
Государственное образовательное учреждение высшего профессионального образования “Орловский государственный технический университет” (ОрелГТУ) (RU)
|
(54) СПОСОБ ОПРЕДЕЛЕНИЯ ИЗГИБНОЙ ЖЕСТКОСТИ УКРУПНИТЕЛЬНОГО СТЫКА ОДНОПРОЛЕТНЫХ СОСТАВНЫХ БАЛОК ПОСТОЯННОГО СЕЧЕНИЯ (ВАРИАНТЫ)
(57) Реферат:
Изобретение относится к области строительства и предназначено для динамического контроля жесткости составных деревянных конструкций. Техническим результатом изобретения является возможность определения изгибной жесткости укрупнительного стыка (стыков) для балочных конструкций. Способ основан на закреплении балки на опорах, нагружении ее некоторой равномерно распределенной нагрузкой, измерении максимального прогиба балки и аналитическом определении жесткости. Для этого изготавливают 8…10 балок одинакового сечения с постепенно уменьшающимся отношением изгибных жесткостей стыка и цельного сечения, для каждой из этих балок определяют максимальный прогиб от действия равномерно распределенной нагрузки и строят графически или аналитически эталонную зависимость «максимальный прогиб – отношение изгибных жесткостей стыка и цельного сечения балки», а изгибную жесткость укрупнительного стыка контролируемой балки находят с помощью этой зависимости. Аналогично осуществляют способ, возбуждая в балке свободные поперечные колебания на основной частоте или вынужденных колебаний на первой резонансной частоте, измеряют эту частоту колебаний и аналитически определяют жесткость по зависимости «основная или первая резонансная частота колебаний – отношение изгибных жесткостей стыка и цельного сечения балки». 2 н.п. ф-лы, 2 ил., 1 табл.
Изобретение относится к области строительства и предназначено для определения изгибной жесткости укрупнительных стыков составных деревянных конструкций балочного типа.
Известен способ определения изгибной жесткости балки EI постоянного сечения по результатам ее пробного статического нагружения, который вытекает из расчетной формулы для определения максимального прогиба балок w0, находящихся под действием равномерно распределенной нагрузки интенсивностью q [1, с.374, 387]:

где – коэффициент пропорциональности, зависящий от условий закрепления концов балки; l – пролет балки; Е – модуль упругости материала; I – момент инерции сечения. Этот способ, принятый в качестве прототипа, заключается в закреплении концов балки на стенде или в сооружении, нагружении ее определенной нагрузкой q, измерении величины максимального прогиба и определении изгибной жесткости балки по второй формуле из выражений (1).
Этот способ не позволяет найти величину изгибной жесткости укрупнительного стыка в однопролетной балке, поскольку он дает некоторую усредненную величину изгибной жесткости всей балки с учетом ослабления ее сечения в укрупнительном стыке (стыках).
Известен способ определения изгибной жесткости балок по основной (или первой резонансной) частоте их изгибных колебаний [1, с.936-937, 942], который вытекает из расчетной формулы для определения основной частоты колебаний балок :

где 2 – коэффициент пропорциональности (собственное значение дифференциального уравнения колебаний балок), зависящий от условий закрепления концов балки; m – погонная масса балки. Этот способ, принятый также в качестве прототипа по второму варианту, заключается в закреплении концов балки на стенде или в сооружении, возбуждении в ней свободных колебаний (или вынужденных на первой резонансной частоте), измерении этой частоты колебаний и определении изгибной жесткости балки по второй формуле из выражений (2).
Этот способ менее трудоемкий, чем первый, но он также не позволяет найти величину изгибной жесткости укрупнительного стыка в однопролетной балке, поскольку, как и первый прототип, дает некоторую усредненную величину изгибной жесткости всей балки с учетом ослабления ее сечения в укрупнительном стыке (стыках).
Задача, на решение которой направлено изобретение, состоит в распространении известного способа определения изгибной жесткости балки постоянного сечения для определения изгибной жесткости укрупнительного стыка (стыков) для балочных конструкций с неопределенными граничными условиями и неизвестной изгибной жесткостью основного сечения.
Это достигается тем, что в способе определения изгибной жесткости укрупнительного стыка однопролетной составной балки постоянного сечения, заключающемся в закреплении балки на опорах испытательного стенда или непосредственно в сооружении, нагружении ее некоторой равномерно распределенной нагрузкой, измерении максимального прогиба балки и аналитическом определении жесткости, изготавливают 8…10 балок одинакового сечения с постепенно уменьшающимся отношением изгибных жесткостей стыка и цельного сечения, для каждой из этих балок определяют максимальный прогиб от действия равномерно распределенной нагрузки и строят графически или аналитически эталонную зависимость «максимальный прогиб – отношение изгибных жесткостей стыка и цельного сечения балки», а изгибную жесткость укрупнительного стыка контролируемой балки находят с помощью этой зависимости.
Такого же результата можно достичь, если в способе определения изгибной жесткости укрупнительного стыка однопролетных составных балок постоянного сечения, заключающемся в закреплении балки на опорах испытательного стенда или непосредственно в сооружении, возбуждении в ней свободных поперечных колебаний в ненагруженном состоянии на основной частоте или вынужденных колебаний на первой резонансной частоте, измерении этой частоты колебаний и аналитическом определении жесткости, изготавливают 8…10 балок одинакового сечения с постепенно уменьшающимся отношением изгибных жесткостей стыка и цельного сечения, для каждой из этих балок определяют основную или резонансную частоту колебаний в ненагруженном состоянии и строят графически и аналитически эталонную зависимость «основная или первая резонансная частота колебаний – отношение изгибных жесткостей стыка и цельного сечения балки», а изгибную жесткость укрупнительного стыка контролируемой балки находят с помощью этой зависимости.
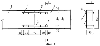
Осуществление заявляемых способов поясняется чертежами. На фиг.1 представлена схема вертикального укрупнительного стыка деревянной балки, включающая соединяемые части балки 1, металлические накладки 2, которые крепятся к отдельным частям балки 1 с помощью металлических нагелей 3.
На фиг.2 представлены графики изменения максимального прогиба (вогнутая кривая) и основной частоты колебаний (выпуклая кривая) балки в зависимости от отношения изгибных жесткостей стыка и цельного сечения балки k=(EI)с/(EI)б.
При выполнении укрупнительного стыка балки стремятся к тому, чтобы его изгибная жесткость была не ниже изгибной жесткости основного сечения. Однако это не всегда получается, особенно в деревянных балках, поскольку стыковое соединение обладает некоторой податливостью при ее нагружении, увеличивая максимальный прогиб балки под действием заданной нагрузки и снижая основную (или первую резонансную) частоту колебаний (см. формулы (1) и (2)). Прямых аналитических зависимостей, связывающих максимальный прогиб и основную частоту колебаний с изгибной жесткостью стыкового соединения, в учебной и научной литературе нет.
Изгибную жесткость стыкового соединения можно определить экспериментально-теоретическим путем. При этом величину максимального прогиба от действия некоторой равномерно распределенной нагрузки находят экспериментально, а по этой величине, зная изгибную жесткость основного сечения балки и ее граничные условия, с помощью метода конечных элементов, используя способ последовательных итераций, можно определить изгибную жесткость укрупнительного стыка. При этом длину конечного элемента следует принимать равной длине укрупнительного стыка балки или кратной ей.
Аналогично изгибную жесткость укрупнительного стыка можно определить по экспериментально найденной основной (или первой резонансной) частоте колебаний.
Этот способ обладает рядом недостатков: он является достаточно трудоемким; требует знания величины изгибной жесткости основного сечения балки и ее действительных граничных условий. Два последних недостатка весьма существенны, поскольку для конструкций, стоящих непосредственно в сооружении, указать действительные граничные условия и действительную изгибную жесткость основного сечения балки бывает вообще невозможно.
Как показали эксперименты, и максимальный прогиб, и основная частота колебаний составных балок функционально зависят от изгибной жесткости стыка или от отношения изгибных жесткостей стыка (EI)с и основного сечения балки (EI)б. Поэтому, построив на основании испытаний эталонных балок аналитические зависимости «максимальный прогиб – отношение (EI)с/(EI)б», можно по величине максимального прогиба конкретной балки с неопределенными граничными условиями, стоящей в сооружении, найти изгибную жесткость укрупнительного стыка.
Аналогично это можно осуществить и по основной (или первой резонансной) частоте колебаний, если построить на основании испытания эталонных балок аналитическую зависимость «основная (или первая резонансная) частота колебаний – (EI)с/(EI)б».
Поэтому для реализации предлагаемого способа определения изгибной жесткости укрупнительного стыка составных балок необходимо экспериментально построить зависимости w0 – (EI)с/(EI)б и 0 – (EI)с/(EI)б в широком диапазоне изменения отношения изгибных жесткостей стыка и основного сечении балки.
Способ осуществляется следующим образом. Изготавливают несколько (8…10 штук) однотипных моделей деревянных балок из одной и той же древесины с укрупнительным стыком (или стыками), расположенными в заданных сечениях. Одну из балок выполняют без стыков, а остальные с уменьшающейся изгибной жесткостью стыка. Все балки испытывают динамическим и статическим методами. При динамических испытаниях определяют основную (или первую резонансную) частоту колебаний балок в ненагруженном состоянии, а при статических испытаниях – величину максимального прогиба от действия равномерно распределенной нагрузки q. По полученным данным строят аналитические зависимости w0 – (EI)с/(EI)б и 0 – (EI)с/(EI)б.
Для контролируемой балки с неизвестной изгибной жесткостью стыка определяют основную (или первую резонансную) частоту колебаний в ненагруженном состоянии, а затем максимальный прогиб под действием той же нагрузки, что и при испытании эталонных балок, и по этим физическим характеристикам определяют величину отношения (EI)с/(EI)б, а по нему – изгибную жесткость стыка.
Пример реализации способа.
Для шарнирно опертой по концам деревянной составной балки с поперечным сечением в виде прямоугольника b·h=50·150 мм, длиной 2,9 м и вертикальным стыком в середине пролета были теоретически с помощью метода конечных элементов вычислены значения ее максимального прогиба w0 от действия равномерно распределенной нагрузки q и основной частоты колебаний в ненагруженном состоянии 0. При расчете балка разбивалась на 55 конечных элементов. Изгибная жесткость элемента, расположенного в середине пролета, (жесткость стыка) варьировалась в широких пределах от 140 кН·м2, что соответствовало изгибной жесткости цельного сечения балки (балке без укрупнительного стыка), до 1 кН·м2.
Величина максимального прогиба составной балки определялась от нагрузки интенсивностью q=82,8 Н/м, а при определении основной частоты колебаний балки в узлы конечных элементов прикладывались сосредоточенные массы от собственного веса балки m=0,185 кг/м.
Модуль упругости древесины, принятый в теоретическом расчете, определялся экспериментально по образцам, взятым из древесины изготовленных балок, по ГОСТ 16483.9-73 и составил 12003 МПа.
Результаты расчета балки приведены в таблице 1 (колонки 4 и 5).
| Таблица 1 – Результаты теоретического расчета деревянных балок с переменной изгибной жесткостью вертикального укрупнительного стыка в середине пролета |
| №№ п/п |
Жесткость стыка (EI)c, кНм2 |
Отношение жесткостей, k=(EI)c/(EI)б |
Круговая частота колебаний основного тона 0, с-1 |
Максимальный прогиб w0, мм |
k по (3) кНм2 |
Разница, % |
k по (4) кНм2 |
Разница, % |
| 1 |
2 |
3 |
4 |
5 |
6 |
7 |
8 |
9 |
| 1 |
140 |
1,000 |
241,7 |
0,544 |
0,999 |
0,10 |
1,00 |
0,00 |
| 2 |
100 |
0,714 |
239,8 |
0,554 |
0,716 |
0,28 |
0,717 |
0,42 |
| 3 |
80 |
0,571 |
238,1 |
0,563 |
0,571 |
0 |
0,569 |
0,35 |
| 4 |
60 |
0,429 |
235,5 |
0,578 |
0,426 |
0,70 |
0,429 |
0,00 |
| 5 |
40 |
0,286 |
230,5 |
0,607 |
0,286 |
0 |
0,287 |
0,35 |
| 6 |
20 |
0,143 |
217,3 |
0,695 |
0,143 |
0 |
0,144 |
0,49 |
| 7 |
10 |
0,071 |
196,4 |
0,871 |
0,072 |
1,41 |
0,72 |
1,41 |
| 8 |
8 |
0,057 |
187,9 |
0,958 |
0,058 |
1,75 |
0,057 |
1,75 |
| 9 |
6 |
0,043 |
176,0 |
1,105 |
0,043 |
0 |
0,043 |
0,00 |
| 10 |
4 |
0,029 |
157,6 |
1,398 |
0,029 |
0 |
0,029 |
0,00 |
| 11 |
2 |
0,014 |
124,8 |
2,277 |
0,014 |
0 |
0,014 |
0,00 |
| 12 |
1 |
0,007 |
94,5 |
4,035 |
0,007 |
0 |
0,007 |
0,00 |
По данным, приведенным в колонках 3, 4 и 5, построены графики изменения максимального прогиба балки и основной частоты колебаний в зависимости от отношения изгибных жесткостей стыка и сечения балки, которые графически представлены на фиг.2. По этим же данным построены зависимости


с помощью которых можно по величине максимального прогиба или по основной (или первой резонансной) частоте колебаний определять изгибную жесткость укрупнительного стыка.
В колонке 6 таблицы 1 приведены значения отношения k=(EI)c/(EI)б, полученные по формуле (3), а в колонке 8 – по формуле (4). Как видно из этих данных, найденные значения коэффициента k с хорошей точностью описывают действительные значения этого коэффициента (см. колонки 7 и 9).
Затем была изготовлена балка с указанными выше размерами. Для создания жесткого укрупнительного стыка использовались стальные полосы сечением 20·1 мм, крепление которых осуществлялось стальными нагелями 3 диаметром 4 мм (фиг.1). Для этой балки были экспериментально определены резонансная частота колебаний в ненагруженном состоянии ( 0=218,6 с-1) и максимальный прогиб от нагрузки q=82,8 Н/м (w0=0,0068 м).
При определении резонансной частоты колебаний балки поперечные колебания возбуждались электродвигателем постоянного тока с дисбалансом 15 г, скорость вращения вала двигателя регулировалась при помощи блока питания. Частота колебаний определялась при помощи электронного частотомера марки ЧЗ-63/1, а момент наступления резонанса контролировался осциллографом марки С1-65-А по максимальной амплитуде входного сигнала.
Подставляя величину максимального прогиба в формулу (3), получим:

Этому значению коэффициента k соответствует изгибная жесткость укрупнительного стыка (EI)с=0,157·140=21,95 кНм2.
Подставляя резонансную частоту колебаний в формулу (4), получим:

Этому значению коэффициента k соответствует изгибная жесткость укрупнительного стыка (EI)с=0,152·140=21,28 кНм2.
Из этих результатов видно, что изгибные жесткости укрупнительного стыка, полученные двумя предложенными способами, незначительно отличаются друг от друга.
Таким образом, технический результат (распространение известного способа определения изгибной жесткости балки постоянного сечения для определения изгибной жесткости укрупнительного стыка для балочных конструкций с неопределенными граничными условиями и неизвестной изгибной жесткостью основного сечения) достигается за счет построения аналитических зависимостей «максимальный прогиб – отношение изгибных жесткостей стыка и основного сечения балки» и «основная (или первая резонансная) частота колебаний – отношение изгибных жесткостей стыка и основного сечения балки».
Источник информации
1. Справочник проектировщика: Расчетно-теоретический. – М.: Госсторойиздат, 1961. – 1040 с.
Формула изобретения
1. Способ определения изгибной жесткости укрупнительного стыка однопролетной составной балки постоянного сечения, заключающийся в закреплении балки на опорах испытательного стенда или непосредственно в сооружении, нагружении ее некоторой равномерно распределенной нагрузкой, измерении максимального прогиба балки и аналитическом определении жесткости, отличающийся тем, что изготавливают 8…10 балок одинакового сечения с постепенно уменьшающимся отношением изгибных жесткостей стыка и цельного сечения, для каждой из этих балок определяют максимальный прогиб от действия равномерно распределенной нагрузки и строят графически или аналитически эталонную зависимость «максимальный прогиб – отношение изгибных жесткостей стыка и цельного сечения балки», а изгибную жесткость укрупнительного стыка контролируемой балки находят с помощью этой зависимости.
2. Способ определения изгибной жесткости укрупнительного стыка однопролетной составной балки постоянного сечения, заключающийся в закреплении балки на опорах испытательного стенда или непосредственно в сооружении, возбуждении в ней свободных поперечных колебаний в ненагруженном состоянии на основной частоте или вынужденных колебаний на первой резонансной частоте, измерении этой частоты колебаний и аналитическом определении жесткости, отличающийся тем, что изготавливают 8…10 балок одинакового сечения с постепенно уменьшающимся отношением изгибных жесткостей стыка и цельного сечения, для каждой из этих балок определяют основную или резонансную частоту колебаний в ненагруженном состоянии и строят графически или аналитически эталонную зависимость «основная или первая резонансная частота колебаний – отношение изгибных жесткостей стыка и цельного сечения балки», а изгибную жесткость укрупнительного стыка контролируемой балки находят с помощью этой зависимости.
РИСУНКИ
MM4A – Досрочное прекращение действия патента СССР или патента Российской Федерации на изобретение из-за неуплаты в установленный срок пошлины за поддержание патента в силе
Дата прекращения действия патента: 29.03.2008
Извещение опубликовано: 20.03.2010 БИ: 08/2010
|
|