|
|
(21), (22) Заявка: 2006101465/09, 20.01.2006
(24) Дата начала отсчета срока действия патента:
20.01.2006
(46) Опубликовано: 27.08.2007
(56) Список документов, цитированных в отчете о поиске:
RU 2260843 C1, 20.09.2005. RU 2251727 C1, 10.02.2005. RU 2107943 C1, 20.08.2003. WO 02/082224 A2, 17.10.2002. JP 2002024255 A, 25.01.2002.
Адрес для переписки:
119607, Москва, ул. Удальцова, 85, ФГУП “Научно-исследовательский институт “Восход”, руководителю патентной группы
|
(72) Автор(ы):
Юхневич Леонид Александрович (RU), Старостин Владимир Васильевич (RU), Романов Анатолий Николаевич (RU), Митрохин Александр Владимирович (RU), Мансуров Ахмет Шамильевич (RU)
(73) Патентообладатель(и):
Федеральное государственное унитарное предприятие “Научно-исследовательский институт “Восход” (RU)
|
(54) АВТОМАТИЗИРОВАННАЯ СИСТЕМА СБОРА И ОБРАБОТКИ ДАННЫХ СУДЕБНОГО И ИСПОЛНИТЕЛЬНОГО ДЕЛОПРОИЗВОДСТВА
(57) Реферат:
Изобретение относится к вычислительной технике, в частности к автоматизированной системе сбора и обработки данных судебного и исполнительного делопроизводства государственной автоматизированной системы “Правосудие”. Техническим результатом является повышение быстродействия системы путем исключения поиска обновляемых данных по всей базе данных и локализации поиска только по временным и отличительным признакам идентификаторов судов. Система содержит блок приема записей судебных дел, блок приема запросов пользователей, блок приема записей дел базы данных сервера, блок селекции опорного адреса записи, блок селекции опорного адреса считывания, блок селекции адреса пользователя, блок формирования текущего адреса записи, первый и второй сумматоры, блок формирования адреса временного периода, блок формирования адресов базы данных сервера, блок управления записью и считыванием данных и блок выдачи данных. 9 ил.
Изобретение относится к вычислительной технике, в частности к автоматизированной системе сбора и обработки данных судебного и исполнительного делопроизводства государственной автоматизированной системы “Правосудие”.
Государственная автоматизированная система РФ “Правосудие” – это территориально распределенная автоматизированная информационная система, предназначенная для формирования единого информационного пространства судов общей юрисдикции и системы Судебного департамента при Верховном Суде Российской Федерации (СД), обеспечивающая информационную и технологическую поддержку судопроизводства на принципах поддержания требуемого баланса между потребностью граждан, общества и государства в свободном обмене информацией и необходимыми ограничениями на распространение информации.
Известны системы, которые могли бы быть использованы для решения поставленной задачи [1, 2].
Первая из известных систем содержит блоки приема и хранения данных, соединенные с блоками управления и обработки данных, блоки поиска и селекции, подключенные к блокам хранения данных и отображения, синхронизирующие входы которых соединены с выходами блока управления [1].
Существенный недостаток данной системы состоит в невозможности решения задачи обновления данных, хранимых в памяти в виде соответствующих документов, одновременно с решением задачи выдачи содержания этих документов пользователям в реальном масштабе времени.
Известна и другая система, содержащая центральное процессорное устройство, входы которого соединены с блоками памяти и с блоками подготовки и ввода данных, а выходы подключены к соответствующим блокам памяти, блок обработки данных, информационные входы которого соединены с выходами соответствующих блоков памяти, синхронизирующие входы подключены к управляющим выходам центрального процессорного устройства, а выход блока является информационным выходом системы [2].
Последнее из перечисленных выше технических решений наиболее близко к описываемому.
Его недостаток заключается в невысоком быстродействии системы, обусловленном тем, что выполнение процедур выдачи справок по запросам пользователей реализуется через поиск информации о запрашиваемых судебных делах по всей базе данных, что при больших объемах данных, которые содержит база данных судебных дел, неизбежно приводит к неоправданно большим затратам времени на получение требуемой информации.
Цель изобретения – повышение быстродействия системы путем исключения поиска данных судебных дел по всей базе данных сервера и локализации поиска только по временным и отличительным признакам идентификатора суда.
Поставленная цель достигается тем, что в известную систему, содержащую блок приема записей судебных дел, информационный и синхронизирующий входы которого являются первыми информационным и синхронизирующим входами системы, при этом информационный вход блока приема записей судебных дел предназначен для приема записей судебных дел с информационных выходов автоматизированных рабочих мест пользователей, а синхронизирующий вход блока приема записей судебных дел предназначен для приема синхронизирующих импульсов с синхронизирующих выходов автоматизированных рабочих мест пользователей, первый выход блока приема записей судебных дел является информационным выходом системы, предназначенным для выдачи данных на информационный вход сервера базы данных, блок приема запросов пользователей, информационный и синхронизирующий входы которого являются вторыми информационным и синхронизирующим входами системы, при этом информационный вход блока приема запросов пользователей предназначен для приема запросов пользователей с автоматизированных рабочих мест пользователей, а синхронизирующий вход блока приема запросов пользователей предназначен для приема синхронизирующих импульсов с синхронизирующих выходов запроса автоматизированных рабочих мест пользователей, блок приема записей дел базы данных сервера, информационный и синхронизирующий входы которого являются третьими информационным и синхронизирующим входами системы, при этом информационный вход блока приема записей дел базы данных сервера предназначен для приема записей планов из базы данных сервера, а синхронизирующий вход блока приема записей дел базы данных сервера предназначен для приема синхронизирующих импульсов сервера, блок селекции адреса пользователей, информационный вход которого соединен с одним выходом блока приема запросов пользователей, синхронизирующий вход блока селекции адреса пользователей подключен к третьему синхронизирующему входу системы, блок выдачи данных, один информационный вход которого соединен с информационным выходом блока селекции адреса пользователей, другой информационный вход блока выдачи данных подключен к выходу блока приема записей дел базы данных сервера, синхронизирующий вход блока выдачи данных соединен с синхронизирующим выходом блока селекции адреса пользователей, а выходы блока выдачи данных являются информационными выходами группы системы, предназначенными для выдачи записей дел на информационные входы соответствующих автоматизированных мест пользователей системы, блок управления записью и считыванием данных базы данных сервера, адресный выход которого является адресным выходом системы, предназначенным для выдачи адресов записи и считывания на адресный вход сервера базы данных, первый синхронизирующий выход блока управления записью и считыванием данных базы данных сервера является первым синхронизирующим выходом системы, предназначенным для выдачи синхронизирующих сигналов на вход первого канала прерывания сервера базы данных, а второй синхронизирующий выход блока управления записью и считыванием данных базы данных сервера является вторым синхронизирующим выходом системы, предназначенным для выдачи синхронизирующих сигналов на вход второго канала прерывания сервера базы данных, отличающаяся тем, что система содержит блок селекции опорного адреса записи, информационный вход которого соединен со вторым выходом блока приема записей судебных дел, а синхронизирующий вход блока селекции опорного адреса записи подключен к первому синхронизирующему входу системы, блок формирования текущего адреса записи, управляющие входы которого соединены с соответствующими управляющими выходами блока селекции опорного адреса записи, считывающие входы блока формирования текущего адреса записи подключены к соответствующим выходам считывания блока селекции опорного адреса записи, первый сумматор, один информационный вход которого соединен с информационным выходом блока селекции опорного адреса записи, другой информационный вход первого сумматора подключен к выходу блока формирования текущего адреса записи, синхронизирующий вход первого сумматора соединен с синхронизирующим выходом блока селекции опорного адреса записи, блок формирования адреса временного периода, информационный вход которого соединен с третьим выходом блока приема записей судебных дел, синхронизирующий вход блока формирования адреса временного периода подключен к синхронизирующему выходу блока селекции опорного адреса записи, а синхронизирующий выход блока формирования адреса временного периода соединен с первым синхронизирующим входом блока управления записью и считыванием данных базы данных сервера, второй сумматор, информационные входы которого соединены с информационными выходами первого сумматора и блока формирования адреса временного периода соответственно, синхронизирующий вход второго сумматора подключен с синхронизирующему выходу блока формирования адреса временного периода, а выход второго сумматора соединен с одним информационным входом блока управления записью и считыванием данных базы данных сервера, блок селекции опорного адреса считывания, информационный вход которого соединен с другим выходом блока приема запросов пользователей, синхронизирующий вход подключен ко второму синхронизирующему входу системы, один информационный выход блока селекции опорного адреса считывания соединен с другим информационным входом блока управления записью и считыванием данных базы данных сервера, синхронизирующий выход блока селекции опорного адреса считывания подключен ко второму синхронизирующему входу блока управления записью и считыванием данных базы данных сервера, и блок формирования адресов базы данных сервера, информационный вход которого соединен с другим информационным выходом блока селекции опорного адреса считывания, синхронизирующий вход подключен к синхронизирующему выходу блока селекции опорного адреса считывания, управляющие входы блока формирования адресов базы данных сервера являются управляющими входами системы, при этом один выход блока селекции опорного адреса считывания соединен с третьим синхронизирующим входом блока управления записью и считыванием данных базы данных сервера, а другой выход блока селекции опорного адреса считывания соединен с четвертым синхронизирующим входом блока управления записью и считыванием данных базы данных сервера.
Сущность изобретения поясняется чертежами, где на фиг.1 представлена структурная схема системы, на фиг.2 приведен пример конкретной конструктивной реализации блока селекции опорного адреса записи, на фиг.3 приведен пример конкретной конструктивной реализации блока селекции опорного адреса считывания, на фиг.4 приведен пример конкретной конструктивной реализации блока селекции адреса пользователя, на фиг.5 приведен пример конкретной конструктивной реализации блока формирования текущего адреса записи, на фиг.6 приведен пример конкретной конструктивной реализации модуля формирования адреса временного периода, на фиг.7 – пример конкретной конструктивной реализации модуля формирования адресов базы данных сервера, на фиг.8 приведен пример конкретной конструктивной реализации блока управления записью и считыванием данных, на фиг.9 приведен пример конкретной конструктивной реализации блока выдачи данных.
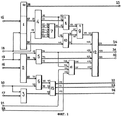
Система (фиг.1) содержит блок 1 приема записей судебных дел, блок 2 приема запросов пользователей, блок 3 приема записей базы данных сервера, блок 4 селекции опорного адреса записи, блок 5 селекции опорного адреса считывания, блок 6 селекции адреса пользователя, блок 7 формирования текущего адреса записи, первый 8 и второй 9 сумматоры, блок 10 формирования адреса временного периода, блок 11 формирования адресов базы данных сервера, блок 12 управления записью и считыванием данных и блок 13 выдачи данных.
На фиг.1 показаны первый 15, второй 16 и третий 17 информационные входы системы, первый 18, второй 19 и третий 20 синхронизирующие входы системы, первый 21 и второй 22 управляющие входы системы, информационный 23 и адресный 24 выходы системы, первый 31 и второй 32 синхронизирующие выходы системы и группа информационных 33-35 выходов системы.
Блок 1 приема записей судебных дел (фиг.1) выполнен в виде регистра, имеющего информационный 15 и синхронизирующий 18 входы и выходы 36-38.
Блок 2 приема запросов пользователей (фиг.1) выполнен в виде регистра, имеющего информационный 16 и синхронизирующий 19 входы и выходы 39-40.
Блок 3 приема записей дел базы данных сервера (фиг.1) выполнен в виде регистра, имеющего информационный 17 и синхронизирующий 20 входы и выход, подключенный к входу 168 блока 13.
Блок 4 селекции опорного адреса записи (фиг.2) содержит блок памяти 41, выполненный в виде постоянного запоминающего устройства, дешифратор 42, регистр 43, элементы 44-49 И, элементы 50-53 задержки. На чертеже показаны информационный 54 и синхронизирующий 18 входы, а также информационный 55 и синхронизирующий 56 выходы, первая 57-59 и вторая 60-62 группы выходов.
Блок 5 селекции опорного адреса считывания (фиг.3) содержит блок памяти 64, выполненный в виде постоянного запоминающего устройства, дешифратор 65, элементы 66-68 И, элемент 69 ИЛИ и элемент 70 задержки.
На чертеже также показаны информационный 72 и синхронизирующий 19 входы блока, а также синхронизирующий 73 и информационные 74, 75 выходы.
Блок 6 селекции адреса пользователей (фиг.4) содержит блок памяти 76, выполненный в виде постоянного запоминающего устройства, дешифратор 77, элементы 78-80 И, элемент 81 ИЛИ и элементы 82-83 задержки. На чертеже также показаны информационный 84 и синхронизирующий 20 входы, а также информационный 85 и синхронизирующий 86 выходы.
Блок 7 формирования текущего адреса записи (фиг.5) содержит счетчики 87-89, группы 90-92 элементов И, группу элементов 93 ИЛИ. На чертеже также показаны первая 94-96 и вторая 97-99 группы входов, а также информационный 100 выход.
Первый сумматор 8 имеет информационные входы 101, 102, синхронизирующий вход 103 и выход 104.
Второй сумматор 9 имеет информационные входы 105, 106, синхронизирующий вход 107 и выход 108.
Блок 10 формирования адреса временного периода (фиг.6) содержит блок памяти 110, выполненный в виде постоянного запоминающего устройства, дешифратор 111, регистр 112, элементы 113-115 И, элементы 116, 117 задержки. На чертеже также показаны информационный 118 и синхронизирующий 119 входы, информационный 120 и синхронизирующий 121 выходы.
Блок 11 формирования адресов базы данных (фиг.7) содержит регистр 122, реверсивный счетчик 123, компараторы 124, 125, первый 126, второй 127 и третий 128 элементы ИЛИ, первый 129, второй 130 и третий 131 элементы задержки, а также элемент 138 ИЛИ. На чертеже также показаны информационный 132 и синхронизирующий 133 входы блока, первый 134 и второй 135 управляющие входы блока, а также управляющие 136 и 137 выходы блока.
Блок 12 управления записью и считыванием данных базы данных сервера (фиг.8) содержит реверсивный счетчик 140, триггер 141, группы 144-145 элементов И, группу 146 элементов ИЛИ, элементы 142-143 И, элементы 147-148 ИЛИ и элементы 149-151 задержки. На чертеже показаны информационные 152, 153 входы, синхронизирующие 154, 155 входы, первый 156 и второй 157 счетные входы, а также информационный 158 выход и выходы записи 159 и считывания 160.
Блок 13 выдачи данных (фиг.9) содержит регистр 161, дешифратор 162, первую 163, вторую 164 и третью 165 группы элементов И, элемент 166 задержки. На чертеже также показаны первый 167 и второй 168 информационные и синхронизирующий 159 входы, а также информационные 170-173 выходы группы.
С помощью компоненты доступа к фиксированным запросам сервер базы данных реализует следующие функциональные возможности:
– отображение запросов по категориям;
– изменение значений параметров выполнения запроса;
– выполнение запроса;
– сужения (фильтрация) выборки без повторного выполнения запроса (режим “искать в найденном”);
– переход на определенную запись в картотеке из результата исполнения запроса;
– подбор всех записей картотеки, содержащихся в результате исполнения запроса;
– экспорт результата исполнения запроса в автоматически генерируемый документ MS Word;
– экспорт результата исполнения запроса в предварительно подготовленный шаблон документа MS Word;
– обработку произвольного подмножества записей, возвращенного запросом, предварительно подготовленной процедурой;
– быстрое выполнение часто используемых запросов.
Для выполнения запроса пользователю необходимо выбрать нужный запрос из списка, определить значения параметров запроса и выполнить запрос. При выборе запроса используется окно, в котором перечень запросов разделен на категории. Для выбора запроса необходимо раскрыть нужную категорию и выбрать запрос.
Перечень параметров запроса представлен в виде таблицы. В первой колонке таблицы отображается название параметра, во второй колонке расположено поле для ввода значения параметра.
Поддерживаются параметры, требующие обязательного ввода значений, и параметры, для которых ввод значения не обязателен. Обязательность ввода значения параметра определяется на этапе создания запроса.
Система предоставляет возможность выполнения запросов, предварительно подготовленных при помощи модуля формирования запросов.
Пользователь может уточнить выборку по запросу, без его повторного выполнения при помощи задания условия на любую из колонок, присутствующих в выборке. Поддерживаются следующие типы условий: = (равно), <>, >, >=, <, <=, is null (не заполнено).
К колонке может быть применено одно условие (с возможностью применения логического отрицания к заданному условию). Если фильтрация осуществляется по нескольким колонкам, то условия фильтрации объединяются либо с помощью логической операции “и”, либо с помощью логической операции “или”.
Пользователь может перемещаться по выборке и в любой момент перейти на любую из записей в базе данных судебного или исполнительного делопроизводства, представленных в выборке.
Пользователь может отобрать из всего множества записей в базе данных судебного или исполнительного делопроизводства только такие, которые присутствуют в выборке.
Результат выполнения запроса может быть экспортирован в текстовый редактор MS Word для последующей печати сформированного документа или сохранения его в виде файла на диске.
Система поддерживает особый вид запросов – запросы с возможностью модификации записей, удовлетворяющих критерию запроса.
Отличие запросов данного типа от обыкновенных запросов в том, что над набором записей, возвращенным после выполнения запроса, можно выполнить некоторые действия. Действие определяется процедурой, ссылка на которую задается при создании запроса.
Для ускорения выполнения рутинных операций предусмотрены средства быстрого перехода к выполнению некоторого подмножества часто используемых в процессе делопроизводства запросов. Ускорение перехода к процессу выполнения запроса достигается за счет исключения стадии поиска и выбора конкретного запроса из перечня. Для быстрого доступа к запросу используется настраиваемая панель инструментов, содержащая кнопки, ссылающиеся на конкретный запрос.
Работу системы рассмотрим на примере выполнения запросов пользователей на просмотр и выборку данных судебного и исполнительного делопроизводства.
В процессе сбора данных судебного делопроизводства каждым судом соответствующей инстанции в адрес вышестоящего суда отправляется кодограмма, имеющая следующую структуру:
| КОД |
КОД |
КОД |
| Идентификатор суда |
Дата начала судебного делопроизводства |
АТРИБУТЫ и СОДЕРЖАНИЕ ДЕЛА |
После поступления данной кодограммы на информационный вход 15 вышестоящего суда данная кодограмма заносится в регистр 1 синхронизирующим импульсом, поступающим на синхронизирующий вход 18 системы. С первого выхода 36 регистра 1 полное содержание кодограммы выдается на информационный выход 23 системы.
Со второго выхода 37 регистра 1 код идентификатора суда поступает на информационный вход 54 блока 4, откуда он подается на вход дешифратора 42, расшифровывающего код идентификатора суда и выдающего на один из своих выходов высокий потенциал, поступающий на соответствующие входы элементов 44-49 И.
Для определенности допустим, что высоким потенциалом с первого выхода дешифратора 42 будут открыты элементы 44 и 47 И, а кроме того, высокий потенциал с первого выхода дешифратора будет непосредственно выдан на выход 57.
Синхронизирующий импульс с входа 18 системы, задержанный элементом 50 на время срабатывания дешифратора 42, поступает, во-первых, через элемент 44 И на вход фиксированной ячейки ПЗУ 41, в которой хранится опорный адрес зоны памяти базы данных, выделенной для записи всех дел, поступающих от данного суда, и считывает ее содержимое на вход регистра 43.
Во-вторых, тот же импульс, задержанный элементом 51 на время считывания базового адреса из ПЗУ 41, поступает на синхронизирующий вход регистра 43 и заносит в него код базового адреса, который с выхода 55 регистра 43 поступает на вход 102 сумматора 8. На другой вход 101 сумматора 8 с выхода 100 блока 7 поступает код с выхода счетчика 87 через элементы 90 И, открытые по второму выходу высоким потенциалом с выхода 57 блока 4.
Тот же синхронизирующий импульс блока 4, задержанный элементом 52 на время занесения кода базового адреса в регистр 43, во-первых, через выход 56 блока 4 поступает на синхронизирующий вход 103 сумматора 8, обеспечивая суммирование опорного адреса и кода счетчика 87 блока 7. Учитывая, однако, что к настоящему времени счетчик 87 был в исходном состоянии и его показания равны нулю, то в результате суммирования код опорного адреса на выходе 104 сумматора 8 останется без изменения и с выхода 104 поступит на вход 105 сумматора 9.
Во-вторых, синхронизирующий импульс с выхода элемента 52 блока 4 задерживается элементом 53 на время срабатывания сумматора 9 и после чего, пройдя элемент 47 И, а также выход 60 блока 4, поступает на вход 97 блока 7 и далее на счетный вход счетчика 87, увеличивая его показания на единицу и формируя тем самым показания счетчика 87 к следующему циклу работы.
Параллельно с описанным выше процессом код даты передачи дела с выхода 38 регистра 1 поступает на информационный вход 118 блока 10 и далее поступает на вход дешифратора 111, расшифровывающего код даты и выдающего на один из своих выходов высокий потенциал, поступающий на соответствующие входы элементов 113-115 И.
Для определенности допустим, что высоким потенциалом с первого выхода дешифратора 111 будет открыт элемент 113 И. Синхронизирующий импульс с выхода 56 блока 4 поступает, во-первых, на вход 119 блока 10 и далее через элемент 113 И поступает на вход фиксированной ячейки ПЗУ 110, в которой хранится адрес зоны памяти базы данных, выделенной для записи всех дел в указанный период времени, и считывает ее содержимое на вход регистра 112.
Во-вторых, синхронизирующий импульс с входа 119 блока 10 задерживается элементом 116 на время считывания кода временного периода и поступает на синхронизирующий вход регистра 112 и заносит в него код временного периода, который с выхода 120 регистра 112 поступает на другой информационный вход 106 сумматора 9. Напомним, что на первый вход 105 сумматора 9 с выхода 104 сумматора 8 поступает код опорного адреса суда.
Синхронизирующий импульс с выхода элемента 116, задержанный элементом 117 на время занесения кода временного периода в регистр 112, с выхода 121 блока 10 поступает на синхронизирующий вход 107 сумматора 9, фиксируя суммарный адрес записи, который с выхода 108 сумматора 9 поступает на вход 152 блока 12. Кроме того, синхронизирующий импульс с выхода 121 блока 10 поступает на синхронизирующий вход 154 блока 12.
С входа 152 блока 12 сформированный адрес записи поступает на одни входы элементов 144 И первой группы, которые будут открыты высоким потенциалом с инверсного выхода триггера 141. Состояние триггера 141 определяется синхронизирующими импульсами записи, поступающими на вход 154 блока 12, и синхронизирующими импульсами считывания, поступающими на вход 155 блока 12.
Учитывая, что в данный момент времени на вход 154 блока 12 поступил синхронизирующий импульс записи, то пройдя на установочный вход триггера 141, этот импульс подтвердит его исходное состояние, при котором высоким потенциалом с инверсного выхода триггера 141 будут открыты как элементы 144 И группы, так и элемент 142 И.
Код адреса записи с выхода элементов 144 И группы проходит через элементы 146 ИЛИ группы на информационный вход счетчика 140, на синхронизирующий вход которого поступает импульс с входа 154 блока 12, прошедший по цепочке: элемент 147 ИЛИ и элемент 149 задержки, задерживающий импульс на время срабатывания сумматора 9.
Кроме того, этот же импульс с выхода элемента 149 задержки проходит элемент 142 И, задерживается элементом 150 на время занесения кода адреса в счетчик 140 и далее с выхода 159 через выход 31 системы поступает на вход первого канала прерывания сервера базы данных.
С поступлением этого сигнала сервер базы данных переходит на подпрограмму записи показаний регистра 1 с выхода 23 системы по адресу, сформированному на выходе 24 системы.
Процедура сбора и записи последующих кодограмм судебных дел с выходов других территориально распределенных судов на вход данного суда осуществляется аналогичным образом.
Для получения соответствующей информации из базы данных сервера каждый пользователь, имеющий допуск к соответствующим разделам базы данных судебных дел, на своем автоматизированном рабочем месте формирует кодограмму запроса и нажимает клавишу “Просмотр”.
Структура кодограммы, формируемой на автоматизированных рабочих местах пользователей, имеет следующую структуру:
| КОД |
КОД |
| Идентификатор суда, в делопроизводстве которого находится запрашиваемое дело |
Идентификатор АРМа пользователя |
При этом коды идентификатора суда и идентификатора АРМа пользователя через вход 16 поступают в регистр 2, куда они заносятся синхронизирующим импульсом с входа 19. С первого выхода 39 регистра 2 код идентификатора продавца поступает через вход 72 блока 5 на вход дешифратора 65.
Дешифратор 65 расшифровывает код идентификатора суда, выдавая на один их своих выходов высокий потенциал. Для определенности положим, что высокий потенциал поступил на один вход элемента 67 И.
Параллельно с этим синхронизирующий импульс с входа 19 задерживается элементом 70 на время занесения кода в регистр 2 и срабатывания дешифратора 65 и далее опрашивает состояния элементов 66-68 И.
Учитывая то обстоятельство, что открытым по одному входу будет только элемент 67 И, то пройдя этот элемент И, синхроимпульс поступает, во-первых, на вход считывания фиксированной ячейки памяти постоянного запоминающего устройства 64.
В фиксированной ячейке памяти хранится код опорного адреса первой ячейки памяти суда в базе данных сервера и код числа записей дел в базе данных сервера, присланных данным судом.
Структура кодограммы в ячейке памяти имеет следующую структуру:
| КОД |
КОД |
| Код опорного адреса первой ячейки памяти выбранного суда в базе данных сервера |
Код количества записей данного суда в базе данных сервера |
Код опорного адреса первой ячейки памяти и код количества записей дел данного суда считываются из фиксированной ячейки памяти и поступают на выходы 74, 75 блока 5 соответственно.
Параллельно с этим импульс считывания фиксированной ячейки памяти блока 5, пройдя элемент 69 ИЛИ, сразу же с выхода 73 блока 5 поступает через вход 155 блока 12 на единичный вход триггера 141 и устанавливает его в единичное состояние, при котором он открывает по одному входу элементы 145 И группы, а также элемент 143 И, закрывая в то же время низким потенциалом со своего инверсного выхода элементы 144 И группы вместе с элементом 142 И.
Код опорного адреса первой ячейки памяти с выхода 74 блока 5 через вход 153 блока 12 и элементы 145 И, а также элементы 146 ИЛИ группы поступает на информационный вход реверсивного счетчика 140.
Тот же синхронизирующий импульс с входа 155 блока 12 проходит через элемент 147 ИЛИ, задерживается элементом 149 задержки на время считывания кода из блока памяти 64 и срабатывания триггера 141 и поступает на синхронизирующий вход реверсивного счетчика 140, фиксируя в счетчике код опорного адреса первой ячейки памяти данного продавца в базе данных сервера.
Кроме того, тот же импульс с выхода элемента 149 задержки проходит элемент 143 И, элемент 148 ИЛИ и задерживается элементом 151 задержки на время занесения кода опорного адреса в счетчик 140 и через выход 160 блока 12 и выход 32 системы поступает на вход второго канала прерывания сервера.
По этому сигналу сервер переходит на подпрограмму опроса содержимого ячейки памяти по адресу, сформированному на адресном выходе системы 24 и выдачи считанных данных через вход 17 системы на информационный вход регистра 3, куда они заносятся синхронизирующим импульсом сервера, поступающим на вход 20 системы.
Одновременно с этим процессом код количества записей дел выбранного суда с выхода 75 блока 5 поступает через вход 132 блока 11 на информационный вход регистра 122, куда также заносится импульсом с выхода 73 блока 5 через вход 133 блока 11.
Параллельно с этим код идентификатора АРМа пользователя с выхода 40 регистра 2 поступает через вход 84 блока 6 на вход дешифратора 77.
Дешифратор 77 расшифровывает код идентификатора АРМа пользователя, выдавая на один их своих выходов высокий потенциал. Для определенности положим, что высокий потенциал поступил на один вход элемента 78 И.
Параллельно с этим синхронизирующий импульс с входа 20 задерживается элементом 82 на время срабатывания дешифратора 77 и далее опрашивает состояния элементов 78-80 И.
Учитывая то обстоятельство, что открытым по одному входу будет только элемент 78 И, то пройдя этот элемент И, синхроимпульс поступает, во-первых, на вход считывания фиксированной ячейки памяти постоянного запоминающего устройства 76, где хранится код адреса АРМа пользователя, и считывает его через выход 85 блока 6 на информационный вход 167 блока 13.
Во-вторых, тот же импульс считывания, пройдя элемент 81 ИЛИ, задерживается элементом 83 задержки на время считывания содержимого фиксированной ячейки ПЗУ. Далее с выхода 86 блока 6 этот импульс поступает через вход 169 блока 13 на синхронизирующий вход регистра 161, фиксируя в регистре код адреса АРМа пользователя.
Дешифратор 162 расшифровывает код адреса АРМа пользователя и высоким потенциалом на одном из своих выходов открывает элементы И одной из групп 163-165. Одновременно с этим импульсом с входа 169 блока 13, задержанным элементом задержки 166 на время срабатывания дешифратора 162, код первой считанной записи с выхода регистра 3, пройдя через вход 168 блока 13 и соответствующую группу элементов И 163-165, через соответствующий выход 170-173 модуля 13 и соответственно выходы 35-37 системы выдается на АРМ пользователя.
Пользователю предоставляется возможность просмотреть все записи дел выбранного суда в базе данных сервера и получить необходимую ему информацию.
Для этого пользователь использует клавиши “Вперед” и “Назад”, сигналы от которых поступают на управляющие входы 21, 22 системы соответственно.
При нажатии клавиши “Вперед” импульс с входа 21 системы проходит через вход 134 блока 11 на счетный вход счетчика 123, фиксирующего число просмотров записей. Это число просмотров записей дел сравнивается компаратором 124 с числом записей дел данного суда, зафиксированных в регистре 122, по сигналу, поступающему с выхода элемента задержки 129, задерживающего импульс с входа 134 на время срабатывания счетчика 123.
Если число просмотров меньше заданного количества записей судебных дел в регистре 122, то на выходе 175 компаратора 124 формируется импульс, поступающий через элемент 127 ИЛИ на выход 136 блока 11 и далее через вход 156 блока 12 на суммирующий вход реверсивного счетчика 140, формирующего очередной адрес считывания на выходе 24.
Кроме того, тот же импульс, пройдя через элемент 148 ИЛИ и элемент задержки 151, задерживающий данный импульс на время срабатывания реверсивного счетчика, проходит на выход 160 блока 12 и далее на выход 32 и вновь поступает на вход второго канала прерывания сервера.
По этому сигналу сервер вновь переходит на подпрограмму опроса содержимого ячейки памяти по адресу, сформированному на адресном выходе системы 24 и выдачи считанных данных через вход 17 системы на информационный вход регистра 3, куда они заносятся синхронизирующим импульсом сервера, поступающим на вход 20 системы.
Описанный процесс считывания записей судебных дел из базы данных сервера и выдачи их на автоматизированное рабочее место пользователя продолжается до тех пор, пока число записей в регистре 122 блока 11 не будет равно числу считанных из базы данных записей дел, зафиксированных счетчиком 123. Указанный момент будет зафиксирован выдачей импульса на выходе 176 компаратора 124.
Импульс с выхода 176 компаратора 124, во-первых, через элемент 128 ИЛИ поступает на выход 137 блока 11 и далее на вычитающий вход 157 реверсивного счетчика 140, уменьшая его показания на единицу. Кроме того, тот же импульс, пройдя через элемент 148 ИЛИ и элемент задержки 151, задерживающий данный импульс на время срабатывания реверсивного счетчика, проходит на выход 160 и выход 32 системы и далее вновь поступает на вход второго канала прерывания сервера.
По этому сигналу сервер вновь переходит на подпрограмму опроса содержимого ячейки памяти по адресу, сформированному на адресном выходе системы 24 и выдачи считанных данных через вход 17 системы на информационный вход регистра 3, куда они заносятся синхронизирующим импульсом сервера, поступающим на вход 20 системы.
Во-вторых, тот же импульс с выхода 176 компаратора 124 задерживается элементом задержки 130 на время длительности импульса и через элемент 126 ИЛИ поступает на вычитающий вход счетчика 111, уменьшая его показания.
После этого пользователь может перейти к обратному просмотру записей судебных дел путем нажатия клавиши “Назад”. Импульс с входа 29 через элемент 116 ИЛИ, во-первых, поступает на вычитающий вход счетчика 123, а во-вторых, после прохождения элемента 138 ИЛИ и задержки элементом 131 на время срабатывания счетчика 123 поступает на синхронизирующий вход компаратора 125.
По этому сигналу компаратор 125 сравнивает показания счетчика 123 с “нулем”. Если показания счетчика 123 больше нуля, то на выходе 177 компаратора 125 формируется сигнал, который через элемент 128 ИЛИ поступает на выход 137 блока 11 и далее на вычитающий вход реверсивного счетчика 140.
Если же показания счетчика 123 будут равны нулю, то на выходе 178 компаратора 125 формируется импульс, который через элемент 127 ИЛИ походит на выход 136 блока 11. Затем этот же импульс через вход 156 блока 12 поступает на суммирующий вход реверсивного счетчика 140, переводя пользователя на режим прямого просмотра записей судебных дел в базе данных сервера.
Таким образом, введение новых узлов и блоков позволило существенно повысить быстродействие системы путем исключения поиска данных судебных дел по всей базе данных сервера и локализации поиска только по временным и отличительным признакам идентификатора суда.
Источники информации
1. Патент Японии № 4-38021, М. кл. 11/30, 13/14 от 23.06.92.
2. Патент США № 5136708 М. кл. G06F 15/16 от 04.08.92 (прототип).
Формула изобретения
Автоматизированная система сбора и обработки данных судебного и исполнительного делопроизводства, содержащая блок приема записей судебных дел, информационный и синхронизирующий входы которого являются первыми информационным и синхронизирующим входами системы, при этом информационный вход блока приема записей судебных дел предназначен для приема записей судебных дел с информационных выходов автоматизированных рабочих мест пользователей, а синхронизирующий вход блока приема записей судебных дел предназначен для приема синхронизирующих импульсов с синхронизирующих выходов автоматизированных рабочих мест пользователей, первый выход блока приема записей судебных дел является информационным выходом системы, предназначенным для выдачи данных на информационный вход сервера базы данных, блок приема запросов пользователей, информационный и синхронизирующий входы которого являются вторыми информационным и синхронизирующим входами системы, при этом информационный вход блока приема запросов пользователей предназначен для приема запросов пользователей с автоматизированных рабочих мест пользователей, а синхронизирующий вход блока приема запросов пользователей предназначен для приема синхронизирующих импульсов с синхронизирующих выходов запроса автоматизированных рабочих мест пользователей, блок приема записей дел базы данных сервера, информационный и синхронизирующий входы которого являются третьими информационным и синхронизирующим входами системы, при этом информационный вход блока приема записей дел базы данных сервера предназначен для приема записей планов из базы данных сервера, а синхронизирующий вход блока приема записей дел базы данных сервера предназначен для приема синхронизирующих импульсов сервера, блок селекции адреса пользователей, информационный вход которого соединен с одним выходом блока приема запросов пользователей, синхронизирующий вход блока селекции адреса пользователей подключен к третьему синхронизирующему входу системы, блок выдачи данных, один информационный вход которого соединен с информационным выходом блока селекции адреса пользователей, другой информационный вход блока выдачи данных подключен к выходу блока приема записей дел базы данных сервера, синхронизирующий вход блока выдачи данных соединен с синхронизирующим выходом блока селекции адреса пользователей, а выходы блока выдачи данных являются информационными выходами группы системы, предназначенными для выдачи записей дел на информационные входы соответствующих автоматизированных мест пользователей системы, блок управления записью и считыванием данных базы данных сервера, адресный выход которого является адресным выходом системы, предназначенным для выдачи адресов записи и считывания на адресный вход сервера базы данных, первый синхронизирующий выход блока управления записью и считыванием данных базы данных сервера является первым синхронизирующим выходом системы, предназначенным для выдачи синхронизирующих сигналов на вход первого канала прерывания сервера базы данных, а второй синхронизирующий выход блока управления записью и считыванием данных базы данных сервера является вторым синхронизирующим выходом системы, предназначенным для выдачи синхронизирующих сигналов на вход второго канала прерывания сервера базы данных, отличающаяся тем, что система содержит блок селекции опорного адреса записи, информационный вход которого соединен со вторым выходом блока приема записей судебных дел, а синхронизирующий вход блока селекции опорного адреса записи подключен к первому синхронизирующему входу системы, блок формирования текущего адреса записи, управляющие входы которого соединены с соответствующими управляющими выходами блока селекции опорного адреса записи, считывающие входы блока формирования текущего адреса записи подключены к соответствующим выходам считывания блока селекции опорного адреса записи, первый сумматор, один информационный вход которого соединен с информационным выходом блока селекции опорного адреса записи, другой информационный вход первого сумматора подключен к выходу блока формирования текущего адреса записи, синхронизирующий вход первого сумматора соединен с синхронизирующим выходом блока селекции опорного адреса записи, блок формирования адреса временного периода, информационный вход которого соединен с третьим выходом блока приема записей судебных дел, синхронизирующий вход блока формирования адреса временного периода подключен к синхронизирующему выходу блока селекции опорного адреса записи, а синхронизирующий выход блока формирования адреса временного периода соединен с первым синхронизирующим входом блока управления записью и считыванием данных базы данных сервера, второй сумматор, информационные входы которого соединены с информационными выходами первого сумматора и блока формирования адреса временного периода соответственно, синхронизирующий вход второго сумматора подключен с синхронизирующему выходу блока формирования адреса временного периода, а выход второго сумматора соединен с одним информационным входом блока управления записью и считыванием данных базы данных сервера, блок селекции опорного адреса считывания, информационный вход которого соединен с другим выходом блока приема запросов пользователей, синхронизирующий вход подключен ко второму синхронизирующему входу системы, один информационный выход блока селекции опорного адреса считывания соединен с другим информационным входом блока управления записью и считыванием данных базы данных сервера, синхронизирующий выход блока селекции опорного адреса считывания подключен ко второму синхронизирующему входу блока управления записью и считыванием данных базы данных сервера, и блок формирования адресов базы данных сервера, информационный вход которого соединен с другим информационным выходом блока селекции опорного адреса считывания, синхронизирующий вход подключен к синхронизирующему выходу блока селекции опорного адреса считывания, управляющие входы блока формирования адресов базы данных сервера являются управляющими входами системы, при этом один управляющий выход блока формирования адресов базы данных сервера соединен с первым счетным входом блока управления записью и считыванием данных базы данных сервера, а другой управляющий вход блока формирования адресов базы данных сервера подключен ко второму счетному входу блока управления записью и считыванием данных базы данных сервера.
РИСУНКИ
MM4A – Досрочное прекращение действия патента СССР или патента Российской Федерации на изобретение из-за неуплаты в установленный срок пошлины за поддержание патента в силе
Дата прекращения действия патента: 21.01.2008
Извещение опубликовано: 20.10.2009 БИ: 29/2009
|
|