|
| На основании пункта 3 статьи 13 Патентного закона Российской Федерации от 23 сентября 1992 г. № 3517-I патентообладатель обязуется передать исключительное право на изобретение (уступить патент) на условиях, соответствующих установившейся практике, лицу, первому изъявившему такое желание и уведомившему об этом патентообладателя и федеральный орган исполнительной власти по интеллектуальной собственности, – гражданину РФ или российскому юридическому лицу. |
|
(21), (22) Заявка: 2005133750/09, 01.11.2005
(24) Дата начала отсчета срока действия патента:
01.11.2005
(43) Дата публикации заявки: 10.05.2007
(46) Опубликовано: 27.08.2007
(56) Список документов, цитированных в отчете о поиске:
Комплексная прицельно-навигационная система ПНС-24М, ч.2, Лазерно-телевизионная прицельная система «Кайра-24». /Под ред. А.К.ГАНУЛИЧА, В.М.СИДОРИНА. – М.: ВВИА им. Проф. Н.Е.Жуковского, 1980, с.60-67. RU 2204148 С2, 10.05.2003. SU 1623536 A1, 30.03.1994. SU 1517737 A1, 30.03.1994.
Адрес для переписки:
355021, г.Ставрополь, ул. Ленина, 320, ФВВИА, НИО, Г.Г. Косареву
|
(72) Автор(ы):
Герасимов Владимир Павлович (RU), Косарев Григорий Геннадьевич (RU), Крыженко Александр Сергеевич (RU), Крыженко Станислав Сергеевич (RU)
(73) Патентообладатель(и):
Герасимов Владимир Павлович (RU), Косарев Григорий Геннадьевич (RU), Крыженко Александр Сергеевич (RU), Крыженко Станислав Сергеевич (RU)
|
(54) СПОСОБ ИЗМЕРЕНИЯ РАССОГЛАСОВАНИЯ В ДВУМЕРНЫХ СЛЕДЯЩИХ СИСТЕМАХ И УСТРОЙСТВО ДЛЯ ЕГО ОСУЩЕСТВЛЕНИЯ
(57) Реферат:
Изобретение относится к области двумерных телевизионных следящих систем. Технический результат заключается в устранении ошибки, возникающей при совместной работе каналов следящей системы. Способ измерения рассогласования основан на построении дифференциальной корреляционной функции, где модули значений дифференциальных корреляционных функций в каждом канале увеличивают на значение ошибки, реализуется в устройстве, которое содержит видеоусилитель, пороговое устройство, генератор стандартных импульсов, линию задержки, блок управления, блок записи, блок памяти эталонного изображения, с первого по пятый умножители, с первого по шестой фильтры низких частот, первый и второй усилители с автоматической регулировкой усиления, первый и второй вычитатели, функциональный преобразователь , а также первый и второй функциональные преобразователи К диф. 2 н.п. ф-лы, 5 ил.
Изобретение относится к области двумерных телевизионных следящих систем, а именно к телевизионным прицельным системам.
Известен способ измерения рассогласования в двумерных следящих системах, основанный на дифференциальном (разностном) методе построения пеленгационных характеристик двух каналов при принятой гипотезе о независимости каналов (каждый канал функционирует как одномерный дифференциальный коррелятор), в котором вычисляют два значения корреляционной функции и эталонных изображений В(x- X) и В(x+ X), сдвинутых на фиксированные значения ± X, и текущего изображения В(x-X), по которым определяют значение рассогласования X как обратную функцию пеленгационной характеристики K(X)=К1(X)-К2(X) в каждом канале [1].
Известно устройство измерения рассогласования с двумя независимыми идентичными каналами вычисления рассогласований U y и U z, состоящее из видеоусилителя, порогового устройства, генератора стандартных импульсов, линии задержки, блока записи, блока памяти эталонного изображения, четырех умножителей, умножающих текущее изображение с эталоном, сдвинутым на ± по строке и на ±Т по кадру, четырех фильтров, двух вычитателей и двух усилителей с автоматической регулировкой усиления, при этом аналоговый вход видеоусилителя является входом устройства, входом порогового устройства является выход видеоусилителя, входом генератора стандартных импульсов является выход порогового устройства, входом линии задержки является выход генератора стандартных импульсов, на вход блока управления поступают синхронизирующие импульсы, входами блока записи являются выход блока управления и первый выход линии задержки, входом блока памяти эталонного изображения является выход блока записи, первыми входами первого, второго, третьего и четвертого умножителей являются соответствующие выходы блока памяти эталонного изображения и вторыми входами – второй выход линии задержки, входами первого, второго, третьего и четвертого фильтров низких частот являются выходы первого, второго, третьего и четвертого умножителей соответственно, входами первого вычитателя являются выходы первого и второго фильтров низких частот, входами второго вычитателя – выходы третьего и четвертого фильтров низких частот, выходы усилителей с автоматической регулировкой усиления являются выходами устройства, сигналы с которых поступают на приводы следящей системы для устранения рассогласования [2].
При наличии рассогласования только по одному (например, по Y) каналу (фиг.2) корреляционные функции , текущего изображения Bтек(z, y) и опорных (эталонных) изображений Bоп(z, y-T) и Bоп(z, y+T), сдвинутых на ±Т по кадру (каналу Y), дифференциальная корреляционная функция КдифY( )=К2Y( )-К1Y( ), а значит, и рассогласование уизм (или zизм при работе канала Z) вычисляются без ошибок.
Недостатком известных способа и устройства является ошибка в определении величины рассогласования при совместной работе двух каналов, возникающая вследствие принятия гипотезы о независимости каналов определения рассогласования. Реально существует взаимосвязь каналов. Так, при наличии рассогласования в двух каналах (у 0 и z 0) измеренная корреляционная функция К2Y( ) будет меньше ее истинного значения К2Y( )изм на величину ошибки Y (фиг.3). Аналогично в канале Z: К2Z( )=К2Z( )ист– Z. Характерно, что ошибки в каналах Y и Z равны, так как Y= Y= . Ошибку измерения значений корреляционных функций можно определить как площадь текущего изображения, не попавшую ни на один из эталонов Bоп(z, y), Bоп(z, y+Т), Bоп(z, y-T), Bоп(z, y+ ) и Bоп(z, y- ) (фиг.3). Тогда для определения значения ошибки вычисления дифференциальных корреляционных функций КдифY( ) и KдифZ( ) необходимо дополнительно измерить площадь изображения эталона S и значение корреляционной функции текущего изображения Втек(z, y) и эталона Bоп(z, y). Численно ошибка измерения значений дифференциальных корреляционных функций определяется .
Технической задачей изобретения является учет ошибки измерения рассогласования, вызванной взаимозависимостью каналов, что позволит устранить погрешность вычисления рассогласования, определяемую взаимозависимостью каналов, и тем самым повысить эффективность автоматического сопровождения объекта слежения.
Решение технической задачи по способу заключается в том, что в способе измерения рассогласования в двумерных следящих системах, основанном на дифференциальном методе построения пеленгационных характеристик двух каналов при принятой гипотезе о независимости каналов, где каждый канал функционирует как одномерный дифференциальный коррелятор, в котором вычисляют два значения корреляционной функции эталонных изображений, сдвинутых на фиксированные значения, и текущего изображения, по которым определяют значение рассогласования как обратную функцию пеленгационной характеристики (дифференциальной корреляционной функции) в каждом канале, дополнительно вычисляют корреляционную функцию эталона и текущего изображения , вычисляют площадь эталонного изображения , вычисляют ошибку измерения значений дифференциальных корреляционных функций , где КдифY( ) – дифференциальная корреляционная функция текущего изображения и эталонов, сдвинутых по каналу Y, КдифZ( )- дифференциальная корреляционная функция текущего изображения и эталонов, сдвинутых по каналу Z, и увеличивают модули дифференциальных корреляционных функций КдифY( ) и КдифZ( ) на значение ошибки , тем самым вычисляя уточненные значения дифференциальных корреляционных функций и , которые пропорциональны уточненным значениям рассогласований Y=k·K*дифY( ) и Z=k·K*дифZ( ), где k – коэффициент пропорциональности.
Заявляемый способ реализуется в устройстве измерения рассогласования в двумерных следящих системах, содержащем видеоусилитель, аналоговый вход которого является входом устройства, пороговое устройство, входом которого является выход видеоусилителя, генератор стандартных импульсов, входом которого является выход порогового устройства, линию задержки, входом которого является выход генератора стандартных импульсов, блок управления, на вход которого поступают синхронизирующие импульсы, блок записи, входами которого являются выход блока управления и первый выход линии задержки, блок памяти эталонного изображения, входом которого является выход блока записи, первый, второй, третий и четвертый умножители, первыми входами которых являются соответствующие выходы блока памяти эталонного изображения и вторыми входами – второй выход линии задержки, первый, второй, третий и четвертый фильтры низких частот, входами которых являются выходы первого, второго, третьего и четвертого умножителей соответственно, первый и второй вычитатели, входами первого вычитателя являются выходы первого и второго фильтров низких частот, входами второго вычитателя – выходы третьего и четвертого фильтров низких частот, первый и второй усилитель с автоматической регулировкой усиления, выходы которых являются выходами устройства, сигналы с которых поступают на приводы следящей системы для устранения рассогласования, дополнительно имеющем пятый умножитель, формирующий произведение эталонного Bоп(z, y) и текущего Bтек(z, y) изображений, которые поступают с пятого выхода блока памяти эталонного изображения и со второго выхода линии задержки, пятый и шестой фильтры низкой частоты, входом пятого является выход пятого умножителя, входом шестого – пятый выход блока памяти эталонного изображения, функциональный преобразователь , входами которого являются выходы пятого и шестого фильтров низких частот и первого и второго вычитателей, первый и второй функциональные преобразователи Кдиф*, которые увеличивают модули измеренных значений дифференциальных корреляционных функций в каждом канале на значение ошибки, первые входы функциональных преобразователей соединены с выходами первого и второго вычитателей соответственно, вторые входы соединены с выходом функционального преобразователя , выходы функциональных преобразователей Кдиф* соединены с входами первого и второго усилителя с автоматической регулировкой усиления соответственно.
Существенными отличительными признаками, отраженными в формуле изобретения, являются новые действия в определении рассогласования, а именно вычисление корреляционной функции эталонного Bоп(z, y) и текущего Bтек(z, y) изображений, определение площади эталонного изображения определение ошибки вычисления дифференциальных корреляционных функций и увеличение модулей значений дифференциальных корреляционных функций на значение ошибки, тем самым определение уточненных значений дифференциальных корреляционных функций и и элементы устройства: умножитель, формирующий произведение эталонного Bоп(z, y) и текущего Bтек(z, y) изображений, два фильтра низкой частоты, первый из которых интегрирует сигнал эталонного изображения Bоп(z, y), второй – произведение эталонного Bоп(z, y) и текущего Bтек(z, y) изображений, функциональный преобразователь , определяющий значение ошибки вычисления корреляционных функций, и два функциональных преобразователя , увеличивающих модули измеренных значений дифференциальных корреляционных функций в каждом канале на величину ошибки, тем самым формирующие уточненные значения дифференциальных корреляционных функций.
Технический результат изобретения достигнут за счет учета ошибки измерения рассогласования, вызванной взаимозависимостью каналов при использовании новых действий в способе, новых элементов устройства и новых связей в схеме устройства.
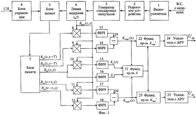
Структурная схема системы слежения представлена на фиг.1; на фиг.2 – рисунок, иллюстрирующий формирование корреляционной функции следящей системы при наличии рассогласования только по одному каналу; на фиг.3 – рисунок, иллюстрирующий формирование корреляционной функции следящей системы при совместной работе двух каналов (при наличии рассогласования в обоих каналах); на фиг.4 – трехмерный и контурный графики ошибки определения рассогласования (z, y) от величин рассогласования в каналах Z и Y прототипа; на фиг.5 – при использовании заявляемого способа и устройства.
Описание устройства. Видеосигнал с видикона поступает на видеоусилитель 1 и далее на пороговое устройство 2, с порогового устройства бинарное изображение поступает на генератор стандартных импульсов 3; приведенное к импульсам одинаковой длительности контурное изображение подается на линию задержки 4, откуда в виде массива нулей и единиц поступает в блок записи 5 и на пять умножителей 8-12; блок записи 5 по командам блока управления 6 периодически выдает изображение для перезаписи эталона в блок памяти 7; опорное (эталонное) изображение из блока памяти 7 поступает на умножитель 10 и фильтр низкой частоты 16, где суммируется, в умножителе 10 опорное изображение умножается на текущее изображение, поступающее с блока задержки 4; результат умножения суммируется в фильтре низкой часты 15, сигналы с фильтров низких частот 15, 16 поступают на функциональный преобразователь 21; в четырех умножителях 8, 9, 11, 12 сдвинутые на величины ±Т и ± опорные изображения умножаются на текущее изображение, поступающее со второго выхода блока задержки 4; результаты умножения суммируются в фильтрах низких частот 13, 14, 17, 18 и подаются на вычитатели 19, 20; с вычитателя 19 сигнал поступает на функциональные преобразователи 21 и 22, с вычитателя 20 – на функциональные преобразователи 21 и 23, с функционального преобразователя 21, сигнал поступает на функциональные преобразователи 22, 23, обработанные в функциональных преобразователях 22, 23 сигналы поступают на усилители с автоматической регулировкой усиления 24 и 25 и далее на привод следящей системы для устранения рассогласования.
Устройство работает следующим образом. Видеосигнал с видикона через видеоусилитель 1 поступает на пороговое устройство 2, на выходе которого формируется бинарный сигнал: единица, если видеосигнал больше порогового значения, и нуль, если меньше. С выхода порогового устройства 2 бинаризированное изображение объекта слежения подается на генератор стандартных импульсов 3, на выходе которого формируются импульсы с одинаковой длительностью , равной периоду следования синхронизирующих импульсов. Линия задержки и/2 4 компенсирует систематический сдвиг кадра памяти за счет квантования по времени, кроме того, логическим умножением импульсов контура объекта слежения и синхронизирующих импульсов производится оцифровывание изображения. Блок записи 5 по командам блока управления 6 периодически производит перезапись эталонного изображения. С выхода блока записи изображение в виде массива нулей и единиц поступает в блок памяти 7, где хранится в виде опорного (эталонного) изображения Bоп(z, y) (фиг.2, 3). Блок памяти 7 выдает опорное изображение Bоп(z, y) и сдвинутые на величины ±Т по каналу Y и ± по каналу Z опорные изображения Bоп(z, y+T), Bоп(z, y-T), Bоп(z, y+ ) и Bоп(z, y- ). Опорное изображение Bоп(z, y) в умножителе 10 умножается на текущее изображение Bтек(z, y), поступающее с блока задержки 4; результат умножения суммируется в фильтре низкой часты 15, тем самым формируется значение корреляционной функции эталонного и текущего изображений (фиг.3). В фильтре низкой частоты 16 производится суммирование сигнала опорного изображения Bоп(z, y), тем самым формируется значение площади изображения эталона . В четырех умножителях 8, 9, 11, 12 сдвинутые на величины ±Т и ± опорные изображения умножаются на текущее изображение, поступающее с блока задержки 4; фильтры низких частот 13, 14, 17, 18 производят суммирование результатов произведения, тем самым формируя корреляционные функции и Вычитающие устройства 19, 20 реализуют дифференциальный принцип вычисления рассогласований, формируя дифференциальные корреляционные функции КдифZ( )=К2Z( )-К1Z( ) и КдифY( )=К2Y( )-К1Y( ) (пеленгационные характеристики). Сигналы с вычитателя 19 поступают на функциональные преобразователи 21, и 22. Сигналы с вычитателя 20 поступают на функциональные преобразователи 21, и 23. Функциональный преобразователь 21 определяет значение ошибки вычисления дифференциальных корреляционных функций КдифY( ) и KдифZ( ) по формуле и выдает ее на функциональные преобразователи 22, 23. Функциональный преобразователь 22 увеличивает модуль измеренного значения дифференциальной корреляционной функции КдифY( ), а функциональный преобразователь 23 увеличивает модуль измеренного значения дифференциальной корреляционной функции КдифZ( ) на величину ошибки , тем самым формируя уточненные значения дифференциальных корреляционных функций и которые пропорциональны уточненным значениям рассогласований и Далее сигналы усиливаются в усилителях с автоматической регулировкой усиления 24, 25 и поступают на привод следящей системы для устранения рассогласования.
Источники информации
1. Мелик-Шахназаров А.М., Маркатун М.Г. Цифровые измерительные системы корреляционного типа. М.: Энергоатомиздат, 1985, с.53-60 (прототип).
2. Комплексная прицельно-навигационная система ПНС-24М/ Под ред. Ганулича А.К., Сидорина В.М. ч.II. Лазерно-телевизионная прицельная система «Кайра-24». М.: ВВИА им. проф. Н.Е.Жуковского, 1980, с.60-67 (прототип).
Формула изобретения
1. Способ измерения рассогласования в двумерных следящих системах, основанный на дифференциальном методе построения пеленгационных характеристик двух каналов при принятой гипотезе о независимости каналов, где каждый канал функционирует как одномерный дифференциальный коррелятор, в котором вычисляют два значения корреляционной функции эталонных изображений, сдвинутых на фиксированные значения, и текущего изображения, по которым определяют значение рассогласования, как обратную функцию пеленгационной характеристики в каждом канале, отличающийся тем, что дополнительно вычисляют корреляционную функцию эталонного Bоп (z, y) и текущего Втек(z, у) изображений, определяют площадь эталонного изображения определяют ошибку вычисления дифференциальных корреляционных функций где КдифY( ) – дифференциальная корреляционная функция текущего изображения и эталонов, сдвинутых по каналу Y, КдифZ( ) – дифференциальная корреляционная функция текущего изображения и эталонов, сдвинутых по каналу Z, и увеличивают модули дифференциальных корреляционных функций КдифY( ) и КдифZ( ) на значение ошибки , тем самым вычисляя уточненные значения дифференциальных корреляционных функций и
которые пропорциональны уточненным значениям рассогласований Y=k·K дифY( ) и Z=k·K дифZ( ), где k – коэффициент пропорциональности.
2. Устройство измерения рассогласования в двумерных следящих системах, содержащее видеоусилитель, аналоговый вход которого является входом устройства, пороговое устройство, входом которого является выход видеоусилителя, генератор стандартных импульсов, входом которого является выход порогового устройства, линию задержки, входом которого является выход генератора стандартных импульсов, блок управления, на вход которого поступают синхронизирующие импульсы, блок записи, входами которого являются выход блока управления и первый выход линии задержки, блок памяти эталонного изображения, входом которого является выход блока записи, первый, второй, третий и четвертый умножители, первыми входами которых являются соответствующие выходы блока памяти эталонного изображения и вторыми входами – второй выход линии задержки, первый, второй, третий и четвертый фильтры низких частот, входами которых являются выходы первого, второго, третьего и четвертого умножителей соответственно, первый и второй вычитатели, входами первого вычитателя являются выходы первого и второго фильтров низких частот, входами второго вычитателя – выходы третьего и четвертого фильтров низких частот, первый и второй усилитель с автоматической регулировкой усиления, выходы которых являются выходами устройства, сигналы с которых поступают на приводы следящей системы для устранения рассогласования, отличающееся тем, что дополнительно имеет пятый умножитель, формирующий произведение эталонного Bоп(z, y) и текущего Втек(z, у) изображений, которые поступают с пятого выхода блока памяти эталонного изображения и со второго выхода линии задержки, пятый и шестой фильтры низкой частоты, входом пятого является выход пятого умножителя, входом шестого – пятый выход блока памяти эталонного изображения, функциональный преобразователь , входами которого являются выходы пятого и шестого фильтров низких частот и первого и второго вычитателей, первый и второй функциональные преобразователи К диф, которые увеличивают модули измеренных значений дифференциальных корреляционных функций в каждом канале на значение ошибки, первые входы функциональных преобразователей соединены с выходами первого и второго вычитателей соответственно, вторые входы соединены с выходом функционального преобразователя , выходы функциональных преобразователей К диф соединены с входами первого и второго усилителя с автоматической регулировкой усиления соответственно.
РИСУНКИ
|
|