|
|
(21), (22) Заявка: 2006112712/28, 17.04.2006
(24) Дата начала отсчета срока действия патента:
17.04.2006
(46) Опубликовано: 27.08.2007
(56) Список документов, цитированных в отчете о поиске:
RU 2184930 С2, 10.07.2002. RU 2184931 C2, 10.07.2002. SU 1670371 A1, 15.08.1991. SU 1052988 A, 07.11.1983. US 5541510 A, 30.07.1996. BG 50465 A, 14.08.1992.
Адрес для переписки:
302034, г.Орел, ул. Приборостроительная, 35, Академия ФСО России, ОНТИ
|
(72) Автор(ы):
Богданов Николай Григорьевич (RU), Иванов Борис Рудольфович (RU), Щекотихин Сергей Николаевич (RU)
(73) Патентообладатель(и):
Государственное образовательное учреждение высшего профессионального образования Академия Федеральной службы охраны Российской Федерации (Академия ФСО России) (RU)
|
(54) ДВУХПАРАМЕТРОВЫЙ СПОСОБ КОНТРОЛЯ ИЗДЕЛИЙ
(57) Реферат:
Изобретение относится к неразрушающему контролю качества материалов и изделий и может быть использовано для измерения толщины немагнитных покрытий на ферромагнитной основе и контроля толщины диэлектрического покрытия с учетом электромагнитных свойств изделия. Технический результат: расширение диапазона измерения и повышение достоверности и производительности контроля. Сущность: подключают обмотки вихретокового преобразователя к колебательному контуру, возбуждаемому импульсами тока изменяющейся частоты. Скорость и направление развертки частоты изменяют в двух тактах преобразования. Выходной сигнал преобразователя сравнивают с пороговым уровнем. Усиленное напряжение разбаланса используют для регулировки амплитуды импульсов возбуждающего тока. Толщину покрытия вычисляют по напряжению разбаланса и резонансной частоте колебаний, выделяемой по нулевой разности фаз между импульсами тока и выходным сигналом преобразователя. 1 ил.
Изобретение относится к неразрушающему контролю качества материалов и изделий и может быть использовано для измерения толщины немагнитных и диэлектрических покрытий на ферромагнитной основе, в том числе для допускового контроля толщины покрытия оцинкованного провода, а также для оценки добротности и настройки резонансной частоты радиотехнических высокочастотных контуров.
Известен способ двухпараметрового неразрушающего контроля изделий, согласно которому варьируют высокочастотный сигнал, подаваемый на вихретоковый преобразователь, выделяют амплитуду выходного напряжения преобразователя или разность фаз между питающим и выходным сигналами, которую умножают на соответствующий коэффициент преобразования и используют для получения результата измерения [1].
Известен также способ двухпараметрового контроля, согласно которому в вихретоковом преобразователе возбуждают переменный ток, измеряют амплитуду и фазу выходного сигнала вихретокового преобразователя и по результатам их обработки определяют параметры контролируемого изделия [2].
Общим недостатком этих способов является низкая точность измерения в широком диапазоне контролируемых параметров, что обусловлено возрастанием относительной инструментальной погрешности измерения при уменьшении амплитуды выходного сигнала вихретокового преобразователя из-за увеличения толщины покрытия или проводимости основы изделия.
Наиболее близким по технической сущности к предлагаемому изобретению является способ двухпараметрового контроля изделий, согласно которому вихретоковый преобразователь включают в параллельный колебательный контур и возбуждают его импульсами тока. Амплитуду выходного сигнала вихретокового преобразователя сравнивают с пороговым уровнем напряжения, усиливают сигнал разбаланса и используют его для регулирования амплитуды импульсов возбуждающего тока, а также в качестве одного из информативных параметров толщины контролируемого покрытия [3].
Недостатком этого способа является понижение точности измерения и уменьшение достоверности контроля вследствие возрастания методической погрешности при расширении диапазона контролируемых параметров. Этот недостаток обусловлен нелинейной зависимостью между контролируемой толщиной h покрытия и фазовым углом выходного сигнала вихретокового преобразователя, особенно при большой разности фаз между возбуждающим и выходным сигналами преобразователя ( >45°). Кроме того, ширина диапазона контроля известным способом практически ограничивается динамическим диапазоном регулирования амплитуды импульсов возбуждающего тока, что приводит к необходимости дополнительной настройки аппаратуры при изменении условий контроля и, как следствие, к снижению его производительности в производственных условиях. При этом возможность расширения диапазона контроля, например за счет повышения амплитуды возбуждающего тока, ограничивается дополнительной погрешностью, обусловленной ухудшением температурного режима работы вихретокового преобразователя вследствие нагрева его возбуждающей обмотки, что приводит к уменьшению точности измерений и, в конечном итоге, к снижению надежности аппаратуры и достоверности контроля.
Техническим результатом изобретения является расширение диапазона измерения и повышение достоверности и производительности контроля.
Этот результат достигается тем, что в известном способе, согласно которому вихретоковый преобразователь включают в параллельный колебательный контур, на который подают импульсы возбуждающего тока, амплитуду выходного сигнала преобразователя сравнивают с пороговым уровнем напряжения, а усиленный сигнал разбаланса используют для регулирования амплитуды импульсов возбуждающего тока и в качестве первого информативного параметра контролируемого изделия дополнительно увеличивают частоту импульсов возбуждающего тока в диапазоне контроля, выделяют момент изменения знака разности фаз между возбуждающим током и выходным сигналом вихретокового преобразователя, после чего медленно уменьшают частоту возбуждающего тока до момента появления начального знака разности фаз, затем измеряют частоту импульсов тока и используют ее в качестве второго информативного параметра контролируемого изделия.
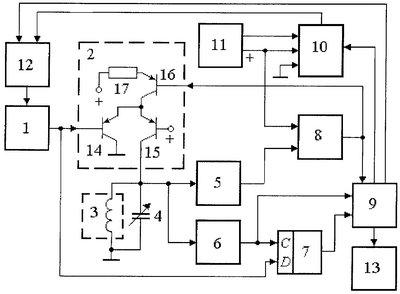
Заявленный способ контроля реализуется устройством, структурная схема которого приведена на чертже.
Устройство содержит последовательно соединенные управляемый генератор импульсов 1, преобразователь напряжения в ток 2 и параллельный колебательный контур на основе вихретокового преобразователя 3 с конденсатором 4, к которому подключены амплитудный детектор 5 и формирователь импульсов 6. Выход формирователя импульсов 6 подключен к С-входу триггера 7, D-вход которого соединен с выходом генератора импульсов 1. Выход амплитудного детектора 5 через дифференциальный усилитель 8 соединен с управляющим входом преобразователя напряжения в ток 2 и первым входом блока обработки данных 9, второй и третий входы которого подключены соответственно к выходам формирователя 6 и триггера 7. Второй вход усилителя 8 соединен с источником опорного напряжения 9. Первый выход блока обработки 9 соединен с управляющим входом аналогового коммутатора 10, подключающего выходы источника опорных напряжений 11 к входу интегратора 12, выход которого подключен к управляющему входу генератора импульсов 1. Управляющий вход интегратора 12 соединен со вторым выходом блока обработки данных 9, третий выход которого подключен к цифровому индикатору 13, на который выводятся результаты контроля.
В преобразователе напряжения в ток 2 использован дифференциальный каскад на транзисторах 14 и 15 с регулируемым генератором тока, собранном на транзисторе 16 и резисторе 17.
Проведенный анализ уровня техники позволил установить, что аналоги, тождественные признакам заявленного технического решения, отсутствуют, что указывает на соответствие заявленного устройства условию патентоспособности «новизна». Введенные отличительные признаки: развертка частоты импульсов возбуждающего тока с изменением скорости и направления развертки в двух тактах преобразования, а также использование в качестве второго информативного параметра частоты резонансных колебаний в них не встречаются. Следовательно, заявляемое устройство удовлетворяет критерию «изобретательский уровень». Промышленная применимость введенных элементов обусловлена наличием элементной базы, на основе которой они могут быть выполнены. В частности, управляемый генератор импульсов 1 можно реализовать на микросхеме КР1554ТЛ1 с двумя времязадающими RC- или LC-элементами и варикапом типа KB109. В преобразователе напряжения в ток 2 можно использовать транзисторы типа КТ3102Е с резистором С2-23 В. Вихретоковый преобразователь 3 накладного или проходного типа можно реализовать на сердечнике с магнитопроводом МН1000 и обмоткой, содержащей 100…500 витков медного провода диаметром (0,15…0,2) мм.
В схеме амплитудного детектора 5 можно использовать операционный усилитель, например, типа КР140УД12 с высокочастотным диодом КД503 и конденсатором, а в формирователе импульсов 6 – микросхему КР1554ТЛ1 “Триггер Шмитта”. D-триггер 7 реализуется на микросхеме КР1554ТМ2, дифференциальный усилитель 8 – на микросхеме КР140УД12, блок обработки информации 9 – на основе стандартного микропроцессора. Аналоговый коммутатор 10 может быть реализован на микросхеме К561КП1, источник опорного напряжения 11 – на микросхеме стабилизатора напряжения с резистивным делителем на выходе, интегратор 12 – на типовой схеме дифференциального усилителя с резистором на входе и конденсатором в цепи обратной связи. В качестве блока индикации 13 можно использовать жидкокристаллическое индикаторное табло, применяемое в цифровых калькуляторах.
Способ на примере допускового контроля качества оцинкованного провода посредством измерения толщины электропроводящего немагнитного покрытия на ферромагнитной основе реализуется следующим образом.
В начале цикла контроля блок обработки данных 9 устанавливает в исходные состояния коммутатор 10 и интегратор 12. Постоянное напряжение (UО1 2 В) с выхода источника опорных напряжений 11 через коммутатор 10 подается на вход интегратора 12, выходное напряжение которого линейно увеличивается U12=UOt/T со скоростью нарастания V1=UО/T, зависящей от постоянной времени T интегратора 12. Напряжение U12 поступает на управляющий вход генератора 1, формирующего прямоугольные импульсы со скважностью, равной двум (Q=2), частота которых начинает линейно увеличиваться во времени (f1=K1t) пропорционально коэффициенту преобразования К1 управляемого генератора 1. Импульсы от генератора 1 поступают на преобразователь напряжения в ток 2 с большим выходным сопротивлением (RВЫХ2 ), с выхода которого на возбуждающую обмотку вихретокового преобразователя 3 и конденсатор 4 подаются импульсы тока. При подключении возбуждающей обмотки преобразователя 3 с индуктивностью L3 параллельно конденсатору 4 с емкостью С4 образуется колебательный контур, имеющий резонансную частоту . Вследствие высокой добротности L3С4-контура на его выходе формируется напряжение гармонической формы, частота которого задается частотой f1 генератора 1. При первичной настройке устройства или перед началом цикла контроля вихретоковый преобразователь 3 размещают на образцовом изделии, имеющем эталонную толщину немагнитного покрытия, и регулировкой емкости С4 конденсатора 4 устанавливают частоту резонанса L3С4-контура примерно равной средней частоте рабочего диапазона контроля fP fСР. Этим обеспечивается высокая чувствительность контроля и линейность фазочастотной характеристики преобразования, которая определяется типовыми свойствами колебательного L3С4-контура при его работе в частотной полосе пропускания. Амплитудным детектором 5 и усилителем 8 выделяется и усиливается сигнал разбаланса (т.е. разность напряжений) U8=K8(UПОР-UМ3) между установленным пороговым значением (UПОР 2 В), формируемым источником опорных напряжений 11, и амплитудой UМ3 выходного сигнала преобразователя 3, которой регулируется амплитуда импульсов тока в преобразователе 2. Формирователь 6 служит для преобразования выходного сигнала вихретокового преобразователя 3 в последовательность прямоугольных импульсов. Эти импульсы сравниваются по фазе триггером 7, выполняющим функцию фазового компаратора, с выходными импульсами управляемого генератора 1. Пока частота f1 формируемых генератором 1 импульсов не превышает резонансной частоты контура (f1P), разность фаз между входными и выходными сигналами L3C4-контура остается положительной:  = 3– 1>0. При равенстве частоты f1 резонансной частоте fP фазовый угол  переходит через нулевое значение ( =0), и при дальнейшем повышении частоты (f1>fP) он становится отрицательным ( <0). При дальнейшем увеличении (развертке) частоты импульсов управляемого генератора 1 в момент времени, соответствующий равенству частот f1 fP, срабатывает триггер 7, и его выходной сигнал переходит из единичного логического состояния в нулевое состояние (переход “1 0″). После срабатывания триггера 7 блок обработки 9 переводит коммутатор 10 во второе рабочее состояние. При этом на вход интегратора 12 подается небольшое отрицательное напряжение UО2 -UО1/100 с выхода опорного источника 11, под воздействием которого выходное напряжение интегратора 12 начинает медленно уменьшаться по линейному закону. Это приводит к аналогичному относительно медленному понижению частоты импульсов управляемого генератора 1. Данный процесс продолжается до тех пор, пока триггер 7 не установится в исходное (единичное) логическое состояние (переход “0 1″). После срабатывания триггера 7 блок обработки данных 9 дает команду на коммутатор 10, через который вход интегратора 12 соединяется с нулевой цепью. При этом интегратор 12 переходит в режим запоминания, и его выходное напряжение U12 не изменяется, поэтому частота импульсов генератора 1 остается постоянной f1=fР. Эта частота измеряется блоком обработки 9 в течение интервала времени ТИЗМ=n/fC, кратного периоду сетевой частоты TC=1/fC=20 мс (при n=1, 2,…10). Одновременно в блоке обработки данных 9 выполняется кодирование усредненного значения напряжения U8, поступающего с выхода усилителя 8. После окончания такта измерения ТИЗМ блок обработки 9 подает команду на управляющий вход интегратора 12, устанавливая его в исходное нулевое состояние, чем и завершается цикл контроля. По результатам измерений частоты Nf=ТИЗМf1 и напряжения NU=K9U8 блок обработки данных 9 выделяет информативный параметр, т.е. вычисляет толщину h контролируемого покрытия по типовому алгоритму, значение которой выводится на цифровой индикатор 13.
Для расчета толщины электропроводящих покрытий на ферромагнитной основе используются два измеряемых параметра – амплитудный и частотный, и вычисление толщины покрытия h выполняется по формуле
h=K1lnU8+K2/f1,
где К1 и К2 – коэффициенты, определяемые экспериментально для конкретных значений электрической проводимости покрытия и ферромагнитной основы контролируемого образца изделия.
Высокая чувствительность предложенного способа контроля обусловлена тем, что на резонансной частоте fP параллельного колебательного контура, содержащего вихретоковый преобразователь, влияние электромагнитных потерь в немагнитном покрытии с толщиной h компенсируются ферромагнитными свойствами основы. Вследствие этого небольшие изменения толщины покрытия ( h 0,2…1,5 мкм) приводят к существенному отклонению резонансной частоты (от единиц до десятков килогерц) относительно номинального значения резонансной частоты (fP 1…5 МГц) при высокой добротности L3C4-контура (Q=20…200). Для увеличения чувствительности к измеряемому параметру в данном устройстве нужно применять детектор 5 и формирователь импульсов 6 с высокими входными сопротивлениями.
Повышение достоверности контроля предложенным способом обеспечивается за счет усреднения результата измерения частоты f1=fP на интервале времени ТИЗМ, кратном 20 мс, что позволяет резко ослабить влияние помех промышленной частоты (50 Гц) на точность измерения. Кроме того, при автоматической регулировке амплитуды импульсов возбуждающего тока в преобразователе 2 амплитуда выходного сигнала вихретокового преобразователя 3 мало зависит от резонансной частоты и определяется пороговым напряжением UМ3 UПОР 2 В. Поэтому инструментальные погрешности детектора 5 и формирователя 6 пренебрежимо малы и практически не оказывают влияния на достоверность результатов контроля толщины покрытия h.
К особенностям реализации данного способа относится двухтактное изменение направления и скорости развертки частоты возбуждающих импульсов тока. Этим устраняется эффект “сноса” частоты fP, характерный для резонансных систем с линейной разверткой частоты [4].
Например, если параллельный L3С4-контур имеет резонансную частоту fP=1 МГц, то при добротности Q=100 его постоянная времени составляет ТК=Q/ fР 30 мкс. При развертке частоты импульсов возбуждающего тока со скоростью Vf=100 кГц/мс фазовый угол  =0 между возбуждающим и выходным сигналами определяется на частоте f1 fP+TКVf (106+3·103) Гц с погрешностью fP 3 кГц. Уменьшение (в 100 и более раз) скорости развертки частоты импульсов тока во втором такте преобразования позволяет снизить эту погрешность при незначительном увеличении времени контроля. Так, при развертке частоты импульсов в диапазоне (0,5-1,5) МГц со скоростью Vf1=100 кГц/мс длительность первого такта развертки (до момента появления частоты f1 1,003 МГц) составляет ТИЗМ1 5 мс. При 100-кратном понижении скорости развертки частоты во втором такте (до Vf2=1 кГц/мс) его длительность составит ТИЗМ2= fPVf2=3 мс, а погрешность от “сноса” резонансной частоты уменьшается до значения не более fP2 30 Гц.
Таким образом, изменение скорости и направления развертки частоты импульсов тока в сочетании с измерением частоты резонансных колебаний позволяет расширить диапазон измерения и повысить достоверность и производительность контроля покрытий при минимальных временных затратах.
Источники информации
1. Беликов Е.Т., Тимаков Л.К. Авт. свид. №1619007, кл. G01В 7/06. Устройство для двухпараметрового неразрушающего контроля изделий. Бюл. №1, 1991 г.
2. Беликов Е.Г., Тимаков Л.К. Вихретоковый способ двухпараметрического контроля изделий. Авт. свид. №1608422, кл. G01В 7/06. Бюл. №43, 1980 г.
3. Богданов Н.Г., Отрошенко Ю.Н., Приходько В.А., Суздальцев А.И. Вихретоковый способ двухпараметрического контроля изделий. Патент №2184930, кл. G01В 7/06, 2002 г. (прототип).
4. Гоноровский И.С. Радиотехнические цепи и сигналы.
Формула изобретения
Двухпараметровый способ контроля изделий, заключающийся в том, что вихретоковый преобразователь включают в параллельный колебательный контур, на который подают импульсы возбуждающего переменного тока, амплитуду выходного сигнала преобразователя сравнивают с пороговым уровнем, а усиленный сигнал разбаланса используют для регулирования амплитуды импульсов возбуждающего тока и в качестве одного из информативных параметров контролируемого изделия, отличающийся тем, что частоту импульсов возбуждающего тока линейно увеличивают в диапазоне контроля, выделяют момент изменения знака разности фаз между возбуждающим током и выходным сигналом вихретокового преобразователя, затем медленно уменьшают частоту возбуждающего тока до момента появления начального знака разности фаз, после чего измеряют частоту импульсов возбуждающего тока и используют ее в качестве второго информативного параметра при измерении контролируемой величины.
РИСУНКИ
MM4A – Досрочное прекращение действия патента СССР или патента Российской Федерации на изобретение из-за неуплаты в установленный срок пошлины за поддержание патента в силе
Дата прекращения действия патента: 18.04.2008
Извещение опубликовано: 10.06.2010 БИ: 16/2010
|
|