|
|
(21), (22) Заявка: 2005131076/11, 07.10.2005
(24) Дата начала отсчета срока действия патента:
07.10.2005
(46) Опубликовано: 20.07.2007
(56) Список документов, цитированных в отчете о поиске:
Андрейчук О.Б., Малахов Н.Н. Тепловые испытания космических аппаратов. – М.: Машиностроение, 1982, с.23, рис.3.1; с.45, рис.3.18. RU 2209751 С2, 10.08.2003. RU 2172709 C2, 27.08.2001. WO 0175841 A1, 11.10.2001. FR 2742729 A1, 27.06.1997. US 3379067 A, 23.04.1968.
Адрес для переписки:
141070, Московская обл., г. Королев, ул. Ленина, 4а, ОАО “РКК “Энерги” им. С.П. Королева”, отдел интеллектуальной собственности
|
(72) Автор(ы):
Севастьянов Николай Николаевич (RU), Верхотуров Владимир Иванович (RU), Зяблов Валерий Аркадьевич (RU), Щербаков Эдуард Викторович (RU)
(73) Патентообладатель(и):
Открытое акционерное общество “Ракетно-космическая корпорация “Энергия” им. С.П. Королева” (RU)
|
(54) СТЕНД ДЛЯ ТЕПЛОВАКУУМНЫХ ИСПЫТАНИЙ КОСМИЧЕСКИХ АППАРАТОВ
(57) Реферат:
Изобретение относится к стендам для имитации космических условий. Стенд для тепловакуумных испытаний космических аппаратов содержит вакуумную камеру с системой вакуумирования, криогенный экран, имитатор внешних тепловых потоков, состоящий из секций, и систему управления. Вакуумная камера соединена с датчиком давления. На криогенном экране установлен датчик температуры. Выходы датчика давления и задатчика давления, исключающего конвективный теплообмен в вакуумной камере, подключены к входам одной из схем сравнения. Выходы датчика температуры и задатчика температуры холодного космоса подключены к входам второй схемы сравнения. Выходы обеих схем сравнения подключены к входам схемы совпадения. Выход схемы совпадения соединен с системой управления включением блока регуляторов напряжения. Выходы блока регуляторов напряжения подключены к секциям имитатора внешних тепловых потоков. Изобретение позволяет повысить достоверность имитации космических условий и снизить энергопотребление стенда. 1 ил.
Изобретение относится к области испытательной техники, в частности к тепловакуумным испытаниям космических аппаратов (КА) в условиях, приближенных к эксплуатации КА в открытом космическом пространстве, а также может найти применение в тех областях техники, где предъявляются повышенные требования к вопросам теоретических и экспериментальных исследований излучательных, поглощательных и отражательных характеристик покрытий различных изделий.
Известен стенд для тепловакуумных испытаний КА, содержащий вакуумную камеру с КА, установленным внутри нее, систему вакуумирования, криогенный экран для охлаждения стенок камеры, имитатор солнечного излучения [1].
Недостатком данного аналога является то, что из-за своего расположения самое большое параболическое зеркало переизлучает лучи с одного участка испытуемого КА на другой участок, то есть КА как бы видит сам себя в зеркале, что вызывает неконтролируемые вторичные лучистые потоки, приводящие к температурным ошибкам имитации, кроме того, большое количество оптических элементов очень удорожает систему.
Наиболее близким по технической сущности к предлагаемому изобретению является стенд для тепловакуумных испытаний КА, содержащий вакуумную камеру с установленным внутри нее КА, систему вакуумирования, подсоединенную к вакуумной камере, криогенный экран, имитатор внешних тепловых потоков, систему управления тепловакуумными испытаниями [2].
Этот стенд принят за прототип.
Недостатком прототипа является то, что имитатор внешних тепловых потоков облучает КА в одном направлении (сверху вниз), а сам КА установлен либо на нижней опорной поверхности вакуумной камеры, либо закреплен на поворотном устройстве, имеющем одну степень свободы, что не позволяет попеременно (а в некоторых случаях и одновременно) облучать другие поверхности КА, что, в свою очередь, связано с имитацией натурных условий ориентации объекта при его вращении в космическом пространстве относительно Солнца; необходимо каждый раз останавливать испытания и производить операции по перестановке КА, что связано с большими трудозатратами и энергозатратами, например слив жидкого азота из полостей криогенного экрана и продувка его теплым воздухом, разгерметизация вакуумной камеры, демонтаж КА и установка его в другом положении с последующими электрическими перепроверками, вновь вывод вакуумной камеры на рабочий режим.
Задачей изобретения является увеличение достоверности тепловакуумных испытаний с одновременным уменьшением энергопотребления и трудозатрат.
Задача решается за счет того, что в стенд для тепловакуумных испытаний КА, содержащий вакуумную камеру с установленным внутри нее КА, систему вакуумирования, сообщенную с вакуумной камерой, криогенный экран, расположенный вокруг КА, имитатор внешних тепловых потоков, состоящий из секций, систему управления, введены датчик давления, задатчик давления, исключающий конвективный теплообмен в вакуумной камере, датчик температуры, задатчик температуры холодного космоса, две схемы сравнения, схема совпадения, блок регуляторов напряжения, при этом вакуумная камера соединена с датчиком давления, а датчик температуры установлен на криогенном экране, выходы датчика давления и задатчика давления, исключающего конвективный теплообмен в вакуумной камере, подключены к входам одной из схем сравнения, а выходы датчика температуры и задатчика температуры холодного космоса подключены к второй схеме сравнения, выходы обеих схем сравнения подключены к входам схемы совпадения, выход которой соединен с системой управления включением блока регуляторов напряжения, выходы которого подключены к секциям имитатора внешних тепловых потоков.
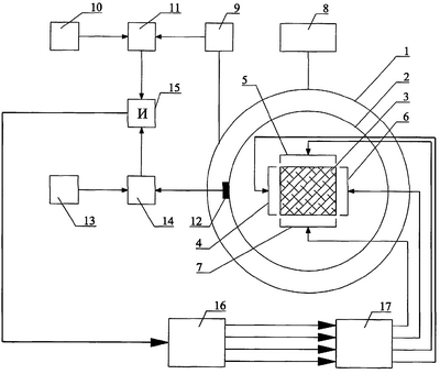
На чертеже представлена функциональная схема стенда для тепловакуумных испытаний КА, где:
1 – вакуумная камера;
2 – криогенный экран;
3 – космический аппарат;
4, 5, 6, 7 – секции имитатора внешних тепловых потоков;
8 – система вакуумирования;
9 – датчик давления;
10 – задатчик давления, исключающего конвективный теплообмен;
11 – схема сравнения;
12 – датчик температуры;
13 – задатчик температуры холодного космоса;
14 – схема сравнения;
15 – схема совпадения;
16 – система управления включением блока регуляторов напряжения;
17 – блок регуляторов напряжения.
Стенд для тепловакуумных испытаний КА 3, установленного в вакуумной камере 1, оснащенной системой вакуумирования 8 и криогенным экраном 2, расположенным вокруг КА 3, имитатором внешних тепловых потоков, состоящим из секций 4, 5, 6, 7, системой управления 16, содержит датчик давления 9, соединенный с вакуумной камерой 1, задатчик давления, исключающий конвективный теплообмен 10 в вакуумной камере 1, датчик температуры 12, установленный на криогенном экране 2, задатчик температуры холодного космоса 13, две схемы сравнения 11 и 14, схему совпадения 15, блок регуляторов напряжения 17, выходы датчика давления 9 и задатчика давления, исключающего конвективный теплообмен 10 в вакуумной камере 1, подключены к входам схемы сравнения 11, выходы датчика температуры 12 и задатчика температуры холодного космоса 13 подключены к входам схемы сравнения 14, выходы схем сравнения 11 и 14 подключены к входам схемы совпадения 15, выход которой соединен с системой управления 16 включением блока регуляторов напряжения 17, выходы которого подключены к секциям имитатора внешних тепловых потоков 4, 5, 6, 7.
Процесс тепловакуумных испытаний КА 3, установленного внутри вакуумной камеры 1, оснащенной криогенным экраном 2 и имитатором внешних тепловых потоков в виде секций 4, 5, 6, 7, осуществляется следующим образом.
Вакуумируют камеру 1 с помощью системы вакуумирования 8 до давления, исключающего конвективный теплообмен в камере (например, до давления 10-3 Па), измеряемого датчиком давления 9. Сигнал датчика давления 9 поступает в схему сравнения 11, куда поступает также сигнал заданного значения давления, исключающего конвективный теплообмен, от задатчика давления 10.
Одновременно с вакуумированием камеры захолаживают криогенный экран 2 до температуры, имитирующей холод космического пространства (например, до температуры минус 186°С). Сигнал, измеряемый датчиком температуры 12, поступает в схему сравнения 14, куда поступает также сигнал с задатчика температуры холодного космоса 13.
Затем, при совпадении значений давления и температуры со схем сравнения 11 и 14 сигналы поступают на схему совпадения И 15, которая выдает сигнал в систему управления 16 включением блока регуляторов напряжения 17 секциями имитатора внешних тепловых потоков 4, 5, 6, 7, с помощью которого регулируют мощность каждой секции излучателей, в соответствии со штатным алгоритмом воздействия на КА внешних тепловых потоков, действующих на КА при полете в космосе, формируют поток вокруг неподвижного КА, изменяя его интенсивность.
Использование предлагаемого технического решения дает следующие положительные результаты:
– увеличение достоверности тепловакуумных испытаний за счет приближения к натурным условиям облучения КА в условиях открытого космического пространства, которое достигается посредством локальной ориентации секций имитатора внешних тепловых потоков относительно поверхностей объекта испытаний, подлежащих облучению, с регулировкой мощности теплового потока и поочередным включением (выключением) секций нагревателей, что моделирует вращение КА по орбите и обеспечивает одновременное создание отличных друг от друга полей температур на различных поверхностях объекта испытаний;
– экономия хладагента (например, жидкого азота), используемого при захолаживании криогенного экрана и сжатого теплого воздуха, используемого для продувки и отогрева криоэкрана при очередном открытии вакуумной камеры, электроэнергии, расходуемой на питание системы стенда;
– простота и дешевизна конструкции имитатора внешних тепловых потоков, надежность в эксплуатации.
Предлагаемый стенд может иметь широкое практическое применение для получения экспериментальных данных при решении проблем, связанных с обеспечением теплового режима аппаратов, работающих в открытом космическом пространстве.
Литература
1. Фаворский О.Н., Каданер Я.С. Вопросы теплообмена в космосе. – М.: Высшая школа, 1967 г., стр.141.
2. Андрейчук О.Б., Малахов Н.Н. Тепловые испытания космических аппаратов. – М.: Машиностроение, 1982 г., стр.23, стр.45.
Формула изобретения
Стенд для тепловакуумных испытаний космических аппаратов, содержащий вакуумную камеру с установленным внутри нее космическим аппаратом, систему вакуумирования, сообщенную с вакуумной камерой, криогенный экран, расположенный вокруг космического аппарата, имитатор внешних тепловых потоков, состоящий из секций, систему управления, отличающийся тем, что в его состав введены датчик давления, задатчик давления, исключающего конвективный теплообмен в вакуумной камере, датчик температуры, задатчик температуры холодного космоса, две схемы сравнения, схема совпадения, блок регуляторов напряжения, при этом вакуумная камера соединена с датчиком давления, а датчик температуры установлен на криогенном экране, выходы датчика давления и задатчика давления, исключающего конвективный теплообмен в вакуумной камере, подключены к входам одной из схем сравнения, а выходы датчика температуры и задатчика температуры холодного космоса подключены к входам второй схемы сравнения, выходы обеих схем сравнения подключены к входам схемы совпадения, выход которой соединен с системой управления включением блока регуляторов напряжения, выходы которого подключены к секциям имитатора внешних тепловых потоков.
РИСУНКИ
|
|