|
|
(21), (22) Заявка: 2005130430/11, 30.09.2005
(24) Дата начала отсчета срока действия патента:
30.09.2005
(43) Дата публикации заявки: 10.04.2007
(46) Опубликовано: 20.07.2007
(56) Список документов, цитированных в отчете о поиске:
RU 2238868 С2, 27.10.2004. SU 1799784 A1, 07.03.1993. SU 897621 A1, 15.01.1982. RU 2183575 С2, 20.06.2002. SU 1643278 A1, 23.04.1991.
Адрес для переписки:
443066, г.Самара, 1-й Безымянный пер., 18, СамГАПС, патентный отдел
|
(72) Автор(ы):
Полевой Юрий Иосифович (RU), Полевая Людмила Владимировна (RU), Хохлов Анатолий Филиппович (RU), Трошина Марина Васильевна (RU), Ахмадуллин Фанис Ринатович (RU)
(73) Патентообладатель(и):
Государственное образовательное учреждение высшего профессионального образования “Самарская государственная академия путей сообщения” (СамГАПС) (RU)
|
(54) РЕЛЬСОВАЯ ЦЕПЬ
(57) Реферат:
Изобретение относится к области железнодорожной автоматики и телемеханики, в частности к тональным рельсовым цепям. Рельсовая цепь содержит генератор, рельсовые линии, согласующие трансформаторы, выпрямители, резистор, путевые трансформаторы, диоды, фильтры управляющих частот, фильтры сигнальной частоты, провода питающей и приемной цепи, генераторы управляющих частот и распределитель. Распределитель соединен с генераторами управляющих частот, которые через фильтры управляющих частот, выпрямители и диоды по проводам приемной и питающей цепей соединены со средними точками путевых и согласующих трансформаторов, подключая приемник через путевые и согласующие трансформаторы, фильтры сигнальной частоты к правому концу рельсовой линии, а к левому – генератор через фильтры сигнальной частоты и ограничивающий резистор. Использование предложенной рельсовой цепи позволит существенно повысить надежность работы рельсовой цепи за счет сокращения жильности кабеля. 1 ил.
Изобретение относится к области железнодорожной автоматики и телемеханики, в частности к тональным рельсовым цепям.
Известны частотные рельсовые цепи [Аркатов B.C. и др. Рельсовые цепи магистральных железных дорог. – М.: Транспорт, 1992, стр.332-336] с путевым приемником [Дмитриев B.C., Минин В.А. Системы автоблокировки с рельсовыми цепями тональной частоты. – М.: Транспорт, 1992, стр.83-87]. В качестве порогового элемента в нем используется триггер на транзисторах VT7 и VT8 [Дмитриев B.C., Минин В.А. Системы автоблокировки с рельсовыми цепями тональной частоты. – М.: Транспорт, 1992, стр.83, рис 2.23].
Недостатком известных рельсовых цепей является большая жильность кабеля, соединяющего рельсовые линии с центральным постом (пост ЭЦ).
Известна рельсовая цепь, содержащая генератор, рельсовые линии, согласующие трансформаторы, фильтры, выпрямитель, резистор [Патент №2238868 от 27.10.2004. Бюл. №12, 2004 г., B61L 23/16].
Недостатком известной рельсовой цепи является большая жильность кабеля, соединяющего рельсовые линии с центральным постом.
Данное техническое решение выбрано в качестве прототипа.
Техническим результатом является повышение надежности работы рельсовой цепи.
Технический результат достигается тем, что рельсовая цепь, содержащая генератор, рельсовые линии, согласующие трансформаторы, выпрямитель, резистор, дополнительно снабжена путевыми трансформаторами, диодами, фильтрами управляющих частот, фильтрами сигнальной частоты, выпрямителями, проводами питающей и приемной цепи, генераторами управляющих частот, распределителем, причем распределитель соединен с генераторами управляющих частот, которые через фильтры управляющих частот, выпрямители и диоды по проводам приемной и питающих цепей соединены со средними точками путевых и согласующих трансформаторов, подключая приемник через путевые и согласующие трансформаторы, фильтры сигнальной частоты к правому концу рельсовой линии, а к левому – генератор через фильтры сигнальной частоты и ограничивающий резистор.
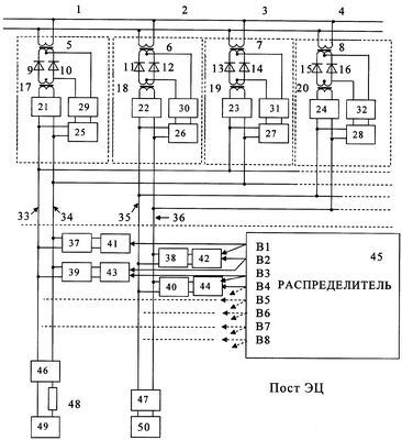
На чертеже представлена схема соединения приборов рельсовой цепи.
Рельсовая цепь содержит рельсовые линии 1, 2, 3, 4; путевые трансформаторы 5, 6, 7, 8; диоды 9, 10, 11, 12, 13, 14, 15, 16; согласующие трансформаторы 17, 18, 19, 20; вторые фильтры сигнальной частоты 21, 22, 23, 24; вторые фильтры управляющих частот 25, 26, 27, 28; выпрямители 29, 30, 31, 32; провода питающей цепи 33, 34; провода приемной цепи 35, 36; первые фильтры управляющих частот 37, 38, 39, 40; генераторы управляющих частот 41, 42, 43, 44; распределитель 45; первые фильтры сигнальной частоты 46, 47; ограничивающий резистор 48, генератор сигнальной частоты 49; приемник 50.
Рельсовая цепь работает следующим образом. Генератор сигнальной частоты 49 и приемник 50 поочередно циклически подключают к рельсовым линиям 1, 2, 3, 4. На выходах В1, В2, В3 … распределителя 45 поочередно повышается потенциал и включаются генераторы управляющих частот 41 и 42 (первый такт), 42 и 43 (второй такт), 43 и 44 (третий такт), и т.д. В первом такте от генератора управляющей частоты 41 через фильтры управляющих частот 37 и 25 по проводам питающей цепи 33 и 34, а от генератора управляющей частоты 42 через фильтры управляющих частот 38 и 26 по проводам приемной цепи 35 и 36 сигналы поступают соответственно на входы выпрямителей 29 и 30. С выходов выпрямителей постоянное напряжение поступает на средние точки согласующих и путевых трансформаторов 17 и 5, 18 и 6 соответственно. При этом на диодах 9, 10, 11, 12 создается положительное смещение. Благодаря этому к выходу согласующего трансформатора 17 подключается вход путевого трансформатора 5, а к выходу согласующего трансформатора 18 – вход путевого трансформатора 6.
Таким образом, к левому концу рельсовой линии 1 через фильтры сигнальной частоты 21 и 46 и ограничивающий резистор 48 подключается генератор сигнальной частоты 49, а к правому концу рельсовой линии через фильтры сигнальной частоты 22 и 47 – приемник 50. В следующих тактах генератор сигнальной частоты 49 и приемник 50 будут подключены к рельсовым линиям 2, 3 и т.д.
Использование предложенной рельсовой цепи позволит существенно повысить надежность работы рельсовой цепи за счет сокращения жильности кабеля.
Формула изобретения
Рельсовая цепь, содержащая генератор, рельсовые линии, согласующие трансформаторы, выпрямитель, резистор, отличающаяся тем, что она дополнительно снабжена путевыми трансформаторами, диодами, фильтрами управляющих частот, фильтрами сигнальной частоты, выпрямителями, проводами питающей и приемной цепи, генераторами управляющих частот, распределителем, причем распределитель соединен с генераторами управляющих частот, которые через фильтры управляющих частот, выпрямители и диоды по проводам приемной и питающей цепей соединены со средними точками путевых и согласующих трансформаторов, подключая приемник через путевые и согласующие трансформаторы, фильтры сигнальной частоты к правому концу рельсовой линии, а к левому – генератор через фильтры сигнальной частоты и ограничивающий резистор.
РИСУНКИ
MM4A – Досрочное прекращение действия патента СССР или патента Российской Федерации на изобретение из-за неуплаты в установленный срок пошлины за поддержание патента в силе
Дата прекращения действия патента: 01.10.2007
Извещение опубликовано: 20.05.2009 БИ: 14/2009
|
|