|
|
(21), (22) Заявка: 2005136558/06, 24.11.2005
(24) Дата начала отсчета срока действия патента:
24.11.2005
(46) Опубликовано: 27.06.2007
(56) Список документов, цитированных в отчете о поиске:
RU 98118856 A, 27.08.2000. RU 203114147 A, 20.11.2004. RU 2174606 C2, 10.10.2001. RU 2186992 C2, 10.08.2002. US 6173958 А, 16.01.2001. US 6250641 A, 26.06.2001.
Адрес для переписки:
195009, Санкт-Петербург, ул. Ватутина, 3, Лит.А, ОАО “Силовые машины”, директору по корпоративным вопросам К.А. Лыкову
|
(72) Автор(ы):
Лисянский Александр Степанович (RU), Егоров Николай Павлович (RU), Шкляров Михаил Иванович (RU), Сухоруков Евгений Михайлович (RU)
(73) Патентообладатель(и):
Открытое акционерное общество “Силовые машины-ЗТЛ, ЛМЗ, Электросила, Энергомашэкспорт” (ОАО “Силовые машины”) (RU)
|
(54) УСТРОЙСТВО БЕСКОНТАКТНОГО УПЛОТНЕНИЯ ПРОТОЧНОЙ ЧАСТИ ТУРБОМАШИН
(57) Реферат:
Изобретение относится к области турбостроения, в частности к устройству бесконтактных уплотнений лабиринтного типа для ступеней паровой турбины, и может быть использовано при конструировании и модернизации уплотнений цилиндров среднего и низкого давлений паровых турбин, в том числе работающих и в составе парогазовых установок.
Сущность изобретения заключается в том, что уплотняющие пластины выполнены с “Г-” или “U-образным” профилем в сечении, при этом рабочий участок уплотняющей пластины выполнен под углом, находящимся первоначально в интервале 30-45°, с возможностью его изменения до 90°, при этом уплотняющие пластины установлены с исходным зазором, в диапазоне 1,1-2,2 мм и выполнены из сплава элементов группы металлидов, обладающих эффектом запоминания формы при изменении температуры. Данное уплотнение позволяет исключить возможность задевания ротора и соответственно минимизировать степень износа уплотнительных элементов, что в комплексе позволит существенно снизить объем протечек рабочего тела, повысить межремонтный цикл работы уплотнения, заметно понизить эксплуатационные расходы. 1 з.п. ф-лы, 2 ил.
Предлагаемое изобретение относится к области энергомашиностроения, конкретно турбостроения, в частности к устройству бесконтактных уплотнений лабиринтного типа для ступеней паровой турбины, и может быть использовано при конструировании и модернизации уплотнений цилиндров среднего и низкого давлений паровых турбин, в том числе работающих и в составе парогазовых установок. В перспективе предлагаемая конструкция уплотнения может быть применена в узлах концевых уплотнений цилиндров высокого давления паровых и газовых турбин.
Основной проблемой, возникающей при использовании известных конструкций уплотнений лабиринтного типа, является их невысокая надежность работы и эксплуатационный ресурс по причине высокой вероятности задевания вращающихся элементов турбины о неподвижные статорные элементы в условиях возникновения температурных и динамических расцентровок ротора. Наиболее часто это наблюдается при пусковых операциях и аварийных остановах турбоагрегата. Это обуславливает повышенный объем паровых протечек им как следствие, повышение эксплуатационных расходов, вероятности возникновения аварийных ситуаций, чем серьезно ухудшает технико-экономические параметры работы турбомашины в целом.
Известная конструкция позволяет обеспечить оптимальные зазоры в уплотнениях, минимизирующие последствия задевания, однако к причинам, препятствующим достижению указанного ниже технического результата при использовании таких устройств, относится то, что в процессе эксплуатации турбомашины вследствие воздействия возникающих температурных неравномерностей, технологических отклонений в исполнении пружин и обойм, в большинстве случаев наблюдается заклинивание сегментных обойм. Это, как правило, приводит к существенному ограничению подвижности сегментов и, соответственно, к задеваниям ротора и повышению их износа (особенно при пусках и остановах турбины, при прохождении критических частот вращения ротора и т.п.). Увеличение зазоров является причиной повышенных протечек рабочего тела и, как следствие, снижению экономичности, к.п.д и надежности работы турбомашины в целом.
Известен также целый ряд устройств уплотнений лабиринтного типа, устанавливаемых на неподвижных внутренних статорных частях (цилиндрах) ступеней паровой турбины и состоящих из радиальных полукольцевых уплотняющих пластин разных диаметров, величиной шага между пластинами и с разнообразными формами выполнения притупления в концевой их части (А.Д.Трухний. Стационарные паровые турбины. М., 1990 г., стр. 57, 108-110, 602-603; Патенты США: №5344160, 1994 г.; №5464226, 1995 г.; №5971400, 1999 г.; №6173958, 2001 г.).
К причинам, препятствующим достижению указанного ниже технического результата при использовании известных устройств, относится то, что упомянутые конструкции предполагают увеличенные установочные радиальные зазоры между рабочими элементами уплотнения и ротором турбомашины. Последнее приводит к повышенным протечкам рабочего тела, препятствует невозможности достижения высокого значения к.п.д. и показателей экономичности работы турбомашины. Кроме того, обоймы таких уплотнений, подверженные воздействию значительного градиента температуры, с противоположных сторон испытывают процесс коробления, ограничивающий возможности оптимизации зазора в уплотнении при различных режимах его эксплуатации. Ремонт таких уплотнений требует трудоемких работ по их исправлению, а также последующей обязательной операции центровки относительно корпуса.
Известен ряд конструкций уплотнений лабиринтного типа для паровых и газовых турбин, устанавливаемых непосредственно на роторе турбомашины и состоящих из радиальных полукольцевых уплотнительных пластин с разнообразными видами их притупления в концевой части, а также различными размерами наружного диаметра и расстояния (шага) между пластинами (А.Д.Трухний. Стационарные паровые турбины. М., 1990 г., стр.57, 108-110, 602-603; РТМ 08.020.33.86 “Уплотнения лабиринтные стационарные паровых и газовых турбин и компрессоров. Труды НПО ЦКТИ, 1988 г.; патенты США: №6250641, 2001 г.; №6257586, 2001 г.).
К причинам, препятствующим достижению указанного ниже технического результата при использовании известных устройств, относится то, что между корпусом цилиндра и уплотнениями, установленными на роторе, также предполагаются увеличенные установочные радиальные зазоры, что приводит к повышенным объемным протечкам рабочего тела, снижению экономичности и к.п.д. турбомашины в целом.
Известно гибкое уплотнение вала турбомашины, содержащее податливые в радиальном направлении кольца, установленные в неподвижном стакане и образованные витками свернутой в упругую спираль стальной ленты, наружный виток которой находится контакте со стаканом, а внутренний – с валом турбомашины (Заявка на патент РФ на изобретение №2003114147, опубл. 20.11.2004 г.).
К причинам, препятствующим достижению указанного ниже технического результата при использовании известного устройства, относится то, что известная конструкция уплотнения не может быть применена для турбомашин, статорные элементы которых выполнены с разъемом. Кроме того, известное устройство уплотнения обладает низкой ремонтопригодностью и технологичностью изготовления.
Наиболее близким устройством аналогичного назначения к предлагаемому, по совокупности существенных признаков и выбранному в качестве прототипа, является устройство уплотнения турбины, содержащее корпус, в котором выполнена, по крайней мере, одна кольцевая канавка, в которой размещено и жестко закреплено уплотнительное кольцо, выполненное в виде двух полукольцевых элементов, содержащих на наружной поверхности выступ, а на внутренней – усики, при этом выступ и усики выполнены из того же материала, что и кольцо, а именно фторполимера (Заявка на патент РФ на изобретение №98118856, опубл. 27.08.2000 г.).
К причинам, препятствующим достижению указанного ниже технического результата при использовании известного устройства по прототипу, является низкая надежность работы уплотнения вследствие невысокой механической устойчивости фторполимеров к истиранию, а также необходимости больших установочных зазоров. Это является причиной увеличения зазоров, повышения объема протечек рабочего тела и, как следствие, неудовлетворительной надежности работы уплотнения, снижения экономичности, к.п.д и надежности работы турбомашины в целом.
Технической задачей, решаемой предлагаемым изобретением, является разработка такого устройства бесконтактного уплотнения проточной части турбомашин, которое позволяет обеспечить сохранение оптимальной величины зазора между уплотняющими элементами и ротором при всех эксплуатационных режимах работы турбомашины, исключить возможность задевания ротора и, соответственно, минимизировать степень износа уплотнительных элементов, что в комплексе позволит существенно снизить объем протечек рабочего тела, повысить межремонтный цикл работы уплотнения, заметно понизить эксплуатационные расходы, вероятность возникновения аварийных ситуаций и тем самым значительно улучшить технико-экономические показатели, надежность и к.п.д. работы паровой турбины в целом.
Указанный технический результат при осуществлении предлагаемого изобретения достигается тем, что в устройстве бесконтактного уплотнения проточной части турбомашин, содержащем не менее одной кольцевой уплотняющей пластины, выполненной в виде разъемных элементов, которые размещены, жестко закреплены в кольцевой проточке и установлены с зазором к ротору, – уплотняющие пластины выполнены с “Г-” или “U-образным” профилем в сечении, при этом рабочий участок уплотняющей пластины выполнен под углом, находящимся первоначально в интервале 30-45°, с возможностью его изменения до 90°, при этом уплотняющие пластины установлены с исходным зазором, в диапазоне 1,1-2,2 мм, и выполнены из сплава элементов группы металлидов, обладающих эффектом запоминания формы при изменении температуры.
Сущность предлагаемого изобретения заключается в том, что уплотняющий элемент устройства бесконтактного уплотнения выполнен в виде разрезного кольца, состоящего, например, из двух полукольцевых элементов, размещенного в кольцевой проточке, которое имеет в сечении “Г-образный” профиль (при установке уплотняющего элемента в статорной части) или “U-образный” профиль (при установке на роторе). Рабочий участок уплотняющего элемента выполнен под углом, лежащим в интервале первоначально 30-45° и с возможностью его изменения до 90°. Уплотняющий элемент изготавливают из материала, представляющего стальной листовой прокат требуемой толщины, и устанавливают с первоначальным установочным зазором, лежащим в диапазоне 1,1-2,2 мм. Материал уплотняющего элемента представляет собой сплавы на основе титана, например никель-титановый, титано-кобальтовый, титано-никель-железный и т.п. сплавы, так называемые металлиды, – материалы, которые при изменении температуры обладают эффектом памяти первоначальной формы и возврата к ней при изменении температурного воздействия. В зависимости от температурного диапазона работы такие материалы, помимо относительно невысокой стоимости, позволяют обеспечить до нескольких миллионов циклов изменение-возврат формы (Справочное издание. Материалы с эффектом памяти формы. / Под ред. В.А.Лихачева. Изд-во НИИХ СПб ГУ, 1997 г.).
В конкретном случае, на момент запуска турбины, при нормальной температуре, уплотняющий элемент имеет в сечении “Г-образный” профиль (при установке уплотнения в статорной части) или “U-образный” профиль (при установке на роторе). Рабочий участок уплотняющего элемента выполняют с углом, лежащим в интервале 30-45°, при этом первоначальный установочный зазор находится в интервале 1,1-2,2 мм. При достижении турбиной рабочего диапазона температур материал уплотнительного элемента, имеющий температуру прямого мартенситного превращения структуры, равной или ниже рабочей температуры турбины, рабочий участок профилированной уплотняющей пластины пластически деформируется (разгибается до угла, равного 90°) и принимает в сечении плоско-линейную форму. Величина установочного зазора снижается и тем самым минимизируется величина объемных протечек. При охлаждении элементов проточной части турбины ниже температуры мартенситного превращения структуры металла рабочий участок уплотнения возвращается к первоначальному профилю и величине установочного зазора 1,1-2,2 мм, тем самым полностью исключается вероятность задевания подвижной и неподвижной частей турбины.
Таким образом, использование профилированных уплотняющих элементов определенного профиля и изготовленных из упомянутых сплавов, установленных с определенным зазором позволяет обеспечить автоматическое регулирование необходимых зазоров проточной части турбомашины на всех режимах ее работы и минимизировать объем протечек.
Проведенный заявителем анализ уровня техники, включающий поиск по патентным и научно-техническим источникам информации, не обнаружил аналог, характеризующийся признаками, тождественными или эквивалентными вышеперечисленным. Определение из перечня выявленных аналогов прототипа, как наиболее близкого решения по совокупности признаков к предлагаемому изобретению, позволил выявить совокупность существенных по отношению к усматриваемому заявителем техническому результату отличительных признаков в заявленном устройстве и изложенных в ниже представленной формуле изобретения.
Следовательно, предлагаемое техническое решение соответствует критерию патентоспособности “новизна”.
Для проверки соответствия заявленного изобретения критерию патентоспособности “изобретательский уровень” заявитель провел дополнительный поиск известных из уровня техники решений. Результаты поиска показали, что предлагаемое заявителем изобретение не вытекает явным для среднего специалиста образом из известного уровня техники. При этом установлено, что предлагаемое устройство не предусматривает:
– дополнение известного устройства какой-либо известной частью (частями), присоединяемой (присоединяемыми) к нему по известным правилам, для достижения технического результата, в отношении которого установлено влияние именно таких дополнений;
– замена какой-либо части (частей) известного устройства другой известной частью для достижения технического результата, в отношении которого установлено влияние именно такой замены;
– исключение какой-либо части (элемента) устройства с одновременным исключением обусловленной ее наличием функции и достижением при этом известного из уровня техники для такого исключения результата;
– увеличение количества однотипных элементов для усиления технического результата, обусловленного наличием в средстве именно таких элементов;
– конструкцию устройства уплотнения, состоящего из известных частей, выбор которых и связь между которыми осуществлены на основании известных правил, рекомендаций, а достигаемый при этом технический результат обусловлен только известными свойствами элементов этого устройства и связей между ними.
Исходя из ниже представленного описания устройства бесконтактного уплотнения и его работы можно сделать вывод, что в предлагаемое изобретение впервые предлагает устройство бесконтактного саморегулируемого уплотнения. Наиболее эффективно работающие и известные из уровня техники гибкие конструкции уплотнений лабиринтного типа с использованием подпружиненных сегментных обойм с разрезными гребенчатыми кольцами, состоящими из радиально подвижных сегментов, устанавливаемых на пружинах, фактически не являются бесконтактными, не позволяют автоматически регулировать рабочие зазоры и не устраняют вероятность задевания.
Неочевидность конструкторского решения определяется новой совокупностью существенных признаков и заключается в применении особым образом профилированных уплотнительных элементов, изготовленных из сплавов-металлидов с эффектом памяти формы и первоначально установленных с определенным зазором к неподвижному или вращающемуся узлу паровой турбины. Это позволяет получить ранее не достижимый технический результат, а именно – обеспечить одновременно сохранение оптимальной величины зазора в уплотнении между подвижной и вращающейся частью турбомашины, определяемой техническими требованиями, и его автоматическое регулирование при всех эксплуатационных режимах турбомашины, минимизировать величину объемных протечек, практически исключить вероятность задевания ротора и, соответственно, исключить износ уплотнительных элементов, заметно увеличив его межремонтный цикл работы, тем самым существенно повысить технико-экономические параметры работы турбины.
Следовательно, заявленное изобретение соответствует критерию патентоспособности “изобретательский уровень”.
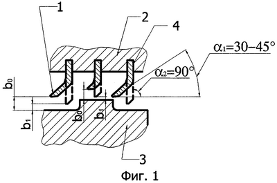
На фиг.1 и 2, поясняющих сущность предлагаемого изобретения, показаны: продольный разрез узла уплотнений (вдоль ротора валопровода турбины), имеющих в сечении “Г-образный” профиль и установленных на неподвижной статорной части турбомашины одной из ступеней паровой турбины, а именно рабочем цилиндре среднего давления (фиг.1). На фиг.2 изображен фрагмент продольного разреза узла уплотнений, имеющих в сечении “U-образный” профиль и установленных на вращающейся части (роторе) турбины.
Устройство бесконтактного уплотнения проточной части турбомашин состоит из радиальных разрезных кольцевых элементов 1, полукольцевых или набранных из сегментов, имеющих “Г”- или “U-образный” профиль с рабочим участком, выполненным с углом первоначально составляющим 30-45° (фиг.1 и 2). Радиальные полукольца или сегменты уплотнительного элемента 1 установлены с установочным зазором b° к ротору 3 и лежащим в интервале 1,1-2,2 мм. Последние жестко закреплены в кольцевой проточке 4, выполненной в неподвижной статорной части турбины (корпусе обоймы 2 лабиринтного уплотнения цилиндра среднего давления (фиг.1) или кольцевой проточке 4 непосредственно на теле ротора 3 с применением специальной поджимной проволоки 5 (фиг.2).
Предлагаемое устройство устройства бесконтактного уплотнения работает следующим образом.
В случае установки уплотнения на неподвижной (статорной) части турбомашины, а именно узле концевого уплотнения рабочего цилиндра среднего давления, обойму лабиринтного уплотнения 2 снабжают уплотнительными элементами, выполненными в виде сегментов или двух полукольцевых пластин, которые устанавливают с первоначальным зазором “bо” к ротору 3 и лежащим в диапазоне 1,1-2,2 мм.
Уплотнительные элементы 1 размещены и жестко закреплены в кольцевой проточке 4, выполненной в корпусе обоймы 2 узла уплотнений. Обычно в узле уплотнения устанавливаю от 3 до 6 уплотнительных элементов. Радиальные уплотнительные элементы изготовлены из сплава-металлида, имеют специальный “Г”- или “U-образный” профиль с рабочим участком, выполненным с углом первоначально составляющим 30-45° (см. фиг.1 и 2) и, соответственно, оптимальные установочные радиальные зазоры “bо“, при которых практически исключены задевание и износ уплотняющих пластин.
В случае установки наборных уплотняющих пластин в виде сегментов (например, 3 шт., с углом охвата ротора 60°) последние устанавливаются плотной посадкой в верхней и нижней половинах обоймы уплотнений разъемного корпуса рабочего цилиндра турбины, а затем зачеканиваются. В случае установки уплотнительных элементов на роторе турбины (фиг.2) они могут иметь в своей нижней части “U-образный” профиль с рабочим участком, выполненным с углом первоначально составляющим 30-45°, и также устанавливаются в кольцевых проточках 4 ротора с последующим их поджатием специальной проволокой 5 (фиг.2).
При пуске паровой турбины и ее прогреве паром до 170-200°С (до выхода на рабочий режим) радиальные уплотняющие пластины сохраняют первоначальный “Г”- или “U-образный” профиль с рабочим участком, выполненным с углом первоначально составляющим 30-45°, и, соответственно, установочные зазоры “bо“, лежащие в диапазоне 1,1-2,2 мм (фиг.1 и 2).
После достижения температуры в проточной части турбомашины, составляющей обычно 350-550°С и более и соответствующей режиму работы турбины при номинальной нагрузке, материал уплотнения, имеющий соответствующий температурный диапазон мартенситного превращения структуры металла, претерпевает изменение своего первоначального профиля, разгибается до угла 90° и принимает плоскую форму (пунктирный контур на фиг.1 и 2). При этом первоначальные установочные зазоры “bо” уменьшаются до величины “bt“, лежащей в интервале 0,3-0,5 мм и соответствующей оптимальным технологическим рабочим зазорам, величина которых устанавливается техническими требованиям к соответствующему типу турбины.
При плановом или аварийном останове турбомашины и снижении температуры проточной части ниже температуры мартенситного превращения уплотняющие пластины, изготовленные из материала с эффектом памяти, опять возвращаются к первоначальной форме и принимают “Г”- или “U-образный” профиль с рабочим участком, выполненным с углом первоначально составляющим 30-45°. При этом величина зазора “bt” увеличивается до первоначального значения установочного зазора, равного “bo“.
Таким образом, вышеуказанные сведения свидетельствуют о выполнении при использовании предлагаемого устройства следующей совокупности условий:
– устройство, воплощающее предлагаемое изобретение при его осуществлении, используется в турбостроении, а именно при разработке и модернизации уплотнений проточной части цилиндров среднего и низкого давлений паровых турбин, в том числе и входящих в состав парогазовых установок;
– для заявленного устройства в том виде, как оно охарактеризовано в независимом пункте изложенной ниже формулы, подтверждается возможность его осуществления с помощью приведенных в описании заявки средств и методов;
– устройство согласно предлагаемому изобретению при его практическом осуществлении способно обеспечить достижение усматриваемого заявителем технического результата, а именно позволяет обеспечить автоматическое регулирование и сохранение оптимальной величины зазора между уплотняющими элементами и ротором при всех эксплуатационных режимах турбомашины, минимизировать объем протечек рабочего тела, исключить возможность задевания ротора или статорной части турбомашины уплотнительными элементами и, соответственно, практически исключить их износ.
Следовательно, предлагаемое изобретение соответствует критерию патентоспособности изобретения “промышленная применимость”.
Формула изобретения
1. Устройство бесконтактного уплотнения проточной части турбомашин, содержащее не менее одного уплотняющего элемента, выполненного в виде разрезной радиальной кольцевой уплотняющей пластины, которая установлена с зазором к подвижному или неподвижному узлу турбомашины, размещена и жестко закреплена в кольцевой проточке, отличающееся тем, что каждый уплотняющий элемент имеет в сечении “Г”- или “U-образный” профиль, при этом его рабочий участок выполнен под углом, находящимся первоначально в интервале 30-45°, с возможностью его изменения до 90°, причем каждый уплотняющий элемент установлен с исходным зазором, находящимся в диапазоне 1,1-2,2 мм и выполнен из стального сплава элементов группы металлидов, обладающих эффектом запоминания формы при изменении температуры.
2. Устройство бесконтактного уплотнения по п.1, отличающееся тем, что в случае установки уплотнительного элемента на роторе турбомашины разрезные уплотнительные кольцевые пластины “U-образного” профиля установлены в кольцевых проточках в теле ротора с применением поджатия.
РИСУНКИ
|
|