|
|
(21), (22) Заявка: 2006101075/06, 11.01.2006
(24) Дата начала отсчета срока действия патента:
11.01.2006
(46) Опубликовано: 27.06.2007
(56) Список документов, цитированных в отчете о поиске:
RU 40393 U1, 10.09.2004. RU 2163682 C2, 27.02.2001. SU 442610 A1, 05.09.1974. GB 1595600 A, 12.08.1981. US 4505187 A, 19.03.1985. WO 95/08697 A1, 30.03.1995.
Адрес для переписки:
400066, г.Волгоград, ул. Коммунистическая, 10, кв.73, И.В. Боеву
|
(72) Автор(ы):
Боев Игорь Васильевич (RU)
(73) Патентообладатель(и):
Боев Игорь Васильевич (RU)
|
(54) АКСИАЛЬНО-ПОРШНЕВОЙ ДВИГАТЕЛЬ
(57) Реферат:
Изобретение относится к двигателестроению. Технический результат заключается в возможности создания аксиально-поршневого двигателя, отличающегося повышенной надежностью и малыми габаритами, в котором в процессе работы изменяется давление свежего заряда. Согласно изобретению двигатель содержит блок цилиндров с цилиндрами рабочей секции и с цилиндрами компрессорной секции. В блоке цилиндров установлен с возможностью вращения в подшипниковых опорах коленчатый вал с кривошипом. Расположенные в цилиндрах попарно поршни рабочей секции и поршни компрессорной секции для предотвращения осевого разворота имеют некруглую форму, например овальную. Поршни связаны штоками через сферические шарниры с рычагами наклонной шайбы, в которой соосно с ней выполнено отверстие, с обеих сторон которого симметрично расположены подшипниковые опоры, соединяющие наклонную шайбу с кривошипом. В корпусе на двух противоположно расположенных цапфах шарнирно установлена крестовина, а наклонная шайба выполнена с возможностью качания на двух противоположно расположенных цапфах, которые установлены шарнирно в крестовине. При этом двигатель дополнительно содержит компрессор с электроприводом от системы электрооборудования, включаемый для создания давления в ресивере перед запуском двигателя и при необходимости повышения степени сжатия. Кроме того, выход компрессорной секции и выход компрессора через воздушный ресивер подключены к входам впускных клапанов головки цилиндров рабочей секции. 2 ил.
Изобретение относится к двигателестроению, конкретнее к аксиально-поршневым двигателям внутреннего сгорания с осями цилиндров, расположенных в одной плоскости с осью ведущего вала, и с качающейся наклонной шайбой.
Известен аксиально-поршневой двигатель, содержащий блок цилиндров, поршни с шатунами, установленные в блоке цилиндров, ведущий вал, наклонную шайбу с установленной на ней качающейся шайбой, связанной с шатунами, дополнительные в каждом цилиндре встречно расположенный поршень с шатуном, по меньшей мере один полый промежуточный вал, одну дополнительную наклонную шайбу с установленной на ней качающейся шайбой, связанной с шатунами встречно расположенных поршней, причем на каждом полом промежуточном валу установлены обе наклонные шайбы, при этом каждый промежуточный вал связан с ведущим валом через цилиндрические зубчатые передачи, а каждая качающаяся шайба связана с ведущим валом через коническую и цилиндрическую зубчатые передачи (см. описание изобретения к патенту РФ №2163682, МПК F02В 75/32, F02В 75/26, F01В 3/02, публикация 27.02.2001 г.).
Недостатком известного двигателя является невысокий КПД из-за большого количества зубчатых зацеплений.
Известен аксиально-поршневой двигатель, содержащий корпус, установленный в корпусе на подшипниках скольжения с возможностью вращения ведущий вал с первой осью симметрии и с кривошипом, блок цилиндров, оси которых параллельны первой оси ведущего вала, расположенные в цилиндрах поршни с шатунами, наклонную шайбу со второй осью и с центральной цапфой, связанной шарнирно с возможностью качания с кривошипом, при этом наклонная шайба шарнирно соединена посредством шатунов с поршнями, крестовину с двумя противоположно расположенными на третьей оси цапфами, которые установлены шарнирно в корпусе на подшипниках качения, кроме того, наклонная шайба выполнена с дополнительными двумя противоположно расположенными на четвертой оси цапфами, которые установлены шарнирно в крестовине посредством подшипников качения, при этом четвертая ось перпендикулярна третьей оси и пересекается в общей точке с первой, второй и третьей осями (см. описание полезной модели к патенту РФ №40393, МПК F01В 3/02, публикация 10.09.2004 г.).
Недостатком этого двигателя, принятого за прототип, является консольное расположение ведущего вала, что увеличивает габариты двигателя, повышает нагрузку на шарнир центральной цапфы, связанный с кривошипом, и соответственно снижает надежность двигателя в целом.
Задачей заявляемого изобретения является повышение надежности, уменьшение габаритов, изменение степени сжатия в процессе работы аксиально-поршневых двигателей.
Сущность изобретения заключается в том, что аксиально-поршневой двигатель, содержит блок цилиндров с цилиндрами рабочей секции и с цилиндрами компрессорной секции, установленный в блоке цилиндров с возможностью вращения в подшипниковых опорах коленчатый вал с кривошипом и с первой осью симметрии, которая расположена в одной плоскости с осями цилиндров, расположенные в цилиндрах попарно поршни рабочей секции и поршни компрессорной секции, для предотвращения осевого разворота имеющие некруглую форму (например овальную), с штоками, наклонную шайбу с рычагами, со второй осью симметрии и с соосным с ней отверстием, с обеих сторон которого симметрично расположены подшипниковые опоры, соединяющие наклонную шайбу с кривошипом, при этом наклонная шайба скользящими по ее рычагам сферическими шарнирами соединена с штоками и поршнями, крестовину с двумя противоположно расположенными на третьей оси цапфами, которые установлены шарнирно в корпусе в подшипниковых опорах, кроме того, наклонная шайба выполнена с возможностью качания на двух противоположно расположенных на четвертой оси цапфах, которые установлены шарнирно в крестовине в подшипниковых опорах, при этом четвертая ось перпендикулярна третьей оси и пересекается в общей точке с первой, второй и третьей осями, двигатель дополнительно содержит головку цилиндров компрессорной секции, компрессор с электроприводом от системы электрооборудования, включаемый перед запуском двигателя и при необходимости повышения степени сжатия, воздушный ресивер, распределительный вал с кулачками для управления через толкатели впускными и выпускными клапанами головки цилиндров рабочей секции, который установлен на продолжении первой оси в блоке цилиндров в подшипниковой опоре, при этом выход компрессорной секции и выход компрессора через воздушный ресивер подключены к входам впускных клапанов головки цилиндров.
Сущность изобретения поясняется чертежами, где:
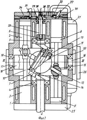
на фиг.1 показан аксиально-поршневой двигатель, общий вид в продольном разрезе;
на фиг.2 – то же, поперечный разрез А-А.
Аксиально-поршневой двигатель содержит блок цилиндров 1 с цилиндрами 2 рабочей секции и с цилиндрами 3 компрессорной секции, установленный в блоке цилиндров 1 с возможностью вращения в подшипниковых опорах 4, 5 коленчатый вал 6 с кривошипом 7 и с первой осью симметрии, которая расположена в одной плоскости с осями цилиндров 2, 3, расположенные в цилиндрах 2, 3 попарно поршни 8 рабочей секции и поршни 9 компрессорной секции, для предотвращения осевого разворота имеющие некруглую форму (например овальную), с штоками 10, наклонную шайбу 11 с рычагами 12, со второй осью симметрии и с соосным с ней отверстием, с обеих сторон которого симметрично расположены подшипниковые опоры 13, 14, соединяющие наклонную шайбу 11 с кривошипом 7, при этом наклонная шайба 11 скользящими по ее рычагам 12 шарнирами 15 и штоками 10 соединена с поршнями 8 и 9, крестовину 16 с двумя противоположно расположенными на третьей оси цапфами 17, 18, которые установлены шарнирно в блоке цилиндров 1 в подшипниковых опорах 19, 20, кроме того, наклонная шайба 11 выполнена с возможностью качания на двух противоположно расположенных на четвертой оси цапфах 21, 22, которые установлены шарнирно в крестовине 16 в подшипниковых опорах 23, 24, при этом четвертая ось перпендикулярна третьей оси и пересекается в общей точке с первой, второй и третьей осями, двигатель дополнительно содержит головку цилиндров 25 компрессорной секции, компрессор 26 с электроприводом от системы электрооборудования, воздушный ресивер 27, распределительный вал 28 с кулачками 29, 30 для управления через толкатели 31, 32 впускными 33 и выпускными 34 клапанами головки цилиндров 35 рабочей секции, который установлен на продолжении первой оси в блоке цилиндров 1 в подшипниковой опоре 36, при этом выход компрессорной секции и выход компрессора через воздушный ресивер 27 подключены к входам впускных клапанов 33 головки цилиндров 35 рабочей секции. В головке цилиндров 35 установлены форсунки 37 подачи топлива.
Аксиально-поршневой двигатель работает следующим образом. При вращении коленчатого вала 6 в подшипниковых опорах 4, 5 в цилиндрах 3 компрессорной секции поршнями 9 сжимается воздух и вытесняется в воздушный ресивер 27. Циклы впуска и сжатия. При положении поршня 8 в верхней мертвой точке цилиндра 2 блока цилиндров 1 при вращении коленчатого вала 6 закрывается выпускной клапан 34 и открывается впускной клапан 33, размещенные в головке цилиндров 35. При движении поршня 8 в направлении нижней мертвой точки рабочая полость цилиндра 2 наполняется сжатым воздухом из ресивера 27. При положении поршня 8, в котором объем надпоршневой полости равен объему камеры сгорания, закрывается впускной клапан 33 и производится впрыск топлива через форсунку 37. Начало цикла рабочего хода. При достижении поршнем 8 нижней мертвой точки (или с некоторым опережением) открывается выпускной клапан 34. Окончание рабочего хода и начало цикла выпуска. При движении поршня 8 от нижней мертвой точки к верхней происходит удаление выхлопных газов. Совершающие возвратно-поступательное движение поршни 8 через штоки 10, шарниры 15 воздействуют на рычаги 12 наклонной шайбы 11, качающейся на цапфах 21, 22 в подшипниковых опорах 23, 24 крестовины 16 относительно оси IV и совместно с крестовиной 16 в подшипниковых опорах 19, 20 блока цилиндров 1 относительно оси III. В результате наклонная шайба 11 через подшипниковые опоры 13, 14 воздействует на кривошип 7, совершающий с коленчатым валом 6 круговое движение относительно оси I в подшипниковых опорах 4, 5 и с распределительным валом 28 в подшипниковой опоре 36 с кулачками 29, 30, воздействующими через толкатели 31, 32 на соответствующие впускные 33 и выпускные 34 клапаны головки цилиндров 35 двигателя. Компрессор 26 служит для создания давления воздуха в воздушном ресивере 27 перед запуском двигателя и увеличения давления в процессе работы с целью повышения степени сжатия.
Заявленное изобретение позволит повысить надежность, уменьшить габариты, изменять степень сжатия в процессе работы аксиально-поршневых двигателей.
Формула изобретения
Аксиально-поршневой двигатель, содержащий блок цилиндров с цилиндрами рабочей секции и с цилиндрами компрессорной секции, установленный в блоке цилиндров с возможностью вращения в подшипниковых опорах коленчатый вал с кривошипом и с первой осью симметрии, которая расположена в одной плоскости с осями цилиндров, расположенные в цилиндрах попарно поршни рабочей секции и поршни компрессорной секции, для предотвращения осевого разворота имеющие некруглую форму (например, овальную), с штоками, наклонную шайбу со второй осью симметрии, крестовину с двумя противоположно расположенными на третьей оси цапфами, которые установлены шарнирно в корпусе в подшипниковых опорах, кроме того, наклонная шайба выполнена с возможностью качания на двух противоположно расположенных на четвертой оси цапфах, которые установлены шарнирно в крестовине в подшипниковых опорах, при этом четвертая ось перпендикулярна третьей оси и пересекается в общей точке с первой, второй и третьей осями, двигатель дополнительно содержит головку цилиндров компрессорной секции, воздушный ресивер, распределительный вал с кулачками для управления через толкатели впускными и выпускными клапанами головки цилиндров рабочей секции, который установлен на продолжении первой оси в блоке цилиндров в подшипниковой опоре, при этом выход компрессорной секции и выход компрессора через воздушный ресивер подключены к входам впускных клапанов головки цилиндров, отличающийся тем, что двигатель дополнительно содержит компрессор с электроприводом от системы электрооборудования, включаемый для создания давления в ресивере перед запуском двигателя и при необходимости повышения степени сжатия, а наклонная шайба имеет отверстие, с обеих сторон которого симметрично расположены подшипниковые опоры, соединяющие наклонную шайбу с кривошипом, при этом наклонная шайба скользящими по ее рычагам сферическими шарнирами соединена с штоками и поршнями.
РИСУНКИ
|
|