|
|
(21), (22) Заявка: 2004126243/04, 30.12.2002
(24) Дата начала отсчета срока действия патента:
30.12.2002
(30) Конвенционный приоритет:
28.01.2002 NL 1019848
(43) Дата публикации заявки: 27.01.2006
(46) Опубликовано: 27.06.2007
(56) Список документов, цитированных в отчете о поиске:
GB 1542371 А, 21.03.1979. US 6114579 A, 05.09.2000. RU 2131868 C1, 20.06.1999. US 5767313 A, 16.06.1998. WO 01/96287 A1, 20.12.2001.
(85) Дата перевода заявки PCT на национальную фазу:
30.08.2004
(86) Заявка PCT:
NL 02/00874 (30.12.2002)
(87) Публикация PCT:
WO 03/064379 (07.08.2003)
Адрес для переписки:
103735, Москва, ул.Ильинка, 5/2, ООО “Союзпатент”
|
(72) Автор(ы):
МЕССЕН Йозеф Хюберт (NL)
(73) Патентообладатель(и):
ДСМ Ай Пи ЭССЕТС Б.В. (NL)
|
(54) СПОСОБ ПОЛУЧЕНИЯ МОЧЕВИНЫ, УСТАНОВКА ДЛЯ ОСУЩЕСТВЛЕНИЯ СПОСОБА (ВАРИАНТЫ), СПОСОБ УСОВЕРШЕНСТВОВАНИЯ УСТАНОВКИ (ВАРИАНТЫ)
(57) Реферат:
Изобретение относится к технологии производства мочевины из диоксида углерода и аммиака. Способ получения мочевины осуществляют в реакторе синтеза с последующей термической отгонкой из реакционной смеси карбамата и частично аммиака в аппарате высокого давления при подводе тепла с помощью водяного пара. Отделенную газовую фазу направляют на конденсацию в конденсатор высокого давления, где теплота конденсации газа передается теплоносителю с образованием водяного пара А. Раствор мочевины из аппарата высокого давления подают на разложение карбамата аммония в аппарат при среднем давлении с использованием теплоносителя. При этом в качестве теплоносителя используют конденсат пара после аппарата высокого давления в сочетании с водяным паром А. Конденсатор высокого давления представляет собой погружной конденсатор. Установка для получения мочевины включает реактор синтеза мочевины, аппарат высокого давления для термической отгонки карбамата и аммиака из раствора синтеза мочевины с подводом тепла с помощью теплоносителя, а также содержит аппарат для разложения карбамата аммония при среднем давлении. В качестве конденсатора высокого давления для конденсации газовой фазы установка содержит погружной конденсатор. Способ усовершенствования установки заключается в том, что существующий конденсатор высокого давления заменяют погружным конденсатором. Технический результат – сокращение энергетических затрат за счет усовершенствования оборудования и комбинированного использования схемы рекуперации тепла теплоносителей. 5 н. и 7 з.п. ф-лы, 2 ил.
Данное изобретение относится к способу получения мочевины из диоксида углерода и аммиака в реакторе синтеза мочевины с использованием способа отгонки мочевины.
Такой способ описан, например, в GB-1542371. Согласно этому способу, раствор для синтеза мочевины, полученный в реакторе синтеза мочевины, подвергается термической отгонке в аппарате отгонки высокого давления. В аппарате отгонки высокого давления кармабат аммония и оставшийся аммиак удаляются из раствора для синтеза мочевины при нагревании. Газообразные продукты, полученные в процессе отгонки, затем конденсируются в конденсаторе высокого давления. Отогнанный раствор для синтеза мочевины подается в аппарат разложения среднего давления, где еще присутствующий в растворе карбамат аммония разлагается на CO2 и NH3. Теплота, необходимая для разложения при среднем давлении, обеспечивается конденсатом водяного пара, который образуется в процессе отгонки раствора для синтеза мочевины при высоком давлении.
Высокое давление в данном описании означает давление 12,5-20 МПа, среднее давление в данном описании означает давление 1,5-5 МПа.
Неожиданно было установлено, что когда в описанном выше способе в качестве конденсатора высокого давления используется погружной конденсатор, пар А, который образуется в конденсаторе высокого давления, имеет такую температуру и давление, что может использоваться в сочетании с конденсатом пара для разложения при среднем давлении карбамата аммония в растворе для синтеза мочевины.
Применение сочетания конденсата пара и пара А дает преимущество в том, что, по меньшей мере, часть конденсата пара становится применимой для других целей. Это обусловлено тем, что конденсат пара имеет гораздо более высокую температуру и давление, чем необходимо для применения при разложении при среднем давлении. Конденсат пара может применяться для более лучшего эффекта в любом применении в способе получения мочевины или вне этого способа. Например, в способе получения мочевины давление конденсата пара могло быть доведено до 1,2 МПа с последующим использованием для привода вакуум-эжектора, или для привода CO2 компрессора, насосов для перекачки NH3 или карбамата.
Применяемые количества конденсата пара или пара А зависят от температуры и давления пара, которые необходимы для разложения при среднем давлении. В процессе разложения при среднем давлении для более высоких требуемых температуры и давления требуется большее количество конденсата пара, чем для менее требуемых температуры и давления. Количества конденсата пара и пара А зависят также от возможных применений конденсата пара в установке получения мочевины или для других целей. Если конденсат пара может использоваться для различных других применений, то несомненно преимущественно, чтобы количество пара А было большим, насколько это возможно.
Предпочтительно для разложения при среднем давлении карбамата аммония в растворе для синтеза мочевины используется только пар А. Это осуществимо при применении погружного конденсатора, поскольку пар А в большинстве случаев имеет такую температуру и давление, что он может использоваться для разложения при среднем давлении. Таким образом, весь конденсат пара может использоваться для других целей.
Мочевина может быть получена введением избыточного аммиака вместе с диоксидом углерода в зону синтеза при подходящем давлении (например, 12-40 МПа) и подходящей температуре (например, 160-250°С) с получением сначала карбамата аммония согласно реакции:
2NH3 + CO2 H2N-CO-ONH4
Последующая дегидратация полученного карбамата аммония приводит к получению мочевины согласно уравнению реакции:
H2N-CO-ONH4 H2N-CO-NH2 + H2O
Степень, до которой эти реакции протекают до завершения, зависит, помимо всего прочего, от температуры и избыточного количества используемого аммиака. В качестве продукта данной реакции получается раствор, состоящий, главным образом, из мочевины, воды, несвязанного аммиака и карбамата аммония. Карбамат аммония и аммиак должны быть удалены из раствора и предпочтительно возвращены в зону реакции. Помимо указанного выше раствора в зоне реакции образуется также газовая смесь, состоящая из непрореагировавших аммиака и диоксида углерода, а также инертных газов. Аммиак и диоксид углерода удаляются из газовой смеси и предпочтительно также возвращаются в реактор синтеза.
Мочевину получают, например, способом отгонки мочевины. Под способом отгонки мочевины подразумевается способ получения мочевины, в котором разложение карбамата аммония, не превратившегося в мочевину, и удаление обычно избыточного аммиака проводится, главным образом, при давлении, которое, по существу, практически равно давлению в реакторе синтеза. Это разложение/удаление проводится в одном или нескольких аппаратах отгонки, расположенных ниже по направлению потока реактора синтеза, например, с дополнительным нагревом. Последний называется термической отгонкой. Термическая отгонка означает, что карбамат аммония подвергается разложению, а присутствующие аммиак и диоксид углерода удаляются из раствора мочевины исключительно за счет подачи тепла. Выходящий из аппарата отгонки поток газа, содержащий аммиак и диоксид углерода, конденсируется в конденсаторе карбамата высокого давления и возвращается в реактор в виде потока, содержащего карбамат аммония.
В способах отгонки мочевины обычно используются два воплощения конденсатора высокого давления для конденсации отгоняющих газов.
В первом воплощении газовая смесь, подлежащая конденсации, необязательно в сочетании с подходящим растворителем (например, рециркуляционным раствором карбамата аммония в воде) пропускается через вертикальные трубы с конденсированной газовой смесью, в сочетании с растворителем или без него, образуя на стенке трубы падающую пленку.
Во втором воплощении, описанном, например, в GB-1542371, газы, подлежащие конденсации, вместе с растворителем проходят через горизонтально расположенные трубы, в которых протекает процесс конденсации.
В обоих указанных воплощениях необходимое охлаждение осуществляется пропусканием подходящего охладителя в межтрубное пространство. В качестве охладителя обычно используется вода.
Недостатком конденсации в одном из указанных выше воплощений конденсатора высокого давления является то, что время пребывания жидкости в трубах является небольшим. Ввиду короткого времени пребывания в конденсаторах согласно описанным выше воплощениям получение мочевины затруднено.
Третий тип конденсатора представляет собой так называемый погружной конденсатор. Погружной конденсатор описан, например, в ЕР-155735-А1. В погружном конденсаторе газовая смесь, подлежащая конденсации, пропускается через межтрубное пространство кожухотрубного теплообменника, через которое может также пропускаться разбавленный карбаматный раствор, полученный, например, в скруббере высокого давления. Высвобождаемая теплота раствора и конденсации отводится с помощью среды, например воды, проходящей через трубы, которая превращается в пар А.
В установке получения мочевины очистка инертного потока исходных материалов, которые не прореагировали в реакторе и которые выходят из реактора через верхнюю часть вместе с инертными газами, проводится в скруббере высокого давления. Затем инертный поток удаляется. Очистка проводится с помощью разбавленного карбаматного потока, который образуется в секции выделения мочевины.
Погружной конденсатор может помещаться в горизонтальное или вертикальное положение. Однако особенно преимущественным для выполнения конденсации является горизонтальное положение погружного конденсатора (известного так же как емкостной конденсатор; см. например, публикацию Nitrogen № 222, July-August 1996, pp.29-31), поскольку в емкостном конденсаторе жидкость, как правило, пребывает в течение гораздо более длительного периода времени по сравнению с конденсаторами других типов. В результат, помимо карбаматного раствора в емкостном конденсаторе образуется избыточное количество мочевины. Эта мочевина возвращается в реактор получения мочевины вместе с карбаматным раствором.
Конкретное воплощение погружного конденсатора представляет собой емкостной реактор. Такой реактор включает горизонтальную зону конденсации и теплообменник, которые сконструированы как в погружном конденсаторе. Часть газовой смеси, подлежащая конденсации, пропускается через межтрубное пространство кожухотрубного теплообменника, через которое проходят также аммиак и разбавленный карбаматный раствор, а теплота раствора и теплота конденсации отводится с помощью среды, обычно воды, которая превращается в пар А.
Преимуществом емкостного реактора является то, что теплообменник/конденсатор вмонтирован в реактор, что позволяет строить установку получения мочевины с меньшими капитальными затратами. Емкостной реактор описан более подробно в патенте США № 5767313. Зона конденсации в емкостном реакторе имеет, по существу, те же преимущества, что и в погружном конденсаторе. В этой зоне конденсации образование мочевины также протекает со значительной степенью уже в секции конденсации, приводя к улучшенной теплопередаче, и это дает возможность получать в зоне конденсации пар А с таким давлением и такой температурой, что он может использоваться на стадии разложения при среднем давлении.
Температура пара А находится в интервале 150-175°С, предпочтительно 160-170°С. Давление пара А составляет 0,3-1 МПа, предпочтительно 0,4-0,8 МПа, наиболее предпочтительно 0,6-0,8 МПа.
Применение погружного конденсатора, емкостного конденсатора или емкостного реактора возможно в новых установках производства мочевины, где используется термическая отгонка. Однако это также возможно и в существующих установках получения мочевины, в которых используется термическая отгонка, для замены существующего конденсатора погружным конденсатором. Это можно осуществить во время плановой остановки установки. Существующий конденсатор может также заменяться емкостным конденсатором. Также возможно в существующей установке получения мочевины заменить как реактор, так и конденсатор емкостным реактором.
Примером способа отгонки мочевины является способ, описанный в GB-1542371.
В способе отгонки мочевины, описанном в GB-1542371, отгонка раствора для синтеза мочевины при высоком давлении проводится с помощью пара с давлением 26 атм (2,6 МПа) и температурой 225°С. Такой пар используется для разложения при среднем давлении. В данном способе отгонки пар, полученный посредством конденсатора высокого давления, не подходит для разложения при среднем давлении, поскольку давление данного пара составляет только 0,45 МПа и температура равна 147°С. Разложение при среднем давлении проводится при давлении примерно 1,8 МПа и температуре примерно 155°С.
Если в описанном выше способе применяется погружной конденсатор, может быть получен пар А с температурой 160-170°С и давлением 0,6-0,8 МПа. Такой пар А подходит для применения в разложении при среднем давлении при давлении 1,8 МПа и температуре 155°С.

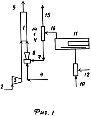
Описание фиг.1:
В реактор синтеза мочевины 1 при 15 МПа и 190°С подается CO2 через трубу 2 при помощи компрессора 3 и NH3 через трубу 4 при помощи насоса. До поступления в реактор 1 аммиак по трубе 4 проходит через струйный насос 6, в который по трубе 7 поступает рециркулируемый раствор карбамата аммония. Раствор мочевины, выходящий из реактора по трубе 8, подается в аппарат отгонки высокого давления. В аппарате отгонки высокого давления карбамат аммония и оставшийся аммиак удаляют из раствора синтеза мочевины при нагревании. Аммиак, диоксид углерода и водяные пары, полученные в процессе отгонки, удаляют из верхней части аппарата отгонки по трубе 10 и подают в погружной конденсатор высокого давления 11, в который подают раствор карбамата аммония, выходящий из зоны, распложенной в нижней части контура высокого давления по трубе 12, где они экзотермически конденсируются. Раствор конденсированного карбамата подается через погружной конденсатор высокого давления 11 по трубе 13 в сепаратор 14 для возвращения в зону реакции.
Теплота, выделяющаяся в конденсаторе 11, используется для получения пара А при 0,6-0,8 МПа и 160-170°С. Полученный пар А является необходимым для разложения карбамата аммония в растворе синтеза аммиака при среднем давлении 1,8 МПа и температуре 155°С.

Описание фиг.2:
В емкостной реактор синтеза мочевины 1 при 15 МПа и 190°С подается CO2 через трубу 2 при помощи компрессора 3 и NH3 через трубу 4 при помощи насоса. До поступления в реактор 1 аммиак по трубе 4 проходит через струйный насос 6, в который по трубе 12 поступает рециркулируемый раствор карбамата аммония, выходящий из зоны, распложенной в нижней части контура высокого давления. Раствор мочевины, выходящий из реактора по трубе 8, подается в аппарат отгонки высокого давления. В аппарате отгонки высокого давления карбамат аммония и оставшийся аммиак удаляют из раствора синтеза мочевины при нагревании. Аммиак, диоксид углерода и водяные пары, полученные в процессе отгонки, удаляют из верхней части аппарата отгонки по трубе 10 и подают в емкостной реактор 1. Теплота, выделяющаяся в конденсаторе 11, используется для получения пара А при 0,6-0,8 МПа и 160-170°С. Полученный пар А является необходимым для разложения карбамата аммония в растворе синтеза аммиака при среднем давлении 1,8 МПа и температуре 155°С.
Формула изобретения
1. Способ получения мочевины из диоксида углерода и аммиака в реакторе синтеза мочевины с последующей отгонкой карбамата и частично аммиака из полученного раствора синтеза мочевины в аппарате высокого давления при подводе тепла с помощью водяного пара и с образованием его конденсата, подачей отдельной газовой фазы на конденсацию в конденсатор высокого давления, где теплота конденсации газа передается теплоносителю с образованием водяного пара А, и подачей раствора мочевины из аппарата высокого давления на разложение карбамата аммония в аппарат при среднем давлении с использованием теплоносителя, отличающийся тем, что для разложения при среднем давлении в качестве теплоносителя используют конденсат пара после аппарата высокого давления в сочетании с водяным паром А из конденсатора высокого давления, который представляет собой погружной конденсатор.
2. Способ по п.1, отличающийся тем, что в качестве конденсатора высокого давления используют емкостной конденсатор.
3. Способ по п.1, отличающийся тем, что для разложения при среднем давлении используется только пар А.
4. Способ по п.1, отличающийся тем, что конденсация при высоком давлении проводится в емкостном реакторе.
5. Способ по любому из пп.1-4, отличающийся тем, что пар А имеет температуру 160-170°С.
6. Способ по любому из пп.1-4, отличающийся тем, что пар А имеет давление 0,6-0,8 МПа.
7. Способ усовершенствования установки получения мочевины из диоксида углерода и аммиака, оборудованной реактором синтеза мочевины, аппаратом высокого давления для термической отгонки карбамата и аммиака из раствора синтеза, конденсатором высокого давления для конденсации газовой фазы, аппаратом для термического разложения карбамата аммония при среднем давлении при использовании в качестве теплоносителя водяного пара и его конденсата, отличающийся тем, что существующий конденсатор высокого давления заменяют погружным конденсатором.
8. Способ по п.7, отличающийся тем, что погружной конденсатор является емкостным конденсатором.
9. Способ усовершенствования установки получения мочевины, включающей способ термической отгонки, конденсатор и реактор получения мочевины, отличающийся тем, что существующий конденсатор и существующий реактор получения мочевины заменяются емкостным реактором.
10. Установка для получения мочевины из диоксида углерода и аммиака, включающая реактор синтеза мочевины и термическую отгонку в аппарате высокого давления для отгонки карбамата и аммиака из раствора синтеза мочевины с подводом тепла с помощью теплоносителя, и содержащая конденсатор высокого давления для конденсации газовой фазы, а также аппарат для разложения карбамата аммония при среднем давлении, отличающаяся тем, что в качестве конденсатора высокого давления содержит погружной конденсатор.
11. Установка по п.10, отличающаяся тем, что погружной конденсатор представляет собой емкостной конденсатор.
12. Установка для получения мочевины из диоксида углерода и аммиака, включающая реактор синтеза мочевины с аппаратом высокого давления для термической отгонки карбамата и аммиака из раствора синтеза с подводом тепла с помощью теплоносителя, и содержащая аппарат высокого давления для конденсации газовой фазы, а также аппарат для разложения карбамата аммония при среднем давлении, отличающаяся тем, что в качестве реактора синтеза мочевины и аппарата высокого давления для конденсации газовой фазы содержит емкостной реактор.
РИСУНКИ
|
|