|
|
(21), (22) Заявка: 2005137213/12, 30.11.2005
(24) Дата начала отсчета срока действия патента:
30.11.2005
(46) Опубликовано: 27.06.2007
(56) Список документов, цитированных в отчете о поиске:
RU 2229155 C1, 20.05.2004. SU 1690639 A1, 15.11.1991. SU 1762829 A2, 23.09.1992. SU 812250 A, 15.03.1981. RU 2132610 C1, 10.07.1999.
Адрес для переписки:
109456, Москва, 1-й Вешняковский пр-д, 2, ГНУ ВИЭСХ, О.В. Голубевой
|
(72) Автор(ы):
Дубровин Александр Владимирович (RU), Краусп Валентин Робертович (RU), Борисов Владимир Валерьевич (RU)
(73) Патентообладатель(и):
Государственное научное учреждение Всероссийский научно-исследовательский институт электрификации сельского хозяйства (ГНУ ВИЭСХ) (RU)
|
(54) СПОСОБ И УСТРОЙСТВО ЭКОНОМИЧНОГО ОБОГРЕВА И КОРМЛЕНИЯ ЖИВОТНЫХ И ПТИЦЫ
(57) Реферат:
Способ включает дополнительное измерение концентрации аммиака и расход корма, формирование сигнала величины ощущаемой температуры помещения, периодическое изменение сигнала сформированной величины ощущаемой температуры помещения. В зависимости от значения изменяемого сигнала сформированной величины ощущаемой температуры помещения, от возраста поголовья, от относительной влажности внутреннего воздуха в помещении и от концентрации аммиака вычисляют стоимость продукции данной партии животных или птицы. Вычисляют стоимость суммарных затрат энергии на обогрев животных или птицы. Стоимость затрат на корм вычисляют в зависимости от расхода корма. Вычисляют стоимость тепловой энергии на обогрев помещения. Вычисляют первую разность между стоимостью продукции и суммой стоимостей затрат энергии на обогрев и затрат корма в качестве показателя прибыли. Определяют наибольшее значение этой первой разности в качестве значения наивысшей прибыли. Определяют второе значение этой разности в качестве нормативной прибыли. Вычитают из первой разности стоимостей ее второе значение и получают третью разность стоимостей в виде показателя прироста прибыли. Вычитают из наибольшего значения первой разности стоимостей ее второе значение и получают наибольшее значение третьей разности стоимостей в виде значения наивысшего прироста прибыли. Сравнивают соответствующий наибольшему значению первой или второй разности сигнал сформированной величины ощущаемой температуры помещения с измеренной величиной ощущаемой температуры помещения и по результату сравнения корректируют режим обогрева. Вычисляют заданное значение расхода корма. Сравнивают вычисленные стоимости тепловой энергии на обогрев помещения и суммарных затрат энергии на обогрев животных или птицы. Устройство содержит датчик концентрации аммиака и датчик расхода корма, блок задатчиков возраста поголовья, технологически допустимым наименьшего и наибольшего заданных значений ощущаемой температуры, времени опроса биотехнической системы, сигнала сформированной величины ощущаемой температуры помещения и констант, элемент памяти, регулятор расхода корма с подключенным к его выходу исполнительным элементом расхода корма, элемент сравнения и блок оповещения. Выходы датчика концентрации аммиака и датчика расхода корма соединены соответственно с четвертым и с пятым входами вычислительного блока. Выходы блока задатчиков возраста поголовья, технологически допустимых наименьшего и наибольшего заданных значений ощущаемой температуры, времени опроса биотехнической системы, сигнала сформированной величины ощущаемой температуры помещения и констант подключены к соответствующим дополнительным входам вычислительного блока. Выход блока управления соединен с задающим вторым входом регулятора температуры, при этом выход датчика расхода корма дополнительно соединен с управляющим первым входом регулятора расхода корма. Второй выход вычислительного блока через элемент формирования заданного расхода корма подключен к задающему второму входу регулятора расхода корма, а третий и четвертый выходы вычислительного блока соединены соответственно с первым и вторым входами элемента сравнения, выход которого подключен к входу блока оповещения. Обеспечивается точная экономическая оптимизация технологического режима обогрева помещения. 2 н.з.п. ф-лы, 7 ил.
Изобретение относится к области сельского хозяйства, к технологиям локального обогрева сельскохозяйственного молодняка и общего обогрева животноводческих и птицеводческих помещений и может быть использовано в отраслях промышленного животноводства и птицеводства.
Недостатком данного технического решения является необходимость отдельного от регулирования локального обогрева управления температурным режимом общего обогрева помещения, что существенно усложняет технические решения. Причиной этого являются требования норм технологического проектирования (например, птицеводческих предприятий) по поддержанию температурного режима отдельно в зоне локального обогрева молодняка (под брудером) и отдельно в остальном помещении. В настоящее время в сельскохозяйственное производство, в частности в птицеводство, активно внедряются достаточно известные в биоклиматологии человека лучистые системы обогрева помещений. На потолке помещения устанавливается низкотемпературная электрическая излучательная инфракрасная панель большой площади или высокотемпературные облучатели всей поверхности пола этого помещения. Таким образом, условия теплового комфорта определяются в основном режимом лучистого обогрева и от температурного фона помещения только по величине температуре воздушной среды практически не зависят. Применение в качестве энергоносителя для таких систем лучистого обогрева недорогого природного газа существенно снижает стоимость энергетических затрат на создание требуемого температурного режима именно для биологических объектов. Производственные помещения сельскохозяйственного назначения характеризуются значительными габаритными размерами и их относительно невысокой теплозащитой, поэтому энергетические затраты и соответственно эксплуатационные расходы даже на весьма технологичный лучистый обогрев помещений и сельскохозяйственного молодняка, особенно в холодных климатических зонах страны, чрезвычайно велики. Поэтому в настоящее время распространен также общий обогрев помещения с молодняком посредством газовых теплогенераторов в виде «пушек» конвективного типа, направляющих струю нагретого воздуха вдоль зон обитания цыплят на полу птичника. При этом холодные стены помещения вызывают сильный лучистый теплообмен с ними животных или птицы, вследствие чего для точного управления таким общим обогревом все равно приходится измерять ощущаемую температуру помещения, то есть использовать датчик ощущаемой температуры помещения.
Другим недостатком данного технического решения является отсутствие учета в реальном времени фактора концентрации аммиака, что заметно влияет на процесс роста животных и птицы и соответственно на экономические показатели технологического процесса и всего предприятия в целом. Источником чрезвычайно опасного для биологических объектов газа являются жидкие и полужидкие выделения поголовья, которые скапливаются и затем разлагаются в древесно-стружечной подстилке и на полу производственного помещения. В производственных помещениях сельскохозяйственного назначения, например в промышленных птичниках, одновременно выращиваются или содержатся до нескольких десятков тысяч птиц, поэтому даже незначительное изменение газового состава внутреннего воздуха приводит к существенному изменению продуктивности поголовья в данном помещении. Поэтому учет концентрации исключительно вредного для организма газа аммиака также необходим.
Еще одним недостатком данного технического решения является отсутствие учета в реальном времени отклонений от нормативного потребления животными корма, кормов или кормовых смесей (кормосмесей), что заметно влияет на продуктивность поголовья. При этом также существенно изменяются эксплуатационные затраты, поскольку стоимость кормов в промышленном животноводстве и птицеводстве составляет 70…80% всей себестоимости продукции. Причиной этого является принятое пока в настоящее время кормление молодняка «вволю», например цыплят, при технологии напольного содержания, без дозирования корма, как это установлено технологией кормления птицы старшего возраста, например кур-несушек. При этом уже в настоящее время в сельскохозяйственное производство, в частности в птицеводство, активно внедряются средства механизированной раздачи корма птице также и малых возрастов, например цыплятам-бройлерам и ремонтному молодняку родительского стада кур, с контролем массы израсходованного корма в реальном времени. Норма расхода корма задается в расчете на только нормативное значение температуры среды обитания, которое соответствует режиму наивысшей продуктивности поголовья и не связано с экономическими показателями технологии выращивания птицы. В производственных помещениях сельскохозяйственного назначения, например в промышленных птичниках, одновременно выращиваются или содержатся до нескольких десятков тысяч птиц, поэтому даже незначительное изменение стоимости потребленного корма достигает больших значений и по стоимости сопоставимо с другими составляющими издержек производства. Поэтому учет расходуемого в реальном времени корма также необходим.
Задачей изобретения являются непрерывные в реальном времени автоматизированный поиск положения экономического баланса между суммой стоимостей эксплуатационных энергетических затрат на обогрев и на кормление сельскохозяйственных животных или птиц и расчетной ценой реализованной продукции, достижение экономически оптимального и энергетически рационального режима обогрева животноводческого или птицеводческого помещения и сельскохозяйственных животных и птиц, получение наивысшего значения экономического критерия прироста прибыли при автоматизированном управлении обогревом.
В результате использования изобретения устанавливается такое значение ощущаемой животными или птицей температуры помещения, при котором обеспечивается наивысший на данный момент времени прирост прибыли от действия кормления животных или птиц и обогрева сельскохозяйственного молодняка и производственного помещения.
Вышеуказанный технический результат достигается способом экономичного обогрева и кормления животных или птиц, включающим в себя измерение и задание величины ощущаемой животными или птицей температуры помещения, сравнение измеренной и заданной величин, регулирование режима обогрева по результату сравнения, измерение величин температуры и относительной влажности внутреннего воздуха в помещении, причем стоимость тепловой энергии на обогрев помещения вычисляют в зависимости от измеренных величин температур и относительных влажностей наружного и внутреннего воздуха в помещении, задание величины возраста животных и птицы, при этом измеряют концентрацию аммиака и расход корма, формируют сигнал величины ощущаемой температуры помещения, периодически изменяют сигнал сформированной величины ощущаемой температуры помещения в диапазоне между технологически допустимыми наименьшим и наибольшим ее заданными значениями, причем в зависимости от значения изменяемого сигнала сформированной величины ощущаемой температуры помещения, от возраста поголовья, от относительной влажности внутреннего воздуха в помещении и от концентрации аммиака вычисляют стоимость продукции данной партии животных или птицы, при этом стоимость суммарных затрат энергии на обогрев животных или птицы вычисляют в зависимости от разности значений изменяемого сигнала сформированной величины ощущаемой температуры помещения и температуры внутреннего воздуха в помещении и энергетической эффективности обогрева животных или птицы, стоимость затрат на корм вычисляют в зависимости от измеренного расхода корма, причем стоимость тепловой энергии на обогрев помещения вычисляют в зависимости от сформированной величины ощущаемой температуры помещения и от измеренных величин температуры наружного и относительных влажностей наружного и внутреннего воздуха в помещении, затем вычисляют первую разность между стоимостью продукции и суммой стоимостей затрат энергии на обогрев и затрат корма в качестве показателя прибыли в диапазоне между технологически допустимыми наименьшим и наибольшим заданными значениями сигнала сформированной величины ощущаемой температуры помещения, определяют наибольшее значение этой первой разности в качестве значения наивысшей прибыли и соответствующий ему сигнал сформированной величины ощущаемой температуры помещения, определяют второе значение этой разности в качестве нормативной прибыли при нормативном значении заданной величины ощущаемой температуры помещения в технологическом режиме наивысшей продуктивности поголовья, вычитают из первой разности стоимостей ее второе значение и получают третью разность стоимостей в виде показателя прироста прибыли, вычитают из наибольшего значения первой разности стоимостей ее второе значение и получают наибольшее значение третьей разности стоимостей в виде значения наивысшего прироста прибыли и соответствующий ему сигнал сформированной величины ощущаемой температуры помещения, причем соответствующие значениям наивысшей прибыли и наивысшего прироста прибыли сигналы сформированной величины ощущаемой температуры помещения равны между собой, сравнивают соответствующий наибольшему значению первой или второй разности сигнал сформированной величины ощущаемой температуры помещения с измеренной величиной ощущаемой температуры помещения и по результату сравнения корректируют режим обогрева животных или птицы, при этом вычисляют заданное значение расхода корма в зависимости от значения изменяемого сигнала сформированной величины ощущаемой температуры помещения и от возраста поголовья, сравнивают измеренное и заданное значения расхода корма и по результату сравнения корректируют режим кормления животных или птицы, а также сравнивают вычисленные стоимости тепловой энергии на общий обогрев помещения и суммарных затрат энергии на обогрев животных или птицы и полученным результатом сравнения оповещают персонал производственного помещения с животными или с птицей.
Технический результат достигается также тем, что в устройство экономичного обогрева и кормления животных и птицы, содержащее датчик ощущаемой температуры помещения, датчики температуры наружного воздуха и внутреннего воздуха в помещении, датчики относительной влажности наружного воздуха и внутреннего воздуха, вычислительный блок, блок управления, регулятор температуры, обогреватели, причем выход датчика ощущаемой температуры в зоне обогрева соединен с первым входом вычислительного блока и с управляющим первым входом регулятора температуры, выход которого соединен с обогревателями, причем выходы датчиков температуры наружного воздуха и внутреннего воздуха в помещении подключены соответственно ко второму и к третьему входам вычислительного блока, выходы датчиков относительной влажности наружного воздуха и внутреннего воздуха соединены соответственно с четвертым и с пятым входами вычислительного блока, своим первым выходом связанного с входом блока управления, при этом в устройство дополнительно введены датчик концентрации аммиака и датчик расхода корма, блок задатчиков возраста поголовья, технологически допустимых наименьшего и наибольшего заданных значений ощущаемой температуры, времени опроса биотехнической системы, сигнала сформированной величины ощущаемой температуры помещения и констант, элемент памяти, регулятор расхода корма с подключенным к его выходу исполнительным элементом расхода корма, элемент сравнения и блок оповещения, выходы датчика концентрации аммиака и датчика расхода корма соединены соответственно с четвертым и с пятым входами вычислительного блока, выходы блока задатчиков возраста поголовья, технологически допустимых наименьшего и наибольшего заданных значений ощущаемой температуры, времени опроса биотехнической системы, сигнала сформированной величины ощущаемой температуры помещения и констант подключены к соответствующим дополнительным входам вычислительного блока, выход блока управления соединен с задающим вторым входом регулятора температуры, при этом выход датчика расхода корма дополнительно соединен с управляющим первым входом регулятора расхода корма, второй выход вычислительного блока через элемент формирования заданного расхода корма подключен к задающему второму входу регулятора расхода корма, а третий и четвертый выходы вычислительного блока соединены соответственно с первым и вторым входами элемента сравнения, выход которого подключен к входу блока оповещения.
Сущность предлагаемого изобретения поясняется примером. Задача оптимизации микроклимата помещения для выращивания бройлеров в клеточных батареях с учетом расхода энергии на отопление птичника для достижения максимума функционала непрерывно изменяющейся во времени разности стоимостей продукции и тепловой энергии при управлении микроклиматом по условию наивысшей продуктивности поголовья решена (Грабауров В.А., Савченко Е.И., 1986 и др.). Промышленный птичник рассматривается как биотехническая система, состоящая из взаимосвязанных и взаимозависимых объектов – биологического (птица) и технического (помещение и оборудование).
Математическая модель биологического объекта представляет собой зависимость продуктивности птиц (суточный прирост массы бройлеров от их возраста и от факторов микроклимата, в граммах массы) Пбр от возраста птиц t (в сутках) и основных параметров микроклимата – температуры воздуха Т (в градусах по шкале Цельсия), относительной влажности воздуха В (в процентах) и загазованности воздуха КА (массовая концентрация аммиака в воздухе, мг/м3) /см.: Грабауров В.А. Задача оптимизации микроклимата в промышленных птичниках с учетом расхода энергии на отопление. Рукопись представлена РИСХМ (Ростовским институтом сельскохозяйственного машиностроения). Деп. во ВНИИТЭИСХ. №537 ВС-85 Деп. – 17 с.; см. также: Грабауров В.А. Идентификация класса и структуры статической математической модели биологического объекта биотехнической системы в промышленном птичнике. – Рукопись представлена РИСХМ (Ростовским институтом сельскохозяйственного машиностроения). Деп. во ВНИИТЭИСХ. №469-84 Деп. – 6 с./:

где а0, а1,…, а14 – коэффициенты уравнения регрессии, или константы: а0=-715,1; а1=6,354; а2=27,076; а3=9,594; а4=-0,870; а5=-0,025; а6=-0,343; a7=-0,050; a8=-0,009; а9=-0,104; а10=-0,024; а11=0,003; а12=-0,102; а13=0,012; а14=0,008 /см.: Грабауров В.А., Савченко Е.И. Исследование математической модели биологического объекта биотехнической системы. – Рукопись представлена РИСХМ (Ростовским институтом сельскохозяйственного машиностроения). Деп. во ВНИИТЭИСХ. №59 ВС-87 Деп. – 6 с./.
Показатель уровня теплового комфорта в виде величины ощущаемой температуры tоп включает в себя комплекс факторов температуры воздуха Т (далее в тексте заявки измеряемая и усредненная по высоте птичника температура внутреннего воздуха в помещении при технологии напольного выращивания бройлеров для удобства обозначена tв изм), скорости его движения и лучистых тепловых потоков между телом животного или птицы и нагретыми или охлажденными ограждающими конструкциями помещения. Для обсуждаемой модели продуктивности бройлеров в клеточных батареях значения ощущаемой температуры и температуры воздуха практически равны. Поэтому модель продуктивности действует и при замене в ней величины температуры воздуха на величину ощущаемой температуры, которая необходима при оценке теплового состояния молодняка при лучистом обогреве помещения. Следовательно, далее принято: Т=tоп.
Из биологии известно, что различие в развитии однотипных организмов сохраняются на протяжении всего периода их роста, поэтому цена будущей реализации суточного прироста массы бройлеров Цр сут определяется значением этого прироста Пбр(tоп, t, В, КА), кг·10-3/сут, количеством бройлеров в помещении Nбр, голов (примем обычное количество 20 тыс. голов в стандартном птицезале размерами 18·96 м), удельной ценой реализации конечной продукции птицефабрики Цр уд, руб./кг (примем 40 руб./кг):

Суточная стоимость тепловой энергии C1 (энергетические издержки производства С) на общий обогрев помещения Эобщ(tв изм=tоп з) – для математического моделирования величины С в технологическом диапазоне температур внутреннего воздуха значения tв изм приняты численно равными значениям формируемого искусственно сигнала tоп з – пропорциональна удельной стоимости применяемого энергоносителя Цэ, руб./кВт·ч, в данном регионе страны, длительности времени опроса биотехнической системы (суточного отопительного периода в 24 ч) То, и средней за этот период времени величине мощности системы общего (в данном контексте – лучистого обогрева помещения Qо cp(tв изм), кВт, которая определяется при средних за период То величинах температур внутреннего tв изм и наружного воздуха tн изм, °C:

где Qпт – тепловыделения птицы, кВт; Qпод – тепловыделения от подстилки, кВт; Qогр – теплопотери через ограждения, кВт; Qвент – общие теплопотери с влажным вентилируемым воздухом (с учетом теплоты, расходуемой на испарение влаги с открытых водных и смоченных поверхностей), кВт; Qпол – теплопотери через пол, кВт (компенсируются тепловыделениями от древесно-стружечной подстилки); Qинф – расход теплоты на нагрев воздуха, инфильтрующегося через притворы ворот, окон и дверей, кВт.




где Nбр – число бройлеров в птицезале, гол.; в 1,17 г/кг; L=70…100 м3/ч; tн – наружная температура, °С; dвн(tв з), dн(tн) – влагосодержание внутреннего и наружного воздуха, г/кг; Тц=t(t – по В.А.Грабаурову) – возраст поголовья, сут.
Здесь следует учесть, что


где вн, н – относительные влажности внутреннего воздуха в помещении и наружного воздуха, %; dвн нас(tв з), dн нас(tн) – влагосодержание насыщенного воздуха при измеряемых внутренней и наружной температурах воздуха, г/кг. Эти данные заданы в виде таблиц соответствия /см.: Славин P.M. Научные основы автоматизации производства в животноводстве и птицеводстве. М.: Колос. 1974. 464 с./. Таблицы хранятся в блоке задатчиков возраста поголовья, технологически допустимых наименьшего и наибольшего заданных значений ощущаемой температуры, времени опроса, сигнала сформированной величины ощущаемой температуры и констант устройства по заявляемому способу (см. далее текст описания). В этом блоке также задаются региональные удельные цены на энергоноситель и на конечную продукцию сельскохозяйственного предприятия, количество животных или птицы в помещении и все указанные в описании коэффициенты в формулах и другие константы. В условиях конвективного обогрева помещения с использованием, например, газовых теплогенераторов – «пушек» tоп=tв, поэтому для упрощения (для формирования в соответствии со способом только одного сигнала tоп з) в формулах (3)…(9) способа численные значения сформированной величины tоп з принимаются вместо перебираемых численных значений tв з.
Суточные затраты на энергию С2 в системе лучистого электрического или газового обогрева Элуч сут(tоп, tв) пропорциональны удельной стоимости энергии данного вида Цэг, руб./кВт·ч, в данном регионе страны, количеству зон обогрева, или количеству лучистых обогревателей в помещении Nл, отн. ед., мощности применяемого обогревателя Qл 1(tоп, tв), кВт.

При известной статической характеристике передачи мощности излучения в зависимости от разности ощущаемой температуры в зоне обогрева и температуры воздуха лучистого, например, электрического обогревателя в виде люстры из четырех ИК облучателей типа ЛИКИ (фиг.4):

– расчет Элуч сут(tоп, tв) упрощается, и его результаты конкретизируются.
При известном энергетическом коэффициенте полезного действия обогревателя k (его энергетической эффективности), значение которого больше нуля и меньше или только теоретически может быть равно единице, суммарные затраты энергии на обогрев животных или птицы, т.е. подводимая к системе обогрева энергия, за принятый суточный период равны:

Понятно, что величины Qо cp(tв изм) и [NлQл 1(tоп изм)Tо]/k равны друг другу только при условии Qпт=0, т.е. по известному условию теплового баланса вносимая в помещение без животных или без птицы мощность обогрева полностью расходуется на потери мощности помещением. Если биологическая теплота от животных или от птицы присутствует, то в установившемся тепловом режиме помещения с поголовьем теплоотдача помещения всегда больше теплопритока от системы обогрева на величину тепловыделений животных или птицы.
Исследование эффективности управления температурным режимом промышленного птичника с учетом затрат кормов отражено в «Методических рекомендациях по управлению температурно-влажностным режимом в промышленных птичниках при клеточном содержании бройлеров». Ростов-на-Дону. МВССО РСФСР. РИСХМ. МСХ РСФСР. Ростовский-на-Дону трест «Птицепром». 1985. 58 с. Показано, что затраты кормов растут по параболической зависимости при отклонении температуры среды от ее оптимального значения, при котором достигается наивысшая продуктивность птицы.
Математическая модель коэффициента затрат корма (отношение массы израсходованного корма к массе выращенного бройлера) в зависимости от отклонения температуры среды обитания от соответствующего наивысшей продуктивности птицы значения температуры и от возраста бройлера по указанным рекомендациям:

тогда для суточных приращений массы бройлера к ранее набранной им его живой массе получим суточное приращение расхода корма к ранее израсходованному корму или просто суточный расход корма:

Учитывая, что Мпт=Пбр(tоп, t, В, КА), а разность (tнастоящ-tпредыдущ)=1, измеряется в сутках цикла выращивания птицы, получаем суточный расход корма:

Цена израсходованного за сутки корма Kсут 1 в приведенных рекомендациях математической формуле (6) для одного бройлера:

где Цк – удельная цена корма, руб./кг; а при принятом, например, количестве бройлеров Nбр=20000 шт. (голов) в помещении стандартного птичника размерами 18×96 м цена суточного расхода корма для них в зависимости от их возраста и от факторов микроклимата:

Понятно, что прирост суточного расхода корма Ксут из-за ненормативного управления режимом обогрева поголовья птицы в птичнике при отклонении tоп от нормативного значения tоп макс продукт равен разности между двумя значениями суточного расхода корма – при отклонении tоп от tоп макс продукт и при tоп=tоп макс продукт, т.е. при tоп=0:

Удельная цена одного килограмма комбикорма в птицеводстве превышает в настоящее время значение 8…10 руб./кг, а на получение одного килограмма живой массы птицы при ее отпускной цене с птицефабрики даже в 30…40 руб./кг затрачивается от 1,5 до 2,5…3,7 кг корма в зависимости от температуры среды обитания. Это сильно влияет на рентабельность предприятия. Например, проведенное математическое моделирование расхода корма по указанным в приведенных рекомендациях зависимостям показало, что при отклонении ощущаемой птицей температуры помещения на ±7,0°С от соответствующего режиму ее максимальной продуктивности на 56-й день выращивания значения приводит к дополнительной затрате корма в 1,96 кг на одного бройлера массой 1,4 кг. При цене комбикорма 8 руб./кг непредвиденные расчетные затраты на корм для поголовья одной партии птицы в 20 тыс. бройлеров в стандартном птицезале составляют до 360 тыс.руб., а таких партий бройлеров за год в птичнике выращивается 5,21 по «Российским нормам технологического проектирования птицеводческих предприятий» РНТП4-93.
При этом изменение массы бройлеров при отклонении температуры среды обитания от оптимального для их роста расчетного значения 1841·10-3 кг на ±7,0°С по указанным рекомендациям, а также по депонированной статье: Грабауров В.А., Савченко Е.И. Исследование математической модели биологического объекта биотехнической системы. Ростов-на-Дону: РИСХМ. 1986. 6С. Деп. во ВНИИТЭИагропром. №59. ВС-87 приводит к результату численного моделирования 899·10-3 кг. Понятно, что расчетные дополнительные потери продукции в данном птичнике составляют 18840 кг, а при отпускной цене птичьего мяса с птицефабрики в 40 руб./кг снижение прибыли равно 753600 руб.
Затраты энергии на обогрев промышленного птичника в Московской области в настоящее составляют ориентировочно 200…300 тыс. кВт·ч в год. При действующем в настоящее время тарифе на электроэнергию в Москве 1,53 руб./кВт·ч стоимость обогрева молодняка в птичнике хотя и значительно уступает затратам на корм, но становится сопоставимой с ними. При рассмотрении птицефабрик, расположенных значительно севернее Московской области, затраты на обогрев помещений и молодняка возрастают многократно и заметно влияют на экономику предприятия.
Использование перспективных высокоточных систем автоматизации обогрева позволит уверенно поддерживать режим, близкий к условиям наивысшей продуктивности птицы, но затраты энергии на обогрев должны быть экономически соответствующими. Поэтому только автоматизированное экономически оптимальное управление обогревом позволяет найти выгодный компромисс между затратами корма и энергии на обогрев и расчетными потерями результирующей продуктивностью поголовья в их ценовом выражении. Методологическая и методическая основы такого управления заключаются в следующем.
Эффективность и ресурсосбережение чрезвычайно энергозатратных в настоящее время в бройлерном птицеводстве технологии лучистого локального и общего обогрева можно существенно повысить путем автоматизации процесса поиска оптимального значения выбранного экономического критерия. Например, годовая или суточная прибыль Павт новой автоматизированной системы:

где Павт – годовая (суточная) прибыль нового предприятия или новой технологии или системы, руб./год (сут.); Цр макс – рыночная цена реализованной за год (или в пересчете на текущие сутки) продукции в действующей системе обогрева по условию получения наивысшей продуктивности поголовья, руб./год (сут.); Смакс и Кмакс – годовые (суточные) энергетические издержки производства и расход корма в действующей системе обогрева по условию получения наивысшей продуктивности поголовья, руб./год (сут.); П – увеличение прибыли, руб./год (сут.), в результате экономически обоснованного снижения затрат на энергию в обсуждаемой обогревательной технологии С, руб./год (сут.), при неизбежно возникающих при предлагаемом методе экономической оптимизации режима обогрева дополнительных затратах на корм для поголовья К, руб./год (сут.), при расчетных потерях продуктивности Ц, руб./год (сут.) – здесь Ц записано по абсолютной величине.
Следует заметить, что в качестве единицы времени при наличии математической модели продуктивности типа (6) может быть принята любая длительность технологического процесса, а не только общепринятая в экономических расчетах и кратная году. Понятно, что в данном случае она равна одним суткам.
Сущность предлагаемого изобретения поясняется фиг.1, фиг.2, фиг.3, фиг.4, фиг.5.
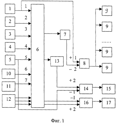
На фиг.1 приведена общая схема устройства по способу. Показаны датчик ощущаемой температуры помещения 1; датчик температуры наружного воздуха 2; датчик температуры внутреннего воздуха в помещении 3; датчик относительной влажности наружного воздуха 4; датчик относительной влажности внутреннего воздуха 5; вычислительный блок 6; блок управления 7; регулятор температуры 8; обогреватели 9 (электрические, газовые и т.п.); датчик концентрации аммиака 10; датчик расхода корма 11 (изменения массы бункерного накопителя корма, ленточный измеритель массы сыпучей кормовой смеси в ее потоке и т.п.); блок задатчиков возраста поголовья, технологически допустимых наименьшего и наибольшего заданных значений ощущаемой температуры, времени опроса, сигнала сформированной величины ощущаемой температуры, констант 12; элемент памяти 13; регулятор расхода корма 14; исполнительный элемент расхода корма 15; элемент сравнения 16; блок оповещения 17.
На фиг.1 приведена общая схема технологии и технологического оборудования обогрева (например, лучистого) цыплят и птичника в промышленном птицеводстве. Показаны теплозащитные ограждающие конструкции помещения птичника 18; утепленный пол (древесно-стружечная подстилка) птичника 19; приточная вентиляция 20; вытяжная вентиляция 21; поголовье птицы 22; обогреватели 9; энергетическая магистраль 23; регулятор температуры 8; датчик температуры внутреннего воздуха птичника 3; датчик относительной влажности внутреннего воздуха птичника 5; датчик ощущаемой температуры помещения в зоне обитания птицы 1; датчик концентрации аммиака 10; датчик расхода корма 11.
На фиг.3 дана графическая интерпретация составляющих слагаемых прибылей старой и новой автоматизированных систем обогрева при минимальной и при максимальной наружных температурах. Указаны места появления прироста прибыли за счет экономической оптимизации теплового режима биотехнической системы: tн мин – принятая для иллюстрации способа минимальная температура наружного воздуха; (-Пс(tн мин)) – положение, соответствующее прибыли от действия старой системы обогрева; (-Павт(tн мин)) – зависимость расчетной прибыли от действия автоматизированной системы обогрева в выбранном диапазоне изменения ощущаемой температуры помещения (такой же диапазон изменения значений температуры внутреннего воздуха помещения принят при расчете себестоимости С энергетических издержек Эобщ (или Элуч) на обогрев помещения); (-Попт(tн мин)) – оптимальное (наибольшее) значение прибыли от действия автоматизированной системы обогрева; tоп опт(tн мин) и tоп опт(tн макс) – экономически оптимальные значения ощущаемой температуры при принятых для иллюстрации способа минимальной и максимальной температурах наружного воздуха.
На фиг.4 дана иллюстрация оценки технико-экономической эффективности обогревательной технологии по критерию прироста прибыли в результате суммирования стоимостей затрат на корм и на энергоноситель и прогнозируемых потерь продукции (с отрицательным знаком) в искусственно формируемом диапазоне изменения теплового режима по величине ощущаемой температуры помещения: П – прогнозируемый расчетный прирост прибыли в результате управления обогревом данной партии цыплят и данного птичника; tоп – ощущаемая температура помещения в зоне обитания поголовья в результате действия обогревателей; tоп опт – экономически оптимальное значение tоп при соответствующих наружных метеоусловиях, теплозащите помещения здания птичника и данном расходе корма; tоп норм=tмакс продукт – нормативное или биологически наилучшее значение ощущаемой температуры помещения для получения режима наивысшей продуктивности поголовья птицы данных породы, кросса и возраста;  ПТ – изменение величины наивысшего прироста прибыли при изменении температуры наружного воздуха tн;  ПА – изменение (уменьшение) величины наивысшего прироста прибыли при изменении (увеличении) концентрации аммиака;  ПК – изменение величины наивысшего прироста прибыли при изменении расхода корма; tоп з – искусственно сформированный сигнал величины ощущаемой температуры помещения в выбранном диапазоне между технологически допустимыми наименьшим tоп з мин и наибольшим tоп з макс ее заданными значениями.
На фиг.5 приведена фотография экспериментального образца электрической инфракрасной люстры, состоящей из четырех облучателей типа «ЛИКИ» мощностью по 300 Вт каждый с питанием 220 В 50 Гц (вид снизу сбоку).
На фиг.6 показано изменение (увеличение) суточного расхода корма в граммах массы для одного бройлера возраста 1, 40 и 56 суток при отклонении температуры среды от -7 до +7°С (по указанным рекомендациям и другим работам В.А.Грабаурова).
На фиг.7 дан результат расчета зависимости суточного привеса в граммах массы одного бройлера возраста 14 суток при относительной влажности воздуха 65% и при массовой концентрации в воздухе аммиака 7,5 мг/м3 от температуры среды обитания в диапазоне 16…36°С (по тем же литературным источникам).
Способ осуществляется следующим образом.
Например, в сильный мороз обычная система конвективного, лучистого или комбинированного обогрева с электрическим или с газовым энергоносителем просто поддерживает нормативный технологический режим обогрева поголовья, соответствующий его наивысшей продуктивности. Расход электроэнергии или природного газа связан с потребностями биотехнической системы и из-за большой лучистой теплоотдачи датчика ощущаемой температуры помещения к холодным ограждающим внутренним конструкциям производственного помещения и большой суммарной теплоотдачи помещения здания в целом может достигнуть таких значений, что разница между наивысшей ценой реализованной продукции и очень высокой суммой стоимостей израсходованных энергоносителей Смакс и корма Кмакс окажется совсем малой. Это означает, что прибыль в данном (старом) варианте управления по критерию максимальной продуктивности поголовья Пс получена небольшая:

Заявляемое вместе со способом экономически оптимального (экономически наилучшего) управления устройство автоматически выбирает такой режим расхода энергоносителя, при котором указанная экономически оптимальная разность (Цр опт-Сопт-Копт) всегда имеет наибольшее значение. Таким образом, при любых внешних условиях прибыль в новом варианте управления по критерию максимума прибыли Попт всегда максимальна:

Вычитая из второго значения разности по (21) ее первое значение по (20), получаем прирост прибыли (годовой, суточной, часовой и т.п. – какую именно решили выбрать для расчетов и для последующего управления предприятием или технологией) П, образовавшийся в результате оптимального (наилучшего) автоматизированного управления обогревом помещения с молодняком.

Прибыль увеличивается в результате экономически оптимального управления обогревом на величину ее прироста:

где G1(tоп макс продукт, tоп опт 1) – экономия издержек, выигрыш в стоимости энергозатрат, полученный за счет частичного снижения продуктивности поголовья или за счет некоторого уменьшения цены реализованной в будущем продукции данной технологии Ц1(tоп макс продукт, tоп опт 1), а также за счет прироста расхода корма K(tоп макс продукт, tоп опт 1) в результате перехода от управления по критерию максимума продукции с любыми затратами при значении tоп макс продукт режима наивысшей продуктивности к управлению по критерию максимума прироста прибыли при экономически оптимальном значении tоп опт управляемого параметра.
Целевая функция оптимизации значения управляемого параметра ощущаемой температуры tоп опт в виде показателя прибыли (суточной) П(tоп з), или показателя прироста прибыли (суточного) П(tоп з) при переборе искусственно формируемых значений tоп з, которые численно равны возможным измеренным значениям tоп в диапазоне между ее наименьшим и наибольшим заданными технологическими значениями будет:

или

Остальные составляющие эксплуатационных затрат – на освещение, трудозатраты персонала и т.п. – от tоп при локальном обогреве зависят слабо или вообще не зависят. Составляющие (25) вычисляются по приведенным в описании настоящей заявки достаточно известным и модифицированным зависимостям, включающим в себя удельные цены на электрическую энергию или на энергию природного газа в данном регионе страны, удельную отпускную цену мяса бройлеров на конкретной птицефабрике, которые используют параметры наружного климата: tн и н – температуру и относительную влажность наружного воздуха; теплоизоляционные характеристики конструкции помещения для поголовья: Sогр i, Ro огр i, Gинф – площадей ограждающих конструкций, их сопротивлений теплопередаче и удельный объем инфильтрующегося через притворы в помещение воздуха; параметры внутреннего микроклимата tоп, tв, вн – ощущаемую цыплятами температуру в зонах обогрева, температуру и относительную влажность внутреннего воздуха в помещении, характеристики оборудования для лучистого локального обогрева Qл 1(tоп з
Таким образом, в соответствии со способом экономически оптимального (экономически наилучшего) обогрева последовательно по времени учитывают и используют впоследствии для управления обогревом следующие сигналы как материальные носители информации и полученные расчетные величины:
заданные: Тц=t – возраст поголовья, tоп з мин, tоп з макс – технологически допустимые наименьшее и наибольшее заданные значения ощущаемой температуры помещения, в пределах между которыми периодически изменяют сигнал сформированной величины ощущаемой температуры помещения; времени опроса То, а0, а1, …, а14; Nбр, Цр уд, Цэ, Цэг, Nл; 44,51, 3/2, 10-3, Sогр i, Rо огр i, Gинф, 0,032, 1,17, 70…100, 0,28, 0,68, 10-5, 40, 0,021, 0,0012, dвн нас(tв) – констант;
формируемые: tоп з – сформированный сигнал величины ощущаемой температуры помещения tоп;
измеренные: tоп – ощущаемая температура помещения, Т=tв – температура внутреннего воздуха, В= вн – относительная влажность внутреннего воздуха; tн температура наружного воздуха, н – относительная влажность наружного воздуха; КА – массовая концентрация аммиака в воздухе или загазованность воздуха; Ксут изм – измеряемый суточный расход корма;
рассчитанные: Цp сут(tоп з) – вычисленная стоимость продукции данной партии животных или птицы; Эл сут(tоп з) – вычисленная стоимость затрат энергии на обогрев, П(tоп з) – расчетный показатель прибыли; Попт(tоп з опт) – наибольшее значение прибыли (этой первой разности по формуле изобретения) в качестве значения наивысшей прибыли и соответствующий ему сигнал сформированной величины ощущаемой температуры помещения tоп з опт; Пс(tоп норм=tоп макс продукт) – нормативная прибыль (второе значение этой разности при нормативном значении ощущаемой температуры технологического режима наивысшей продуктивности поголовья по формула изобретения); Ксут – суточный расход корма; Цр, С, К и П(tоп з, tоп норм) – изменения цен реализованной продукции, энергозатрат, корма и прирост прибыли (третья разность стоимостей по формуле изобретения); П(tоп з опт, tоп норм) – наибольшее (экономически оптимальное) значение прироста прибыли и соответствующий ему сигнал сформированной величины ощущаемой температуры помещения tоп з опт;
– затем сравнивают полученный сигнал сформированной величины ощущаемой температуры помещения tоп з опт с измеренным значением ощущаемой температуры помещения tоп изм и по результату сравнения корректируют обогрев животных или птицы, осуществляя режим обогрева по критерию наивысшего прироста прибыли, а не тривиальное и зачастую экономически неоправданное для расположенных севернее предприятий следование установленным в других климатических условиях нормам технологического проектирования. Одновременно с целью практического достижения расчетных показателей технологии сравнивают Ксут изм с его расчетным значением Ксут и по результату сравнения корректируют режим кормления животных или птицы. Данная операция способа позволяет в полной мере материализовать при управлении результаты математического моделирования автоматизированной технологии. Без измерения расхода корма и без управления его подачей в помещение недостаток, например, корма приведет к непредусмотренному в модели (1) падению продуктивности поголовья и к соответствующим ошибкам при регулировании экономически оптимального режима обогрева.
На фиг.2 приведена схема устройства экономичного обогрева и кормления животных и птицы. Устройство для осуществления способа содержит датчик ощущаемой температуры помещения 1, датчики температуры наружного воздуха 2 и внутреннего воздуха в помещении 3, датчики относительной влажности наружного воздуха 4 и внутреннего воздуха 5, вычислительный блок 6, блок управления 7, регулятор температуры 8, обогреватели 9, причем выход датчика ощущаемой температуры 1 в зоне обогрева соединен с первым входом вычислительного блока 6 и с управляющим первым входом регулятора температуры 8, выход которого соединен с обогревателями 9, причем выходы датчиков температуры наружного воздуха 2 и внутреннего воздуха в помещении 3 подключены соответственно ко второму и к третьему входам вычислительного блока 6, выходы датчиков относительной влажности наружного воздуха 4 и внутреннего 5 воздуха соединены соответственно с четвертым и с пятым входами вычислительного блока 6, своим первым выходом связанного с входом блока управления 7, при этом в устройство дополнительно введены датчик концентрации аммиака 10 и датчик расхода корма 11, блок задатчиков возраста поголовья, технологически допустимых наименьшего и наибольшего заданных значений ощущаемой температуры, времени опроса биотехнической системы, сигнала сформированной величины ощущаемой температуры помещения и констант 12, элемент памяти 13, регулятор расхода корма 14 с подключенным к его выходу исполнительным элементом расхода корма 15, элемент сравнения 16 и блок оповещения 17, выходы датчика концентрации аммиака 10 и датчика расхода корма 11 соединены соответственно с четвертым и с пятым входами вычислительного блока 6, выходы блока задатчиков возраста поголовья, технологически допустимых наименьшего и наибольшего заданных значений ощущаемой температуры, времени опроса биотехнической системы, сигнала сформированной величины ощущаемой температуры помещения и констант 12 подключены к соответствующим дополнительным входам вычислительного блока 6, выход блока управления 7 соединен с задающим вторым входом регулятора температуры 8, при этом выход датчика расхода корма 11 дополнительно соединен с управляющим первым входом регулятора расхода корма 14, второй выход вычислительного блока 6 через элемент памяти 13 подключен к задающему второму входу регулятора расхода корма 14, а третий и четвертый выходы вычислительного блока 6 соединены соответственно с первым и вторым входами элемента сравнения 16, выход которого подключен к входу блока оповещения 17.
Устройство работает следующим образом.
Вычислительный блок 6 рассчитывает ежесуточную вычисленную стоимость затрат тепловой энергии на обогрев производственного помещения по (3)…(9) и со своего третьего выхода подает соответствующий ей сигнал на первый вход элемента сравнения 16. С четвертого выхода вычислительного блока 6 на второй вход элемента сравнения 16 поступает сигнал вычисленной стоимости суммарных затрат энергии на обогрев животных или птицы по (10)…(12). Элемент сравнения 16 формирует разностный сигнал для оповещения персонала посредством блока оповещения 17 о величине взаимного несоответствия расчетных величин энергетических издержек, которые в квазиустановившемся режиме функционирования биотехнической системы без животных или без птицы должны быть равны друг другу. При уверенности в правильности математического моделирования энергетических характеристик помещения и обогревателей причина несоответствия связана с неконтролируемой потерей теплозащитных свойств помещения (например, открыта одна из дверей в помещение, которая не должна была быть оставлена открытой, и т.п.).
Вычислительный блок 6 по данным измерений и формирования искусственной величины управляемого параметра теплоощущений поголовья tоп з рассчитывает целевую функцию оптимизации в выбранном диапазоне по зависимостям (1), (2), (11), (12), (17), (18), (20)…(25). По результатам измерения и задания параметров климата, помещения, микроклимата, оборудования, поголовья вычислительный блок 6 формирует значение П в диапазоне изменения tоп з за цикл опроса Топр системой автоматизации рассматриваемой биотехнической системы. Блок управления 5 устанавливает на задающем входе регулятора температуры 6 соответствующее режиму максимального прироста прибыли производства значение сформированной величины ощущаемой температуры tоп з опт. Вычислительный блок 6 рассчитывает величину К по соответствующей математической зависимости (18) с конкретными для выбранной биотехнической системы значениями коэффициентов. С его второго выхода сигнал К поступает на элемент памяти 13, выполненный, например, по схеме пикового детектора при использовании аналоговой схемотехники. На его выходе в течение суток формируется сигнал заданного расхода корма, который после сравнения с сигналом измеренного расхода корма обеспечивает коррекцию подачи корма в помещение с поголовьем для достижения более полного взаимного соответствия объекта управления и его математических моделей. Блок управления 5 находит экстремальное (максимальное) значение П и соответствующее ему значение аргумента функции, то есть экономически оптимальное значение расчетного прироста прибыли, и подаст tоп з опт в качестве задающего сигнала на задающий вход регулятора температуры 6. Технология обогрева идет по экономически наилучшей траектории. Обеспечивается экономически наилучшее для обогревательной технологии и для предприятия в целом соотношение между получаемой продукцией птицеводства (животноводства) и расходуемым на обогрев поголовья (например, бройлеров в птицеводстве) энергоносителем любого вида. В блоке задатчиков возраста поголовья, технологически допустимых наименьшего и наибольшего заданных значений ощущаемой температуры, времени опроса, сигнала сформированной величины ощущаемой температуры и констант задаются региональные удельные цены на энергоноситель, на корм и на конечную продукцию сельскохозяйственного предприятия, количество животных или птицы в помещении и все указанные в описании коэффициенты в формулах и другие константы.
При этом обеспечивается точная экономическая оптимизация технологического режима обогрева помещения с молодняком, поскольку применяемые для управления математические соотношения и используемые в них измеряемые и формируемые сигналы и константы несут в себе точную и полную информацию об управляемом процессе.
Формула изобретения
1. Способ экономичного обогрева и кормления животных и птицы, включающий в себя измерение и задание величины ощущаемой животными и птицей температуры помещения, сравнение измеренной и заданной величин, регулирование режима обогрева по результату сравнения, измерение величин температуры и относительных влажностей внутреннего воздуха в помещении и наружного воздуха, причем стоимость тепловой энергии на обогрев помещения вычисляют в зависимости от измеренных величин температур и относительных влажностей наружного и внутреннего воздуха в помещении, задание величины возраста животных и птицы, отличающийся тем, что дополнительно измеряют концентрацию аммиака и расход корма, формируют сигнал величины ощущаемой температуры помещения, периодически изменяют сигнал сформированной величины ощущаемой температуры помещения в диапазоне между технологически допустимыми наименьшим и наибольшим ее заданными значениями, причем в зависимости от значения изменяемого сигнала сформированной величины ощущаемой температуры помещения, от возраста поголовья, от относительной влажности внутреннего воздуха в помещении и от концентрации аммиака вычисляют стоимость продукции данной партии животных или птицы, при этом стоимость суммарных затрат энергии на обогрев животных или птицы вычисляют в зависимости от разности значений изменяемого сигнала сформированной величины ощущаемой температуры помещения и температуры внутреннего воздуха в помещении, стоимость затрат на корм вычисляют в зависимости от расхода корма, причем стоимость тепловой энергии на обогрев помещения вычисляют в зависимости от сформированной величины ощущаемой температуры помещения и от измеренных величин температуры наружного и относительных влажностей наружного и внутреннего воздуха в помещении, затем вычисляют первую разность между стоимостью продукции и суммой стоимостей затрат энергии на обогрев и затрат корма в качестве показателя прибыли в диапазоне между технологически допустимыми наименьшим и наибольшим заданными значениями сигнала сформированной величины ощущаемой температуры помещения, определяют наибольшее значение этой первой разности в качестве значения наивысшей прибыли и соответствующий ему сигнал сформированной величины ощущаемой температуры помещения, определяют второе значение этой разности в качестве нормативной прибыли при нормативном значении ощущаемой температуры технологического режима наивысшей продуктивности поголовья, вычитают из первой разности стоимостей ее второе значение и получают третью разность стоимостей в виде показателя прироста прибыли, вычитают из наибольшего значения первой разности стоимостей се второе значение и получают наибольшее значение третьей разности стоимостей в виде значения наивысшего прироста прибыли и соответствующий ему сигнал сформированной величины ощущаемой температуры помещения, причем соответствующие значениям наивысшей прибыли и наивысшего прироста прибыли сигналы сформированной величины ощущаемой температуры помещения равны между собой, сравнивают соответствующий наибольшему значению первой или второй разности сигнал сформированной величины ощущаемой температуры помещения с измеренной величиной ощущаемой температуры помещения и по результату сравнения корректируют режим обогрева сельскохозяйственного молодняка и животноводческого или птицеводческого помещения, при этом вычисляют заданное значение расхода корма в зависимости от значения изменяемого сигнала сформированной величины ощущаемой температуры помещения и от возраста поголовья, сравнивают измеренное и заданное значения расхода корма и по результату сравнения корректируют режим кормления животных или птицы, а также сравнивают вычисленные стоимости тепловой энергии на обогрев помещения и суммарных затрат энергии на обогрев животных или птицы и полученным результатом сравнения оповещают персонал производственного помещения с животными или с птицей.
2. Устройство экономичного обогрева и кормления животных и птицы, содержащее датчик ощущаемой температуры помещения, датчики температуры наружного воздуха и внутреннего воздуха в помещении, датчики относительной влажности наружного воздуха и внутреннего воздуха, вычислительный блок, блок управления, регулятор температуры, обогреватели, причем выход датчика ощущаемой температуры в зоне обогрева соединен с первым входом вычислительного блока и с управляющим первым входом регулятора температуры, выход которого соединен с обогревателями, причем выходы датчиков температуры наружного воздуха и внутреннего воздуха в помещении подключены соответственно ко второму и к третьему входам вычислительного блока, выходы датчиков относительной влажности наружного воздуха и внутреннего воздуха соединены соответственно с четвертым и с пятым входами вычислительного блока, своим первым выходом связанного с входом блока управления, отличающееся тем, что в него дополнительно введены датчик концентрации аммиака и датчик расхода корма, блок задатчиков возраста поголовья, технологически допустимых наименьшего и наибольшего заданных значений ощущаемой температуры, времени опроса биотехнической системы, сигнала сформированной величины ощущаемой температуры помещения и констант, элемент памяти, регулятор расхода корма с подключенным к его выходу исполнительным элементом расхода корма, элемент сравнения и блок оповещения, выходы датчика концентрации аммиака и датчика расхода корма соединены соответственно с четвертым и с пятым входами вычислительного блока, выходы блока задатчиков возраста поголовья, технологически допустимых наименьшего и наибольшего заданных значений ощущаемой температуры, времени опроса биотехнической системы, сигнала сформированной величины ощущаемой температуры помещения и констант подключены к соответствующим дополнительным входам вычислительного блока, выход блока управления соединен с задающим вторым входом регулятора температуры, при этом выход датчика расхода корма дополнительно соединен с управляющим первым входом регулятора расхода корма, второй выход вычислительного блока через элемент формирования заданного расхода корма подключен к задающему второму входу регулятора расхода корма, а третий и четвертый выходы вычислительного блока соединены соответственно с первым и вторым входами элемента сравнения, выход которого подключен к входу блока оповещения.
РИСУНКИ
MM4A – Досрочное прекращение действия патента СССР или патента Российской Федерации на изобретение из-за неуплаты в установленный срок пошлины за поддержание патента в силе
Дата прекращения действия патента: 01.12.2007
Извещение опубликовано: 27.07.2009 БИ: 21/2009
|
|