|
(21), (22) Заявка: 2005137269/09, 30.11.2005
(24) Дата начала отсчета срока действия патента:
30.11.2005
(46) Опубликовано: 20.06.2007
(56) Список документов, цитированных в отчете о поиске:
US 4782309 А, 01.11.1988. SU 315261 A1, 01.01.1971. RU 2096908 С1, 20.11.1997. US 4661785 A, 28.04.1987. WO 2004093308 A, 28.10.2004.
Адрес для переписки:
607188, Нижегородская обл., г. Саров, пр. Мира, 37, ФГУП “РФЯЦ-ВНИИЭФ”, начальнику ОПИНТИ
|
(72) Автор(ы):
Лукьянчук Виталий Никонович (RU), Логинов Ярослав Андреевич (RU)
(73) Патентообладатель(и):
Федеральное агентство по атомной энергии (RU), Федеральное государственное унитарное предприятие “Российский федеральный ядерный центр – Всероссийский научно-исследовательский институт экспериментальной физики” – ФГУП “РФЯЦ-ВНИИЭФ” (RU)
|
(54) КВАРЦЕВЫЙ ГЕНЕРАТОР
(57) Реферат:
Изобретение относится к области электронной техники и может быть использовано для генерации электрических сигналов, стабилизированных кварцевыми резонаторами и используемых в качестве силочувствительных датчиков. Техническим результатом является обеспечение устойчивой работы генератора с кварцевыми резонаторами, имеющими значение эквивалентного сопротивления более 500 кОм при статической емкости порядка 1 пФ и резонансной частоте более 60 кГц. Генератор содержит резистивно-емкостную мостовую схему, в которую введены инвертирующий усилитель с параллельно включенным резистором. Выход мостовой схемы подключен к входу другого инвертирующего усилителя. 5 ил.
Изобретение относится к области электронной техники и может быть использовано для генерации электрических сигналов, стабилизированных кварцевыми резонаторами, в частности в пьезорезонансных датчиках.
Наиболее близким по технической сущности к заявляемому устройству является кварцевый генератор (см. патент US №4,782,309, кл. H03B 5/32, 5/38 от 06.26.1987 г., опубликованный 01.11.1988 г.), содержащий дифференциальный усилитель, четырехплечий емкостной мост, в одно из плеч которого включен кварцевый резонатор. Одна из диагоналей моста подключена к выходу усилителя, а другая диагональ подключена к его дифференциальным входам. Указанное выше устройство взято в качестве прототипа.
Недостатком прототипа является невозможность нормальной работы с кварцевыми резонаторами, имеющими большое значение эквивалентного сопротивления – Rк (Rк>500 кОм), которые могут быть у стержневых кварцевых резонаторов с изгибной формой колебаний и резонансной частотой более 60 кГц. При этом статическая емкость резонатора С0 может достигать значения 1 пФ. При указанных параметрах резонатора оказываются неработоспособными и другие известные варианты генераторов.
Решаемой задачей является обеспечение устойчивой работы генератора с кварцевыми резонаторами, имеющими значение эквивалентного сопротивления 800 и более кОм при статической емкости порядка 1 пФ и резонансной частоте более 60 кГц.
Технический результат достигается тем, что кварцевый генератор содержит резистивно-емкостную мостовую схему с кварцевым резонатором, выход которого соединен с входом первого усилителя. Новым является то, что первый усилитель выполнен инвертирующим, а в резистивно-емкостную мостовую схему дополнительно введен второй инвертирующий усилитель и второй резистор, первый вывод которого соединен со вторым выводом кварцевого резонатора и входом второго инвертирующего усилителя, выход которого соединен со вторым выводом второго резистора и с первыми выводами первого резистора и первого конденсатора, вторые выводы которых соединены со входом первого инвертирующего усилителя и вторым выводом второго конденсатора, первый вывод которого соединен с первым выводом кварцевого резонатора и с выходом первого инвертирующего усилителя, который является выходом устройства.
Положительный результат достигается введением дополнительного усилителя в мост, что позволяет облегчить балансировку моста, что благоприятно сказывается на характеристиках генератора.
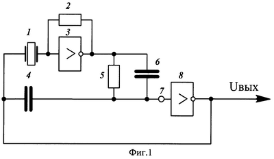
На фиг.1 изображена структурная схема кварцевого генератора с активным элементом в одном плече моста.
На фиг.2 изображена структурная схема моста с активным элементом в одном его плече.
На фиг.3 изображена электрическая принципиальная схема генератора с использованием микросхем типа 564ЛН2 (561ЛН2 765ЛН2).
На фиг.4 изображена фазочастотная характеристика генератора без компенсации 1 и с компенсацией 2.
На фиг.5 изображена амплитудно-частотная характеристика генератора с мостовой компенсацией.
Кварцевый генератор состоит из элементов:
1 – кварцевый резонатор; 2 – второй резистор; 3 – второй инвертирующий усилитель; 4 – второй конденсатор; 5 – первый резистор; 6 – первый конденсатор; выходом резистивно-емкостного моста является точка 7 соединения конденсаторов 4, 6 и резистора 5; 8 – первый инвертирующий усилитель. Выход первого инвертирующего усилителя 8 соединен с точкой соединения первых выводов кварцевого резонатора 1 и второго конденсатора 4. Второй вывод кварцевого резонатора соединен со входом второго инвертирующего усилителя 3 и первым выводом резистора 2. Выход второго инвертирующего усилителя 3 соединен со вторым выводом резистора 2, с первыми выводами резистора 5 и конденсатора 6. Второй вывод конденсатора 4 соединен с вторыми выводами резистора 5, конденсатора 6 и входом первого инвертирующего усилителя 8.
Устройство работает следующим образом. Источник питания подключается к соответствующим выводам усилителей. С помощью резистора 2 задается режим работы и рабочая точка усилителя 3. Выбором значений сопротивления резистора 5 и емкости конденсаторов 4, 6 обеспечивается подавление синфазного сигнала (подаваемого на общую точку кварцевого резонатора 1 и конденсатора 4) на выходе моста (точка 7) с частотами, при которых отсутствуют колебания кварцевого резонатора. На частоте последовательного резонанса кварцевого резонатора 1 мост, образованный элементами 1, 2, 3, 4, 5, 6, становится разбалансированным и сигнал, подаваемый на общую точку кварцевого резонатора 1 и конденсатора 4, проходит на выход моста.
Выходной сигнал мостовой схемы UВЫХ определяется решением следующих уравнений:

где U1 – напряжение на выходе усилителя УC.
Решением уравнений (1) для выходного сигнала UВЫХ является выражение

Условием нейтрализации тока С0 является равенство нулю выходного сигнала на частотах за пределами механического резонанса кварцевого резонатора
, т.е.

Из (3) следует

с учетом того, что Z1>Z2 и (K-1)>1 условие (4) можно записать

или 
Для обеспечения условия нейтрализации емкости С0 в широком диапазоне частот отношения импедансов и должны быть частотонезависимыми, т.е.

Из условия постоянства отношения импедансов в широком диапазоне частот с учетом того, что Z1 является емкостным сопротивлением, следует:

где С3 – емкость конденсатора, определяющая импеданс Z3.
В качестве импеданса Z2 наиболее удобным представляется использование постоянного резистора, однако, наличие у инвертирующего усилителя УC проходной емкости СПР делает Z2 комплексным сопротивлением (параллельное соединение резистора и емкости). Его импеданс определяется выражением:

где R2 – значение активного сопротивления импеданса Z2;
С2=СПР+СМОН – суммарное значение проходной емкости и емкости монтажа.
Условие (7) может быть выполнено только в том случае, когда импеданс Z4 представляет собой параллельное соединение резистора и конденсатора (R4 и С4). При этом должны выполняться равенства:

и 
Таким образом, условием нейтрализации влияния статической емкости кварцевого резонатора будет выполнение следующих соотношений:


Коэффициент передачи КМ моста на частоте резонанса кварцевого резонатора в первом приближении определяется следующим соотношением:

где RK – динамическое сопротивление кварцевого резонатора.
Эквивалентный импеданс нагрузки кварцевого резонатора ZH определяется входным сопротивлением инвертора, охваченного обратной связью через Z2, его значение равно:

Поскольку должно выполняться условие R2K, то коэффициент передачи моста KM<1. Для обеспечения условий генерации требуется введение дополнительных каскадов усиления с суммарным коэффициентом усиления

Один из возможных вариантов кварцевого генератора, реализующий предложенное техническое решение, выполненное с использованием микросхем 564ЛН2, приведено на фиг.3. Работоспособность генератора проверена экспериментально с кварцевым резонаторным датчиком, имеющим RK=2 МоМ, С0=0,9 пФ, f0=70420 Гц.
Формула изобретения
Кварцевый генератор, содержащий резистивно-емкостную мостовую схему с кварцевым резонатором, выход которой соединен со входом первого усилителя, отличающийся тем, что первый усилитель выполнен инвертирующим, а в резистивно-емкостную мостовую схему дополнительно введен второй инвертирующий усилитель и второй резистор, первый вывод которого соединен со вторым выводом кварцевого резонатора и входом второго инвертирующего усилителя, выход которого соединен со вторым выводом второго резистора и с первыми выводами первого резистора и первого конденсатора, вторые выводы которых соединены со входом первого инвертирующего усилителя и вторым выводом второго конденсатора, первый вывод которого соединен с первым выводом кварцевого резонатора и с выходом первого инвертирующего усилителя, который является выходом устройства.
РИСУНКИ
|