|
|
(21), (22) Заявка: 2005108315/09, 24.03.2005
(24) Дата начала отсчета срока действия патента:
24.03.2005
(46) Опубликовано: 20.06.2007
(56) Список документов, цитированных в отчете о поиске:
RU 20025360 C1, 27.08.2004. RU 2174258 C1, 27.09.2001. RU 2225740 C1, 20.03.2004. RU 2003125911 А, 27.02.2005. RU 2165679 C1, 20.04.2001. GB 2366436 А, 06.03.2002. FR 2753909 А1, 03.04.1998. DE 10142864 А1, 06.03.2003. FR 2808350 A3, 02.11.2001. РАТЫНСКИЙ М.В. и др. Телефон в кармане. – М.: Радио и связь, 2000, с.11-16.
Адрес для переписки:
125009, Москва, Средний Кисловский пер., 7/10, кв.26, А.С. Попову
|
(72) Автор(ы):
Рославицкий Олег Александрович (RU), Аронов Григорий Абрамович (RU), Заников Юрий Ширинович (RU), Рославицкая Наталья Александровна (RU)
(73) Патентообладатель(и):
Рославицкий Олег Александрович (RU)
|
(54) ИГРОВОЙ ЭЛЕКТРОННЫЙ КОМПЛЕКС
(57) Реферат:
Изобретение относится к средствам телекоммуникации. Техническим результатом является расширение функциональных возможностей электронной игры на ставки с генератором случайных событий на основе беспроводной связи, упрощения и ускорения процесса видеоигры с использованием мобильного телефона. В игровом комплексе связывают переносной игровой автомат в виде мобильного телефона посредством беспроводной телефонной сети с игровым электронным устройством, посылают закодированный сигнал доступа к игре и осуществляют игру, используя клавиатуру мобильного телефона, формируют игровую информацию и выигрышную комбинацию посредством генератора случайных событий и закодированные сигналы, соответствующие игровой информации в виде текстового и/или графического сообщения передают на мобильный телефон игрока, производят отображение игры на дисплее последнего, посредством клавиатуры мобильного телефона осуществляют процесс видеоигры, передают выигрышную комбинацию по мобильной связи и сравнивают ее с выигрышной комбинацией, сформированной генератором случайных событий, определяют и регистрируют результат и направляют сигнал, содержащий соответствующую информацию о результате на мобильный телефон игрока. 1 ил.
Изобретение относится к средствам телекоммуникации и может быть использовано для расширения функциональных возможностей электронной игры на ставки с генератором случайных чисел на основе беспроводной связи, упрощения и ускорения процесса видеоигры с использованием мобильного телефона.
Из уровня техники известна телефонная игра, включающая игровой комплекс и связанный с ним посредством телефонной сети телефонный аппарат, по которому передают игровую информацию (ЕР 0396253 A1, H04M 11/06, 1990).
Основной недостаток такого решения заключается в невозможности игрока участвовать в процессе игры – набора выигрышной комбинации и отсутствии средств для контроля и визуализации результата.
Из уровня техники известен также способ проведения электронной игры на ставки, в которой производят начальное кредитование, связывают переносной игровой автомат в виде мобильного телефона посредством беспроводной телефонной сети с игровым электронным устройством, посылают закодированный сигнал доступа к игре и осуществляют игру, используя клавиатуру мобильного телефона (RU 2235360 С2, G06F 17/60, 2004). При этом процесс игры осуществляет игрок на мобильном телефоне, снабженном набором электронных игр, посредством клавиатуры и дисплея, что ограничивает функциональные и игровые возможности игрового комплекса и телефонной системы в целом при проведении электронной игры на ставки.
Известен также игровой электронный комплекс, включающий игровое электронное устройство и связанное с ним посредством беспроводной сотовой телефонной сети переносное игровое средство в виде мобильного телефона с клавиатурой и дисплеем (RU 2235360 С2, G06F 17/60, 2004).
При этом игровой комплекс, принимая сигналы с мобильного телефона игрока, обеспечивает автоматическую регистрацию результата игры, процесс которой осуществляет игрок на мобильном телефоне, снабженном набором электронных игр, посредством клавиатуры и дисплея, и связь с кредитно-платежным учреждением, что ограничивает функциональные и игровые возможности игрового комплекса и телефонной системы в целом при проведении электронной игры на ставки.
Изобретение направлено на расширение функциональной игровой возможности комбинированной телефонной системы для проведения электронной игры и игрового электронного комплекса за счет расширения памяти на электронные игры.
Решение поставленной задачи обеспечивается тем, что в комбинированной телефонной электронной игре, в которой производят начальное кредитование, связывают переносной игровой автомат в виде мобильного телефона посредством беспроводной телефонной сети с игровым электронным устройством, посылают закодированный сигнал доступа к игре и осуществляют игру, используя клавиатуру мобильного телефона, согласно изобретению в игровом электронном устройстве формируют игровую информацию и выигрышную комбинацию посредством генератора случайных событий – чисел, закодированные сигналы, соответствующие игровой информации в виде текстового и/или графического сообщения, передают на мобильный телефон игрока, производят визуализацию – отображение игры на дисплее последнего, посредством клавиатуры мобильного телефона осуществляет процесс видеоигры, делают ставки и регистрируют игровую комбинацию, направляют по мобильной связи информацию о выигрышной комбинации и ставках в виде закодированного сигнала или текстового сообщения в игровое электронное устройство, производят сравнение полученной игровой комбинации с выигрышной комбинацией, сформированной генератором случайных событий – чисел, определяют и регистрируют результат и направляют сигнал, содержащий соответствующую информацию о результате на мобильный телефон игрока.
Кроме того, дополнительно через сеть каналов телевизионного вещания, к которой подключают игровое электронное устройство, производят трансляцию процесса электронной видеоигры и игровой информации о сделанных ставках, заявленных игровых комбинациях, выигрышных комбинациях и о результате видеоигры, которую отображают на мониторе в телестудии и на экране телевизора, подключенного к сети каналов телевизионного вещания.
Решение поставленной задачи обеспечивается также тем, что в игровом электронном комплексе, включающем игровое электронное устройство и связанное с ним посредством беспроводной сотовой телефонной сети переносное игровое средство в виде мобильного телефона с клавиатурой и дисплеем, согласно изобретению игровое электронное устройство содержит системный блок, к которому подключены игровой блок с генератором случайных событий – чисел, блок сравнения и блок регистрации и который связан с базовой станцией сотовой телефонной сети через определитель доступа к игре и приемопередающее устройство, при этом подключенные к системному блоку игровой блок с генератором случайных событий – чисел и блок сравнения соединены между собой.
При этом определитель доступа к игре содержит блок определения кода, соединенный с блоком сравнения, к которому подключен блок памяти кодов.
Кроме того, игровое электронное устройство дополнительно через преобразователь связано с передатчиком сети каналов телевизионного вещания, а переносное игровое средство в качестве дисплея дополнительно использует экран телевизора, который принимает соответствующий телевизионный сигнал, и/или монитор в телестудии.
Наличие игрового блока с генератором случайных событий – чисел с программой различных электронных игр и блока сравнения, которые соединены между собой и подключены к системному блоку игрового электронного устройства существенно расширяет функциональные возможности комбинированной игры и упрощает процесс определения выигрыша, а подключение игрового электронного устройства к сети каналов телевизионного вещания расширяет игровые возможности комбинированной системы, обеспечивает возможность визуализации и одновременного участия в электронной игре на ставки неограниченного количества игроков, упрощает и ускоряет процесс обработки игровой информации и получение результата игры.
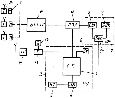
На чертеже представлена блок-схема заявленного электронного комплекса для реализации комбинированной телефонной игры.
Комбинированный электронный комплекс для проведения электронной игры включает переносное игровое средство – мобильный телефон 1 (М) с клавиатурой и дисплеем, игровое электронное устройство 2 (ИУ), которое содержит системный блок 3 (СБ), игровой блок 4 (ИБ) с генератором случайных событий – чисел, блок 5 сравнения (БС) игровой информации и блок 6 регистрации (БР), определитель 7 доступа к игре (ОД), подключенный к системному блоку 3 игрового электронного устройства 2, которое содержит блок 8 определения кода (БОК), например, типа АОН – автоматический определитель номера, блок 9 памяти кода (БПК) и блок 10 сравнения кода (БСК).
При этом игровое электронное устройство 2 и определитель 7 доступа к игре связаны с базовой станцией 11 сотовой телефонной сети (БССТС) посредством приемопередающего устройства 12 (ППУ). Кроме того, игровое электронное устройство 2 может быть дополнительно через преобразователь 13 (П) подключено к передатчику 14 (ТП) телевизионной станции сети каналов телевизионного вещания, что позволяет отображать процесс электронной игры на мониторе 15 (Э), установленном в телестудии, и на экране телевизора 16 (Т).
Комбинированная телефонная электронная игра реализуется следующим образом.
Игрок, произведший начальное кредитование для доступа к игре, посредством клавиатуры мобильного телефона 1, подключенного к сотовой телефонной сети, посылает через базовую станцию 11 закодированный сигнал доступа к игре, который поступает в блок 8 определения кода определителя 7 доступа к игре и сравнивается в блоке 10 сравнения с сигналом закодированной информации доступа к игре, поступающим из блока 9 памяти кодов, и направляется в системный блок 3 игрового электронного устройства 2, которое инициирует начало игры.
При этом системный блок 3 включает генератор случайных событий – чисел игрового блока 4, который формирует сигналы игровой информации о процессе электронной игры (например, электронной рулетки, игрового автомата. Блек-Джек, покер и т.п.) и выигрышной комбинации. Игровая информация обрабатывается в системном блоке 3 и через приемо-передающее устройство 12 сотовой телефонной сети закодированные сигналы в виде текстового и/или графического сообщения направляются на мобильный телефон 1 игрока и отображаются – визуализируются на дисплее в виде видеоигры.
Игрок посредством клавиатуры мобильного телефона в соответствии с правилами осуществляет процесс электронной видеоигры (делает ставки, набирает выигрышную комбинацию и т.д.). Закодированные сигналы, текстовое и/или графическое сообщение с мобильного телефона 1 поступают в приемопередающее устройство 12, обрабатываются в системном блоке 3 и направляются в блок 5 сравнения для определения выигрыша – сравнения с выигрышной комбинацией, сформированной в игровом блоке 4.
Результат сравнения обрабатывается в системном блоке 3, направляется в блок 5 регистрации и в виде текстового или графического сообщения передается по мобильной сотовой связи на мобильный телефон 1 игрока, где отображается на дисплее.
Как вариант, для проведения массовой электронной игры на ставки по сети каналов телевизионного вещания сигналы игровой информации системного блока 3 игрового электронного устройства 2 через преобразователь 13 направляются в передатчик 14 телевизионной станции и/или отображаются на мониторе 15, при этом игроки-телезрители, одновременно принимающие участие в игре, используют клавиатуру мобильного телефона для осуществления процесса игры и экран телевизора 16, который принимает соответствующий телевизионный сигнал, для визуализации процесса игры.
Формула изобретения
Игровой электронный комплекс, включающий игровое электронное устройство, связанное с ним посредством беспроводной сотовой телефонной сети переносное игровое устройство в виде мобильного телефона игрока, и определитель доступа к игре, при этом игровое электронное устройство содержит системный блок, к которому подключены игровой блок с генератором случайных событий – чисел, блок сравнения игровой информации и блок регистрации, генератор случайных событий – чисел игрового блока предназначен для формирования сигналов игровой информации о процессе электронной игры, при этом системный блок предназначен для обработки игровой информации и направления закодированных сигналов в виде текстового и/или графического сообщения через приемопередающее устройство сотовой телефонной сети на мобильный телефон игрока для отображения в виде видеоигры, а также для обработки поступающих с мобильного телефона игрока через приемопередающее устройство закодированных сигналов текстового и/или графического сообщения и направления в блок сравнения игровой информации для определения выигрыша, определитель доступа к игре содержит блок определения кода, предназначенный для поступления через базовую станцию сотовой телефонной сети закодированного сигнала доступа, блок памяти кодов, а также блок сравнения кодов, предназначенный для сравнения поступившего с мобильного телефона указанного закодированного сигнала с сигналом закодированной информации доступа к игре, поступающего из блока памяти кодов, и направления сигнала из блока сравнения кодов в системный блок игрового электронного устройства для инициирования начала игры.
РИСУНКИ
MM4A – Досрочное прекращение действия патента СССР или патента Российской Федерации на изобретение из-за неуплаты в установленный срок пошлины за поддержание патента в силе
Дата прекращения действия патента: 25.03.2008
Извещение опубликовано: 27.03.2010 БИ: 09/2010
|
|