|
|
(21), (22) Заявка: 2005129452/28, 21.09.2005
(24) Дата начала отсчета срока действия патента:
21.09.2005
(46) Опубликовано: 20.06.2007
(56) Список документов, цитированных в отчете о поиске:
RU 2005101948 А1, 10.07.2006. SU 1411683 А1, 23.07.1988. SU 1580288 А1, 23.07.1990. RU 2001124545 А1, 27.07.2003. SU 1566300 А1, 23.05.1990. SU 978070 A, 30.11.1982. JP 72-87039 A, 31.10.1995. FR 2508177 A1, 24.12.1982. JP 63-163178 A, 06.07.1988.
Адрес для переписки:
634021, г.Томск, ул. Сибирская, 108, кв.20, В.И. Туеву
|
(72) Автор(ы):
Туев Василий Иванович (RU)
(73) Патентообладатель(и):
Туев Василий Иванович (RU)
|
(54) СПОСОБ ОПРЕДЕЛЕНИЯ ПОЛНЫХ ВХОДНЫХ СОПРОТИВЛЕНИЙ ЭЛЕКТРИЧЕСКИХ ЦЕПЕЙ И УСТРОЙСТВО ДЛЯ ЕГО ОСУЩЕСТВЛЕНИЯ
(57) Реферат:
Изобретение относится к измерительной технике, а именно к способам измерения полных входных сопротивлений низкочастотных и высокочастотных электрических цепей и к устройствам для их осуществления. Задачами, на достижение которых направлено предлагаемое техническое решение, являются расширение диапазона рабочих частот, в котором производится измерение полных входных сопротивлений электрических цепей, и повышение точности измерения полных входных сопротивлений электрических цепей. Предложенное устройство для измерения полных входных сопротивлений электрических цепей содержит две входные клеммы для подключения измеряемого сопротивления цепи, генератор синусоидальных напряжений, эталонный резистор, первый конец которого соединен с первой входной клеммой, первый и второй ключевые синхронные детекторы, первый и второй двухканальные переключатели и источник питания, источник постоянного тока, дополнительный резистор, первый и второй фильтры нижних частот, буквенно-цифровой индикатор, пульт ручного управления, соответствующим образом соединенные между собой. При этом генератор синусоидальных напряжений выполнен в виде каскадно соединенных микроконтроллера, частотозадающего элемента, синтезатора частот, сдвигового регистра с обратной связью, цифроаналогового преобразователя и усилителя переменного напряжения. Данное устройство также реализует соответствующий способ измерения полных входных сопротивлений электрических цепей. 2 н.п. ф-лы, 2 ил.
Изобретение относится к измерительной технике. Конкретно – к способам измерения полных входных сопротивлений низкочастотных и высокочастотных электрических цепей и к устройствам для их осуществления.
Известен способ определения полных входных сопротивлений однопрограммных радиовещательных линий, имеющих емкостную составляющую, заключающийся в подключении к генератору синусоидального напряжения частотой 400 Гц последовательно соединенных входного сопротивления измеряемой линии и эталонного резистора, регулировке выходного напряжения генератора до получения на эталонном резисторе заранее известного переменного напряжения, измерении переменного напряжения на входе радиовещательной линии, определении переменного тока, протекающего через входную цепь по известным значениям напряжения на эталонном резисторе и величине сопротивления этого резистора, последующем измерении входного сопротивления радиовещательной линии постоянному току и расчете емкости входной цепи по известной формуле для двухполюсника, имеющего комплексное сопротивление [1]. Недостатком способа является ограниченная область применения (для однопрограммных радиовещательных линий, имеющих емкостную составляющую входного сопротивления), большая продолжительность измерения (при каждом измерении необходима калибровка прибора) и большая погрешность измерения (±10%).
Наиболее близким способом определения полного входного сопротивления электрических цепей по отношению к заявляемому является способ, заключающийся в подключении к генератору синусоидального тока последовательно соединенных входного сопротивления измеряемой цепи и эталонного резистора, измерении напряжений на эталонном резисторе и входном сопротивлении измеряемой цепи, определении тока, протекающего через названную последовательную цепь, в последующем подключении параллельно входной цепи магазина реактивностей, компенсации реактивности входной цепи, определении характера и значения ее реактивности и расчета полного входного сопротивления цепи по известным формулам для двухполюсников, имеющих комплексное сопротивление [2]. Недостатком способа-прототипа является необходимость использования для его осуществления громоздкого магазина реактивностей, сложность и длительность определения полного входного сопротивления цепей, высокая погрешность измерения полного входного сопротивления цепей (до 15%).
Известен измеритель комплексных сопротивлений сетей трехпрограммного проводного вещания [1], содержащий батарею гальванических элементов, каскадно соединенные генератор переменного напряжения, вырабатывающий сигналы на четырех частотах первого канала: 0,4; 3; 6 и 10 кГц и на частотах второго и третьего каналов в диапазонах 66-88 кГц и 110-130 кГц, усилитель с регулируемым коэффициентом усиления и трансформатор, имеющий шесть выводов вторичной обмотки, каскадно соединенные трехканальный полосовой фильтр, первый ввод которого соединен с первым выводом трансформатора, усилитель с постоянным коэффициентом усиления, детектор и стрелочный индикатор, делитель напряжения, состоящий из двух последовательно соединенных резисторов и включенный между первым и вторым выводами трансформатора, первый и второй выключатели, магазин реактивностей, первый конец которого соединен с первым вводом измерителя, первый вывод измерителя соединен с точкой соединения резисторов делителя напряжения, а второй вывод – со вторым вводом трехканального полосового фильтра, узел, состоящий из пяти последовательно соединенных эталонных резисторов и соединенный началом первого резистора с первым выводом трансформатора, первый и второй спаренные пятиканальные переключатели, вход второго из которых соединен со вторым вводом измерителя и вводом двухканального переключателя. Выводы первого из пятиканальных переключателей могут поочередно соединяться со вторым, третьим, четвертым, пятым и шестым выводами трансформатора, а выводы второго – поочередно подключаться к точкам соединения первого и второго, второго и третьего, третьего и четвертого, четвертого и пятого и к концу пятого эталонных резисторов, при этом вход первого из пятиканальных переключателей через первый выключатель может соединяться с первым выходом измерителя, а второй конец магазина индуктивностей через второй выключатель может соединяться со входом первого пятиканального переключателя и через первый выключатель – со вторым вводом измерителя. Недостатками прибора являются узкая область применения (прибор предназначен только для измерения сопротивлений сетей трехпрограммного проводного вещания), небольшой диапазон измеряемых сопротивлений, большая погрешность измерения (±10% для модуля полного сопротивления и ±15% для реактивной составляющей этого сопротивления), ручной выбор пределов измерения, низкая помехозащищенность, частая замена источника питания.
Наиболее близким к заявляемому устройству является устройство для измерения параметров полных входных сопротивлений электрических цепей, содержащее входные клеммы для подключения измеряемого сопротивления, эталонный резистор, соединенный первым концом с первой входной клеммой, генератор синусоидального напряжения, два двухканальных механических переключателя, один из которых выполнен сдвоенным, один амплитудный и два синхронных детектора, на управляющие входы которых подаются синусоидальные напряжения, фазовращатель, усилитель напряжения, блок вычитания, три измерителя отношения напряжений, управляемый масштабный преобразователь и узел сравнения напряжений [3]. Последовательно соединенные вход устройства, оканчивающийся двумя входными клеммами, и эталонный резистор соединены с парой подвижных входных контактов спаренного двухканального переключателя, которые могут соединяться или с первым и вторым, или с третьим и четвертым неподвижными контактами этого переключателя. Вторые и третьи неподвижные контакты переключателя соединены с общим для всего устройства проводником. Выход генератора синусоидальных напряжений соединен с первыми входами узла сравнения напряжений и управляемого масштабного преобразователя. Выход последнего соединен с первым и четвертым неподвижными контактами спаренного двухканального переключателя, входом фазовращателя и сигнальным входом первого синхронного детектора. Выход фазовращателя соединен с сигнальным входом второго синхронного детектора. Точка соединения одной из входных клемм с эталонным резистором соединена со входом амплитудного детектора, управляющим входом второго синхронного детектора и входом усилителя напряжения. Выход усилителя напряжения соединен с управляющим входом первого синхронного детектора. Выход последнего соединен с первым входом блока вычитания. Выход амплитудного детектора соединен со вторым входом блока вычитания, первым входом второго двухканального переключателя и первыми входами первого и второго измерителей отношения напряжений. Второй вход второго двухканального переключателя соединен с выходом второго синхронного детектора и вторыми входами первого и третьего измерителей отношений напряжений. Выход второго двухканального переключателя соединен со вторым входом узла сравнения напряжений. Выход последнего соединен со вторым входом управляемого масштабного преобразователя. Выход блока вычитания соединен с первым входом третьего измерителя отношения напряжений и вторым входом второго измерителя отношений. В устройстве предусмотрены выводы сигналов с выходов обоих синхронных детекторов и выхода амплитудного детектора. Недостатком устройства-прототипа являются узкий диапазон рабочих частот, обусловленный зависимостью фазы выходного напряжения фазовращателя и усилителя напряжения от частоты и высокая погрешность измерения полного сопротивления цепей, обусловленная, в частности, использованием в нем синхронных детекторов, на управляющие входы которых подаются синусоидальные напряжения.
Задачами, на достижение которых направлено предлагаемое решение, являются расширение диапазона рабочих частот, в котором производится измерение полных входных сопротивлений электрических цепей, и повышение точности измерения полных входных сопротивлений электрических цепей.
Это достигается тем, что в способе определения полных входных сопротивлений электрических цепей, включающем определение на измеряемой частоте значения модуля полного сопротивления последовательно соединенных входного сопротивления измеряемой цепи и эталонного резистора и расчет полного входного сопротивления измеряемой цепи, предварительно определяют входное сопротивление измеряемой цепи постоянному току и значение названного модуля на другой частоте, находящейся в диапазоне рабочих частот измеряемой цепи, затем определяют характер реактивности входного сопротивления цепи по увеличению или уменьшению значения названного модуля, считая, что входное сопротивление цепи содержит индуктивную составляющую, если значение модуля увеличивается с ростом частоты, или емкостную составляющую, если значение модуля уменьшается с ростом частоты, а расчет полного входного сопротивления на измеряемой частоте производят используя соотношение:

где Uо – напряжение на последовательно соединенных входном сопротивлении измеряемой цепи и эталонном сопротивлении; Uэ – напряжение на эталонном резисторе; Rэ – сопротивление эталонного резистора; R и X – активная и реактивная составляющие полного входного сопротивления измеряемой цепи Z=R±jX.
Это достигается также тем, что в устройстве для измерения полных входных сопротивлений электрических цепей, содержащем две входные клеммы для подключения измеряемого сопротивления цепи, генератор синусоидальных напряжений, эталонный резистор, первый конец которого соединен с первой входной клеммой, усилитель переменного напряжения, первый и второй синхронные детекторы, первый и второй двухканальные переключатели и источник питания, генератор синусоидальных напряжений выполнен в виде каскадно соединенных микроконтроллера, к первому и второму входам которого подключен частотозадающий элемент, синтезатора частот, вход которого подключен к первому выходу микроконтроллера, сдвигового регистра с обратной связью, цифроаналогового преобразователя, и названного усилителя переменного напряжения, синхронные детекторы выполнены ключевыми, двухканальные переключатели – электрически управляемыми и в состав устройства введены источник постоянного тока, выход которого подключен к первому входу первого двухканального переключателя, дополнительный резистор, первый вывод которого соединен с выходом усилителя переменного напряжения, а второй вывод – со вторым входом первого двухканального переключателя, первый и второй фильтры нижних частот, входы которых подключены к выходам первого и второго ключевых синхронных детекторов, а их выходы соединены с третьим и четвертым входами микроконтроллера, буквенно-цифровой индикатор, три входа которого соединены со вторым – четвертым выходами микроконтроллера, пульт ручного управления, выходы которого соединены с пятым – десятым входами микроконтроллера, выход первого двухканального переключателя соединен со второй входной клеммой и входом второго ключевого синхронного детектора, первый и второй входы второго двухканального переключателя соединены соответственно с одним из выходов источника питания и одним из выводов сдвигового регистра с обратной связью, выход второго двухканального переключателя – с управляющими входами обоих ключевых синхронных детекторов, управляющие входы первого и второго двухканальных переключателей – с пятым выходом микроконтроллера, вход первого ключевого синхронного детектора подключен к первой входной клемме, а второй конец эталонного резистора соединен с общим для всего устройства проводником.
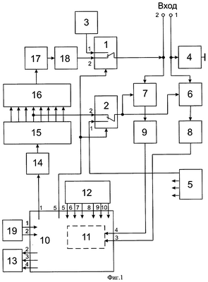
Функциональная схема устройства, реализующего предлагаемый способ определения полных входных сопротивлений электрических цепей, приведена на фиг.1, на которой обозначено: 1 – первый двухканальный переключатель; 2 – второй двухканальный переключатель; 3 – источник постоянного тока; 4 – эталонный резистор; 5 – источник питания; 6 – первый ключевой синхронный детектор; 7 – второй ключевой синхронный детектор; 8 – первый фильтр нижних частот (ФНЧ); 9 – второй фильтр нижних частот; 10 – микроконтроллер; 11 – аналого-цифровой преобразователь (АЦП); 12 – пульт ручного управления; 13 – буквенно-цифровой индикатор; 14 – цифровой синтезатор частот; 15 – сдвиговый регистр с обратной связью; 16 – цифроаналоговый преобразователь (ЦАП); 17 – усилитель переменного напряжения; 18 – дополнительный резистор; 19 – частотозадающий элемент. Первый 1 и второй 2 двухканальные переключатели изображены в положениях, соответствующих режиму измерения полных входных сопротивлений цепей переменному току.
На фиг.2, а и б приведены эквивалентные схемы измеряемых цепей, включенных последовательно с эталонным резистором.
Устройство, изображенное на фиг.1, работает следующим образом.
Измерение сопротивления цепей постоянному току производится при открытых первых каналах двухканальных переключателей 1 и 2. В этом случае измеряемое сопротивление цепи, присоединенное к входу устройства, оказывается включенным между выходом источника постоянного тока 3 и первым концом эталонного резистора 4. С выхода переключателя 2 постоянное напряжение с одного из выводов источника питания 5, соответствующее уровню открытых ключевых синхронных детекторов 6 и 7, подается на их управляющие входы. С выходов открытых ключевых синхронных детекторов 6 и 7 напряжения поступают на входы первого 8 и второго 9 ФНЧ, имеющих частоту среза 40 Гц. ФНЧ 8 и 9 подавляют помехи от сетей переменного тока частотой 50 Гц и более высокочастотные помехи. С выхода ФНЧ 8 и 9 постоянные напряжения поступают на третий и четвертый входы микроконтроллера 10 и далее на входы АЦП 11. Значение измеряемого сопротивления рассчитывается микроконтроллером 10 после нажатия одной из кнопок на пульте ручного управления 12 по формуле:

где U1 и U2 – значения напряжений на третьем и четвертом входах микроконтроллера 10, пропорциональные значениям напряжений на входных клеммах устройства (напряжения снимаются относительно общего для устройства проводника), RЭ – значение сопротивления эталонного резистора 4. Численное значение измеряемого сопротивления отображается на экране буквенно-цифрового индикатора 13.
Измерение полного сопротивления цепей переменному току производится при открытых вторых каналах двухканальных переключателей 1 и 2. Напряжение синусоидальной формы формируется каскадно соединенными микроконтроллером 10, цифровым синтезатором частот 14, сдвиговым регистром с обратной связью 15 и ЦАП 16. В качестве частотозадающего элемента 19 для микроконтроллера 10 в устройстве используется кварцевый резонатор. Импульсный сигнал с первого выхода микроконтроллера 10 используется как высокостабильное задающее колебание. Цифровой синтезатор частот 14 выполнен по схеме с фазовой автоподстройкой частоты. С выхода цифрового синтезатора частоты 14 напряжение в форме меандра поступает на вход сдвигового регистра 15. Напряжения на восьми выходах регистра 15 также имеют форму меандра, но частоту, в 16 раз меньшую частоты входного меандра. На выходах регистра меандры сдвинуты во времени последовательно по выходам на длительность одного периода входного меандра (входные импульсы меандра для регистра 16 можно рассматривать как тактовые). Цепь обратной связи в регистре 15 обеспечивает формирование на любом из его выходов импульса, длительность которого равна длительности восьми периодов входного меандра. На выходе ЦАП 16 сигнал имеет форму, близкую к синусоидальной. Установкой коэффициента деления встроенного в синтезатор частоты делителя частоты и изменением частоты задающего колебания может формироваться сетка высокостабильных частот синтезатора в диапазоне единиц килогерц – десятков мегагерц. Переменное напряжение одной из выбранных при помощи пульта ручного управления 12 частот подается на вход усилителя 17, а с выхода усилителя – на первый вывод дополнительного резистора 18, второй вывод которого соединен со вторым входом двухканального переключателя 1 (второй вывод резистора 18 совместно с общим для устройства проводником образует выход генератора переменного тока, в состав которого входят каскадно соединенные микроконтроллер 10, цифровой синтезатор частоты 14, сдвиговый регистр с обратной связью 15, ЦАП 16, усилитель 17 и резистор 18). При подключении к входу устройства электрической цепи ее сопротивление оказывается включенным между вторым выводом резистора 18 и первым концом эталонного резистора 4. Напряжения, снимаемые с второго вывода резистора 18 и первого конца эталонного резистора 4 (с входных клемм 1 и 2), поступают на входы первого 6 и второго 7 ключевых синхронных детекторов, на управляющие входы которых поступают меандры с такой же частотой, что и частота синусоидального сигнала, поступающего со второго вывода дополнительного резистора 18. Управляющие входы ключевых синхронных детекторов 6 и 7 через второй канал переключателя 2 при измерении сопротивления цепей переменному току подключаются к одному из выводов (разрядов) регистра 15 (фронты меандра приблизительно совпадают во времени с моментами перехода полярности синусоидального напряжения через ноль). С выхода ключевых синхронных детекторов 6 и 7 выпрямленные напряжения поступают на входы первого 8 и второго 9 ФНЧ, с выходов которых постоянные напряжения, пропорциональные входным переменным напряжениям, поступают на третий и четвертый входы микроконтроллера 10, в котором они обрабатываются в соответствии с вышеуказанным для измерения сопротивления постоянному току алгоритмом.
Значение полного сопротивления цепи переменному току определяется после определения значения сопротивления цепи постоянному току. Эквивалентная схема цепи для переменного тока, содержащая реактивную составляющую, отображается электрической цепью из параллельно соединенных активного сопротивления (сопротивления цепи постоянному току) и емкости или из последовательно соединенных активного сопротивления и индуктивности. В первом случае для расчета полного сопротивления цепи используется схема, представленная на фиг.2, а во втором случае – схема, представленная на фиг.2, б. На фиг.2, а и б через RЭ обозначено известное сопротивление эталонного резистора 4, через UЭ – переменное напряжения между общим для всего устройства проводником и первой входной клеммой, через U0 – переменное напряжение между общим для всего устройства проводником и второй входной клеммой, через R – сопротивление цепи постоянному току.
Для схемы, представленной на фиг.2, а:

Для схемы, представленной на фиг.2, б:

В выражении (1) неизвестной величиной является эквивалентная емкость С, в выражении (2) – эквивалентная индуктивность L измеряемой цепи.
Расчет значения эквивалентной емкости или эквивалентной индуктивности производится после определения значения Uo на двух частотах в диапазоне рабочих частот измеряемой цепи. При увеличении Uo с ростом частоты измеряемое сопротивление содержит индуктивную составляющую, при уменьшении – емкостную. После определения характера реактивности производятся измерение Uo и Uэ на требуемой частоте и расчет С или L.
Полное сопротивление измеряемой цепи, содержащей емкость, имеет вид:

а содержащей индуктивность, – вид:
ZL=R+j L.
Ключевые синхронные детекторы 6 и 7 уменьшают погрешность измерения полных сопротивлений цепей (по отношению к синхронным детекторам, управляемым синусоидальными напряжениями, которые использованы в устройстве-прототипе).
Переключение управляемых двухканальных переключателей 1 и 2 производится микроконтроллером при нажатии соответствующих кнопок на пульте ручного управления 12.
По предлагаемой функциональной схеме (фиг.1) был изготовлен макет устройства для измерения полных входных сопротивлений электрических цепей. Диапазон частот синусоидальных сигналов 0,4-120 кГц (макет устройства для определения полных входных сопротивлений сетей трехпрограммного проводного вещания). Погрешность измерения ±2,5% для модуля полного сопротивления и для реактивной составляющей этого сопротивления.
По отношению к способу-прототипу предлагаемый способ определения полного входного сопротивления электрических цепей обладает повышенной точностью измерения, требует меньше временных затрат на одно измерение.
По отношению к устройству-прототипу предлагаемое устройство обладает более широким диапазоном рабочих частот (в прототипе измерение производится на одной частоте), более широким диапазоном измеряемых сопротивлений цепей постоянному току (10 Ом – 1 МОм в предлагаемом устройстве и 2-200 кОм в прототипе). Помехозащищенность предлагаемого прибора также выше, чем у прототипа за счет использования ключевых синхронных детекторов и двух ФНЧ.
Источники информации
1. Прибор для измерения сопротивления линии ИЛ-58. Описание и инструкция по эксплуатации. МГРС, 1958.
2. Многопрограммное проводное вещание / В.Я.Дзядчик, С.А.Заславский, Б.Н.Филатов, А.В.Шершакова. М.: Связь, 1974. С.210-214 – прототип способа.
3. А.с. №1411683 СССР, МКИ G01R 27/02. Устройство для измерения параметров комплексного сопротивления / Фролов Г.В., Подкидышев В.Г. – Опубл. 23.07.88 г. БИ. №27 – прототип.
Формула изобретения
1. Способ определения полных входных сопротивлений электрических цепей, включающий определение на измеряемой частоте значения модуля полного сопротивления последовательно соединенных входного сопротивления измеряемой цепи и эталонного резистора и расчет полного входного сопротивления измеряемой цепи, отличающийся тем, что предварительно определяют входное сопротивление измеряемой цепи постоянному току и значение названного модуля на другой частоте, находящейся в диапазоне рабочих частот измеряемой цепи, затем определяют характер реактивности входного сопротивления цепи по увеличению или уменьшению значения названного модуля, считая, что входное сопротивление цепи содержит индуктивную составляющую, если значение модуля увеличивается с ростом частоты, или емкостную составляющую, если значение модуля уменьшается с ростом частоты, а расчет полного входного сопротивления на измеряемой частоте производят, используя соотношение

где Uо – напряжение на последовательно соединенных входном сопротивлении измеряемой цепи и эталонном резисторе;
Uэ – напряжение на эталонном резисторе;
Rэ – сопротивление эталонного резистора;
R и X – активная и реактивная составляющие полного входного сопротивления измеряемой цепи Z=R±jX.
2. Устройство для измерения полных входных сопротивлений электрических цепей, содержащее две входные клеммы для подключения измеряемого сопротивления цепи, генератор синусоидальных напряжений, эталонный резистор, первый конец которого соединен с первой входной клеммой, усилитель переменного напряжения, первый и второй синхронные детекторы, первый и второй двухканальные переключатели и источник питания, отличающееся тем, что генератор синусоидальных напряжений выполнен в виде каскадно соединенных микроконтроллера, к первому и второму входам которого подключен частотозадающий элемент, синтезатора частот, вход которого подключен к первому выходу микроконтроллера, сдвигового регистра с обратной связью, цифроаналогового преобразователя и названного усилителя переменного напряжения, синхронные детекторы выполнены ключевыми, двухканальные переключатели – электрически управляемыми и в состав устройства введены источник постоянного тока, выход которого подключен к первому входу первого двухканального переключателя, дополнительный резистор, первый вывод которого соединен с выходом усилителя переменного напряжения, а второй вывод – со вторым входом первого двухканального переключателя, первый и второй фильтры нижних частот, входы которых подключены соответственно к выходам первого и второго ключевых синхронных детекторов, а их выходы соединены соответственно с третьим и четвертым входами микроконтроллера, буквенно-цифровой индикатор, три входа которого соединены со вторым – четвертым выходами микроконтроллера, пульт ручного управления, выходы которого соединены с пятым – десятым входами микроконтроллера, выход первого двухканального переключателя соединен со второй входной клеммой и входом второго ключевого синхронного детектора, первый и второй входы второго двухканального переключателя соединены соответственно с одним из выходов источника питания и одним из выводов сдвигового регистра с обратной связью, выход второго двухканального переключателя – с управляющими входами обоих ключевых синхронных детекторов, управляющие входы первого и второго двухканальных переключателей – с пятым выходом микроконтроллера, вход первого ключевого синхронного детектора подключен к первой входной клемме, а второй конец эталонного резистора соединен с общим для всего устройства проводником.
РИСУНКИ
MM4A – Досрочное прекращение действия патента СССР или патента Российской Федерации на изобретение из-за неуплаты в установленный срок пошлины за поддержание патента в силе
Дата прекращения действия патента: 22.09.2007
Извещение опубликовано: 20.05.2009 БИ: 14/2009
|
|