|
|
(21), (22) Заявка: 2005132419/28, 21.10.2005
(24) Дата начала отсчета срока действия патента:
21.10.2005
(46) Опубликовано: 20.06.2007
(56) Список документов, цитированных в отчете о поиске:
RU 2163005 С2, 10.02.2001. RU 2199091 С2, 20.02.2003. RU 2004102584 А, 10.07.2005. SU 1490491 A1, 30.06.1989. ЕР 0275240 А2, 20.07.1988.
Адрес для переписки:
125008, Москва, Коптевский б-р, 3, кв.21, В.В. Шевкуну
|
(72) Автор(ы):
Быков Андрей Анатольевич (RU), Романов Игорь Юрьевич (RU), Дикалин Константин Сергеевич (RU)
(73) Патентообладатель(и):
Быков Андрей Анатольевич (RU), Романов Игорь Юрьевич (RU), Дикалин Константин Сергеевич (RU)
|
(54) СПОСОБ И УСТРОЙСТВО ДЛЯ ИЗМЕРЕНИЯ КОЛИЧЕСТВА ТОПЛИВА В БАКЕ АВТОМОБИЛЯ
(57) Реферат:
Изобретение может быть использовано в автомобиле, оборудованном инжекторным двигателем с электронным управлением и снабженном информационной системой, включающей в себя микро-ЭВМ, цифровой индикатор, датчик уровня в топливном баке и датчик скорости. На различных режимах нагрузки на двигатель измеряют текущий расход топлива из топливного бака. Тарируют топливный бак на различных режимах нагрузки на двигатель по объему топлива, соответствующему положению датчика уровня. Измеряют текущий расход топлива по производительности форсунки и времени ее открытия. Вычисляют остаток топлива в баке и сравнивают объем топлива, полученный при тарировке бака, с измеренным остатком топлива. По отклонению этих объемов и по результату сравнения текущего времени цикловой подачи на холостых оборотах двигателя со временем цикловой подачи на холостых оборотах полностью разогретого двигателя судят о техническом состоянии топливной системы двигателя. Изобретение обеспечивает дополнительный контроль технического состояния инжекторного двигателя по объему израсходованного топлива. 2 з.п. ф-лы, 1 ил.
Изобретение относится к измерительной технике и может быть использовано для измерения количества топлива в топливном баке автомобиля.
Известен способ определения количества топлива в топливном баке автомобиля, при котором по сигналам датчика уровня топлива определяют с заданной дискретностью ряд значений количества топлива, запоминают полученные значения, вычисляют среднее значение количества топлива и индуцируют полученное среднее значение количества топлива на индикаторе информационной системы автомобиля (см., например, описание изобретения к заявке ЕВП №0275240, кл. G01F 23/00, опубл. 1988).
Недостатком способа является низкая точность измерения количества топлива, что обусловлено неоптимальными условиями проведения измерений.
Известен также способ измерения количества топлива в баке автомобиля, снабженного информационной системой, включающей микро-ЭВМ, индикатор, датчик скорости и датчик уровня топлива в топливном баке, при котором по сигналу датчика скорости определяют остановку автомобиля, по сигналу датчика уровня топлива определяют количество топлива, а результат измерения отражают на индикаторе (см., например, описание изобретения к заявке Японии №4-37364, кл. G01F 9/00, опубл. 1992).
Недостатком данного способа является его ограниченное применение, поскольку измерения осуществляют только на неподвижном автомобиле.
Известно устройство для измерения часового и удельного на единицу мощности и на единицу пройденного пути расхода топлива двигателя внутреннего сгорания, содержащее задатчик мощности, датчик момента, блок умножения, две схемы сравнения, пять схем И и задатчик оборотов, имеющее также электроклапан с блоком управления, аналого-цифровой преобразователь, блок автоматики, весовое устройство, датчик объема и датчик пройденного пути (см., например, описание изобретения к патенту РФ №2014569, кл. G01F 9/00, опубл. 1994).
Данное устройство может работать в виде стенда в стационарном режиме, имеет сложное конструктивное исполнение и не предназначено для обеспечения контроля параметров движущегося автомобиля.
Наиболее близким из известных по своей технической сущности и достигаемому результату является выбранный в качестве прототипа способ измерения количества топлива в топливном баке автомобиля, оснащенного инжекторным двигателем с электронным управлением и снабженного информационной системой, включающей в себя микро-ЭВМ, цифровой индикатор, датчик уровня топлива в топливном баке и датчик скорости, при котором на различных режимах нагрузки на двигатель измеряют текущий расход топлива (см., например, описание изобретения к патенту РФ №2163005, кл. G01F 9/00, опубл. 27.09.2000).
Недостатком такого решения является его ограниченная сфера применения, поскольку оно не позволяет определять изменение технического состояния двигателя по объему израсходованного топлива.
Сущность заявляемого изобретения выражается в совокупности существенных признаков, достаточных для достижения обеспечиваемого предлагаемым изобретением технического результата.
Технический результат от использования предложенного изобретения – повышение универсальности и точности измерений, а также расширение технологических возможностей за счет измерения количества топлива в топливном баке автомобилей, оснащенных иижекторными двигателями.
Указанный технический результат достигается тем, что в способе измерения количества топлива в топливном баке автомобиля, оснащенного инжекторным двигателем с электронным управлением и снабженного информационной системой, включающей в себя микро-ЭВМ, цифровой индикатор, датчик уровня топлива в топливном баке и датчик скорости, при котором на различных режимах нагрузки на двигатель измеряют текущий расход топлива, тарируют топливный бак на различных режимах нагрузки на двигатель по объему топлива, соответствующему положению датчика уровня, измеряют текущий расход топлива по производительности форсунки и времени ее открытия, вычисляют остаток топлива в топливном баке с использованием результатов измерения текущего расхода топлива и объема топлива, соответствующего положению датчика уровня в полностью заполненном топливном баке, сравнивают объем топлива, полученный при тарировке топливного бака, с измеренным остатком топлива в топливном баке, по отклонению этих объемов и по результату сравнения текущего значения времени цикловой подачи на холостых оборотах двигателя со значением времени цикловой подачи на холостых оборотах полностью разогретого двигателя судят о техническом состоянии топливной системы инжекторного двигателя.
Устройство для измерения количества топлива в баке автомобиля, оснащенного инжекторным двигателем, содержащее подключенные к микро-ЭВМ датчик скорости, датчик уровня топлива в топливном баке и цифровой индикатор, снабжено модулями измерения времени открытого состояния форсунки, пересчета времени открытого состояния форсунки в объем израсходованного топлива, вычисления текущих средних значений времени цикловой подачи, сравнения времени цикловой подачи и запоминания усредненного значения времени цикловой подачи на холостых оборотах двигателя, образующими канал обработки информации для обеспечения возможности измерения потребляемого расхода топлива инжекторным двигателем на различных режимах работы, в котором модуль измерения времени открытого состояния форсунки входом подключен к форсунке, а выходами – к модулю пересчета времени открытого состояния форсунки в объем израсходованного топлива и к модулю вычисления текущих средних значений времени цикловой подачи, который одним выходом подключен непосредственно к модулю сравнения времени цикловой подачи, а вторым выходом подключен к упомянутому модулю сравнения через модуль запоминания усредненного значения времени цикловой подачи на холостых оборотах двигателя, при этом устройство также снабжено модулями измерения напряжения, усреднения напряжения, тарировки топливного бака, измерения остатка топлива в топливном баке и сравнения объемов топлива, образующими дополнительный канал обработки информации, в котором датчик уровня топлива подключен к модулю измерения напряжения, соответствующему заданному уровню топлива, выходом подключенному к модулю усреднения напряжения, подключенному к модулю тарировки и к модулю измерения остатка топлива в баке, который подключен входами к модулю пересчета времени открытого состояния форсунки в объем израсходованного топлива и к модулю тарировки, а выходом – к модулю сравнения объемов расхода топлива, причем модуль пересчета времени открытого состояния форсунки в объем израсходованного топлива подключен к модулю тарировки, который подключен к модулю сравнения объемов расхода топлива, а модули сравнения времени цикловой подачи, измерения остатка топлива в баке и сравнения объемов расхода топлива подключены к цифровому индикатору.
Дополнительно к этому, датчик скорости через модуль пересчета импульсов подключен к модулю тарировки топливного бака, а само устройство снабжено звуковым индикатором, подключенным к микро-ЭВМ.
Предложенный способ и устройство для его осуществления связаны единым общим изобретательским замыслом и могут быть реализованы лишь совместно.
Сравнение заявленного технического решения с прототипом позволило установить соответствие его критерию «новизна», так как оно не известно из уровня техники.
Предложенный способ и устройство отвечают условиям патентоспособности «изобретательский уровень» и «промышленная применимость», поскольку они могут быть реализованы существующими техническими средствами и соответствуют критерию «изобретательский уровень», т.к. они явным образом не следуют из уровня техники, при этом из последнего не выявлено каких-либо преобразований, характеризуемых отличительными от прототипа существенными признаками, на достижение указанного технического результата.
Таким образом, предложенное техническое решение соответствует установленным условиям патентоспособности изобретения.
Других известных технических решений аналогичного назначения с подобными существенными признаками заявителем не обнаружено.
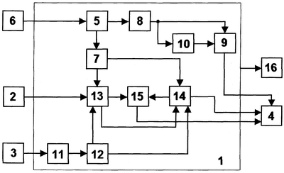
На чертеже представлена функциональная блок-схема устройства, реализующего предложенный способ.
Предложенный способ измерения количества топлива в топливном баке автомобиля, оснащенного инжекторным двигателем с электронным управлением и снабженного информационной системой, включающей в себя микро-ЭВМ, цифровой индикатор, датчик уровня топлива в топливном баке и датчик скорости, состоит в том, что на различных режимах нагрузки на двигатель измеряют текущий расход топлива. Далее тарируют топливный бак на различных режимах нагрузки на двигатель по объему топлива, соответствующему положению датчика уровня, измеряют текущий расход топлива по производительности форсунки и времени ее открытия, вычисляют остаток топлива в топливном баке с использованием результатов измерения текущего расхода топлива и объема топлива, соответствующего положению датчика уровня в полностью заполненном топливном баке, сравнивают объем топлива, полученный при тарировке топливного бака, с измеренным остатком топлива в топливном баке, по отклонению этих объемов и по результату сравнения текущего значения времени цикловой подачи на холостых оборотах двигателя со значением времени цикловой подачи на холостых оборотах полностью разогретого двигателя судят о техническом состоянии топливной системы инжекторного двигателя.
Устройство для измерения количества топлива в баке автомобиля, оснащенного инжекторным двигателем, содержит подключенные к микро-ЭВМ 1 датчик 2 скорости, датчик 3 уровня топлива в топливном баке и цифровой индикатор 4.
Устройство для измерения количества топлива в баке автомобиля снабжено модулями измерения времени открытого состояния форсунки, пересчета времени открытого состояния форсунки в объем израсходованного топлива, вычисления текущих средних значений времени цикловой подачи, сравнения времени цикловой подачи и запоминания усредненного значения времени цикловой подачи на холостых оборотах двигателя, образующими канал обработки информации для обеспечения возможности измерения потребляемого расхода топлива инжекторным двигателем на различных режимах работы, в котором модуль 5 измерения времени открытого состояния форсунки входом подключен к форсунке 6, а выходами – к модулю 7 пересчета времени открытого состояния форсунки в объем израсходованного топлива и к модулю 8 вычисления текущих средних значений времени цикловой подачи, который одним выходом подключен непосредственно к модулю 9 сравнения времени цикловой подачи, а вторым выходом модуль 8 подключен к упомянутому модулю 9 сравнения через модуль 10 запоминания усредненного значения времени цикловой подачи на холостых оборотах двигателя, при этом устройство снабжено модулями измерения напряжения, усреднения напряжения, тарировки топливного бака, измерения остатка топлива в баке и сравнения объемов расхода топлива, образующими дополнительный канал обработки информации для обеспечения универсальности и точности измерений расхода топлива инжекторного двигателя автомобиля на различных режимах работы, в котором датчик 3 уровня топлива подключен к модулю 11 измерения напряжения, соответствующему заданному уровню топлива, выходом подключенному к модулю 12 усреднения напряжения, подключенному к модулю 13 тарировки и к модулю 14 измерения остатка топлива в баке, который подключен входами к модулю 7 пересчета времени открытого состояния форсунки в объем израсходованного топлива и к модулю 13 тарировки, а выходом – к модулю 15 сравнения объемов расхода топлива, причем модуль 7 пересчета времени открытого состояния форсунки в объем израсходованного топлива подключен к модулю 13 тарировки, который подключен к модулю 15 сравнения объемов расхода топлива, а модуль 9 сравнения времени цикловой подачи, модуль 14 измерения остатка топлива в баке и модуль 15 сравнения объемов расхода топлива подключены к цифровому индикатору 4.
Дополнительно датчик 2 скорости подключен к модулю 13 тарировки топливного бака, а само устройство снабжено звуковым индикатором 16, подключенным к микро-ЭВМ 1.
Работу предложенного устройства и реализацию предложенного способа осуществляют следующим образом.
На вход модуля 5 измерения времени открытого состояния форсунки поступают электрические импульсы для открытия форсунки 6.
Результаты измерений поступают на модуль 8 вычисления текущих средних значений времени цикловой подачи и на модуль 7 пересчета времени открытого состояния форсунки.
Модуль 8 вычисления текущих средних значений времени цикловой подачи выполнен с возможностью выбора времени усреднения для того, чтобы сгладить нелинейность времени цикловой подачи топлива и показать ее отклонения с точностью в 1%. Результаты вычислений поступают на модуль 10 запоминания усредненного значения времени цикловой подачи и модуль 9 сравнения времени цикловой подачи.
Модуль 10 запоминания усредненного значения времени цикловой подачи, по команде пользователя, фиксирует усредненное время цикловой подачи топлива на холостых оборотах полностью разогретого двигателя и передает эту информацию на модуль 9 сравнения времени цикловой подачи, где это значение принимают за точку отсчета 0% и сравнивают с текущим усредненным значением, получаемым с модуля 8 вычисления текущих средних значений времени цикловой подачи. Возможные отклонения рассчитывают в процентах от усредненной абсолютной величины времени, принятой за точку отсчета. Результат этого вычисления отображают на цифровом индикаторе 4.
Модуль 7 пересчета времени открытого состояния форсунки в объем израсходованного топлива суммирует время импульсов, открывающих форсунку 6 и с заданным пользователем коэффициентом, соответствующим производительности данной форсунки, пересчитывает эту сумму в миллилитры израсходованного объема топлива. Результаты пересчета поступают на модуль 13 тарировки топливного бака, которые необходимы для тарировки топливного бака, и модуль 14 измерения остатка топлива в топливном баке, результат вычислений модуля 14 измерения остатка топлива в топливном баке отображается на цифровом индикаторе 4, что будет соответствовать объему топлива, находящемуся в топливном баке.
Информация об уровне топлива в топливном баке поступает с датчика 3 уровня топлива на вход модуля 11 измерения напряжения, с которого для уменьшения погрешности, вносимой колебаниями уровня топлива, эта информация поступает на модуль 12 усреднения напряжения. Усредненные значения напряжения передают на модуль 13 тарировки топливного бака и на модуль 14 измерения остатка топлива в баке, где полученные значения напряжений определяют точки, между которыми модулем 7 пересчета времени открытого состояния форсунки в объем израсходованного топлива вычисляется количество израсходованного топлива.
Тарировку топливного бака автомобиля производят по команде пользователя следующим образом: топливный бак заполняют полностью топливом и начинают движение автомобиля. Тарировка топливного бака начинается в тот момент, когда датчик 3 уровня топлива оторвется от крайнего положения, т.е. модуль 12 усреднения напряжения начнет изменять свои расчеты, тогда микропроцессор 1 посредством звукового индикатора 16 подает сигнал о начале тарировки. В этот момент пользователь вводит в память модуля 13 тарировки объем топлива, соответствующий данному положению датчика 3 уровня топлива, а дальнейшая тарировка топливного бака осуществляется в автоматическом режиме. Для получения наиболее корректных результатов тарировки топливного бака в память модуля 13 тарировки вводят точки напряжения, соответствующие положению датчика 3 уровня топлива и количество топлива между ними по расчетам модуля 7 только при остановках автомобиля, которые определяются модулем 13 тарировки по отсутствию импульсов на датчике скорости 2. Дискретность запоминаемых значений и их количество зависит от геометрической формы топливного бака и частоты остановок автомобиля.
С модуля 13 тарировки топливного бака на модуль 14 измерения остатка топлива в баке передают информацию о начальной точке отсчета, которая соответствует напряжению при крайнем положении датчика 3 уровня топлива в полностью заполненном баке и объему топлива, которому это положение соответствует, для вычисления остатка топлива в топливном баке.
На модуль 15 сравнения объемов расхода топлива поступает информация с модуля 13 тарировки топливного бака, полученная при тарировке топливного бака и с модуля 14 измерения остатка топлива в баке, где они сравниваются, а результат сравнения отображают на цифровом индикаторе 4 как отклонение от 0% (за 0% принимается объем топлива, измеренный при начальной тарировке).
Учитывая, что автомобильное топливо – легко испаряемая жидкость и ее объем в топливном баке может уменьшаться при длительных стоянках или оно просто может быть слито из топливного бака иным путем, то для получения наиболее корректных результатов сравнения сравнивают только объемы топлива, находящиеся между двумя, непосредственно расположенными рядом точками, соответствующими положению датчика 3 уровня топлива в баке и внесенными в память модуля 13 при тарировке бака, а сравнивание объемов предыдущего отрезка автоматически обнуляется.
Анализируя два параметра: расчеты модуля 9 (отклонение времени цикловой подачи на холостом ходу) и модуля 15 (отклонение текущих вычисленных значений количества топлива в топливном баке на отрезке между двумя рядом расположенными точками положения датчика 3 уровня топлива от полученных на этом же отрезке при тарировке топливного бака) судят об изменении технического состояния топливной системы автомобиля: нарушение ее герметичности, изменение давления топлива или об изменении производительности форсунки при ее закоксовке.
Для наглядности и упрощения процесса анализа оба параметра отображают на цифровом индикаторе 4 как отклонение от 0% в обе стороны (плюс или минус) с точностью в 1%.
Таким образом, использование заявленного изобретения расширяет технологические возможности за счет обеспечения измерения количества топлива в топливном баке автомобилей, оснащенных ижекторными двигателями с электронным управлением, а также повышает универсальность и точность проводимых измерений.
Формула изобретения
1. Способ измерения количества топлива в топливном баке автомобиля, оснащенного инжекторным двигателем с электронным управлением и снабженного информационной системой, включающей в себя микроЭВМ, цифровой индикатор, датчик уровня топлива в топливном баке и датчик скорости, при котором на различных режимах нагрузки на двигатель измеряют текущий расход топлива, отличающийся тем, что тарируют топливный бак на различных режимах нагрузки на двигатель по объему топлива, соответствующему положению датчика уровня, измеряют текущий расход топлива по производительности форсунки и времени ее открытия, вычисляют остаток топлива в топливном баке с использованием результатов измерения текущего расхода топлива и объема топлива, соответствующего положению датчика уровня в полностью заполненном топливном баке, сравнивают объем топлива, полученный при тарировке топливного бака, с измеренным остатком топлива в топливном баке, по отклонению этих объемов и по результату сравнения текущего значения времени цикловой подачи на холостых оборотах двигателя со значением времени цикловой подачи на холостых оборотах полностью разогретого двигателя судят о техническом состоянии топливной системы инжекторного двигателя.
2. Устройство для измерения количества топлива в баке автомобиля, оснащенного инжекторным двигателем, содержащее подключенные к микроЭВМ датчик скорости, датчик уровня топлива в топливном баке и цифровой индикатор, отличающееся тем, что оно снабжено модулями измерения времени открытого состояния форсунки, пересчета времени открытого состояния форсунки в объем израсходованного топлива, вычисления текущих средних значений времени цикловой подачи, сравнения времени цикловой подачи и запоминания усредненного значения времени цикловой подачи на холостых оборотах двигателя, образующими канал обработки информации для обеспечения возможности измерения потребляемого расхода топлива инжекторным двигателем на различных режимах работы, в котором модуль измерения времени открытого состояния форсунки входом подключен к форсунке, а выходами – к модулю пересчета времени открытого состояния форсунки в объем израсходованного топлива и к модулю вычисления текущих средних значений времени цикловой подачи, который одним выходом подключен непосредственно к модулю сравнения времени цикловой подачи, а вторым выходом подключен к упомянутому модулю сравнения через модуль запоминания усредненного значения времени цикловой подачи на холостых оборотах двигателя, устройство также снабжено модулями измерения напряжения, усреднения напряжения, тарировки топливного бака, измерения остатка топлива в топливном баке и сравнения объемов топлива, образующими дополнительный канал обработки информации, в котором датчик уровня топлива подключен к модулю измерения напряжения, соответствующему заданному уровню топлива, выходом подключенному к модулю усреднения напряжения, подключенному к модулю тарировки и к модулю измерения остатка топлива в баке, который подключен входами к модулю пересчета времени открытого состояния форсунки в объем израсходованного топлива и к модулю тарировки, а выходом – к модулю сравнения объемов расхода топлива, причем модуль пересчета времени открытого состояния форсунки в объем израсходованного топлива подключен к модулю тарировки, который подключен к модулю сравнения объемов расхода топлива, а модули сравнения времени цикловой подачи, измерения остатка топлива в топливном баке и сравнения объемов топлива подключены к цифровому индикатору.
3. Устройство по п.2, отличающееся тем, что датчик скорости подключен к модулю тарировки топливного бака.
4. Устройство по п.2, отличающееся тем, что оно снабжено звуковым индикатором, подключенным к микроЭВМ.
РИСУНКИ
|
|