|
|
(21), (22) Заявка: 2006100791/02, 10.01.2006
(24) Дата начала отсчета срока действия патента:
10.01.2006
(46) Опубликовано: 20.06.2007
(56) Список документов, цитированных в отчете о поиске:
RU 2057823 С1, 10.04.1996. SU 1358066 A1, 07.12.1987. SU 889748 A1, 15.12.1981. EP 0044794 A1, 27.01.1982. EP 0195142 A1, 24.09.1986.
Адрес для переписки:
660074, г.Красноярск, а/я 21535, А.И. Громыко
|
(72) Автор(ы):
Громыко Александр Иванович (RU), Радионов Максим Анатольевич (RU)
(73) Патентообладатель(и):
Громыко Александр Иванович (RU)
|
(54) УСТРОЙСТВО КОНТРОЛЯ ТЕХНОЛОГИЧЕСКИХ ПАРАМЕТРОВ АЛЮМИНИЕВЫХ ЭЛЕКТРОЛИЗЕРОВ
(57) Реферат:
Изобретение относится к области автоматизации процесса производства алюминия из криолит-глиноземных расплавов и может быть использовано для контроля и регулирования процесса электролиза, контроля величины обратной ЭДС, активного сопротивления, концентрации глинозема в электролите и межполюсного расстояния. Технический результат – повышение точности контроля активного сопротивления, обратной ЭДС, концентрации глинозема в электролите и межполюсного зазора (расстояния анод-катод) алюминиевого электролизера. Устройство содержит канал измерения падения напряжения на электролизере, канал измерения тока серии, управляющий вычислительный комплекс (УВК), шунт постоянного тока, индукционный датчик. Устройство измеряет падение напряжения на электролизере и величину тока серии постоянной и переменных составляющих на частотах 600 Гц, 1200 Гц и 2400 Гц. Выделение гармоник осуществляется цифровыми фильтрами. 1 ил.
Изобретение относится к области автоматизации процесса производства алюминия из криолит-глиноземных расплавов, более конкретно к автоматическому контролю величины обратной ЭДС, активного сопротивления, концентрации глинозема в электролите и межполюсного расстояния.
Перечисленные параметры используются в АСУ ТП электролиза алюминия или обслуживающим персоналом электролизного цеха для оценки технологического состояния электролизных ванн и выработки регулирующих воздействий.
Известен способ и устройство (А.С. СССР №1196418, кл. С25С 3/20, аналог, 1985) для реализации контроля и управления перечисленных выше параметров, включающий измерение постоянной и переменной составляющих падения напряжения на электролизере и силы тока серии и вычисление сопротивления электролизера. Измерения постоянной и переменной составляющих падения напряжения на электролизере и тока серии производят одновременно, причем измерения на переменном токе ведут на гармониках, кратных частоте 50 или 60 Гц, и по результатам измерений определяют величину обратной ЭДС по формуле

где Iс, Uэ – постоянные составляющие тока серии и напряжения на электролизере;
Rэ – активная составляющая сопротивления электролизера, равная , где R активная составляющая сопротивления электролизера, измеренная на частоте, кратной 50 (60) Гц; К – коэффициент, учитывающий изменение активного и индуктивного сопротивлений массивного проводника с ростом частоты.
Недостатком данного способа является значительная погрешность и нестабильность получаемых данных из-за ошибок в определении переменной составляющей тока серии на частотах, кратных 50 (60) Гц, нестабильность коэффициентов передачи и амплитудно-частотных характеристик избирательных усилителей, большое количество аналоговых каскадов, участвующих в преобразованиях информационных параметров.
Известен также «Способ контроля технологических параметров алюминиевых электролизеров» (Пат. РФ №2057823, Опубл. в Б.И. от 1996.04.10, устройство, реализующее способ, взято за прототип). Устройство состоит из двух каналов: канала измерения падений напряжения на участке анод-катод электролизера и канала измерения тока серии. В канале измерения падения напряжения на участке анод-катод электролизера входной коммутатор напряжения подключен входами к участкам анод-катод каждого электролизера, а выходами – к трем полосовым фильтрам и к автоматическому аттенюатору. Выходы полосовых фильтров через последовательно соединенные блоки усилителей, детекторов, преобразователей напряжение-частота, блоки гальванической развязки, преобразователи частота-напряжение, подключены к входам АЦП, выход которого подключен к управляющему вычислительному комплексу (УВК). Выход автоматического аттенюатора (канала измерения постоянной составляющей напряжения электролизера) подключен к входу АЦП через последовательно включенные блоки: преобразователя напряжение-частота, блок гальванической развязки и преобразователь частота-напряжение.
Аналогично, во втором канале измерения тока серии индукционный датчик подключен к входам полосовых фильтров, выходы которых соединены с входами АЦП, через последовательно включенные блоки: усилителей, детекторов, преобразователей напряжение-частота, гальванической развязки, преобразователей частота-напряжение. Выход шунта также соединен с входом АЦП через последовательно включенные блоки: преобразователя напряжение-частота, гальванической развязки и преобразователь частота-напряжение. Выход АЦП подключен к входу УВК.
Недостатком данного устройства, взятого за прототип, является значительная погрешность и нестабильность получаемых данных из-за ошибок в определении переменной составляющей тока серии на частотах, кратных 50 (60) Гц, нестабильность коэффициентов передачи и амплитудно-частотных характеристик избирательных усилителей, большое количество аналоговых каскадов, участвующих в преобразованиях информационных параметров.
Задачей изобретения является устранение указанных недостатков, а именно повышение точности контроля активного сопротивления, обратной ЭДС, концентрации глинозема в электролите и межполюсного зазора (расстояния анод-катод) алюминиевого электролизера.
Результатом решения поставленной задачи является устройство контроля технологических параметров алюминиевых электролизеров, в котором согласно изобретению в канале измерения падения напряжения автоматический аттенюатор подключен входами к участкам анод-катод электролизера, основной выход подключен параллельно к входу полосового фильтра и фильтра нижних частот, а дополнительный выход автоматического аттенюатора подключен к входу управления АЦП. Выходы полосового фильтра и ФНЧ через последовательно соединенные АЦП, элементы гальванической развязки подключены к коммутатору, выход которого соединен с входом УВК.
В канале измерения тока серии вход фильтра нижних частот подключен к шунту тока серии, а выход через последовательно соединенные АЦП, элемент гальванической развязки и коммутатор соединен с УВК. Вход полосового фильтра соединен с индукционным датчиком переменной составляющей тока серии, а выход через последовательно включенные АЦП, элемент гальванической развязки и коммутатор – к входу УВК. Выделение гармоник нужной частоты осуществляется цифровыми фильтрами, на которые подают реализации переменной составляющей тока серии и падения напряжения анод-катод электролизера.
Существенным отличием предлагаемого технического решения является то, что в канале измерения падения напряжения автоматический аттенюатор подключен входами к участкам анод-катод электролизера, а основной выход подключен к входам полосового фильтра и фильтра нижних частот, а дополнительный выход автоматического аттенюатора подключен к входу управления АЦП. Выходы полосового фильтра и ФНЧ через последовательно соединенные АЦП, элементы гальванической развязки подключены к коммутатору, выход которого соединен с входом УВК. Такое схемное решение позволяет значительно снизить погрешность падения напряжения на электролизере гармонических составляющих тока серии. Это достигается использованием одного канала для преобразования и усиления всех трех анализируемых гармоник.
Вторым существенным отличием является то, что в канале измерения тока серии вход фильтра нижних частот подключен к шунту тока серии, а выход через последовательно соединенные АЦП и элемент гальванической развязки соединен с УВК. Вход полосового фильтра соединен с датчиком переменной составляющей тока серии, а выход через последовательно включенные АЦП и элемент гальванической развязки – к входу УВК.
Третьим существенным отличием является то, что выделение гармоник нужной частоты осуществляется цифровыми фильтрами, на которые подают реализации тока серии и падения напряжения анод-катод. Это позволяет обеспечить идентичность коэффициентов передачи фильтров для обеих реализации (тока серии и падения напряжения на электролизере), что существенно снижает погрешность измерений.
Идентичность каналов первичной обработки информационных сигналов, тока серии и падения напряжения на электролизере, а также расположение первичных преобразователей (до элементов гальванической развязки включительно в непосредственной близости от точек подключения к объекту контроля) дает возможность устранить: нестабильность коэффициентов передачи и амплитудно-частотных характеристик избирательных усилителей, сократить количество аналоговых каскадов, участвующих в преобразованиях информационных параметров.
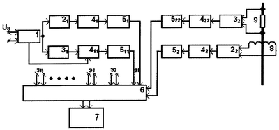
На чертеже приведена функциональная схема устройства контроля технологических параметров алюминиевых электролизеров.
На чертеже введены следующие обозначения: 1 – автоматический аттенюатор; 2 – полосовые фильтры; 3 – фильтры нижних частот (ФНЧ); 4 – аналого-цифровой преобразователь (АЦП); 5 – блок гальванической развязки; 6 – коммутатор; 7 – УВК; 8 – индукционный датчик силы тока гармоник тока серии; 9 – шунт для измерения постоянной составляющей тока серии.
Устройство состоит из двух каналов: канала измерения падений напряжения на участке анод-катод электролизера и канала измерения тока серии. В канале измерения падения напряжения на участке анод-катод электролизера автоматический аттенюатор 1 подключен входами к участкам анод-катод электролизера, а основным выходом – к полосовому фильтру 21 и ФНЧ 31. Выходы полосового фильтра и ФНЧ через последовательно соединенные АЦП 41, 411 и элементы гальванической развязки 51, 511 подключены к входам коммутатора 6, выход которого подключен к УВК 7. Дополнительный выход автоматического аттенюатора 1 подключен к управляющему входу АЦП 411.
Во втором канале измерения тока серии индукционный датчик 8 силы тока гармоник тока серии подключен к входу полосового фильтра 22, а вход ФНЧ 32 соединен с выходом шунта 9. Выход полосового фильтра 22 соединен через последовательно включенные АЦП 42 и элемент гальванической развязки 52 с входом коммутатора 6. Выход ФНЧ 32 также соединен с входом коммутатора 6 через последовательно включенные АЦП 422 и элемент гальванической развязки 522. Выход коммутатора 6 подключен к входу УВК 7.
Устройство работает следующим образом: сигнал, снимаемый с участка анод-катод электролизера, содержит постоянную и переменную составляющие падения напряжения на электролизере, поступает на вход автоматического аттенюатора 1, с выхода аттенюатора сигнал поступает на полосовой фильтр 21 с частотами среза 550-2500 Гц по уровню 3 дБ и фильтр нижних частот 31. С полосового фильтра 21 усиленный сигнал переменной составляющей поступает на вход АЦП 41 и через блок гальванической развязки 51 и коммутатор 6 поступает на УВК 7. С выхода фильтра нижних частот 31 сигнал постоянной составляющей поступает на вход АЦП 411 и через блок гальванической развязки 511 и коммутатор 6 поступает на УВК 7. Автоматический аттенюатор 1 имеет два дискретных коэффициента передачи сигналов 1 и 0.1. При переходе на уровень 0.1 на дополнительном выходе, соединенном с АЦП 411, вырабатывается сигнал Логическая единица.
Аналогично работает канал измерения тока серии. Сигнал, содержащий переменную составляющую тока серии, снимается с индукционного датчика 8 и поступает на вход полосового фильтра 22, частоты среза которого составляют 550-2500 Гц по уровню 3 дБ. Сигнал, пропорциональный постоянной составляющей тока серии, снимается с шунта 9 и поступает на вход фильтра нижних частот 32. С выхода полосового фильтра 22 усиленный сигнал переменной составляющей поступает на вход АЦП 42 и через блок гальванической развязки 52 и коммутатор 6 поступает на УВК 7. С выхода ФНЧ 32 сигнал поступает на вход АЦП 422 и через блок гальванической развязки 522 и коммутатор 6 поступает на УВК 7. Коммутатор 6 управляется УВК и подключает входы УВК к выходам блоков гальванической развязки 51 и 511 для получения сигналов с участка анод-катод выбранного электролизера и постоянной и переменной составляющих тока серии. После поступления сигналов в УВК реализуются алгоритмы цифровых фильтров (гребенчатого либо полосовых для каждой гармоники) для выделения из переменных составляющих сигналов тока серии и падения напряжения на участке катод-анод, гармоник частот 600, 1200, 2400 Гц. Продолжительность реализации выбирается достаточной для статистически достоверной оценки контролируемых параметров. Частоту дискретизации берут выше удвоенной частоты верхнего участка полосы пропускания фильтра на уровне подавления не менее 40 дБ. Фильтрация одной и той же реализации цифровыми фильтрами позволяет существенно снизить погрешность измерения, обусловленную разбросом параметров аналоговых и дискретных блоков, используемых в устройстве прототипа.
Величину обратной ЭДС находят по формуле:

где UЭ – постоянная составляющая падения напряжения на электролизере,
IC – постоянная составляющая тока серии,
R – активное сопротивление электролизера.
Активное сопротивление электролизера определяют из системы уравнений:
, при f1
, при f2
, при f3
где XL и ХС – индуктивная и емкостная составляющие комплексного сопротивления электролизера,
f1, f2, f3 – частоты, на которых производят измерение,
К – коэффициент, учитывающий изменение активного и индуктивного сопротивления массивного проводника с ростом частоты в связи с влиянием скин-эффекта.

где f – частота измерения,
f0 – частота, на которой влиянием скин-эффекта можно пренебречь.
Концентрацию глинозема определяют по следующему математическому выражению:

где n – концентрация глинозема в относительных единицах,
v – концентрация глинозема в процентах.
Для относительных единиц концентрации принята условная шкала n<0,5 – высокий уровень концентрации, 0,50,65 – критический уровень концентрации.
Расстояние между анодом-катодом определяют по следующему математическому выражению:

где k= h/ R;
R=R1-R2,
R1 – средняя величина активного сопротивления электролизера до перемещения анода,
R2 – средняя величина активного сопротивления электролизера после перемещения анода на расстояние h.
Таким образом, предложенное усовершенствование схемы устройства прототипа и использование цифровых фильтров для выделения гармоник нужной частоты решает поставленную задачу повышения точности контроля активного сопротивления, обратной ЭДС, концентрации глинозема в электролите и межполюсного зазора (расстояния анод-катод) алюминиевого электролизера.
Формула изобретения
Устройство контроля технологических параметров алюминиевых электролизеров, содержащее канал измерения падения напряжения на электролизере, канал измерения тока серии, управляющий вычислительный комплекс (УВК), шунт постоянного тока, индукционный датчик, аналого-цифровой преобразователь (АЦП), блок гальванической развязки, коммутатор, автоматический аттенюатор, отличающееся тем, что в канале измерения падения напряжения автоматический аттенюатор подключен входами к участкам анод – катод электролизера, основной выход подключен параллельно к входу полосового фильтра и фильтра нижних частот (ФНЧ), а дополнительный выход автоматического аттенюатора подключен к входу управления АЦП, выходы полосового фильтра и ФНЧ через последовательно соединенные АЦП, элементы гальванической развязки подключены к коммутатору, выход которого соединен с входом УВК, в канале измерения тока серии вход фильтра нижних частот подключен к шунту тока серии, а выход через последовательно соединенные АЦП, элемент гальванической развязки и коммутатор соединен с УВК, вход полосового фильтра соединен с индукционным датчиком переменной составляющей тока серии, а выход через последовательно включенные АЦП, элемент гальванической развязки и коммутатор к входу УВК, при этом УВК выполнен с возможностью выделения гармоник необходимой частоты цифровыми фильтрами при подаче реализации переменной составляющей тока серии и падения напряжения анод – катод электролизера.
РИСУНКИ
MM4A – Досрочное прекращение действия патента СССР или патента Российской Федерации на изобретение из-за неуплаты в установленный срок пошлины за поддержание патента в силе
Дата прекращения действия патента: 11.01.2008
Извещение опубликовано: 27.07.2009 БИ: 21/2009
|
|