|
|
(21), (22) Заявка: 2005131736/04, 02.04.2004
(24) Дата начала отсчета срока действия патента:
02.04.2004
(30) Конвенционный приоритет:
04.04.2003 (пп.1-19) DE 10315483.3
(43) Дата публикации заявки: 10.05.2006
(46) Опубликовано: 20.06.2007
(56) Список документов, цитированных в отчете о поиске:
US 6465047 B1, 15.10.2002. DE 1669311 A, 19.05.1971. RU 2102425 C1, 20.01.1998.
(85) Дата перевода заявки PCT на национальную фазу:
07.11.2005
(86) Заявка PCT:
EP 2004/003530 (02.04.2004)
(87) Публикация PCT:
WO 2004/087821 (14.10.2004)
Адрес для переписки:
191036, Санкт-Петербург, а/я 24, “НЕВИНПАТ”, пат.пов. А.В.Поликарпову
|
(72) Автор(ы):
БЕФУРТ Уве (DE), ХУММЕРТ Томас (DE), БИСТЕР Эрхард (DE), ЗАУЗЕНГ Харальд (DE), ШТЕХЕР Юрген (DE), ЗОРГ Виктор (DE), ЦЁЛЛЕР Хайке (DE), МАЦЕНАУЭР Рольф (CH)
(73) Патентообладатель(и):
ДОЙЧЕ АМФИБОЛИН-ВЕРКЕ ФОН РОБЕРТ МУРЬЯН ШТИФТУНГ УНД КО КГ (DE), ЙОТ ВАГНЕР ГМБХ (DE)
|
(54) КРАСКА НА ОСНОВЕ ПО МЕНЬШЕЙ МЕРЕ ОДНОЙ ПОЛИМЕРНОЙ ДИСПЕРСИИ И СПОСОБ ЕЕ НАНЕСЕНИЯ
(57) Реферат:
Краска для покрытия внутренних и наружных стен в строительстве. Краска содержит, мас.%: 2-20 полимерной дисперсии в расчете на твердый компонент, 2-35 пигментов, 5-60 наполнителей, имеющих размер частиц от 0,1 до 200 мкм, 0,1-3 загустителей, 0,1-2 диспергаторов, максимально 5 добавок, до 100. Вязкость дисперсии от 2,0 до 5·102 мПа·с при скорости сдвига 30000 с-1 с помощью капиллярного реометра. Краску через диафрагменный насос и гибкий трубопровод через распылитель с температурой 27-40°С и соплом в форме двух щелевидных отверстий форсунки, расположенных в ряд, распыляют под давлением 55-135 бар. Нанесение краски способом безвоздушного распыления не приводит к образованию тумана. 3 н. и 16 з.п. ф-лы, 5 ил., 2 табл.
Краски на основе по меньшей мере одной полимерной дисперсии, включающие дисперсию пластмасс, пигменты и наполнители, являются широко используемыми системами покрытий в данной области техники для нанесения покрытий на основы всех типов, особенно на внутренние и наружные стены в строительной промышленности. Основные свойства дисперсии, а также готовых изделий, получаемых из нее, преимущественно определяются соответствующим полимером. До сих пор такие дисперсионные краски обычно наносили на основы приспособлениями для нанесения, которые сами по себе хорошо известны, такими как валики или кисти. Нанесение таких дисперсионных красок посредством распылителя также известно в технике.
Было обнаружено, что при нанесении дисперсионных красок с помощью распылителя проблемы при нанесении вызывает, в особенности, туман, который при этом образуется в форме мелких капель. Во-первых, образовавшийся туман приводит к тому, что становится невозможным получить точное покрытие, т.е. невозможно нанести покрытия, которые образуют четко определенный рисунок при распылении, и во-вторых, возникающий при этом туман также приводит к проблемам со здоровьем, так как мелкодисперсные туманы, которые появляются при обычных способах распыления с использованием известных дисперсионных красок и которые имеют размеры <15 мкм наносят вред здоровью использующих их людей.
Исходя из этого задачей настоящего изобретения является создание краски на основе по меньшей мере одной полимерной дисперсии, обеспечивающей возможность нанесения этой краски с использованием распылителя способом, который, насколько это возможно, не приводит к образованию тумана. Одновременно задачей настоящего изобретения является обеспечение подходящего способа.
Указанная задача в отношении краски решается с помощью отличительных признаков п.1 формулы изобретения, а в отношении способа нанесения – отличительных признаков п.11 формулы изобретения. В зависимых пунктах приведены предпочтительные варианты их развития.
Краска согласно изобретению, в дальнейшем называемая «дисперсионной краской», соответственно включает полимерную дисперсию, пигменты, наполнители, загуститель, диспергирующие и другие добавки, причем вязкость этой дисперсионной краски составляет от 2,0 до 5·102 мПа/с. Вязкость измеряли при скорости сдвига 30000 с-1, используя капиллярный реометр. Такой способ определения вязкости описывается, например, в R.W. Whorlov: Rheological Techniques, Published Elis Horwood, New York, 1992.
Согласно настоящему изобретению существенным для дисперсионной краски является соблюдение интервала вязкости, приведенного в п.1 формулы изобретения. Обнаружено, что только дисперсионная краска, имеющая такой состав и такую вязкость, при нанесении с использованием распылителя приводит к образованию капель, размер которых не меньше специфического минимального размера, и это дает заданную форму распыления. Более того, краска согласно изобретению имеет то преимущество, что с ее помощью в наибольшей степени предотвращается дыхание в распыленном тумане.
В случае дисперсионной краски согласно изобретению необходимо обеспечить соблюдение состава полимерной дисперсии, приведенного в п.1 формулы изобретения. Согласно настоящему изобретению для состава краски обеспечивают 2-20 мас.% полимерной дисперсии, в расчете на твердый компонент, 2-35 мас.% пигментов, 5-60 мас.% наполнителей, имеющих диаметр частиц от 0,1 до 200 мкм, 0,1-3 мас.% загустителей, 0,1-2 мас.% диспергирующих агентов и максимум до 5 мас.% добавок. В экспериментах заявитель имел возможность продемонстрировать, что особенно предпочтительно, чтобы величина вязкости находилась в пределах от 3,5 до 5·102 мПа/с.
С точки зрения материала для дисперсионной краски согласно изобретению предпочтительно, чтобы полимерная дисперсия была выбрана из полимеров, построенных из специфических мономеров. Подходящими мономерами являются, например, виниловые сложные эфиры карбоновой кислоты, имеющие от 3 до 20 атомов углерода, особенно винилацетат, винилпропионат, и виниловые сложные эфиры карбоновой кислоты, имеющие от 9 до 11 атомов углерода в остатке карбоновой кислоты, а также N-винилпирролидон и его производные, этиленненасыщенные карбоновые кислоты, их сложные эфиры, амиды или ангидриды, а также -олефины, особенно этилен и пропилен, и акрилонитрил. Особенно предпочтительным является использование этиленненасыщенных карбоновых кислот, особенно акриловой кислоты и метакриловой кислоты, а также использование этиленненасыщенных сложных эфиров карбоновых кислот, особенно сложных эфиров акриловой и метакриловой кислот, имеющих от 1 до 12 атомов углерода в спиртовом остатке. Спиртовой остаток сложных эфиров может включать линейные или разветвленные алкильные цепи, циклоалифатические или ароматические группы, которые могут быть дополнительно модифицированы гидроксильными группами, атомами галогенов или эпоксидными группами. Использование стирола и его производных также является особенно предпочтительным.
Здесь в качестве пигментов можно фактически использовать пигменты, известные из уровня техники. Примерами их служат диоксид титана, оксид железа, оксид хрома, кобальтовый синий, фталоцианиновые пигменты, шпинельные пигменты и титанаты никеля и хрома. Также можно использовать органические пигменты, такие как азоидные пигменты, хинакридоновые пигменты и/или диоксазиновые пигменты. Установлено, что особенно предпочтительным является использование в качестве пигмента диоксида титана. В качестве наполнителей можно рассматривать силикаты, карбонаты, флюорит, сульфаты и оксиды. Наиболее предпочтительными наполнителями являются каолин, слюда, тальк и карбонат кальция. Также предпочтительно, чтобы вышеперечисленные наполнители использовали в виде смеси. Установлено, что особенно преимущественными являются наполнители, которые имеют диаметр от 0,1 до 200 мкм, более предпочтительно от 0,1 до 100 мкм. Очевидно, что выбор размера частиц наполнителей также важен для регулирования вязкости. Здесь также можно использовать бимодальное распределение частиц по размерам в дополнение к унимодальному распределению.
Другой предпочтительный вариант регулирования вязкости краски согласно изобретению заключается в том, что поверхности частиц наполнителя являются функционализированными. Под «функционализированными частицами наполнителя» согласно настоящему изобретению понимают частицы, с поверхностью которых связаны функциональные группы как через ковалентные связи, так и путем простых взаимодействий. Также можно использовать частицы, подвергнутые последующей обработке, например, нанесением водоотталкивающего покрытия. Функционализация частиц наполнителя и применение таких модифицированных частиц известны и описаны, например, в DE 19924644, WO 03/0872236, ЕР 0943664, WO 02/013156. Такая модификация, заключающаяся в присоединении к частице функциональных групп, приводит к изменению поверхностных свойств, например придает частицам гидрофобность или гидрофильность, способствует регулированию вязкости, например, красок.
Кроме того, в краске согласно изобретению существенным является то, что используют загуститель. Согласно настоящему изобретению, загуститель используют в количестве от 0,1 до 3 мас.%. С точки зрения материала, в частности, в качестве загустителей здесь можно использовать все известные в технике поликарбоксилатные загустители. В качестве примеров таких загустителей можно указать поликарбоксилаты, уретановые загустители, полисахариды и простые эфиры целлюлозы.
Дисперсионная краска согласно изобретению может, естественно, как уже известно в технике, содержать добавки в количестве до 5 мас.%. Примерами таких добавок являются диспергаторы, стабилизаторы, пеногасители, консерванты и/или гидрофобизаторы.
Здесь существенным является то, что дисперсионная краска, как описано выше, превосходно подходит для нанесения способом распыления. Согласно настоящему изобретению операция такова, что дисперсионную краску направляют из резервуара, предпочтительно контейнера для краски, через устройство для транспортировки и соединительную линию в безвоздушный распылитель. Здесь важно, что давление распыления, которое при этом устанавливают, измеренное в распылителе, составляет 50-135 бар (5-13,5 МПа), предпочтительно 70-80 бар (7-8 МПа). Таким образом, благоприятное влияние явно оказывается на все количественные характеристики, которые необходимы для распыления, такие как диаметр сопла d, ламинарная толщина l, средняя скорость выхода u, вязкость v, так же как и поверхностное натяжение и плотность . Таким образом, при использовании способа согласно настоящему изобретению образуются капли в среднем большего размера по сравнению с уже известными способами безвоздушного распыления и обеспечивается очень высокий уровень эффективности нанесения, до 99%.
В способе согласно изобретению является преимуществом, если в качестве транспортирующего устройства используют диафрагменный насос. Установлено также преимущество того, что соединительную линию, например, в виде гибкого трубопровода можно нагревать. Таким способом можно гарантировать, что дисперсионную краску можно направлять из резервуара, то есть из контейнера для краски, с помощью устройства для транспортировки в устройство для распыления по существу независимо от температуры окружающей среды. Здесь преимуществом является, если температуру устанавливают в интервале между 27 и 40°С, в особенности между 30 и 38°С. Процессом необходимо управлять таким образом, чтобы в распылителе были достигнуты вышеуказанные температуры. Это обеспечивает, как объясняется выше, сохранение выдающихся свойств дисперсионной краски.
Особенно удивительным здесь является то, что несмотря на высокое давление, используемое в этом способе, и температуру, положительные физические свойства, то есть, в частности, высокая вязкость, по существу не ухудшаются.
Установлено, что дополнительным преимущественным фактором является использование безвоздушного распылителя, оснащенного двойным соплом. Размещение конструкции с двойными соплами здесь следует выбирать так, чтобы распылительные форсунки пересекались в продольном направлении. С этой целью двойные сопла в форме двух щелевидных отверстий форсунки, расположенных в ряд, считаются особенно преимущественными.
Более того, изобретение относится к использованию вышеописанной дисперсионной краски для нанесения краски способом безвоздушного распыления.
Ниже изобретение поясняют более подробно при помощи исходного состава и фиг.1-5.
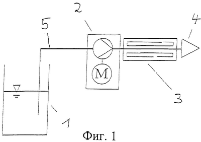
Здесь на фиг.1 показана схематическая конструкция устройства для осуществления способа согласно изобретению.
На фиг.2 представлено сравнение между краской согласно изобретению и краской известного уровня техники в отношении среднего размера капель.
На фиг.3 показана вязкость краски согласно изобретению при двух стадиях разбавления краской известного уровня техники в заданном интервале уровня сдвига.
На фиг.4 вновь показано сравнение между краской известного уровня техники и краской согласно изобретению в отношении объемного распределения образовавшихся капель и числа капель.
На фиг.5 показана оценка формы распыления краски согласно изобретению и краски известного уровня техники.
В таблице 1 представлен исходный состав краски согласно изобретению, которую в дальнейшем называют NESPRI.
Таблица 1
| NESPRI исходный состав |
| |
|
мас.% |
| Связующие агенты |
|
12 |
| |
акриловая смола в дисперсии |
|
| |
силиконовая смола в дисперсии |
|
| Пигменты |
|
|
| |
диоксид титана |
12 |
| Наполнители |
|
41 |
| |
каолин |
|
| |
слюда |
|
| |
тальк |
|
| |
карбонаты кальция |
|
| Диспергаторы |
|
0,4 |
| |
поликарбоксилаты |
|
| Загустители |
|
0,4 |
| |
поликарбоксилаты |
|
| Добавки |
|
1,6 |
| Консерванты |
|
0,1 |
| |
вода |
32,5 |
Примеры составов краски стандартного образца и красок NESPRI6-10% и NESPRI6-5% по изобретению приведены в таблице 2.
| Таблица 2 |
| Компоненты, мас.% |
Стандартный образец |
NESPRI6-10% |
NESPRI6-5% |
| Вода |
28,90 |
31,10 |
29,10 |
| Вязкостные добавки |
1,10 |
0,80 |
0,60 |
| Связующие |
11 |
14 |
10 |
| Дисперсия силиконовой смолы |
0,60 |
1,10 |
8 |
| Диоксид титана |
10 |
7,50 |
11 |
| Тальковая смесь |
13 |
9 |
9 |
| Каолин |
10 |
9 |
9 |
| Карбонатно-кальциевая смесь |
22 |
15 |
21 |
| Функционализированный карбонат кальция (гидрофобизированный) |
0 |
10 |
0 |
| Добавки |
3,40 |
2,50 |
2,30 |
Ниже приведен размер среднего диаметра частиц применяемого наполнителя.
| |
| Средний диаметр частиц D50 (для смесей дискретных фракций наполнителя) |
| 0,3-45 мкм |
На фиг.1 схематично показана конструкция устройства для выполнения способа согласно изобретению. Устройство включает резервуар, обозначенный 1, в виде контейнера для краски. Здесь дисперсионную краску транспортируют из емкости 1 через линию подачи 5 с помощью диафрагменного насоса в качестве устройства для транспортировки краски. Существенным для способа согласно изобретению является то, что краску, взятую из контейнера для краски 1 с помощью диафрагменного насоса, направляют через соединительную линию 3 в безвоздушный распылитель 4, причем соединительная линия 3 изготовлена в форме нагреваемого гибкого трубопровода. Это можно символически изобразить с помощью структур, показанных на фиг.3. В способе согласно изобретению существенным является то, что процессом управляют таким образом, чтобы установить давление распыления, измеренное в распылителе 4, на уровне 55-135 бар (5,5-13,5 МПа), предпочтительно 70-80 бар (7-8 МПа). Также важным является то, что для обеспечения физических свойств температуру краски в соединительной линии 3, т.е. в гибком трубопроводе, регулируют так, чтобы рабочее давление и температура окружающей среды не оказывало существенного воздействия на интервал вязкости. С этой целью необходимо осуществлять предварительный нагрев с условием, чтобы температура, измеренная в безвоздушном распылителе, находилась в интервале от 27 до 40°С, особенно предпочтительно от 30 до 38°С. До тех пор, пока поддерживают эти условия, образуются капли оптимального размера. Также существенным для безвоздушного распылителя 4 является то, что он имеет двойное сопло. Геометрию и размещение двойного сопла здесь нужно выбирать так, чтобы распыляемые струи пересекались в продольном направлении. Доказано преимущество такого варианта, когда двойное сопло конструируют в форме двух щелевидных отверстий форсунки, расположенных в ряд.
На фиг.2 представлено сравнение среднего размера Dv10 краски NESPRI6 согласно изобретению с краской, известной из уровня техники. Как показано на фиг.2, краска согласно изобретению при всех испытанных давлениях, 55, 75 и 135 бар (5,5, 7,5 и 13,5 МПа), несомненно превосходит известные краски в отношении среднего значения Dv10. Среднее значение Dv10 здесь означает, что 10% общего объема присутствует в виде капель, которые меньше или равны данному значению. Краски согласно настоящему изобретению показывают более высокие средние значения Dv10 по сравнению с известными красками, что демонстрирует значительное снижение мелкодисперсных компонентов. Размер капель приведен в мкм (0-80).
На фиг.3 показано сравнение краски NESPRI6 согласно изобретению при двух разбавлениях, а именно при 10 и 5%, снова краской, известной из уровня техники, в отношении сдвиговой вязкости как функции заданного интервала уровня сдвига. Как ясно видно из этого графика, краска согласно изобретению имеет значительно более высокую вязкость в интервале скорости сдвига между 1 Е0,4 и 1,5 Е0,5. Это оказывает положительное воздействие на способ распыления, описанный выше.
На фиг.4 показано распределение по объему краски NESPRI6 и краски, известной из уровня техники (график 4а), а также число капель для тех же двух упомянутых выше красок (график 4b). Определение Dv10 и Dv50 соответствует определенному, приведенному для фиг.1, причем число капель изображено на фиг.4b.
На фиг.5 показана оценка формы распыла в отношении избытка краски при распылении. Здесь оценивали не капли, а форму распыла, образуемую при распылении. Здесь на фиг.5 показаны превосходящие свойства краски согласно изобретению, когда ее наносят с помощью заявленного способа. Изображенный на фиг.5а график показывает форму распыла с использованием краски, известной из уровня техники. Из графика можно определить как число брызг, оцениваемых по форме распыла, так и их расположение от воображаемой нулевой линии и радиуса. Из фиг.5а становится ясно, что краски, известные из уровня техники, образуют избыток при распылении посредством очень маленьких пятнышек краски, которые по существу имеют размер между 20 и 40 мкм. Удивительно, что с краской согласно изобретению теперь возможно устранить этот распыляемый избыток практически полностью. Как из графика, так и из приведенного выше него изображения формы распыла становится ясным, что с помощью краски согласно изобретению в сочетании со способом нанесения достигают практически полного устранения избыточного распыления.
Из фиг.4а можно ясно видеть, что диаметр капель, которые образуются согласно изобретению, значительно больше при одинаковых условиях испытаний, чем диаметр, которого достигают с краской известного уровня техники. Разница еще более отчетлива, если принимать во внимание число капель, как можно видеть на фиг.4b. Из этого вытекает тот факт, что с краской согласно изобретению, в данном примере NESPRI6, образование тумана понижается на величину до 85%.
Формула изобретения
1. Краска на основе по меньшей мере одной полимерной дисперсии, содержащая пигменты, наполнители, загустители, диспергаторы, добавки и воду, отличающаяся тем, что она содержит:
а) 2-20 мас.% полимерной дисперсии в расчете на твердый компонент;
б) 2-35 мас.% пигментов;
в) 5-60 мас.% наполнителей, имеющих размер частиц от 0,1 до 200 мкм;
г) 0,1 -3 мас.% загустителей;
д) 0,1-2 мас.% диспергаторов и
е) максимально 5 мас.% добавок и воды до 100%,
при условии, что дисперсия имеет вязкость от 2,0 до 5·102 мПа·с,
причем вязкость определяется при скорости сдвига 30000 с-1 с помощью капиллярного реометра.
2. Краска по п.1, отличающаяся тем, что вязкость находится в интервале от 3,5 до 5,0·102 мПа·c.
3. Краска по п.1 или 2, отличающаяся тем, что полимерная дисперсия выбрана из полимеров, полученных из мономеров, представляющих собой виниловые сложные эфиры карбоновой кислоты, имеющие 3-20 атомов углерода, N-винилпирролидон, этиленненасыщенные карбоновые кислоты, их сложные эфиры, амиды или ангидриды, стирол или его производные и/или -олефины.
4. Краска по п.3, отличающаяся тем, что она является дисперсией полистиролакрилата, акриловой смолы и/или силиконовой смолы.
5. Краска по п.1, отличающаяся тем, что пигменты выбраны из диоксида титана, оксида железа, оксида хрома, синего кобальта, фталоцианиновых пигментов, пигментов шпинели, а также титанатов хрома и никеля, азоидных пигментов, хинакридоновых пигментов и/или диоксазиновых пигментов.
6. Краска по п.5, отличающаяся тем, что пигментом является диоксид титана.
7. Краска по п.1, отличающаяся тем, что наполнители имеют диаметр между 0,1 и 100 мкм и выбраны из силикатов, карбонатов, флюорита, сульфатов и оксидов.
8. Краска по п.1, отличающаяся тем, что поверхность наполнителей является функционализированной.
9. Краска по п.1, отличающаяся тем, что загуститель выбран из поликарбоксилатов, уретановых загустителей, полисахаридов и/или простых эфиров целлюлозы.
10. Краска по п.1, отличающаяся тем, что добавками являются диспергаторы, стабилизаторы, пеногасящие агенты, консерванты и/или гидрофобные агенты.
11. Способ нанесения краски согласно по меньшей мере одному из пп.1-10 с использованием процесса распыления, характеризующийся тем, что краску направляют из резервуара через устройство для транспортировки и соединительную линию в безвоздушный распылитель при температуре краски в распылителе 27-40°С и распыляют под давлением распыления 55-135 бар, измеренном в распылителе.
12. Способ по п.11, отличающийся тем, что давление составляет 70-80 бар.
13. Способ по п.12, отличающийся тем, что в качестве устройства для транспортировки используют диафрагменный насос.
14. Способ по п.12 или 13, отличающийся тем, что в качестве соединительной линии используют гибкий трубопровод с регулируемой температурой.
15. Способ по п.14, отличающийся тем, что температуру регулируют таким образом, что краска в распылителе имеет температуру 30-38°С.
16. Способ по п.11, отличающийся тем, что безвоздушный распылитель снабжен двойным соплом.
17. Способ по п.16, отличающийся тем, что двойное сопло конструируют в форме двух щелевидных отверстий форсунки, расположенных друг около друга предпочтительно в ряд.
18. Способ по п.16 или 17, отличающийся тем, что расположение и конструкцию двойных сопел выбирают так, чтобы распыляемые струи пересекались в продольном направлении.
19. Применение краски согласно по меньшей мере одному из пп.1-10 для нанесения способом безвоздушного распыления.
РИСУНКИ
|
|