|
|
(21), (22) Заявка: 2005135181/11, 14.11.2005
(24) Дата начала отсчета срока действия патента:
14.11.2005
(46) Опубликовано: 20.06.2007
(56) Список документов, цитированных в отчете о поиске:
RU 2248914 C1, 27.03.2005. RU 2240953 C1, 27.11.2004. RU 2224279 C1, 20.02.2004. RU 2211172 C1, 27.08.2003. US 3927635 A, 23.12.1975.
Адрес для переписки:
117997, Москва, В-342, ГСП-7, ул. Профсоюзная, 65, ИПУ, патентный отдел
|
(72) Автор(ы):
Острецов Генрих Эразмович (RU), Белогорцева Марина Викторовна (RU), Клячко Лев Михайлович (RU)
(73) Патентообладатель(и):
Институт проблем управления им. В.А. Трапезникова РАН (RU)
|
(54) СИСТЕМА АВТОМАТИЧЕСКОГО УПРАВЛЕНИЯ ДВИЖЕНИЕМ СУДНА
(57) Реферат:
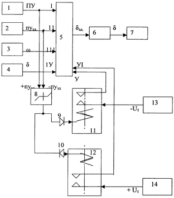
Изобретение относится к области судовождения, в частности к управлению движением кораблей и морских судов. Система содержит датчик (1) и задатчик (2) путевого угла, датчик угловой скорости (3) и датчик угла (4) перекладки руля, выходы которых подключены к входам сумматора-усилителя (5), выход которого соединен со входом рулевого привода (6). Система дополнена блоком с зоной нечувствительности (8), первым и вторым диодами, первым и вторым электромагнитными реле, первым (13) и вторым (14) блоками уставок. Выходы датчика путевого угла и задатчика путевого угла подключены к входам блока с зоной нечувствительности, выход которого через первый диод соединен с обмоткой управления первого реле, нормально разомкнутая контактная группа которого соединяет вход сумматора-усилителя с выходом первого блока уставки. Вход сумматора-усилителя через нормально разомкнутую контактную группу второго реле соединен с выходом второго блока уставки, а вход обмотки управления второго реле через второй диод соединен с выходом блока с зоной нечувствительности. Изобретение обеспечивает эффективную работу системы управления во всем диапазоне изменения углов курса (путевых углов). 1 ил.
Изобретение относится к области судостроения и предназначено для управления движением корабля. Известна система управления движением корабля в пространстве («Результаты создания и испытаний системы управления движением скоростного катера типа «Мираж». Сборник трудов XXXI Всероссийской конференции «Управление движением морскими судами и специальными аппаратами». Изд. ИПУ РАН. Москва, 2004), в которой для автоматического управления движением судна используют приемник СНС в качестве датчика текущего путевого угла в диапазоне 0-360° и задатчик путевого угла, работающий также в диапазоне 0-360°. При формировании закона автоматического управления движением судна вблизи 360-0° наблюдаются сбои в автоматическом управлении.
Известна также система автоматического управления движением корабля, принятая нами в качестве прототипа (патент России №2248914), содержащая датчик и задатчик курса, датчик угловой скорости, датчик положения руля, выходы которых подсоединены к входам сумматора-усилителя, выход которого соединен со входом рулевого привода. При использовании датчиков угла курса (путевого угла) и задатчика курса, работающих в диапазоне 0-360°, возникает сбой автоматического управления движением судна (при переходе судна, а следовательно, и датчика угла курса с 360° к углам, близким к нулевым значениям (при этом задатчик угла курса остается в области, близкой к 360°).
Задачей предлагаемого изобретения является создание системы управления движением судна, лишенного отмеченного выше недостатка, с обеспечением эффективной (без сбоев) работы системы во всем диапазоне изменения углов курса (путевых углов).
Рассмотрим причину появления сбоев в автоматической системе стабилизации заданного путевого угла с типовым законом управления движением судна (патент России №2248914):

где d/dt зд – заданная скорость перекладки руля,
ПУ=(ПУ-ПУзд) – сигнал рассогласования по путевому углу,
– сигнал угловой скорости судна,
– угол перекладки руля,
K1, К2, K3 – коэффициенты регулирования.
Пусть судно автоматически движется в области малых путевых углов ПУзд=3°, при этом от внешнего возмущения судно перешло через ПУ=0° и вошло в область больших значения путевого угла (ПУ вблизи 360°), тогда, в соответствии с зависимостью (1), на вход рулевого привода поступит сигнал d/dt зд положительного знака. Руль переложится также в положительном направлении, что приведет к дальнейшему увеличению ухода судна относительно заданного направления ПУзд=3°. Для устранения произошедшего сбоя необходимо вернуть судно на ПУ=ПУзд=3° вручную. Существенно отметить, что до перехода судна через ПУ=360° с ПУ=3° при уменьшении значения путевого угла, ПУ=2°…, 1°, сигнал d/dt зд, в соответствии зависимостью (1), был отрицательного знака, т.е. при рыскании судна в сторону уменьшения текущего путевого угла в соответствии с зависимостью (1) отрицательный знак сигнала d/dt зд приводит к отклонению руля в отрицательном направлении, противодействуя тем самым отклонению судна от возмущающего воздействия и стремясь возвратить судно к заданному значению путевого угла, но при переходе судна через нулевое значение ПУ в область больших значений «2 » ПУ (вследствие действия возмущения) знак сигнал d/dt зд в зависимости (1) изменится на обратный, и руль начинает отклоняться в положительном (обратном) направлении, и угол рассогласования по путевому углу начнет увеличиваться.
Устранить сбой в работе системы можно, если в зависимость (1) в момент перехода путевого угла из области малых значений в диапазон значений путевого угла, близких «+2 », ввести уставку «-2 »:

В этом случае знак сигнала d/dt зд не изменится при переходе судна через ПУ=0° в область ПУ, близких к «+2 », и останется отрицательным, заставляя тем самым судно вернуться к заданным малым значениям путевого угла. При обратном переходе судном нулевого значения путевого угла уставку -2 необходимо исключить из закона управления, т.е. заменить зависимость (1а) зависимостью (1).
При использовании закона управления (1) сбой может произойти также при движении судна с тем же путевым углом ПУ=3° при полном штиле, но если судоводитель начал вводить новое значение путевого угла, ПУзд, близкое к области 2 , для устранения такого сбоя вместо закона управления (1) следует ввести уставку «+2 » в зависимость (1):

Аналогично при стабилизации движения судна на путевых углах, близких к 2 , при отклонении судна или задатчика путевого угла через нулевое значение путевого угла в область малых путевых углов происходит сбой в системе управления, для устранения происходящих при этом сбоев системы автоматического управления необходимо в закон управления (1) вводить описанные выше уставки.
Для достижения поставленной цели (исключения сбоев в системе при движении судна с путевым углом вблизи нулевых или вблизи значений 2 ) известная система управления движением судна дополняется блоком с зоной нечувствительности, двумя диодами, двумя электромагнитными реле и двумя блоками уставок.
Заявляемая система управления движением судна, содержащая датчик и задатчик путевого угла, датчик угловой скорости и датчик угла перекладки руля, выходы которых подключены соответственно к первому-четвертому входам сумматора-усилителя, выход которого соединен с входом рулевого привода, дополнена блоком с зоной нечувствительности, первым и вторым диодами, двумя электромагнитными реле и двумя блоками уставок. Выходы датчика путевого угла и задатчика путевого угла подключены к входам блока с зоной нечувствительности, выход которого через первый диод соединен с обмоткой управления первого электромагнитного реле, а также через второй диод соединен с обмоткой управления второго электромагнитного реле, нормально разомкнутый контакт которого соединяет шестой вход сумматора-усилителя с выходом второго блока уставки. Пятый вход сумматора-усилителя через нормально разомкнутую контактную группу первого электромагнитного реле соединен с выходом первого блока уставки.
На чертеже приведена функциональная схема системы управления движением судна, содержащая датчик и задатчик путевого угла 1, 2, датчик угловой скорости 3, датчик угла перекладки руля 4, сумматор-усилитель 5, рулевой привод 6, судно 7, блок с зоной нечувствительности 8, первый и второй диоды 9, 10, первое и второе электромагнитное реле 11, 12, первый и второй блоки уставок 13, 14.
При реализации системы управления движением судна в качестве датчика путевого угла 1 может использоваться приемник спутниковой навигационной системы, в качестве задатчика путевого угла 2 может использоваться типовой преобразователь «вал-цифра» с индикатором, датчик угловой скорости 3 судна должен обладать чувствительностью не хуже 0,03°/сек, датчик угла перекладки руля 4 – цифровой преобразователь «вал-цифра» с чувствительностью не ниже 0,5°, сумматор-усилитель 5 (при реализации в аналоговом варианте) – это может быть микросхема типа 140 УД-6, специальных требований к судовому рулевому приводу 6 не предъявляется, блок с зоной нечувствительности 8 может быть реализован на микросхеме типа 140 УД 6 с зоной нечувствительности на входе -/+ , к диодам 9, 10 и электромагнитным реле 11, 12 специальных требований нет, блоки уставок 13, 14 – двухполярные источники постоянных напряжений, соответствующие сигналу ПУ=-/+2 .
Описание работы системы управления движением судна.
Система предназначена для автоматического управления движением судна по заданному судоводителем путевому углу ПУзд и для выполнения заданных судоводителем градусных поправок к текущему курсу судна.
Рассмотрим, как осуществляется автоматическая стабилизация путевого угла при движении судна вблизи нулевых (малых) значений ПУзд. Автоматическое удержание судна на заданном путевом угле осуществляется благодаря использованию приведенного выше закона управления рулевым приводом (1), дополненного условием |(ПУ-ПУзд)|< :

Вырабатываемый датчиком 1 сигнал текущего путевого угла ПУ поступает на первый вход сумматора-усилителя 5, на второй вход которого поступает сигнал заданного значения путевого угла ПУзд, который устанавливает судоводитель задатчиком путевого утла 2, на третий вход поступает сигнал отрицательной обратной связи по углу перекладки руля – с датчика 4, при этом на выходе рулевого привода 6 формируется угол перекладки руля:

В зависимости (2) по сравнению с (1) отсутствует член с « » – сигнал угловой скорости судна, который необходим для обеспечения устойчивости замкнутой системы: «судно – система управления движением», но к нашему рассмотрению этот сигнал не имеет никакого значения.
При 
судно двигается по заданному путевому углу.
При (ПУ>ПУзд), >0, судно, благодаря положительно отклоненному рулю при этом, начнет угловое движение в отрицательном направлении к заданному ПУзд (к реализации зависимости (3)).
При (ПУ<ПУзд), <0, судно, благодаря отрицательно отклоненному рулю, начнет положительное угловое движение к заданному направлению, т.е. к заданному направлению ПУзд (к реализации зависимости (3)).
При использовании закона управления (1) в особых областях, как мы уже отмечали, могут происходить сбои. Рассмотрим, как они исключаются в предложенных нами законах (А), (1а), (1б).
1ый случай – судно движется в области малых путевых углов, например, ПУзд=3° и ПУ=3°, пусть появляется внешнее возмущение, которое отклоняет судно в сторону нулевого путевого угла: ПУ-(ПУзд=3°)<0.
При 3°>ПУ>0 руль отклоняется в отрицательном направлении и противодействует отклонению судна от заданного путевого угла, но если внешнее возмущение сильнее стабилизирующего воздействия руля, то судно проходит ПУ=0° и входит в область «2 » значений ПУ. В этот момент закон (А) отключается, т.к. |(ПУ=360°)-(ПУзд=3°)|> (не выполняется условие использования закона (А)).
При использовании закона управления (1) это привело бы к перекладке руля в положительном направлении, следовательно, к дальнейшему уходу судна от заданного значения путевого угла. Для исключения такого сбоя в системе управления необходимо перейти с закона управления (1) на закон управления (1а). Осуществляется это благодаря тому, что в момент перехода судна из нулевой области путевых углов в область 2 путевых углов на вход блока 8 с датчика 1 и задатчика 2 поступит суммарный сигнал, превышающий , поэтому на выходе блока 8 вырабатывается положительное напряжение, которое проходит через первый диод 9 на обмотку управления первого электромагнитного реле 11, контактная группа которого замкнется, и уставка -U1=-2 с первого блока уставки 13 поступит на пятый вход сумматора-усилителя 5, на выходе которого сформируется отрицательный сигнал, что вызовет отклонение руля в отрицательном направлении, а следовательно, произойдет поворот судна в положительном направлении. В момент времени, когда судно достигнет нулевого значения путевого угла, на выходе блока 8 сигнал ступенькой отключится. (Результирующий сигнал на входе блока 8 (ПУ-ПУзд)< – величины зоны нечувствительности на входе блока 8, т.к. на выходе датчика путевого угла 1 вместо сигнала ПУ из области 2 окажется сигнал из области, близкой к нулю). Это приведет к отключению первого электромагнитного реле 11 и переходу от закона управления (1а) к закону управления (А).
2ой случай – пусть судно движется в той же области, близкой к нулевому путевому углу ПУ=ПУзд=3°, а судоводитель выполняет градусную поправку ПУзд=357°, т.е. переход судна на 6°. После введения нового значения ПУзд=357° на вход блока с зоной нечувствительности 8 поступит сигнал с датчика 1 ПУ=3° и задатчика 2 -ПУзд=-357°, т.к. суммарный сигнал |-354°|> , то на выходе блока 8 появится отрицательное напряжение, которое через второй диод 10 поступит на вход управляющей обмотки второго реле 12, контактная группа которого замкнется и соединит выход второго блока уставки 14 U1=+2 с шестым входом сумматора-усилителя. При этом вместо закона управления (1) в системе произойдет изменение на закон управления (1б). Судно начнет переходить с ПУ=3° к ПУзд=357° через нулевое значение ПУ. В момент перехода судна из области нулевых ПУ в область «2 » ПУ произойдет переход закона управления(1б) к виду (А). Зависимость (А) будет сохраняться до тех пор, пока значения ПУ и ПУзд будут одновременно находится либо в нулевой области ПУ, либо в области «2 » ПУ (когда выполняется условие |(ПУ-ПУзд)|< ).
Формула изобретения
Система автоматического управления движением судна, содержащая датчик и задатчик путевого угла, датчик угловой скорости и датчик угла перекладки руля, выходы которых подключены соответственно к первому, второму, третьему и четвертому входам сумматора-усилителя, выход которого соединен со входом рулевого привода, отличающаяся тем, что дополнена блоком с зоной нечувствительности, первым и вторым диодами, первым и вторым электромагнитными реле, первым и вторым блоками уставок, выходы датчика путевого угла и задатчика путевого угла подключены соответственно к первому и второму входам блока с зоной нечувствительности, выход которого через первый диод соединен с обмоткой управления первого реле, нормально-разомкнутая контактная группа которого соединяет пятый вход сумматора-усилителя с выходом первого блока уставки, шестой вход сумматора-усилителя через нормально-разомкнутую контактную группу второго реле соединен с выходом второго блока уставки, а вход обмотки управления второго реле через второй диод соединен с выходом блока с зоной нечувствительности.
РИСУНКИ
|
|