|
|
(21), (22) Заявка: 2005114110/11, 11.05.2005
(24) Дата начала отсчета срока действия патента:
11.05.2005
(43) Дата публикации заявки: 20.11.2006
(46) Опубликовано: 20.06.2007
(56) Список документов, цитированных в отчете о поиске:
JP 2001151041 А, 05.06.2001. JP 63101180 А, 06.05.1988. RU 2155689 C1, 10.09.2000. JP 2002046552 А, 12.02.2002. DE 10222074 A1, 18.12.2003.
Адрес для переписки:
445633, Самарская обл., г. Тольятти, ул. Заставная, 2, ОАО “АВТОВАЗ”, ДТР, корп.3/1, ПЛО, пат.пов. А.П. Голикову
|
(72) Автор(ы):
Фесина Михаил Ильич (RU), Прохоров Сергей Петрович (RU), Дерябин Игорь Викторович (RU)
(73) Патентообладатель(и):
Открытое акционерное общество “АВТОВАЗ” (RU)
|
(54) ТРАНСПОРТНОЕ СРЕДСТВО (ВАРИАНТЫ)
(57) Реферат:
Изобретение относится к области транспортного машиностроения. Транспортное средство, в частности легковой автомобиль, содержит силовые коробчатые элементы кузова, внутри полостей которых локально размещены герметизирующие звукоизолирующие элементы в виде акустических заглушек (8), перекрывающих проходные сечения полостей с образованием ограниченных длин пустотелых силовых элементов. В стенках отдельных ограниченных длин участков пустотелых элементов, отделяемых (образуемых) торцами акустических заглушек (8), в частности в полостях порогов пола кузова выполнены сквозные дренажные и перепускные отверстия и трубчатые каналы. По крайней мере, одно из дренажных отверстий (10) размещено в самой нижней зоне стенки (6) порога кузова. Перепускное отверстие (9) в верхней стенке (7) порога кузова выполнено в виде трубчатого перепускного воздушного канала (16), внутренняя полость которого полностью или частично заполнена поглотителем высокочастотного звука в виде пористого воздухопроницаемого звукопоглощающего материала (13). Технический результат заключается в повышении долговечности структурных элементов кузова и улучшении акустического комфорта транспортного средства. 6 н. и 6 з.п. ф-лы, 27 ил.
Изобретение относится к области машиностроения, в частности транспортного машиностроения, и представляет собой конструкцию колесного транспортного средства, в частности легкового автомобиля, силовые элементы кузова которого выполнены в виде коробчатых пустотелых сечений (порогов, усилителей, стоек), которые оборудованы локальными герметизирующими звукоизолирующими элементами, перекрывающими воздушные звукопередающие проходные сечения пустотелых силовых элементов в заданных зонах.
Каркас кузова легкового автомобиля представляет собой пространственную полую силовую структуру с сообщающимися между собой воздушными звукопередающими каналами, образуемыми полыми силовыми элементами и в связи с этим сообщающими зашумленные пространства моторного отсека и багажного отделения с обитаемым водителем и пассажирами пространством пассажирского салона, в котором требуется обеспечить высокий акустический комфорт водителю и пассажирам. Известным техническим решением, используемым в автомобилестроении, частично решающим проблему повышения звукоизоляции пространства пассажирского салона путем его герметизации за счет воздействия на конструктивные элементы, в частности полости полых силовых элементов кузова, является применение так называемых акустических заглушек (пробок), запечатывающих проходные сечения указанных воздушных каналов, образуемых пустотелыми силовыми элементами каркаса кузова легкового автомобиля (порогами, стойками, усилителями). Акустические заглушки, как правило, представляют собой вспенивающийся полимер, устанавливаемый в заданную локальную зону полости силового элемента, активизирующийся при высокой температуре. В качестве основы вспенивающегося полимера может быть использована запрограммированная пена, эластичный закрытоячеистый пенополиуретан, термопластичный полимер закрытоячеистой структуры. Отдельные варианты конструкций заглушек содержат в своей структуре мелкоразмерные сквозные каналы, обеспечивающие частичное удаление жидкости (влаги), без эффективной и полной эвакуации указанной жидкости из образованной замкнутой полости вследствие большого гидравлического сопротивления таких каналов, а только способствующие ее частичному испарению за счет слабого продувания сквозного коробчатого канала набегающим воздушным потоком через мелкоразмерный, с большим гидросопротивлением канал в заглушке в процессе движения автомобиля. Для неподвижной установки заглушки в заданном локальном месте полого сечения пустотелого канала силового каркаса кузова известно использование крепежных скобок, приварных штырей, механических застежек или липкой ленты. В частности, согласно известной информации [1] Jack Yamaguchi, Three Operating Modes of Mitsubishi’s GDI V8, Automotive Engineering International, March 2000, p.28 отмечено использование в полостях силовых элементов кузова уретановых заглушек для снижения уровней шума в салоне автомобиля Mitsubishi GDIV8. Согласно публикации [2] R.J.Chang, Bart Biche and Achilles Chiotis, Design and Acoustic Performance of Baffles Based on Programmed Heat-activated Foams, SAE TECHNICAL PAPER SERIES 1999-01-1673, reprinted from proceedings of the 1999 Noise and Vibration Conference представлены базовые особенности применения новой запрограммированной пены, активизированной высокой температурой и используемой в качестве акустической заглушки, полностью запечатывающей сечение сквозного коробчатого канала. В нерасширенном состоянии (до активизации) закладной элемент из вспенивающегося полимерного материала представляет собой в сечении квадрат приблизительно в два дюйма. При активизации в процессе высокотемпературного нагрева (например, процессе сушки автомобильного кузова при t=140…200°C, после технологического процесса его окраски) пена направляет свое расширение согласно геометрии сечения «зашивки» в соответствии с конкретными геометрическими параметрами сечения полого элемента кузова. Для обеспечения повышенной величины звукоизоляции, обеспечиваемой вспенивающейся герметизирующей заглушкой, конструкция заглушки выполняется двухстеночной (двойной), см. фиг.2 [2]. В этом случае реализуется дополнительный звукоизоляционный эффект, обеспечиваемый двойным процессом отражения звука при двойном скачкообразным изменении волнового сопротивления прохождению энергии звуковых волн через двойную перегородку с воздушной прослойкой, вызванным скачкообразным изменением жесткости и плотности структуры заглушки и упругой воздушной среды, в которой распространяются звуковые волны в пустотелом коробчатом канале (волноводе) распространения звука. Обеспечение высокой герметизации и звукоизоляции пустотелых сечений коробчатых каналов связано, однако, с ухудшением коррозионной стойкости и долговечности кузова автомобиля в процессе его эксплуатации.
Известна конструкция акустической заглушки в виде термопластичного полимера закрытоячеистой структуры, представленная в международном патенте на изобретение WO 01/92063 А1 [3], фирмы Rieter Automotive International AG. Указанная акустическая заглушка устанавливается в замкнутых пустотелых сечениях силовых элементов каркаса кузова и эффективно заграждает передачу звуковых волн, распространяемых в каналах пустотелых силовых элементов кузова, в обитаемое пространство пассажирского салона автомобиля, что, в конечном итоге, повышает акустический комфорт в салоне. Однако применение данной конструкции связано с естественным ухудшением коррозионной стойкости кузова в зонах пустотелых коробчатых элементов, ограниченных акустическими заглушками, вследствие возможного накопления в них конденсата.
Известен конструктивный элемент из пенопласта для звукоизоляции полостей, описание которого приведено в патенте Российской Федерации на изобретение 2155689 [4]. Данный пористый легкодеформируемый пенопластовый элемент для звукоизоляции полостей в сжатом состоянии ваккуумирован и установлен герметично в замкнутой оболочке из воздухонепроницаемой пленки для обеспечения его малых габаритов и последующего свободного ввода в полость пустотелого элемента, выполнен с возможностью дальнейшего расширения его объемных габаритов с получением формы, ограниченной, по меньшей мере, двумя стенками полости, после ввода в нее путем открывания (разрыва, прокалывания) пленки при доступе воздуха. В результате своих упругих пружинящих свойств, в частности используемого полиуретанового мягкого пенопласта, и, по меньшей мере, одного тяжелого слоя, состоящего из полиуретанового хлопьевидного комбинированного пенопласта, данный элемент перекрывает проходное сечение пустотелого канала передачи звука, обеспечивая определенный звукоизолирующий эффект. Недостатком данного технического решения, как и других вышеуказанных известных конструкций транспортных средств, пассажирский салон (кабина) которых обладает улучшенной звукоизоляцией, у которых проблема повышения звукоизоляции полостей полых силовых элементов кузова решается применением герметичных изолирующих заглушек, конструкции которых представлены в [1]-[4], является малоэффективный или совсем неэффективный отвод конденсата (влаги), накапливающегося в образованных замкнутых локальных полостях, в частности участков порогов пола кузова, ограниченных зонами установки данных заглушек, что, в конечном итоге, может уменьшать коррозионную стойкость и долговечность транспортного средства в процессе его эксплуатации. При этом при наличии сквозных, не закрытых технологическими пробками отверстий в стенках порогов кузова, на участках, ограниченных заглушками, выполняющих непосредственную функцию слива краски в технологическом процессе окраски (после окунания кузова в окрасочной камере) и последующей сушки кузова, существенно усиливается передача шумовой энергии через указанные технологические отверстия в пустотелые коробчатые элементы кузова из зашумленной зоны пространства под полом кузова (шумовая энергия, передающаяся из моторного отсека, шум, генерируемый шинами, шум трансмиссионных агрегатов, шум системы выпуска отработавших газов) и далее непосредственно в пространство салона автомобиля через указанные отверстия (незакрытые отверстия в стенках порогов кузова выполняют роль шумопередающих каналов из пространства под полом кузова в пространство пассажирского салона).
Предлагаемое техническое решение позволяет устранить указанные выше недостатки.
Согласно заявляемому техническому решению, на отдельных участках нижних (донных) и верхних стенок коробчатых пустотелых сечений порогов пола кузова, ограниченных по длине установленными в них акустическими заглушками, выполняющими дополнительные звукоизолирующие функции для замкнутого воздушного пространства салона легкового автомобиля за счет введения ими разделяющего изолирующего воздействия в сечениях воздушных звукопроводящих элементов, соединяющих обитаемое воздушное пространство салона с зашумленными полостями моторного отсека и багажного отделения, в стенках пустотелых сечений порогов кузова выполняются дренажные и перепускные отверстия с присоединенными к ним, по крайней мере, на одной из стенок коробчатого пустотелого сечения порога пола, трубчатыми дренажными эжектирующими и/или перепускными воздушными каналами, сообщающимися, с одной стороны с открытой окружающей средой (пространством под полом кузова), а с другой стороны – с пространством пассажирского салона легкового автомобиля, обеспечивающие эффективный вывод (эжектирующий отсос) образующейся в процессе эксплуатации автомобиля влаги из замкнутых (заглушками) участков полостей коробчатых сечений порогов за счет возникающего перепада давлений воздушной среды в зонах между внутренним воздушным пространством салона (включая воздушные полости порогов) и внешней поверхности зоны стенки кузова, под порогами (т.е. образуемого перепада давлений, обусловленного избыточным давлением воздуха в пространстве салона кузова и образующимся разрежением, формируемым с внешней стороны нижней стенки порога пола кузова движущегося транспортного средства). Внутренняя полость дренажных эжектирующих и перепускных воздушных каналов дополнительно полностью или частично заполнена поглотителем звука в виде пористого воздухопроницаемого звукопоглощающего материала (например, волокнистого фетра, открытоячеистого ППУ, прессованного металлического сетчатого материала, пористой металлорезины – материала МР и т.п.). При этом за счет применения удлиненного по конструкции трубчатого выводного дренажного эжектирующего и/или перепускного воздушного канала реализуется дополнительный звукозаграждающий волновой элемент ослабления звуковой связи, обладающий более высокой звукоизоляцией в области низких звуковых частот по сравнению, например, с «тонким» (без формирования трубчатого канала) отверстием такой волновой связи, выполняемым в виде сквозного отверстия в стенке донной части порога кузова, слабо заграждающей интенсивную передачу низко- и среднечастотной звуковой энергии через такой «тонкий» звукопередающий элемент волновой связи из зашумленной зоны пространства под полом кузова (шумовая энергия, передающаяся из моторного отсека, шум, генерируемый шинами, шум трансмиссионных агрегатов, шум системы выпуска отработавших газов) в обитаемое водителем и пассажирами пространство салона (кабину) автомобиля. Наличие во внутренней полости дренажного эжектирующего и/или перепускного воздушного трубчатого каналов пористых воздухопроницаемых поглотителей высокочастотного звука обеспечивает положительный эффект дополнительного поглощения высокочастотных звуковых волн, распространяемых через образованный трубчатый волновод в пустотелую полость силового элемента каркаса кузова, ограниченного заглушками (для варианта – дренажного канала или непосредственно в пространство салона, для варианта – перепускного канала), и далее через перепускное отверстие или перепускной воздушный канал – во внутреннее пространство салона (кабины) транспортного средства. При этом ввиду использования пористой воздухопроницаемой структуры поглотителей звука, располагаемых в эжектирующем дренажном и/или перепускном воздушном каналах, обеспечивается выравнивание полей давлений между воздушным пространством салона и внешней средой с соответствующей реализацией эжектирующего эффекта удаления влаги из замкнутой акустическими заглушками полости коробчатого силового элемента (порога) кузова.
На фиг.1 представлен общий вид заявляемого в качестве изобретения транспортного средства, в частности легкового автомобиля, содержащего силовой каркас кузова, в коробчатых элементах которого применены акустические заглушки и в стенках которых (коробчатых элементов, ограниченных акустическими заглушками) выполнены дренажные и перепускные отверстия и каналы.
На фиг.2 представлена схема продольного сечения фрагмента полого участка пустотелого силового элемента кузова (в частности, участка порога пола кузова), герметично ограниченного на концах двумя торцевыми акустическими заглушками, содержащего в стенке с внешней стороны порога пола (со стороны дорожного покрытия) сквозное эжектирующее дренажное отверстие, выполненное в виде локальной отогнутой щелевой просечки стенки порога кузова, а с внутренней стороны порога пола (со стороны пассажирского салона), на внешней поверхности его верхней стенки, находящейся в пространстве пассажирского салона автомобиля, установлен трубчатый перепускной воздушный канал, интегрированный с пористой воздухопроницаемой вставкой поглотителя высокочастотного звука, повышающий звукоизоляцию канала связи от зашумленного пространства под полом кузова легкового автомобиля.
На фиг.3 представлена схема поперечного сечения полого участка пустотелого силового элемента кузова (в частности, порога пола кузова), герметично ограниченного на концах двумя торцевыми акустическими заглушками, содержащего с внешней стороны порога пола (со стороны дорожного покрытия) сквозное эжектирующее дренажное отверстие, выполненное в виде локальной отогнутой щелевой просечки стенки порога кузова, обеспечивающее принудительную эвакуацию образующегося конденсата из полости силового элемента кузова за счет эжектирующего эффекта, вызванного естественными перепадами давлений воздуха в полости силового элемента и окружающей средой в зоне дренажного отверстия (разрежением), а с внутренней стороны порога пола (со стороны пассажирского салона), на внешней поверхности его верхней стенки установлен трубчатый перепускной воздушный канал, интегрированный с пористой воздухопроницаемой вставкой поглотителя высокочастотного звука, повышающий звукоизоляцию канала связи от зашумленного пространства под полом кузова при обеспечении прохождения воздуха из пространства салона в полость пустотелого силового элемента для последующей реализации эжектирующего эффекта вследствие образующегося перепада давлений между воздушным пространством салона и разрежением на внешней поверхности стенки порога кузова.
На фиг.4 представлена схема продольного сечения полого участка пустотелого силового элемента кузова (в частности, порога пола кузова), герметично ограниченного на концах двумя торцевыми акустическими заглушками, содержащего с внутренней стороны порога пола (со стороны пассажирского салона) сквозное перепускное отверстие, а с внешней стороны порога пола (со стороны дорожного покрытия), на внешней поверхности его донной стенки установлен трубчатый дренажный эжектирующий канал, интегрированный с пористой воздухопроницаемой вставкой высокочастотного поглотителя звука, повышающий звукоизоляцию канала связи от зашумленного пространства под полом кузова и обеспечивающий при этом эвакуацию образующегося конденсата из полости силового элемента кузова за счет эжектирующего эффекта, вызванного перепадами давлений воздуха по обеим сторонам стенок концевых участков канала.
На фиг.5 представлена схема поперечного сечения полого участка пустотелого силового элемента кузова (в частности, порога пола кузова), герметично ограниченного на концах двумя торцевыми акустическими заглушками, содержащего с внутренней стороны порога пола (со стороны пассажирского салона) сквозное перепускное отверстие, а с внешней стороны порога пола (со стороны дорожного покрытия), на внешней поверхности его донной стенки установлен трубчатый дренажный эжектирующий канал, интегрированный с пористой воздухопроницаемой вставкой поглотителя высокочастотного звука, повышающий звукоизоляцию канала связи от зашумленного пространства под полом кузова и обеспечивающий эвакуацию образующегося конденсата из полости силового элемента кузова за счет эжектирующего эффекта, вызванного перепадами давлений воздуха по обеим сторонам стенок концевых участков канала (избыточного – в пространстве салона и разрежения – под стенкой порога со стороны внешней среды).
На фиг.6 представлена схема продольного сечения полого участка пустотелого силового элемента кузова (в частности, порога пола кузова), герметично ограниченного на концах двумя торцевыми акустическими заглушками, содержащего с внешней стороны стенки порога пола (со стороны дорожного покрытия) трубчатый дренажный эжектирующий канал, повышающий звукоизоляцию канала связи от зашумленного пространства под полом кузова и обеспечивающий эвакуацию образующегося конденсата из замкнутой полости силового элемента кузова за счет эжектирующего эффекта, вызванного перепадами давлений воздуха по обеим сторонам стенок концевых участков канала. С внутренней стороны порога пола (со стороны пассажирского салона), на внешней поверхности его верхней стенки установлен трубчатый перепускной воздушный канал, интегрированный с пористой воздухопроницаемой вставкой поглотителя высокочастотного звука, дополнительно повышающий звукоизоляцию канала связи от зашумленного пространства под полом кузова.
На фиг.7 представлена схема поперечного сечения полого участка пустотелого силового элемента кузова (в частности, порога пола кузова), герметично ограниченного на концах двумя торцевыми акустическими заглушками, содержащего с внешней стороны стенки порога пола (со стороны дорожного покрытия) трубчатый дренажный эжектирующий канал, повышающий звукоизоляцию канала связи от зашумленного пространства под полом кузова и обеспечивающий эвакуацию образующегося конденсата из полости силового элемента кузова за счет эжектирующего эффекта, вызванного перепадами давлений воздуха по обеим сторонам стенок концевых участков канала. С внутренней стороны порога пола (со стороны пассажирского салона), на внешней поверхности его верхней стенки установлен трубчатый перепускной воздушный канал, интегрированный с пористой воздухопроницаемой вставкой поглотителя высокочастотного звука, дополнительно повышающий звукоизоляцию канала связи от зашумленного пространства под полом кузова.
На фиг.8 представлена схема продольного сечения полого участка пустотелого силового элемента кузова (в частности, порога пола кузова), герметично ограниченного на концах двумя торцевыми акустическими заглушками, содержащего с внешней стороны порога пола (со стороны дорожного покрытия) трубчатый дренажный эжектирующий канал, интегрированный с пористой воздухопроницаемой вставкой поглотителя высокочастотного звука, повышающий звукоизоляцию канала связи от зашумленного пространства под полом кузова и обеспечивающий эвакуацию образующегося конденсата из полости силового элемента кузова за счет эжектирующего эффекта, вызванного перепадами давлений воздуха по обеим сторонам стенок концевых участков канала. С внутренней стороны порога пола (со стороны пассажирского салона), на внешней поверхности его верхней стенки установлен трубчатый перепускной воздушный канал, дополнительно повышающий звукоизоляцию канала связи от зашумленного пространства под полом кузова.
На фиг.9 представлена схема поперечного сечения полого участка пустотелого силового элемента кузова (в частности, порога пола кузова), герметично ограниченного на концах двумя торцевыми акустическими заглушками, содержащего с внешней стороны порога пола (со стороны дорожного покрытия) трубчатый дренажный эжектирующий канал, интегрированный с пористой воздухопроницаемой вставкой поглотителя высокочастотного звука, повышающий звукоизоляцию канала связи от зашумленного пространства под полом кузова и обеспечивающий эвакуацию образующегося конденсата из полости силового элемента кузова за счет эжектирующего эффекта, вызванного перепадами давлений воздуха по обеим сторонам стенок концевых участков канала. С внутренней стороны порога пола (со стороны пассажирского салона), на внешней поверхности его верхней стенки установлен трубчатый перепускной воздушный канал, дополнительно повышающий звукоизоляцию канала связи от зашумленного пространства под полом кузова.
На фиг.10 представлена схема продольного сечения полого участка пустотелого силового элемента кузова (в частности, порога пола кузова), герметично ограниченного на концах двумя торцевыми акустическими заглушками, содержащего с внешней стороны стенки порога пола (со стороны дорожного покрытия) трубчатый дренажный эжектирующий канал, интегрированный с пористой воздухопроницаемой вставкой поглотителя высокочастотного звука, повышающий звукоизоляцию канала связи от зашумленного пространства под полом кузова и обеспечивающий эвакуацию образующегося конденсата из полости силового элемента кузова за счет эжектирующего эффекта, вызванного перепадами давлений воздуха по обеим сторонам стенок концевых участков канала. С внутренней стороны порога пола (со стороны пассажирского салона), на внешней поверхности его верхней стенки установлен трубчатый перепускной воздушный канал, интегрированный с пористой воздухопроницаемой вставкой поглотителя высокочастотного звука, дополнительно повышающий звукоизоляцию канала связи от зашумленного пространства под полом кузова.
На фиг.11 представлена схема поперечного сечения полого участка пустотелого силового элемента кузова (в частности, порога пола кузова), герметично ограниченного на концах двумя торцевыми акустическими заглушками, содержащего с внешней стороны порога пола (со стороны дорожного покрытия) трубчатый дренажный эжектирующий канал, интегрированный с пористой воздухопроницаемой вставкой поглотителя высокочастотного звука, повышающий звукоизоляцию канала связи от зашумленного пространства под полом кузова и обеспечивающий эвакуацию образующегося конденсата из полости силового элемента кузова за счет эжектирующего эффекта, вызванного перепадами давлений воздуха по обеим сторонам стенок концевых участков канала, а с внутренней стороны порога пола (со стороны пассажирского салона), на внешней поверхности его верхней стенки установлен трубчатый перепускной воздушный канал, интегрированный с пористой воздухопроницаемой вставкой поглотителя высокочастотного звука, дополнительно повышающий звукоизоляцию канала связи от зашумленного пространства под полом кузова.
На фиг.12 представлена схема продольного сечения полого участка пустотелого силового элемента кузова (в частности, порога пола кузова), герметично ограниченного на концах двумя акустическими заглушками, содержащего с внешней стороны порога пола (со стороны дорожного покрытия) сквозное эжектирующее дренажное отверстие, выполненное в виде локальной отогнутой щелевой просечки стенки порога кузова, а с внутренней стороны порога пола (со стороны пассажирского салона), на внутренней поверхности его верхней стенки установлен трубчатый перепускной воздушный канал, интегрированный с пористой воздухопроницаемой вставкой поглотителя высокочастотного звука, дополнительно повышающий звукоизоляцию канала связи между пространством пассажирского салона (кабины) и зашумленным пространством под полом кузова за счет смещенного расположения по длине ограниченного пустотелого участка порога кузова концевых участков трубчатого перепускного воздушного канала (отверстия 9 и 14), с выполнением площади проходного сечения каждого из двух отверстий 14 в 2 раза меньше площади проходного сечения отверстия 9, дополнительно повышающем звукоизоляцию в высокочастотной области спектра.
На фиг.13 представлена схема поперечного сечения полого участка пустотелого силового элемента кузова (в частности, порога пола кузова), герметично ограниченного на концах двумя акустическими заглушками, содержащего с внешней стороны порога пола (со стороны дорожного покрытия) сквозное эжектирующее дренажное отверстие, выполненное в виде локальной отогнутой щелевой просечки стенки порога кузова, а с внутренней стороны порога пола (со стороны пассажирского салона), на внутренней поверхности его верхней стенки установлен трубчатый перепускной воздушный канал, интегрированный с пористой воздухопроницаемой вставкой поглотителя высокочастотного звука, дополнительно повышающий звукоизоляцию канала связи между пространством пассажирского салона (кабины) и зашумленным пространством под полом кузова за счет смещенного расположения по длине ограниченного пустотелого участка порога кузова концевых участков трубчатого перепускного воздушного канала (отверстия 9 и 14) с выполнением площади проходного сечения каждого из двух отверстий 14 в 2 раза меньше площади проходного сечения отверстия 9, дополнительно повышающем звукоизоляцию в высокочастотной области спектра.
На фиг.14-15 показано выполнение просечки в виде эжектирующего отверстия в нижней стенке порога пола кузова, ориентированной в продольном направлении, т.е. с развернутым отгибом на 90° по отношению с исполнением просечки перпендикулярно продольной оси транспортного средства (легкового автомобиля), что способствует уменьшению турбулизации воздушного потока в зоне просечки с соответствующим ослаблением вихревого звука, генерируемого свободными кромками отгиба просечки.
Позициями на фиг.1-15 обозначены:
1 – кузов транспортного средства (легковой автомобиль), содержащий коробчатые сечения силового каркаса;
2 – салон автомобиля;
3 – багажное отделение автомобиля;
4 – моторный отсек;
5 – сечение коробчатого пустотелого силового элемента порога кузова;
6 – нижняя внешняя (донная) стенка порога кузова (со стороны дорожного покрытия);
7 – верхняя внутренняя стенка порога кузова (со стороны пассажирского салона);
8 – акустическая заглушка;
9 – перепускное отверстие (отверстия) порога кузова (со стороны пассажирского салона), образующее перепускной воздушный канал;
10 – дренажное отверстие порога кузова (со стороны дорожного покрытия), образующее дренажный эжектирующий канал;
11 – дренажный эжектирующий канал в виде трубчатого элемента;
12 – внешнее отверстие дренажного эжектирующего канала;
13 – пористый поглотитель высокочастотного звука;
14 – верхнее отверстие перепускного воздушного канала;
16 – перепускной воздушный канал в виде трубчатого элемента;
– избыточное давление воздуха в пространстве пассажирского салона (кабины) кузова легкового автомобиля;
– разрежение (пониженное давление), образуемое под поверхностью стенки пола кузова в зоне внешней стороны донной стенки пола (порога) кузова движущегося транспортного средства (легкового автомобиля).
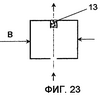
На фиг.16-27 представлены схемы различных возможных вариантов взаимного расположения дренажных отверстий (дренажных эжектирующих каналов) и перепускных отверстий (перепускных воздушных каналов) в виде отверстий или трубчатых каналов в пустотелом силовом элементе кузова легкового автомобиля, где:
L – длина воздушной полости внутри пустотелого коробчатого силового элемента порога пола кузова, ограниченной на концах торцами установленных акустических заглушек;
В – ширина воздушной полости, образуемой продольными противолежащими стенками пустотелого коробчатого силового элемента порога пола кузова, ограниченной торцами установленных акустических заглушек (средний размер, определяемый по длине L);
Н – высота воздушной полости, образуемой нижней и верхней противолежащими стенками пустотелого коробчатого силового элемента порога пола кузова, ограниченного торцами установленных акустических заглушек (средний размер, определяемый по длине L);
V – объем образованной воздушной полости коробчатого пустотелого силового элемента кузова длиной L, ограниченной торцами установленных акустических заглушек.
На отдельных участках верхних стенок 7 коробчатых пустотелых сечений порогов пола кузова 5 ограниченной длины L, содержащих на концах герметизирующие акустические заглушки 8, устанавливаются трубчатые перепускные воздушные каналы 16 с одновременным выполнением на участках нижних внешних (донных) стенок 6 коробчатых пустотелых сечений порогов пола кузова 5 сквозных эжектирующих дренажных отверстий 10. Возможно также выполнение на отдельных участках нижних внешних (донных) стенок 6 коробчатых пустотелых сечений порогов пола кузова 5, содержащих герметизирующие акустические заглушки 8, трубчатых дренажных эжектирующих каналов 11, сообщающихся с окружающей средой через дренажное отверстие 10 и внешнее отверстие канала 12. Внешнее отверстие 12 дренажного канала 11 располагается со стороны канала, противоположной направлению движения транспортного средства передним ходом (показано стрелкой). При конструктивном исполнении дренажных каналов в виде трубчатых элементов, на верхней стенке 7 коробчатых пустотелых сечений порогов пола кузова 5, содержащих герметизирующие акустические заглушки 8, возможно выполнение сквозного перепускного отверстия 9, образующего перепускной воздушный канал, либо установка трубчатого перепускного воздушного канала 16. Такое конструктивное исполнение транспортного средства, содержащего в коробчатых силовых элементах кузова (порога пола) «удлиненные» перепускные воздушные и дренажные эжектирующие каналы обеспечивает эффективный вывод (отсос) образующейся влаги (конденсата) из замкнутых полостей коробчатых сечений порогов пола кузова, ограниченных на концах акустическими пробками, за счет возникающего перепада давлений между воздушной средой в пространстве салона и внешней воздушной средой в зоне вне кузова, непосредственно у стенок 6, под порогами пола (т.е. вследствие образованного перепада давлений, обусловленного избыточным давлением в пространстве салона кузова, на фиг.2-15 обозначено знаком «+», и образуемым разрежением с внешней стороны стенки пола кузова 6, со стороны дорожного покрытия в зоне нижней стенки порога, на фиг.2-15 обозначено знаком «-») движущегося транспортного средства. При этом обеспечивается высокая звукоизоляция пространства салона кузова за счет существенного ослабления процесса передачи звука отверстиями 9 и 10 и/или каналами 11, 16 через пустотелые коробчатые силовые элементы кузова в пространство пассажирского салона (кабины) как со стороны моторного отсека и багажного отделения за счет применения акустических пробок, так и со стороны зашумленного пространства под полом кузова, при применении удлиненных дренажных и перепускных воздушных каналов в виде трубчатых элементов 11 и 16, ограниченных сквозными отверстиями 9, 10, 12 и 14 (с большей массой колеблющегося воздушного столба в трубчатом варианте каналов), т.е. обеспечивающего реализацию инерционного волнового заграждающего элемента звуковой связи с более высокой звукоизоляцией, что создает, в конечном итоге, меньшую передачу звуковой энергии в обитаемое пространство салона (кабины) через такой элемент волновой связи из зашумленной зоны пространства под полом кузова. При этом для получения дополнительного звукоизолирующего эффекта за счет увеличения поглощения высокочастотной шумовой энергии, передающейся через пустотелые коробчатые силовые элементы кузова в пространство салона (кабины) автомобиля, внутренняя полость, по крайней мере, одного из трубчатых каналов (перепускного воздушного или дренажного эжектирующего) полностью или частично заполнена поглотителем высокочастотного звука 13 в виде пористого воздухопроницаемого звукопоглощающего материала (например, волокнистого фетра, открытоячеистого ППУ, металлической шерсти, прессованного металлического сетчатого материала, металлорезины – материал МР и т.п.). Конкретизированные конструктивные варианты исполнения пустотелых порогов кузова с установленными в них акустическими (звукоизолирующими) пробками, содержащих перепускные воздушные и дренажные эжектирующие трубчатые элементы, по крайней мере, в одном из них интегрированны пористые поглотители высокочастотного звука, увеличивающие звукоизоляцию пространства салона от передачи в него воздушного шума, могут быть различными, например за счет герметичного крепления накладного трубчатого элемента к встречным поверхностям отдельных частей порогов металлического кузова в зоне верхних перепускных или нижних дренажных отверстий в стенках порога пола кузова (сварного, клеевого, механическими съемными крепежными элементами). Возможно намеренное выполнение углублений (подштамповок) в стальных стенках нижней и/или верхней части порогов с последующей установкой примыкающего более короткого пластинчатого (металлического, полимерного) элемента длиной lt (см. фиг.4, 6), с образованием концевых отверстий каналов, совместно формирующих трубчатый элемент заданной длины. На фиг.16…27 представлены примеры схем различных возможных вариантов расположения дренажных и перепускных отверстий, перепускных воздушных и эжектирующих дренажных трубчатых элементов порога кузова, по крайней мере, в одном из которых установлены пористые воздухопроницаемые поглотители высокочастотного звука, обеспечивающие наряду с обеспечением эффекта эжектирующего дренажа влаги из замкнутой полости пустотелого сечения порога увеличенную высокочастотную звукоизоляцию обитаемого пространства салона (кабины) автомобиля от передачи воздушного шума воздушными путями передачи. Предпочтительней просечку в виде эжектирующего отверстия в нижней стенке порога (см. фиг.14, 15) выполнять продольной. В этом случае исключается (ослабляется) процесс возможного генерирования турбулентного свиста на кромках просечки из-за возможного срыва скоростного воздушного потока под днищем кузова в зоне выполнения отверстий в стенке порога кузова в отличие от расположения кромок поперек по отношению к продольной оси автомобиля.
Формула изобретения
1. Транспортное средство, в частности легковой автомобиль, содержащее силовые коробчатые элементы кузова, внутри полостей которых локально размещены герметизирующие звукоизолирующие элементы в виде акустических заглушек, перекрывающих проходные сечения полостей с образованием ограниченных длин пустотелых силовых элементов, отличающееся тем, что в стенках отдельных ограниченных длин участков пустотелых элементов, отделяемых (образуемых) торцами акустических заглушек, в частности, в полостях порогов пола кузова, граничащих с пространством пассажирского салона и внешней, окружающей кузов транспортного средства средой, выполнены сквозные дренажные и перепускные отверстия и трубчатые каналы, при этом, по крайней мере, одно из дренажных отверстий размещено в самой нижней зоне стенки порога кузова, а перепускное отверстие в верхней стенке порога кузова выполнено в виде трубчатого перепускного воздушного канала, внутренняя полость которого полностью или частично заполнена поглотителем высокочастотного звука в виде пористого воздухопроницаемого звукопоглощающего материала.
2. Транспортное средство по п.1, отличающееся тем, что проекции осей отверстий или открытых срезов трубчатых элементов на горизонтальную плоскость размещены со смещением между собой.
3. Транспортное средство, в частности легковой автомобиль, содержащее силовые коробчатые элементы кузова, внутри полостей которых локально размещены герметизирующие звукоизолирующие элементы в виде акустических заглушек, перекрывающих проходные сечения полостей с образованием ограниченных длин пустотелых силовых элементов, отличающееся тем, что в стенках отдельных ограниченных длин участков пустотелых элементов, отделяемых (образуемых) торцами акустических заглушек, в частности, в полостях порогов пола кузова, граничащих с пространством пассажирского салона и внешней, окружающей кузов транспортного средства средой, выполнены сквозные дренажные и перепускные отверстия и трубчатые каналы, при этом в самой нижней зоне стенки порога кузова установлен трубчатый эжектирующий дренажный канал, внутренняя полость которого полностью или частично заполнена поглотителем высокочастотного звука в виде пористого воздухопроницаемого звукопоглощающего материала.
4. Транспортное средство по п.3, отличающееся тем, что проекции осей отверстий или открытых срезов трубчатых элементов на горизонтальную плоскость размещены со смещением между собой.
5. Транспортное средство, в частности легковой автомобиль, содержащее силовые коробчатые элементы кузова, внутри полостей которых локально размещены герметизирующие звукоизолирующие элементы в виде акустических заглушек, перекрывающих проходные сечения полостей с образованием ограниченных длин пустотелых силовых элементов, отличающееся тем, что в стенках отдельных ограниченных длин участков пустотелых элементов, отделяемых (образуемых) торцами акустических заглушек, в частности, в полостях порогов пола кузова, граничащих с пространством пассажирского салона и внешней, окружающей кузов транспортного средства средой, выполнены сквозные дренажные и перепускные отверстия и трубчатые каналы, при этом в самой нижней зоне стенки порога кузова установлен трубчатый эжектирующий дренажный канал, а перепускное отверстие в верхней стенке порога кузова выполнено в виде трубчатого перепускного воздушного канала, внутренняя полость которого полностью или частично заполнена поглотителем высокочастотного звука в виде пористого воздухопроницаемого звукопоглощающего материала.
6. Транспортное средство по п.5, отличающееся тем, что проекции осей отверстий или открытых срезов трубчатых элементов на горизонтальную плоскость размещены со смещением между собой.
7. Транспортное средство, в частности легковой автомобиль, содержащее силовые коробчатые элементы кузова, внутри полостей которых локально размещены герметизирующие звукоизолирующие элементы в виде акустических заглушек, перекрывающих проходные сечения полостей с образованием ограниченных длин пустотелых силовых элементов, отличающееся тем, что в стенках отдельных ограниченных длин участков пустотелых элементов, отделяемых (образуемых) торцами акустических заглушек, в частности, в полостях порогов пола кузова, граничащих с пространством пассажирского салона и внешней, окружающей кузов транспортного средства средой, выполнены сквозные дренажные и перепускные отверстия и трубчатые каналы, при этом в самой нижней зоне стенки порога кузова установлен трубчатый эжектирующий дренажный канал, внутренняя полость которого полностью или частично заполнена поглотителем высокочастотного звука в виде пористого воздухопроницаемого звукопоглощающего материала, а перепускное отверстие в верхней стенке порога кузова выполнено в виде трубчатого перепускного воздушного канала.
8. Транспортное средство по п.7, отличающееся тем, что проекции осей отверстий или открытых срезов трубчатых элементов на горизонтальную плоскость размещены со смещением между собой.
9. Транспортное средство, в частности легковой автомобиль, содержащее силовые коробчатые элементы кузова, внутри полостей которых локально размещены герметизирующие звукоизолирующие элементы в виде акустических заглушек, перекрывающих проходные сечения полостей с образованием ограниченных длин пустотелых силовых элементов, отличающееся тем, что в стенках отдельных ограниченных длин участков пустотелых элементов, отделяемых (образуемых) торцами акустических заглушек, в частности в полостях порогов пола кузова, граничащих с пространством пассажирского салона и внешней, окружающей кузов транспортного средства средой, выполнены сквозные дренажные и перепускные отверстия и трубчатые каналы, при этом в самой нижней зоне стенки порога кузова установлен трубчатый эжектирующий дренажный канал, а перепускное отверстие в верхней стенке порога кузова выполнено в виде трубчатого перепускного воздушного канала, внутренняя полость обоих каналов полностью или частично заполнена поглотителем высокочастотного звука в виде пористого воздухопроницаемого звукопоглощающего материала.
10. Транспортное средство по п.9, отличающееся тем, что проекции осей отверстий или открытых срезов трубчатых элементов на горизонтальную плоскость размещены со смещением между собой.
11. Транспортное средство, в частности легковой автомобиль, содержащее силовые коробчатые элементы кузова, внутри полостей которых локально размещены герметизирующие звукоизолирующие элементы в виде акустических заглушек, перекрывающих проходные сечения полостей с образованием ограниченных длин пустотелых силовых элементов, отличающееся тем, что в стенках отдельных ограниченных длин участков пустотелых элементов, отделяемых (образуемых) торцами акустических заглушек, в частности, в полостях порогов пола кузова, граничащих с пространством пассажирского салона и внешней, окружающей кузов транспортного средства средой, выполнены сквозные дренажные и перепускные отверстия и трубчатые каналы, при этом, по крайней мере, одно из дренажных отверстий размещено в самой нижней зоне стенки порога кузова, а перепускное отверстие в верхней стенке порога кузова выполнено в виде трубчатого перепускного воздушного канала, расположенного с внутренней стороны верхней стенки, внутренняя полость которого полностью или частично заполнена поглотителем высокочастотного звука в виде пористого воздухопроницаемого звукопоглощающего материала.
12. Транспортное средство по п.11, отличающееся тем, что проекции осей отверстий или открытых срезов трубчатых элементов на горизонтальную плоскость размещены со смещением между собой.
РИСУНКИ
|
|