|
|
(21), (22) Заявка: 2006114499/11, 27.04.2006
(24) Дата начала отсчета срока действия патента:
27.04.2006
(46) Опубликовано: 20.06.2007
(56) Список документов, цитированных в отчете о поиске:
RU 44599 U1, 27.03.2005. RU 2110420 C1, 10.05.1998. SU 925693 A1, 07.06.1982. EP 1109306 A2, 20.06.2001.
Адрес для переписки:
190031, Санкт-Петербург, Московский пр., 9, ПГУПС, патентный отдел
|
(72) Автор(ы):
Мазнев Александр Сергеевич (RU), Евстафьев Андрей Михайлович (RU)
(73) Патентообладатель(и):
Государственное образовательное учреждение высшего профессионального образования “Петербургский государственный университет путей сообщения” (RU)
|
(54) УСТРОЙСТВО ДЛЯ РЕГУЛИРОВАНИЯ СКОРОСТИ ЭЛЕКТРОПОДВИЖНОГО СОСТАВА
(57) Реферат:
Изобретение относится к области железнодорожного транспорта и может быть применено на транспортных средствах с тяговыми двигателями постоянного тока. Устройство содержит тяговые двигатели постоянного тока, два цифроаналоговых преобразователя, седьмой контактор. К свободному выводу якорной обмотки первого двигателя постоянного тока подключены последовательно соединенные якорная обмотка третьего двигателя постоянного тока, шестой контактор, обмотка возбуждения третьего двигателя постоянного тока. Ее свободный вывод соединен со свободным выводом обмотки возбуждения первого двигателя постоянного тока. К общему выводу шестого контактора и обмотки возбуждения третьего двигателя постоянного тока подключен катод третьего диода. Свободный вывод первого резистора соединен с общим выводом обмотки возбуждения первого двигателя постоянного тока и второго контактора. Свободный вывод контактора соединен с общим выводом якорной обмотки четвертого двигателя постоянного тока и землей. Свободный вывод якорной обмотки четвертого двигателя постоянного тока соединен со свободным выводом якорной обмотки второго двигателя постоянного тока. Свободный вывод обмотки возбуждения второго двигателя постоянного тока соединен через обмотку возбуждения четвертого двигателя постоянного тока с общим выводом первого контактора, катодом первого диода и свободным выводом второго резистора. Катод второго диода соединен со свободным выводом пятого контактора. К общему выводу якорной обмотки третьего двигателя постоянного тока и шестого контактора подключен вход первого цифроаналогового преобразователя, а его выход соединен с анодом третьего диода. Вход первого цифроаналогового преобразователя соединен через седьмой контактор с выходом второго цифроаналогового преобразователя и общим выводом якорной обмотки второго двигателя постоянного тока и третьего контактора. Вход второго цифроаналогового преобразователя соединен с катодом второго диода. Изобретение направлено на оптимизацию режима пуска и максимальной мощности. 2 ил.
Изобретение относится к области железнодорожного транспорта и может быть применено на транспортных средствах с тяговыми двигателями постоянного тока.
Известно устройство для регулирования скорости электроподвижного состава, которое содержит источник питания, выключатель, четыре тяговых двигателя постоянного тока, три тиристора, один диод, пусковые резисторы, переключающий элемент (RU 2110420, B60L 15/08, 1998).
Недостаток устройства: не реализуются режимы электрического торможения.
Известно устройство для регулирования скорости электроподвижного состава, которое содержит источник питания, выключатель, два тяговых двигателя постоянного тока, два ключевых элемента, шесть резисторов, пять диодов, шесть контакторов (RU 44599, B60L 15/08, 2005 – прототип).
Недостаток устройства: не реализуются режимы электрического торможения.
Задача изобретения – реализовать режим электрического торможения и оптимизировать режим пуска и максимальной мощности с целью экономии электроэнергии.
Технический результат достигается тем, что в устройство для регулирования скорости электроподвижного состава, содержащее последовательно соединенные источник питания, выключатель, якорную обмотку первого тягового двигателя постоянного тока, к общему выводу выключателя и якорной обмотки первого тягового двигателя постоянного тока подключен первый контактор, его свободный вывод соединен с катодом первого диода, анод которого соединен с общим выводом обмотки возбуждения первого тягового двигателя постоянного тока и второго контактора, последовательно соединенные якорную обмотку второго тягового двигателя постоянного тока, третий контактор и обмотку возбуждения второго тягового двигателя постоянного тока, к общему выводу обмотки возбуждения второго тягового двигателя постоянного тока и третьего контактора подключен анод второго диода, последовательно соединенные первый резистор, четвертый контактор и анод третьего диода, последовательно соединенные второй резистор и пятый контактор, шестой контактор, землю, в него дополнительно введены два тяговых двигателя постоянного тока, два цифроаналоговых преобразователя, седьмой контактор, к свободному выводу якорной обмотки первого тягового двигателя постоянного тока подключены последовательно соединенные якорная обмотка третьего тягового двигателя постоянного тока, шестой контактор, обмотка возбуждения третьего тягового двигателя постоянного тока, ее свободный вывод соединен с свободным выводом обмотки возбуждения первого тягового двигателя постоянного тока, к общему выводу шестого контактора и обмотки возбуждения третьего тягового двигателя постоянного тока подключен катод третьего диода, свободный вывод первого резистора соединен с общим выводом обмотки возбуждения первого тягового двигателя постоянного тока и второго контактора, свободный вывод которого соединен с общим выводом якорной обмотки четвертого тягового двигателя постоянного тока и землей, свободный вывод якорной обмотки четвертого тягового двигателя постоянного тока соединен с свободным выводом якорной обмотки второго тягового двигателя постоянного тока, свободный вывод обмотки возбуждения второго тягового двигателя постоянного тока соединен через обмотку возбуждения четвертого тягового двигателя постоянного тока с общим выводом первого контактора, катодом первого диода и свободным выводом второго резистора, катод второго диода соединен с свободным выводом пятого контактора, к общему выводу якорной обмотки третьего тягового двигателя постоянного тока и шестого контактора подключен вход первого цифроаналогового преобразователя, его выход соединен с анодом третьего диода, вход первого цифроаналогового преобразователя соединен через седьмой контактор с выходом второго цифроаналогового преобразователя и общим выводом якорной обмотки второго тягового двигателя постоянного тока и третьего контактора, вход второго цифроаналогового преобразователя соединен с катодом второго диода.
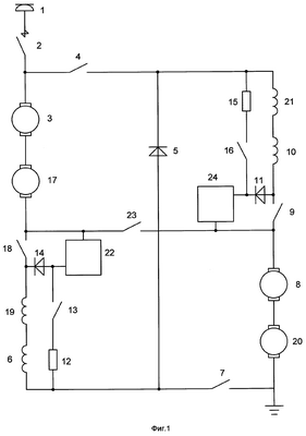
На фигуре 1 изображена функциональная схема предлагаемого устройства, на фигуре 2 – функциональная схема включения цифроаналоговых преобразователей.
В соответствии с фигурой 1 устройство для регулирования скорости электроподвижного состава, содержит последовательно соединенные источник питания 1, выключатель 2, якорную обмотку 3 первого тягового двигателя постоянного тока, к общему выводу выключателя 2 и якорной обмотки 3 первого тягового двигателя постоянного тока подключен первый контактор 4, его свободный вывод соединен с катодом первого диода 5, анод которого соединен с общим выводом обмотки возбуждения 6 первого тягового двигателя постоянного тока и второго контактора 7, последовательно соединенные якорную обмотку 8 второго тягового двигателя постоянного тока, третий контактор 9 и обмотку возбуждения 10 второго тягового двигателя постоянного тока, к общему выводу обмотки возбуждения 10 второго тягового двигателя постоянного тока и третьего контактора 9 подключен анод второго диода 11, последовательно соединенные первый резистор 12, четвертый контактор 13 и анод третьего диода 14, последовательно соединенные второй резистор 15 и пятый контактор 16, к свободному выводу якорной обмотки 3 первого тягового двигателя постоянного тока подключены последовательно соединенные якорная обмотка 17 третьего тягового двигателя постоянного тока, шестой контактор 18, обмотка возбуждения 19 третьего тягового двигателя постоянного тока, ее свободный вывод соединен с свободным выводом обмотки возбуждения 6 первого тягового двигателя постоянного тока, к общему выводу шестого контактора 18 и обмотки возбуждения 19 третьего тягового двигателя постоянного тока подключен катод третьего диода 14, свободный вывод первого резистора 12 соединен с общим выводом обмотки возбуждения 6 первого тягового двигателя постоянного тока и второго контактора 7, свободный вывод которого соединен с общим выводом якорной обмотки 20 четвертого тягового двигателя постоянного тока и землей, свободный вывод якорной обмотки 20 четвертого тягового двигателя постоянного тока соединен с свободным выводом якорной обмотки 8 второго тягового двигателя постоянного тока, свободный вывод обмотки возбуждения 10 второго тягового двигателя постоянного тока соединен через обмотку возбуждения 21 четвертого тягового двигателя постоянного тока с общим выводом первого контактора 4, катодом первого диода 5 и свободным выводом второго резистора 15, катод второго диода 11 соединен с свободным выводом пятого контактора 16, к общему выводу якорной обмотки 17 третьего тягового двигателя постоянного тока и шестого контактора 18 подключен вход первого цифроаналогового преобразователя (ЦАП) 22, его выход соединен с анодом третьего диода 13, вход первого цифроаналогового преобразователя 22 соединен через седьмой контактор 23 с выходом второго цифроаналогового преобразователя 24 и общим выводом якорной обмотки 8 второго тягового двигателя постоянного тока и третьего контактора 9, вход второго цифроаналогового преобразователя 24 соединен с катодом второго диода 11.
На фигуре 2 изображена функциональная схема включения первого 22 и второго 24 цифроаналоговых преобразователей, выполненных по схеме ЦАП параллельного типа с весовыми резисторами. Первый цифроаналоговый преобразователь 22 содержит резисторы 25.1-25.N, соединенные с коллекторами биполярных транзисторов с изолированными затворами 26.1-26.N соответственно, свободные выводы резисторов 25.1-25.N объединены и являются входом первого цифроаналогового преобразователя 22, эмиттеры биполярных транзисторов с изолированными затворами 26.1-26.N объединены и являются выходом первого цифроаналогового преобразователя 22, вход первого цифроаналогового преобразователя 22 соединен через седьмой контактор 23 с выходом второго цифроаналогового преобразователя 24, второй цифроаналоговый преобразователь 24 содержит резисторы 27.1-27.N, соединенные с коллекторами биполярных транзисторов с изолированными затворами 28.1-28.N, соответственно, свободные выводы резисторов 27.1-27.N объединены и являются входом второго цифроаналогового преобразователя 24, эмиттеры биполярных транзисторов с изолированными затворами 28.1-28.N объединены и являются выходом второго цифроаналогового преобразователя 24.
Устройство для регулирования скорости электроподвижного состава работает следующим образом. В режиме тяги при замкнутом выключателе 2 все четыре тяговых двигателя постоянного тока соединены последовательно, и ток протекает по цепи источник питания 1, выключатель 2 якорные обмотки 3 и 17 тяговых двигателей, цифроаналоговый преобразователь 22, диод 14, обмотки возбуждения 19 и 6 тяговых двигателей, диод 5, обмотки возбуждения 21 и 10 тяговых двигателей, диод 11, цифроаналоговый преобразователь 24, якорные обмотки 8 и 20 тяговых двигателей, земля. В начальный момент пуска контакторы 13 и 16 замкнуты и обмотки возбуждения 6, 19 и 10, 21 шунтированы резисторами 12 и 15 соответственно, а импеданс цифроаналоговых преобразователей 22 и 24 имеет максимальную величину. Дальнейший пуск осуществляется при выключенных контакторах 13 и 16, последовательным включением биполярных транзисторов с изолированными затворами 26.1-26.N и 28.1-28.N цифроаналоговых преобразователей 22 и 24, при этом их сопротивление плавно уменьшается от максимальной до минимальной величины. Когда все биполярные транзисторы с изолированными затворами 26.1-26.N и 28.1-28.N цифроаналоговых преобразователей 22 и 24 включены, к тяговым двигателям приложено все напряжение питания, контакторы 9, 18 и 13, 16 включаются, диоды 11 и 14 закрываются и обмотки возбуждения 6, 19 и 10, 21 шунтируются резисторами 12, 15 и включенными последовательно с ними цифроаналоговыми преобразователями 22 и 24, сопротивления которых имеют максимальную величину, чем достигается ослабление возбуждения. Дальнейшее ослабление возбуждения обеспечивается последовательным включением биполярных транзисторов с изолированными затворами 26.1-26.N и 28.1-28.N цифроаналоговых преобразователей 22, 24 и уменьшением величины их сопротивления. Минимальная величина коэффициента ослабления возбуждения определяется величиной сопротивления резисторов 12 и 15 включенных последовательно с цифроаналоговыми преобразователями 22 и 24. Переход на последовательно-параллельное соединение тяговых двигателей осуществляется включением контакторов 4 и 7, при этом контакторы 9, 18 и 13, 16 выключены, диод 5 закрывается, обеспечивая разделение последовательно-параллельного соединения первого, третьего и второго, четвертого тяговых двигателей. Поддержание тока и силы тяги в процессе перегруппировки тяговых двигателей обеспечивается предварительным введением в цепь тяговых двигателей максимальной величины сопротивлений цифроаналоговых преобразователей 22 и 24. Увеличение скорости вращения тяговых двигателей последовательно-параллельном соединении тяговых двигателей осуществляется одновременным включением биполярных транзисторов с изолированными затворами 26.1-26.N и 28.1-28.N цифроаналоговых преобразователей 22 и 24, при этом их сопротивления плавно уменьшаются от максимальной до минимальной величины. Ослабление возбуждения на последовательно-параллельном соединении тяговых двигателей происходит аналогично тому, как это происходит при последовательном соединении тяговых двигателей, включением контакторов 9, 18 и 13, 16. Режим электрического торможения осуществляется замыканием контакторов 4, 7 и 23. Ток якорных обмоток 3, 17 проходит по цепи контактор 4, обмотки возбуждения 10, 21, диод 11, цифроаналоговый преобразователь 24, контактор 23. Ток якорных обмоток 8, 20 протекает по цепи контактор 23, цифроаналоговый преобразователь 22, диод 14, обмотки возбуждения 6, 19, контактор 7. При достижении тока в якорных обмотках тока уставки включаются биполярные транзисторы с изолированными затворами 26.1-26.N и 28.1-28.N цифроаналоговых преобразователей 22 и 24, и их сопротивление плавно уменьшается, поддерживая токи якорей тяговых двигателей и тормозную силу на заданном уровне.
Предлагаемое схемное решение реализует поставленную задачу – реализовать режим электрического торможения и оптимизировать режим пуска и максимальной мощности, обеспечивая максимальный коэффициент полезного действия устройства, чем достигается экономия электроэнергии.
Формула изобретения
Устройство для регулирования скорости электроподвижного состава, содержащее последовательно соединенные источник питания, выключатель, якорную обмотку первого тягового двигателя постоянного тока, к общему выводу выключателя и якорной обмотки первого тягового двигателя постоянного тока подключен первый контактор, его свободный вывод соединен с катодом первого диода, анод которого соединен с общим выводом обмотки возбуждения первого тягового двигателя постоянного тока и второго контактора, последовательно соединенные якорную обмотку второго тягового двигателя постоянного тока, третий контактор и обмотку возбуждения второго тягового двигателя постоянного тока, к общему выводу обмотки возбуждения второго тягового двигателя постоянного тока и третьего контактора подключен анод второго диода, последовательно соединенные первый резистор, четвертый контактор и анод третьего диода, последовательно соединенные второй резистор и пятый контактор, шестой контактор, землю, отличающееся тем, что в него дополнительно введены два тяговых двигателя постоянного тока, два цифроаналоговых преобразователя, седьмой контактор, к свободному выводу якорной обмотки первого тягового двигателя постоянного тока подключены последовательно соединенные якорная обмотка третьего тягового двигателя постоянного тока, шестой контактор, обмотка возбуждения третьего тягового двигателя постоянного тока, ее свободный вывод соединен со свободным выводом обмотки возбуждения первого тягового двигателя постоянного тока, к общему выводу шестого контактора и обмотки возбуждения третьего тягового двигателя постоянного тока подключен катод третьего диода, свободный вывод первого резистора соединен с общим выводом обмотки возбуждения первого тягового двигателя постоянного тока и второго контактора, свободный вывод которого соединен с общим выводом якорной обмотки четвертого тягового двигателя постоянного тока и землей, свободный вывод якорной обмотки четвертого тягового двигателя постоянного тока соединен со свободным выводом якорной обмотки второго тягового двигателя постоянного тока, свободный вывод обмотки возбуждения второго тягового двигателя постоянного тока соединен через обмотку возбуждения четвертого тягового двигателя постоянного тока с общим выводом первого контактора, катодом первого диода и свободным выводом второго резистора, катод второго диода соединен со свободным выводом пятого контактора, к общему выводу якорной обмотки третьего тягового двигателя постоянного тока и шестого контактора подключен вход первого цифроаналогового преобразователя, его выход соединен с анодом третьего диода, вход первого цифроаналогового преобразователя соединен через седьмой контактор с выходом второго цифроаналогового преобразователя и общим выводом якорной обмотки второго тягового двигателя постоянного тока и третьего контактора, вход второго цифроаналогового преобразователя соединен с катодом второго диода.
РИСУНКИ
MM4A – Досрочное прекращение действия патента СССР или патента Российской Федерации на изобретение из-за неуплаты в установленный срок пошлины за поддержание патента в силе
Дата прекращения действия патента: 28.04.2008
Извещение опубликовано: 10.06.2010 БИ: 16/2010
|
|