|
|
(21), (22) Заявка: 2006115031/11, 02.05.2006
(24) Дата начала отсчета срока действия патента:
02.05.2006
(46) Опубликовано: 20.06.2007
(56) Список документов, цитированных в отчете о поиске:
SU 909783 А1, 28.02.1982. RU 2025310 С1, 30.12.1994. DE 3147096 А1, 09.06.1983. US 3930189 А1, 30.12.1975.
Адрес для переписки:
190031, Санкт-Петербург, Московский пр., 9, ПГУПС, патентный отдел
|
(72) Автор(ы):
Мазнев Александр Сергеевич (RU), Евстафьев Андрей Михайлович (RU)
(73) Патентообладатель(и):
Государственное образовательное учреждение высшего профессионального образования “Петербургский государственный университет путей сообщения” (RU)
|
(54) УСТРОЙСТВО ДЛЯ ЗАЩИТЫ ОТ БОКСОВАНИЯ
(57) Реферат:
Изобретение относится к области железнодорожного транспорта и может быть применено на транспортных средствах с тяговыми двигателями постоянного тока. Устройство для защиты от боксования содержит последовательно соединенные источник питания, якорные обмотки первого и второго тяговых двигателей постоянного тока, обмотки возбуждения первого и второго тяговых двигателей постоянного тока, землю. К общему выводу якорной обмотки второго тягового двигателя постоянного тока и обмотки возбуждения первого тягового двигателя постоянного тока подключен катод тиристора. Дополнительно введены блок контроля боксования, резистор, конденсатор, стабилитрон. Анод тиристора соединен с катодом стабилитрона и общим выводом резистора и конденсатора. К общему выводу источника питания и якорной обмотки первого тягового двигателя постоянного тока подключены свободный вывод резистора и первый вход блока контроля боксования. Второй вход соединен с общим выводом якорных обмоток первого и второго тяговых двигателей постоянного тока. Третий вход блока контроля боксования подключен к общему выводу якорной обмотки второго тягового двигателя постоянного тока и обмотки возбуждения первого тягового двигателя постоянного тока. Выход блока контроля боксования соединен с электродом управления тиристора. Свободный вывод конденсатора и анод стабилитрона подключены к земле. Изобретение направлено на повышение надежности и сокращение расходов электроэнергии. 1 ил.
Изобретение относится к области железнодорожного транспорта и может быть применено на транспортных средствах с тяговыми двигателями постоянного тока.
Известно устройство для защиты от боксования, которое содержит два тяговых двигателя постоянного тока, восемь тиристоров, один контактор, трансформатор (А.С.Курбасов. Повышение работоспособности тяговых электродвигателей, Москва: Транспорт, 1977 г, с.127-128).
Недостаток устройства: устройство для защиты от боксования требует отдельного источника питания большой мощности, потребляющего дополнительную электроэнергию от контактной сети, трансформатора, большого количества дополнительных силовых полупроводниковых приборов и связей, что в целом снижает надежность устройства и ухудшает его массогабаритные показатели.
Известно устройство для защиты от боксования, которое содержит источник питания, два тяговых двигателя постоянного тока, четыре тиристора, инвертор, трансформатор (SU 909783, Н02Р 7/68, 1982 – прототип).
Недостаток устройства: устройство для защиты от боксования требует отдельного источника питания большой мощности, потребляющего дополнительную электроэнергию от контактной сети, трансформатора, большого количества дополнительных силовых полупроводниковых приборов и связей, что в целом снижает надежность устройства и ухудшает его массогабаритные показатели.
Задача изобретения – повысить надежность за счет упрощения устройства и сократить расход электроэнергии за счет исключения отдельного источника питания большой мощности, потребляющего дополнительную электроэнергию от контактной сети.
Технический результат достигается тем, что в устройство для защиты от боксования, содержащее последовательно соединенные источник питания, якорные обмотки первого и второго тяговых двигателей постоянного тока, обмотки возбуждения первого и второго тяговых двигателей постоянного тока, землю, к общему выводу якорной обмотки второго тягового двигателя постоянного тока и обмотки возбуждения первого тягового двигателя постоянного тока подключен катод тиристора, в него дополнительно введены блок контроля боксования, резистор, конденсатор, стабилитрон, анод тиристора соединен с катодом стабилитрона и общим выводом резистора и конденсатора, к общему выводу источника питания и якорной обмотки первого тягового двигателя постоянного тока подключены свободный вывод резистора и первый вход блока контроля боксования, его второй вход соединен с общим выводом якорных обмоток первого и второго тяговых двигателей постоянного тока, третий вход блока контроля боксования подключен к общему выводу якорной обмотки второго тягового двигателя постоянного тока и обмотки возбуждения первого тягового двигателя постоянного тока, выход блока контроля боксования соединен с электродом управления тиристора, свободный вывод конденсатора и анод стабилитрона подключены к земле.
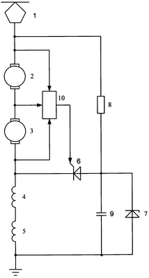
На чертеже изображена принципиальная электрическая схема предлагаемого устройства.
В соответствии с чертежом устройство для защиты от боксования, содержащее последовательно соединенные источник питания 1, якорные обмотки первого 2 и второго 3 тяговых двигателей постоянного тока, обмотки возбуждения первого 4 и второго 5 тяговых двигателей постоянного тока, землю, к общему выводу якорной обмотки 3 второго тягового двигателя постоянного тока и обмотки возбуждения 4 первого тягового двигателя постоянного тока подключен катод тиристора 6, анод тиристора соединен с катодом стабилитрона 7 и общим выводом резистора 8 и конденсатора большой емкости (ионистора) 9, к общему выводу источника питания 1 и якорной обмотки 2 первого тягового двигателя постоянного тока подключены свободный вывод резистора 8 и первый вход блока контроля боксования 10, содержащий резисторы и реле боксования (Б.К.Просвирин. Электропоезда постоянного тока. Москва: 2001 г., с.258-259), его второй вход соединен с общим выводом якорных обмоток первого 2 и второго 3 тяговых двигателей постоянного тока, третий вход блока контроля боксования 10 подключен к общему выводу якорной обмотки 3 второго тягового двигателя постоянного тока и обмотки возбуждения 4 первого тягового двигателя постоянного тока, выход блока контроля боксования 10 соединен с электродом управления тиристора 6, свободный вывод конденсатора большой емкости (ионистора) 9 и анод стабилитрона 7 подключены к земле.
Устройство для защиты от боксования работает следующим образом. При отсутствии боксования ток от источника питания 1 протекает по цепи якорных обмоток первого 2 и второго 3 тяговых двигателей постоянного тока, обмоток возбуждения первого 4 и второго 5 тяговых двигателей постоянного тока – земля. Одновременно через резистор 8 заряжается конденсатор большой емкости (ионистор) 9. Напряжение заряда ограничивается стабилитроном 7, включенным параллельно конденсатору большой емкости (ионистору) 9. Напряжение стабилизации стабилитрона 7 выбрано таким, чтобы конденсатор большой емкости (ионистор) 9 при отсутствии боксования зарядился до напряжения больше, чем напряжение на обмотках возбуждения первого 4 и второго 5 тяговых двигателей постоянного тока. При возникновении боксования на выходе блока контроля боксования 10 появляется сигнал на включение тиристора 6. Тиристор открывается и конденсатор большой емкости (ионистор) 9 разряжается на сопротивление обмоток возбуждения первого 4 и второго 5 тяговых двигателей постоянного тока, при этом ток якорных обмоток первого 2 и второго 3 тяговых двигателей и сила тяги снижаются, что приводит к прекращению боксования. В процессе разряда конденсатора большой емкости (ионистора) 9 ток через тиристор 6 уменьшается до величины меньшей тока удержания и тиристор 6 выключается. Величина резистора 8 выбирается из условия, что ток заряда конденсатора большой емкости (ионистора) 9 должен быть меньше тока удержания тиристора 6.
Предлагаемое схемное решение реализует поставленную задачу – повысить надежность за счет упрощения устройства и сократить расход электроэнергии за счет исключения отдельного источника питания большой мощности, потребляющего дополнительную электроэнергию от контактной сети.
Формула изобретения
Устройство для защиты от боксования, содержащее последовательно соединенные источник питания, якорные обмотки первого и второго тяговых двигателей постоянного тока, обмотки возбуждения первого и второго тяговых двигателей постоянного тока, землю, к общему выводу якорной обмотки второго тягового двигателя постоянного тока и обмотки возбуждения первого тягового двигателя постоянного тока подключен катод тиристора, отличающееся тем, что в него дополнительно введены блок контроля боксования, резистор, конденсатор, стабилитрон, анод тиристора соединен с катодом стабилитрона и общим выводом резистора и конденсатора, к общему выводу источника питания и якорной обмотки первого тягового двигателя постоянного тока подключены свободный вывод резистора и первый вход блока контроля боксования, его второй вход соединен с общим выводом якорных обмоток первого и второго тяговых двигателей постоянного тока, третий вход блока контроля боксования подключен к общему выводу якорной обмотки второго тягового двигателя постоянного тока и обмотки возбуждения первого тягового двигателя постоянного тока, выход блока контроля боксования соединен с электродом управления тиристора, свободный вывод конденсатора и анод стабилитрона подключены к земле.
РИСУНКИ
|
|