|
|
(21), (22) Заявка: 2005140539/03, 23.12.2005
(24) Дата начала отсчета срока действия патента:
23.12.2005
(46) Опубликовано: 10.06.2007
(56) Список документов, цитированных в отчете о поиске:
RU 2235249 C1, 27.08.2004. SU 966426 A, 15.10.1982. SU 76726 A, 31.10.1949. СОКОЛОВ Е.Я. Теплофикация и тепловые сети. – М.: МЭИ, 2001, рис.3.6(д, е), с.92, 93, рис.3.10 (д, е), стр.100. СОСНИН Ю.П. Отопление и горячее водоснабжение индивидуального дома. – М.: Стройиздат, 1991, с.88, 89, рис.56.
Адрес для переписки:
432027, г.Ульяновск, Северный Венец, 32, ГОУ ВПО “Ульяновский государственный технический университет”, проректору по научной работе
|
(72) Автор(ы):
Шарапов Владимир Иванович (RU), Шепелев Игорь Николаевич (RU), Орлов Михаил Евгеньевич (RU), Ротов Павел Валерьевич (RU)
(73) Патентообладатель(и):
Государственное образовательное учреждение высшего профессионального образования “Ульяновский государственный технический университет” (RU)
|
(54) СПОСОБ ТЕПЛОСНАБЖЕНИЯ
(57) Реферат:
Изобретение относится к области теплоэнергетики и может быть использовано в системах теплоснабжения. Технический результат: повышение экономичности теплоснабжения путем загрузки пиковых источников теплоты в базовый период теплоснабжения, снижения расхода циркуляционной сетевой воды в теплосети и уменьшения диаметра трубопроводов тепловой сети, снижения начальных затрат на ее сооружения, удешевления транспорта и распределения теплоносителя. Способ теплоснабжения, в котором базовую тепловую нагрузку системы теплоснабжения обеспечивают путем нагрева теплоносителя в сетевых подогревателях паром отборов турбин ТЭЦ, теплоноситель транспортируют по тепловым сетям в системы отопления жилых, общественных или производственных зданий, пиковую тепловую нагрузку систем отопления жилых, общественных или производственных зданий покрывают автономными пиковыми источниками теплоты. В базовый период отопительного сезона воду на горячее водоснабжение нагревают в теплообменнике теплоносителем после отопительных приборов. Затем ее догревают до требуемой температуры в автономных пиковых источниках теплоты и направляют потребителям. В пиковый период отопительного сезона воду на горячее водоснабжение нагревают в теплообменнике теплоносителем после отопительных приборов и без дополнительного догрева подают потребителям. 1 ил.
Изобретение относится к области теплоэнергетики и может быть использовано в системах теплоснабжения.
Этот аналог принят в качестве прототипа.
Недостатком аналогов и прототипа является пониженная экономичность системы теплоснабжения. Пониженная экономичность обусловлена не использованием пиковых источников теплоты в базовый период теплоснабжения, большой циркуляцией сетевой воды в теплосети. Это вызывает увеличение диаметров тепловых сетей и рост начальных затрат на их сооружение, а также увеличение расхода электрической энергии на перекачку и распределение теплоносителя.
Техническим результатом, достигаемым настоящим изобретением, является повышение экономичности теплоснабжения путем загрузки пиковых источников теплоты в базовый период теплоснабжения, снижения расхода циркуляционной сетевой воды в теплосети и уменьшения диаметра трубопроводов тепловой сети, снижения начальных затрат на ее сооружения, удешевления транспорта и распределения теплоносителя.
Для достижения этого результата предложен способ теплоснабжения, по которому базовую тепловую нагрузку системы теплоснабжения обеспечивают путем нагрева теплоносителя в сетевых подогревателях паром отборов турбин ТЭЦ, теплоноситель транспортируют по тепловым сетям в системы отопления жилых, общественных или производственных зданий, пиковую тепловую нагрузку систем отопления жилых, общественных или производственных зданий покрывают автономными пиковыми источниками теплоты.
Отличием заявленного способа системы теплоснабжения является то, что в базовый период отопительного сезона воду на горячее водоснабжение нагревают в теплообменнике теплоносителем после отопительных приборов, затем догревают до требуемой температуры в автономных пиковых источниках теплоты и направляют потребителям, а в пиковый период отопительного сезона воду на горячее водоснабжение нагревают в теплообменнике теплоносителем после отопительных приборов и без дополнительного догрева подают потребителям.
Новый отличительный признак, характеризующий способ теплоснабжения, позволяет повысить экономичность теплоснабжения за счет загрузки пиковых источников теплоты в базовый период теплоснабжения, снижения расхода циркуляционной сетевой воды в теплосети и уменьшения диаметра трубопроводов тепловой сети, снижения начальных затрат на ее сооружения, удешевления транспорта и распределения теплоносителя.
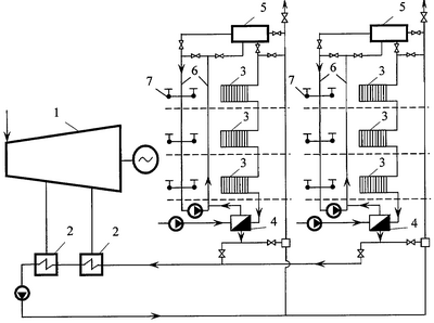
На чертеже изображена схема системы теплоснабжения. Система теплоснабжения содержит установленную на ТЭЦ теплофикационную турбину 1, к которой подключены установленные в качестве базовых источников теплоты сетевые подогреватели 2, включенные по нагреваемой среде в тепловые сети, соединенные с отопительными приборами 3 жилых, общественных, производственных зданий. Автономные пиковые источники теплоты 5 установлены в жилых, общественных или производственных зданиях. Теплообменник 4 и автономный пиковый источник теплоты 5 включены по нагреваемой среде в трубопровод горячего водоснабжения 6. Трубопровод горячего водоснабжения 6 содержит водоразборные приборы 7.
Система теплоснабжения работает следующим образом.
Базовую нагрузку системы централизованного теплоснабжения покрывают за счет отборов пара теплофикационной турбины 1, для чего циркулирующий в системе теплоноситель нагревают в двух последовательно включенных сетевых подогревателях 2. Далее теплоноситель транспортируют по тепловым сетям в системы отопления жилых, общественных или производственных зданий в отопительные приборы 3. Пиковую тепловую нагрузку покрывают автономными пиковыми источниками теплоты 5, установленными в жилых, общественных, производственных зданиях. В базовый период отопительного сезона воду на горячее водоснабжение нагревают в теплообменнике 4 теплоносителем после отопительных приборов 3. Затем воду на горячее водоснабжение по трубопроводу 6 направляют в автономный пиковый источник теплоты 5, где догревают до требуемой температуры и подают через водоразборные приборы 7 потребителям. В пиковый период отопительного сезона воду на горячее водоснабжение нагревают в теплообменнике 4 теплоносителем, после отопительных приборов 3, и без дополнительного догрева в автономный пиковый источник теплоты 5 подают потребителям через водоразборные приборы 7.
Формула изобретения
Способ теплоснабжения, по которому базовую тепловую нагрузку системы теплоснабжения обеспечивают путем нагрева теплоносителя в сетевых подогревателях паром отборов турбин ТЭЦ, теплоноситель транспортируют по тепловым сетям в системы отопления жилых, общественных или производственных зданий, пиковую тепловую нагрузку систем отопления жилых, общественных или производственных зданий покрывают автономными пиковыми источниками теплоты, отличающийся тем, что в базовый период отопительного сезона воду на горячее водоснабжение нагревают в теплообменнике теплоносителем после отопительных приборов, затем догревают до требуемой температуры в автономных пиковых источниках теплоты и направляют потребителям, а в пиковый период отопительного сезона воду на горячее водоснабжение нагревают в теплообменнике теплоносителем после отопительных приборов и без дополнительного догрева подают потребителям.
РИСУНКИ
MM4A – Досрочное прекращение действия патента СССР или патента Российской Федерации на изобретение из-за неуплаты в установленный срок пошлины за поддержание патента в силе
Дата прекращения действия патента: 24.12.2007
Извещение опубликовано: 20.05.2009 БИ: 14/2009
NF4A – Восстановление действия патента СССР или патента Российской Федерации на изобретение
Дата, с которой действие патента восстановлено: 20.04.2010
Извещение опубликовано: 20.04.2010 БИ: 11/2010
|
|