|
|
(21), (22) Заявка: 2005138392/06, 09.12.2005
(24) Дата начала отсчета срока действия патента:
09.12.2005
(46) Опубликовано: 10.06.2007
(56) Список документов, цитированных в отчете о поиске:
RU 2196243 С2, 10.01.2003. RU 256372 C1, 20.09.2000. RU 2261354 C1, 27.09.2005. RU 2156373 C1, 20.09.2000. RU 2261352 С1, 27.09.2005. US 2002017098 A1, 14.02.2002. EP 1083393 A1, 14.03.2001. WO 99/40310 A1, 12.08.1999. JP 1151724 A1, 14.06.1989.
Адрес для переписки:
197046, Санкт-Петербург, Каменноостровский пр., 1/3, офис 30, ООО “Юридическая фирма Городисский и Партнеры”, директору В.М.Станковскому
|
(72) Автор(ы):
Кириллов Николай Геннадьевич (RU), Кириленко Артур Владимирович (RU)
(73) Патентообладатель(и):
Общество с ограниченной ответственностью “Инновационно-исследовательский центр “Стирлинг-технологии” (RU)
|
(54) КОГЕНЕРАЦИОННАЯ УСТАНОВКА С ДВИГАТЕЛЕМ СТИРЛИНГА НА МЕСТНОМ ТОПЛИВЕ
(57) Реферат:
Изобретение относится к области автономной энергетики и когенерационных установок с двигателями Стирлинга, предназначено для одновременного производства электроэнергии и тепла. Достигаемый технический результат – обеспечение возможности работы установки на различных видах местного топлива (древесины, торфа, горючих сланцев и т.д.), повышение ресурса работы двигателя и упрощение конструкции системы передачи теплоты от двигателя к внешним потребителям. Когенерационная установка включает в себя двигатель Стирлинга с электрогенератором на одном валу, систему охлаждения двигателя Стирлинга, имеющую в своем составе насос и теплообменник-охладитель, через который проходит магистраль подачи воздуха, систему внешнего теплоснабжения с теплообменником-утилизатором теплоты отработанных газов и теплообменником предварительного подогрева, через который система внешнего теплоснабжения связана с системой охлаждения двигателя Стирлинга, и магистраль отработанных газов. Установка дополнительно снабжена газогенератором, обеспечивающим производство генераторного газа из различных видов местного топлива, магистралью генераторного газа, соединяющей газогенератор с камерой сгорания двигателя Стирлинга, магистралью частичного возврата отработанных газов в камеру сгорания двигателя Стирлинга, насосом в системе внешнего теплоснабжения, обеспечивающим движение теплоносителя последовательно через теплообменник предварительного подогрева и теплообменник-утилизатор теплоты отработанных газов. В качестве местного топлива может применяться древесина, торф и горючие сланцы. 1 ил.
Изобретение относится к области автономной энергетики и когенерационных установок с двигателями Стирлинга, предназначено для одновременного производства электроэнергии и тепла.
Известны принцип работы и устройство двигателя Стирлинга, включающее в себя камеру сгорания, топливную форсунку, нагреватель, горячую полость, регенератор, вытеснитель, рабочий поршень, холодильник, холодную полость, цилиндр и привод (Г.Ридер, Ч.Хупер. Двигатели Стирлинга. М.: Изд. “Мир”, 1986, стр.55).
Известно устройство газогенераторов для производства генераторного газа из местного топлива (древесины, торфа, сланцев и т.д.) и его применение в двигателях внутреннего сгорания, в отопительных печах, в паровых котельных и т.д. (Тагеев Д.Л. Использование местного топлива. Ленинград, 1940, стр.14-21). Однако не известно применение генераторного газа в двигателях с внешним подводом теплоты – в двигателях Стирлинга.
Известно устройство современной газогенераторной установки, при работе которой получаемый генераторный газ содержит до 27% Н2, с низшей теплотой сгорания до 5 МДж/м3 (Леонтьев А.К., Понорков Н.В., Смоляков А.Ф. Получение и использование газообразного топлива из древесных отходов. Обзор, инфрм. – М.: ВНИПИЭИлеспром, вып.27, 1986. – 24 с.)
Известно устройство комбинированной Стирлинг-установки для одновременного производства электроэнергии и тепла, включающей в себя двигатель Стирлинга с генератором на одном валу, систему охлаждения двигателя Стирлинга, имеющую в своем составе насос и теплообменник-охладитель, через который проходит магистраль подачи воздуха, систему внешнего теплоснабжения с теплообменником-утилизатором теплоты отработанных газов и теплообменником предварительного подогрева, через который система внешнего теплоснабжения связана с системой охлаждения двигателя Стирлинга, и магистраль отработанных газов (Патент РФ №2196243, Бюл. №1, 10.01.2003). Однако устройство данной когенерационной установки не приспособлено к работе на местном топливе, имеет сложное конструктивное исполнение, связанное с использованием пара.
Технический результат, который может быть получен при осуществлении изобретения, заключается в возможности работы установки на различных видах местного топлива, повышении ресурса работы двигателя и упрощении конструкции системы передачи теплоты от двигателя к внешним потребителям.
Для достижения этого технического результата когенерационная установка с двигателем Стирлинга на местном топливе, включающая в себя двигатель Стирлинга с электрогенератором на одном валу, систему охлаждения двигателя Стирлинга, имеющую в своем составе насос и теплообменник-охладитель, через который проходит магистраль подачи воздуха, систему внешнего теплоснабжения с теплообменником-утилизатором теплоты отработанных газов и теплообменником предварительного подогрева, через который система внешнего теплоснабжения связана с системой охлаждения двигателя Стирлинга, и магистраль отработанных газов, снабжена газогенератором, обеспечивающим производство генераторного газа из различных видов местного топлива, магистралью генераторного газа, соединяющей газогенератор с камерой сгорания двигателя Стирлинга, магистралью частичного возврата отработанных газов в камеру сгорания двигателя Стирлинга, насосом в системе внешнего теплоснабжения, обеспечивающим движение теплоносителя последовательно через теплообменник подогрева и теплообменник-утилизатор теплоты отработанных газов, при этом в качестве местного топлива может применяться древесина, торф и горючие сланцы.
Введение в состав когенерационной установки с двигателем Стирлинга на местном топливе газогенератора, обеспечивающим производство генераторного газа и магистрали частичного возврата отработанных газов в камеру сгорания двигателя Стирлинга, позволяет получить новое свойство, заключающееся в возможности использования для работы Стирлинга различных видов местного топлива, увеличения долговечности работы камеры сгорания и нагревателя двигателя Стирлинга за счет снижения температуры горения генераторного газа вследствие подвода в камеру сгорания отработанных газов.
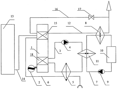
На чертеже изображена когенерационная установка с двигателем Стирлинга на местном топливе.
Когенерационная установка с двигателем Стирлинга на местном топливе включает в себя двигатель Стирлинга 1 с электрогенератором 2 на одном валу, систему охлаждения 3 двигателя Стирлинга 1, имеющую в своем составе насос 4 и теплообменник-охладитель 5, через который проходит магистраль подачи воздуха 6, систему 7 внешнего теплоснабжения с теплообменником-утилизатором теплоты отработанных газов 8, насосом 9, потребителем тепла 10 и теплообменником предварительного подогрева 11, через который система внешнего теплоснабжения 7 связана с системой охлаждения двигателя Стирлинга 3, магистраль отработанных газов 12, газогенератор 13, обеспечивающий производство генераторного газа из различных видов местного топлива, магистраль генераторного газа 14, соединяющего газогенератор 13 с камерой сгорания 15 двигателя Стирлинга 1 и магистраль частичного возврата отработанных газов 16 с регулирующим клапаном 17. Система охлаждения двигателя 3 проходит через холодильник двигателя Стирлинга 18.
Когенерационная установка с двигателем Стирлинга на местном топливе работает следующим образом.
При работе двигатель Стирлинга 1 производит полезную энергию, преобразуемую в электрическую энергию с помощью электрогенератора 2, расположенного на одном валу с двигателем 1. Для охлаждения двигателя 1 в холодильник 18 из системы охлаждения 3 подается охлаждающая жидкость. Охладив двигатель 1, нагретая охлаждающая жидкость из холодильника 18 с помощью насоса 4 поступает в теплообменник подогрева 11, где передает часть теплоты теплоносителю системы внешнего теплоснабжения 7. Затем охлаждающая жидкость поступает в теплообменник-охладитель 5, где охлаждается до температуры окружающей среды за счет теплообмена с воздухом, поступающим по магистрали подачи воздуха 6, и возвращается в холодильник 18.
Для обеспечения работы двигателя Стирлинга 1 из газогенератора 13, где происходит газификация твердого местного топлива (древесины, торфа, отходов сельского хозяйства и т.д.), по магистрали 14 подается в камеру сгорания 15 генераторный газ. Для его горения по магистрали 6 подается предварительно подогретый воздух. Отработанные газы из камеры сгорания 15 по магистрали 12 подаются в теплообменник-утилизатор теплоты отработанных газов 8, где передают свою теплоту теплоносителю системы внешнего теплоснабжения 7. Из теплообменника-утилизатора теплоты отработанных газов 8 горячий теплоноситель поступает к потребителю теплоты 10, где отдает тепло, а затем поступает в теплообменник предварительного подогрева 11, где частично нагревается от охлаждающей жидкости системы охлаждения 3 двигателя Стирлинга 1. Циркуляция теплоносителя в систем внешнего теплоснабжения 7 осуществляется с помощью насоса 9.
Для повышения ресурса двигателя Стирлинга 1 и увеличения долговечности работы камеры сгорания 15, часть отработанных газов по магистрали 16 возвращают в камеру сгорания 15, что обеспечивает снижение температуры горения смеси генераторного газа и воздуха. Для регулирования подачи отработанных газов в камеру сгорания 15 на магистрали 16 установлен регулирующий клапан 17.
Источники информации, принятые во внимание при составлении заявки
1. Г.Ридер, Ч.Хупер. Двигатели Стирлинга. М.: Изд. “Мир”, 1986, стр.55.
2. Тагеев Д.Л. Использование местного топлива. Ленинград, 1940, стр.14-21.
3. Леонтьев А.К., Понорков Н.В., Смоляков А.Ф. Получение и использование газообразного топлива из древесных отходов. Обзор, инфрм. – М.: ВНИПИЭИлеспром, вып.27, 1986. – 24 с.
4. Патент РФ №2196243, Бюл. №1 от 10.01.2003 – прототип.
Формула изобретения
Когенерационная установка с двигателем Стирлинга на местном топливе, включающая в себя двигатель Стирлинга с электрогенератором на одном валу, систему охлаждения двигателя Стирлинга, имеющую в своем составе насос и теплообменник-охладитель, через который проходит магистраль подачи воздуха, систему внешнего теплоснабжения с теплообменником-утилизатором теплоты отработанных газов и теплообменником предварительного подогрева, через который система внешнего теплоснабжения связана с системой охлаждения двигателя Стирлинга, и магистраль отработанных газов, отличающаяся тем, что снабжена газогенератором, обеспечивающим производство генераторного газа из различных видов местного топлива, магистралью генераторного газа, соединяющей газогенератор с камерой сгорания двигателя Стирлинга, магистралью частичного возврата отработанных газов в камеру сгорания двигателя Стирлинга, насосом в системе внешнего теплоснабжения, обеспечивающим движение теплоносителя последовательно через теплообменник предварительного подогрева и теплообменник-утилизатор теплоты отработанных газов, при этом в качестве местного топлива может применяться древесина, торф и горючие сланцы.
РИСУНКИ
|
|