|
| На основании пункта 3 статьи 13 Патентного закона Российской Федерации от 23 сентября 1992 г. № 3517-I патентообладатель обязуется передать исключительное право на изобретение (уступить патент) на условиях, соответствующих установившейся практике, лицу, первому изъявившему такое желание и уведомившему об этом патентообладателя и федеральный орган исполнительной власти по интеллектуальной собственности, – гражданину РФ или российскому юридическому лицу. |
|
(21), (22) Заявка: 2005138998/06, 15.12.2005
(24) Дата начала отсчета срока действия патента:
15.12.2005
(46) Опубликовано: 10.06.2007
(56) Список документов, цитированных в отчете о поиске:
SU 666279 A1, 05.06.1979. SU 1544995 A, 23.02.1990. SU 1815356 A1, 15.05.1993. RU 49906 U1, 10.12.2005. RU 47978 U1, 21.03.2005. SU 371354 A1, 01.01.1973. RU 2062889 С1, 27.06.1996. GB 1408030 А, 01.10.1975. JP 59122716 А, 16.07.1984. JP 61108821 А, 27.05.1986. JP 60108514 А, 14.06.1985.
Адрес для переписки:
123458, Москва, ул. Твардовского, 11, кв.92, О.С. Кочетову
|
(72) Автор(ы):
Кочетов Олег Савельевич (RU), Кочетова Мария Олеговна (RU), Львов Геннадий Васильевич (RU), Львова Наталья Анатольевна (RU), Львова Юлия Геннадиевна (RU), Львов Михаил Геннадиевич (RU), Кочетов Сергей Савельевич (RU), Кочетов Сергей Сергеевич (RU), Шестернинов Александр Владимирович (RU), Шестернинов Владимир Александрович (RU), Шестернинов Сергей Владимирович (RU), Шестернинов Александр Сергеевич (RU)
(73) Патентообладатель(и):
Кочетов Олег Савельевич (RU)
|
(54) АЭРОДИНАМИЧЕСКИЙ ГЛУШИТЕЛЬ ВЫПУСКА ТИПА “КЛШ”
(57) Реферат:
Изобретение относится к средствам глушения аэродинамического шума пневматического оборудования и систем выпуска сжатого газа или воздуха. Технический результат – повышение эффективности шумоглушения. Глушитель шума содержит впускной патрубок и жестко связанный с ним корпус, содержащий шумопоглощающий элемент. Корпус содержит патрубок, выполненный в виде одной из боковых крышек корпуса, имеющей коническую и цилиндрическую части. Перпендикулярно к оси цилиндрической части установлена вставка, содержащая два перфорированных диска, между которыми размещен шумопоглощающий элемент, поджимаемый посредством резьбовых поверхностей другой крышкой корпуса, в которой выполнены выходные отверстия. Отношение длины Н корпуса к его диаметру D находится в диапазоне оптимальных величин: H/D=1,0…1,5. 5 з.п. ф-лы, 1 ил.
Изобретение относится к средствам глушения аэродинамического шума пневматического оборудования и систем выпуска сжатого газа или воздуха.
Наиболее близким техническим решением по технической сущности является глушитель шума выхлопа, содержащий впускной патрубок и примыкающий к нему корпус из пористого материала (а.с. СССР №666279, F01N 1/24, 1972 г. – прототип).
Недостатком известного технического решения является сравнительно невысокая эффективность шумоглушения на низких частотах.
Технический результат – повышение эффективности шумоглушения.
Это достигается тем, что в глушителе шума, содержащем впускной патрубок и жестко связанный с ним корпус из пористого материала, корпус содержит патрубок, выполненный в виде одной из боковых крышек корпуса, имеющей коническую и цилиндрическую части, причем перпендикулярно к оси цилиндрической части установлена вставка, содержащая два перфорированных диска, между которыми размещен шумопоглощающий элемент, поджимаемый посредством резьбовых поверхностей другой крышкой корпуса, в которой выполнены выходные отверстия, причем отношение длины Н корпуса к его диаметру D находится в диапазоне оптимальных величин: H/D=1,0…1,5. Шумопоглощающий элемент 7 может быть выполнен на основе алюминесодержащих сплавов с последующим наполнением их гидридом титана или воздухом с плотностью в пределах 0,5…0,9 кг/м3 со следующими прочностными свойствами: прочность на сжатие в пределах 5…10 МПа, прочность на изгиб в пределах 10…20 МПа, или из мягкого вспененного пористого шумопоглощающего материала, например вспененного пенополиуретана или пенополиэтилена, или из жесткого пористого шумопоглощающего материала, например пеноалюминия. Шумопоглощающий элемент может быть выполнен из минеральной ваты на базальтовой основе типа “Rockwool”, или минеральной ваты типа “URSA”, или базальтовой ваты типа П-75, или стекловаты с облицовкой стекловойлоком, или вспененного полимера, например полиэтилена или полипропилена, причем звукопоглощающий элемент по всей своей поверхности облицован акустически прозрачным материалом, например стеклотканью типа ЭЗ-100 или полимером типа “Повиден”. Два перфорированных диска, между которыми размещен шумопоглощающий элемент, могут быть выполнены из нержавеющей стали или оцинкованного листа толщиной 0,7 мм с полимерным защитно-декоративным покрытием типа “Пурал” толщиной 50 мкм или “Полиэстер” толщиной 25 мкм, или алюминиевого листа толщиной 1,0 мм и толщиной покрытия 25 мкм.
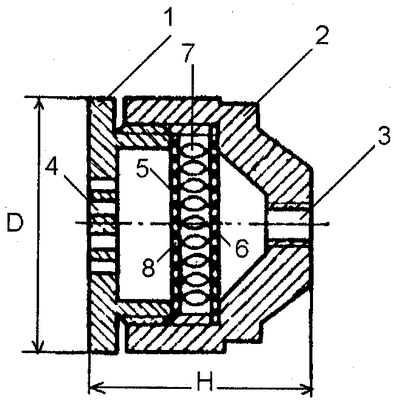
На чертеже представлен фронтальный разрез предлагаемого глушителя шума.
Глушитель шума содержит впускной патрубок 2 с отверстием 3 и жестко связанный с ним корпус. Корпус содержит патрубок, выполненный в виде одной из боковых крышек 2, имеющей коническую и цилиндрическую части, причем перпендикулярно к оси цилиндрической части установлена вставка, содержащая два перфорированных диска 6 и 8, между которыми размещен шумопоглощающий элемент 7, поджимаемый посредством резьбовых поверхностей другой крышкой корпуса 1, в которой выполнены выходные отверстия 4, причем отношение длины Н корпуса к его диаметру D находится в диапазоне оптимальных величин: H/D=1,0…1,5. Диаметр 5 перфорации дисков 6 и 8 выбирается в диапазоне 1…5 мм. Шумопоглощающий элемент 7 может быть выполнен на основе алюминесодержащих сплавов с последующим наполнением их гидридом титана или воздухом с плотностью в пределах 0,5…0,9 кг/м3 со следующими прочностными свойствами: прочность на сжатие в пределах 5…10 МПа, прочность на изгиб в пределах 10…20 МПа, или из мягкого вспененного пористого шумопоглощающего материала, например вспененного пенополиуретана или пенополиэтилена, или из жесткого пористого шумопоглощающего материала, например пеноалюминия. Шумопоглощающий элемент 7 может быть выполнен из минеральной ваты на базальтовой основе типа “Rockwool”, или минеральной ваты типа “URSA”, или базальтовой ваты типа П-75, или стекловаты с облицовкой стекловойлоком, или вспененного полимера, например полиэтилена или полипропилена, причем звукопоглощающий элемент по всей своей поверхности облицован акустически прозрачным материалом, например стеклотканью типа ЭЗ-100 или полимером типа “Повиден”. Два перфорированных диска 6 и 8, между которыми размещен шумопоглощающий элемент, могут быть выполнены из нержавеющей стали или оцинкованного листа толщиной 0,7 мм с полимерным защитно-декоративным покрытием типа “Пурал” толщиной 50 мкм или “Полиэстер” толщиной 25 мкм, или алюминиевого листа толщиной 1,0 мм и толщиной покрытия 25 мкм.
Глушитель шума работает следующим образом.
Звуковые волны вместе с турбулентным потоком сжатого воздуха от пневматического оборудования поступают через впускной патрубок 2, через его отверстие 3 в корпус. При этом явление лучевого эффекта полностью исключается за счет наличия перфорированных дисков 6 и 8, между которыми размещен шумопоглощающий элемент 7. Эффективность шумоглушения возрастает за счет подбора геометрических параметров корпуса и пористости структуры предлагаемых шумопоглощающих материалов.
Формула изобретения
1. Глушитель шума, содержащий впускной патрубок и жестко связанный с ним корпус, содержащий шумопоглощающий элемент, отличающийся тем, что корпус содержит патрубок, выполненный в виде одной из боковых крышек корпуса, имеющей коническую и цилиндрическую части, причем перпендикулярно к оси цилиндрической части установлена вставка, содержащая два перфорированных диска, между которыми размещен шумопоглощающий элемент, поджимаемый посредством резьбовых поверхностей другой крышкой корпуса, в которой выполнены выходные отверстия, причем отношение длины Н корпуса к его диаметру D находится в диапазоне оптимальных величин: H/D=1,0…1,5.
2. Глушитель шума по п.1, отличающийся тем, что шумопоглощающий элемент выполнен на основе алюминосодержащих сплавов с последующим наполнением их гидридом титана или воздухом с плотностью в пределах 0,5…0,9 кг/м3 со следующими прочностными свойствами: прочность на сжатие в пределах 5…10 МПа, прочность на изгиб в пределах 10…20 МПа.
3. Глушитель шума по п.1, отличающийся тем, что шумопоглощающий элемент выполнен из мягкого вспененного пористого шумопоглощающего материала, например вспененного пенополиуретана или пенополиэтилена.
4. Глушитель шума по п.1, отличающийся тем, что шумопоглощающий элемент выполнен из жесткого пористого шумопоглощающего материала, например пеноалюминия.
5. Глушитель шума по п.1, отличающийся тем, что шумопоглощающий элемент выполнен из минеральной ваты на базальтовой основе типа “Rockwool”, или минеральной ваты типа “URSA”, или базальтовой ваты типа П-75, или стекловаты с облицовкой стекловойлоком, или вспененного полимера, например полиэтилена или полипропилена, причем звукопоглощающий элемент по всей своей поверхности облицован акустически прозрачным материалом, например стеклотканью типа ЭЗ-100 или полимером типа “Повиден”.
6. Глушитель шума по п.1, отличающийся тем, что два перфорированных диска, между которыми размещен шумопоглощающий элемент, выполнены из нержавеющей стали или оцинкованного листа толщиной 0,7 мм с полимерным защитно-декоративным покрытием типа “Пурал” толщиной 50 мкм или “Полиэстер” толщиной 25 мкм, или алюминиевого листа толщиной 1,0 мм и толщиной покрытия 25 мкм.
РИСУНКИ
|
|