|
|
(21), (22) Заявка: 2006100042/06, 10.01.2006
(24) Дата начала отсчета срока действия патента:
10.01.2006
(46) Опубликовано: 10.06.2007
(56) Список документов, цитированных в отчете о поиске:
ЛАПИР М.А. и др. Экологически чистые энергогенерирующие комплексы на базе газотурбинных настроек водогрейных котлов РТС. – Новости теплоснабжения, №1, 2002, с.41-46, рис.1. RU 2095581 С1, 10.11.1997. RU 2137985 С1, 20.09.1999. SU 1451290 А1, 15.01.1989. US 4471622 А, 18.09.1984. GB 2152592 A, 07.08.1985.
Адрес для переписки:
127051, Москва, Лихов пер., 2/3, кв.13, для ООО “НПО”Энергосберегающие технологии”
|
(72) Автор(ы):
Лавриненко Александр Георгиевич (RU), Сопленков Константин Иванович (RU), Спорыхин Олег Васильевич (RU), Стороженков Александр Николаевич (RU), Чаховский Владимир Михайлович (RU), Шур Анатолий Михайлович (RU), Воронин Александр Леонидович (RU)
(73) Патентообладатель(и):
Общество с ограниченной ответственностью “Научно-производственное объединение “Энергосберегающие технологии” (RU)
|
(54) КОМБИНИРОВАННАЯ ТЕПЛО- И ЭЛЕКТРОСНАБЖАЮЩАЯ УСТАНОВКА
(57) Реферат:
Изобретение относится к теплоэнергетике и может быть применено в системах электроснабжения и теплоснабжения, использующих теплоту, генерируемую на водогрейных котлах. Комбинированная тепло и электроснабжающая установка, состоящая из водогрейного котла районной тепловой станции (РТС), подключенного к контуру сетевой воды, включающему тракт первичной горячей сетевой воды, связанный с тепловыми потребителями, и тракт обратной сетевой воды, связанный с насосом (насосами) сетевой воды, и энергоустановки, снабжена энергоустановкой на низкокипящем рабочем теле (НКРТ), включающей парогенератор, турбину с электрогенератором, насос и конденсатор-подогреватель, размещаемые в промышленной зоне котельной РТС, причем парогенератор через запорно-регулирующие задвижки подключен к тракту первичной горячей сетевой воды, а конденсатор-подогреватель – к тракту обратной сетевой воды. Изобретение позволяет обеспечить получение дополнительной электрической мощности и повышение экономичности РТС в условиях изменяемой тепловой нагрузки в течение отопительного сезона. 1 з.п. ф-лы, 1 ил.
Изобретение относится к теплоэнергетике и может быть применено в системах электроснабжения и теплоснабжения, использующих теплоту, генерируемую на районных теплоснабжающих станциях.
Надвигающийся энергетический кризис заставляет искать новые нетрадиционные пути обеспечения потребителей тепло- и энергоснабжения. Одним из таких путей является комбинирование парогазовых и паровых установок.
Известна схема парогазовой установки (ПГУ) с котлом-утилизатором, состоящей из газовой турбины в виде надстройки к паротурбинной установке (ПТУ), котла-утилизатора, паровой турбины, конденсатора на циркуляционной охлаждающей технической воде (см. Костюк А.Г. и др. Турбины тепловых и атомных электрических станций. Издательство МЭИ 2001, с.428). В этих установках теплота уходящих газов используется для подогрева воды и образования водяного пара в котле-утилизаторе, что позволяет получить дополнительную электрическую мощность и тем самым повысить КПД всей комбинированной ПГУ.
Основными недостатками указанной ПГУ являются значительные и не устраняемые потери с циркуляционной охлаждающей водой в конденсаторе ПТУ.
Известна тепловая схема паротурбинной установки с противодавленческой турбиной (ПДТ), у которой на “хвосте” турбины вместо конденсатора подключены, как правило, производственные потребители теплоты (см. Андрющенко А.И. и др. Теплофикационные установки и их использование, М.: Высшая школа, 1989, с.67, рис.2.1).
В этом случае потери в холодном источнике отсутствуют, но ценой недовыработки электроэнергии.
Из известных систем наиболее близким аналогом является комбинированная тепло- и электроснабжающая установка (см. Лапир М.А. и др. Экологически чистые энергогенерирующие комплексы на базе газотурбинных надстроек водогрейных котлов РТС, Новости теплоснабжения, №1, 2002, с.41-46, рис.1) состоящая из водогрейного котла районной тепловой станции (РТС), подключенного к контуру сетевой воды, включающему тракт первичной горячей сетевой воды, связанный с тепловыми потребителями, и тракт обратной сетевой воды, связанный с насосом (насосами) сетевой воды, и энергоустановки.
Главный недостаток противодавленческой турбины заключается в жесткой зависимости от тепловой нагрузки промышленного потребителя, что в случае изменения тепловой нагрузки автоматически приводит к заметному изменению выработки электроэнергии и в этой связи тепловой экономичности турбоустановки. Последнее обстоятельство приводит либо к снижению тепловой экономичности, что наблюдается в случае снижения тепловой нагрузки, либо к необходимости подключения дополнительного, как правило, менее экономичного энергоисточника (замыкающего источника электроэнергии по условиям высокого расхода топлива).
Техническим результатом, на достижение которого направлено настоящее изобретение, является получение дополнительной электрической мощности и повышение экономичности РТС в условиях изменяемой тепловой нагрузки в течение отопительного сезона.
Техническим результатом, на достижение которого направлено настоящее изобретение, является также повышение надежности при аварийных ситуациях.
Для этого предлагается РТС наряду с производством теплоты наделить дополнительными технологическими свойствами, а именно, генерацией электрической энергии, что достигается благодаря включению в контур сетевой воды энергоустановки (ЭУ), работающей на низкокипящем рабочем теле (НКРТ). При этом ЭУ подключается таким образом, что в результате потери теплоты в холодном источнике снижаются благодаря вовлечению в технологический цикл отработавшей низкопотенциальной теплоты низкокипящего рабочего тела в конденсаторе-подогревателе ЭУ в результате частичного нагрева обратной сетевой воды, возвращаемой на водогрейные котлы РТС и благодаря получаемому дополнительному эффекту в виде производства электроэнергии на встроенной ЭУ в тепловую схему водогрейного котла РТС.
Указанный технический результат достигается тем, что комбинированная тепло- и электроснабжающая установка, состоящая из водогрейного котла районной тепловой станции (РТС), подключенного к контуру сетевой воды, включающему тракт первичной горячей сетевой воды, связанный с тепловыми потребителями, и тракт обратной сетевой воды, связанный с насосом (насосами) сетевой воды и энергоустановки, снабжена энергоустановкой на низкокипящем рабочем теле (НКРТ), включающей парогенератор, турбину с электрогенератором, насос и конденсатор-подогреватель, размещаемые в промышленной зоне РТС, причем парогенератор через запорно-регулирующие задвижки подключен к тракту первичной горячей сетевой воды, а конденсатор-подогреватель – к тракту обратной сетевой воды
Указанный технический результат достигается также тем, что комбинированная тепло- и электроснабжающая установка, содержит резервно-аварийный конденсатор, подключенный к турбине энергоустановки.
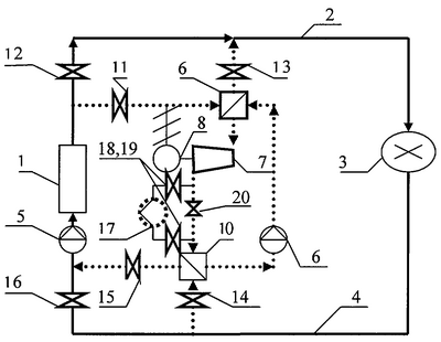
На чертеже представлена принципиальная схема комбинированной тепло- и электроснабжающая установки.
Комбинированная тепло- и электроснабжающая установка содержит водогрейный котел 1 районной тепловой станции (РТС), подключенный к контуру сетевой воды, включающему тракт 2 первичной горячей сетевой воды, связанный с тепловыми потребителями 3, и тракт 4 обратной сетевой воды, связанный с насосом (насосами) 5 сетевой воды. Система снабжена энергоустановкой на низкокипящем рабочем теле (НКРТ), включающей парогенератор 6, турбину 7 с электрогенератором 8, насос 9 и конденсатор-подогреватель 10, размещаемые в пределах промышленной зоны котельной РТС. Парогенератор 6 через запорно-регулирующие задвижки 11, 12 и 13 подключен к тракту 2 первичной горячей сетевой воды, а конденсатор-подогреватель 10 через запорно-регулирующие задвижки 14, 15 и 16 – к тракту обратной сетевой воды 4. Система содержит резервно-аварийный конденсатор 17, подключенный через запорно-регулирующие задвижки 18, 19 и 20 к турбине 7 энергоустановки.
Промышленная зона котельной РТС включает в себя зону расположения котельной с основным и вспомогательным оборудованием, включая сетевые насосы и дымовую трубу. Энергоустановкой на низкокипящем рабочем теле (НКРТ) может быть расположена в пристройке к зданию котельной или в надстройке к зданию.
Работа комбинированной тепло- и электроснабжающей установки осуществляется следующим образом.
Горячая вода из водогрейного котла 1 поступает на парогенератор 6 низкокипящего рабочего тела при открытых задвижках 11 и 13, задвижка 12 при этом закрыта. Возможен режим работы установки с частично открытой задвижкой 12. В парогенераторе 6 осуществляется частичный отбор теплоты на генерацию пара НКРТ. После парогенератора 6 вода поступает по магистральным теплосетям к тепловым потребителям 5, где и происходит основной отбор теплоты от первичного теплоносителя сетевой воды. Обратная сетевая вода после потребителей 5 возвращается на водогрейный котел 1, причем предварительно она через задвижки 14 и 15 (задвижка 16 – закрыта) поступает на частичный подогрев в конденсатор-подогреватель 10, в котором низкопотенциальная теплота отводится от низкокипящего рабочего тела и передается обратной сетевой воде. В результате вода частично подогревается и только после частичного нагрева в конденсаторе-подогревателе она поступает на окончательный догрев в водогрейный котел 1.
В режиме нормальной работы задвижки резервно-аварийного конденсатора 10 закрыты, и включается в работу он в только в случаях аварии на трубопроводном тракте обратной сетевой воды или в случаях прекращения возврата ОСВ на РТС.
Важно заметить, что использование НКРТ обеспечивает следующие преимущества по сравнению с газотурбинной и паровой турбинами, а именно, температура конденсации паров НКРТ в конденсаторе-подогревателе происходит при температуре на уровне 80°С. Это обеспечивает низкое избыточное давление отработавших паров НКРТ в конденсаторе-подогревателе, и в результате массовый расход происходит при относительно малых объемных потоках НКРТ по тракту рабочего тела, чем при тех же параметрах на водяном паре или продуктах сгораниях. Следствием этого, все оборудование с применением НКРТ, включая парогенератор, бинарную турбину, подогреватель-конденсатор и насос для перекачки НКРТ можно выполнить более компактным и малогабаритным по сравнению с аналогичным оборудованием на водяном паре для ПТУ или на продуктах сгорания для ГТУ и ПГУ (при прочих равных условиях).
Компактность оборудования на НКРТ позволит с большим успехом реализовать ЭУ в виде пристройки на действующих РТС или непосредственно в котельной на вновь сооружаемых РТС, тогда как надстройки типа ГТУ в этом отношении будут более громоздкими.
Комбинированная тепло- и электроснабжающая установка с энергоустановкой на НКРТ, размещенной непосредственно в пределах промышленной зоны котельной РТС, позволяет исключить потери в холодном источнике за исключением аварийных случаев, когда приходится переключаться на резервно-аварийный конденсатор, и то, только в крайних случаях, когда накладывается авария с обесточиванием электрических сетей.
Формула изобретения
1. Комбинированная тепло- и электроснабжающая установка, состоящая из водогрейного котла районной тепловой станции (РТС), подключенного к контуру сетевой воды, включающему тракт первичной горячей сетевой воды, связанный с тепловыми потребителями, и тракт обратной сетевой воды, связанный с насосом (насосами) сетевой воды, и энергоустановки, отличающаяся тем, что она снабжена энергоустановкой на низкокипящем рабочем теле (НКРТ), включающей парогенератор, турбину с электрогенератором, насос и конденсатор-подогреватель, размещаемые в промышленной зоне котельной РТС, причем парогенератор через запорно-регулирующие задвижки подключен к тракту первичной горячей сетевой воды, а конденсатор-подогреватель – к тракту обратной сетевой воды.
2. Система теплоснабжения по п.1, отличающаяся тем, что содержит резервно-аварийный конденсатор, подключенный к турбине энергоустановки.
РИСУНКИ
PD4A – Изменение наименования обладателя патента СССР или патента Российской Федерации на изобретение
(73) Новое наименование патентообладателя:
Закрытое акционерное общество «НПО Энергосберегающие технологии» (RU)
Адрес для переписки:
117321, Москва, ул. Профсоюзная, дом 136, корп. 4, кв. 370, А.Н. Стороженкову
Извещение опубликовано: 10.03.2009 БИ: 07/2009
|
|