|
|
(21), (22) Заявка: 2005110568/02, 11.04.2005
(24) Дата начала отсчета срока действия патента:
11.04.2005
(43) Дата публикации заявки: 20.10.2006
(46) Опубликовано: 10.06.2007
(56) Список документов, цитированных в отчете о поиске:
RU 2120492 C1, 20.10.1998. RU 2075535 C1, 20.03.1997. SU 1781314 A, 15.12.1992. SU 1329036 A, 30.07.1990. FR 2607830 A, 10.06.1988. GB 763368 A, 12.12.1956. US 5133126 A, 28.07.1992.
Адрес для переписки:
390014, г.Рязань, Рязанский военный автомобильный институт, НИО, А.Д. Герасимову
|
(72) Автор(ы):
Коберниченко Анатолий Борисович (RU), Салтан Виталий Валентинович (RU), Ефремов Владимир Владимирович (RU), Нагаев Ренат Алимкаевич (RU), Гилевский Роман Владимирович (RU)
(73) Патентообладатель(и):
Рязанский военный автомобильный институт им. ген. армии В.П. Дубынина (RU)
|
(54) УСТАНОВКА ПЛАЗМЕННОГО НАПЫЛЕНИЯ КОЛЕНЧАТЫХ ВАЛОВ
(57) Реферат:
Изобретение относится к установке плазменного напыления коленчатых валов и может найти применение в машиностроении. В установке теплозвукоизоляционная камера состоит из секций дробеструйной обработки и напыления, разделенных перегородкой. Механизм перемещения детали состоит из неподвижных направляющих, подвижной направляющей с кронштейном, плиты крепления мотора-редуктора, пневмоцилиндра для перемещения детали в секцию напыления и пневмоцилиндров для перемещения детали в секцию дробеструйной обработки. Неподвижные направляющие расположены на крышке теплозвукоизоляционной камеры перпендикулярно оси вращения детали. Подвижная направляющая соединена с неподвижными направляющими и на ней с возможностью перемещения установлена плита крепления мотора-редуктора, связанная со штоком пневмоцилиндра для перемещения детали в секцию напыления. Этот шток жестко закреплен на кронштейне подвижной направляющей. Упомянутая направляющая жестко соединена со штоками пневмоцилиндров для перемещения детали в секцию дробеструйной обработки, жестко закрепленных на крышке теплозвукоизоляционной камеры. Такое выполнение установки позволяет увеличить адгезионную прочность полученного покрытия за счет уменьшения времени между дробеструйной обработкой и напылением, а также снизить трудоемкость по установке детали в центрах. 3 ил., 1 табл.
Изобретение относится к технике нанесения газотермических покрытий, а также подготовки поверхности к напылению.
Известна установка для нанесения газотермических покрытий (патент РФ № 2120492, МПК С23С 4/00), содержащая теплозвукоизоляционную камеру, переднюю и заднюю бабки с общей осью центров, плазмотрон, решетчатый защитный кожух с подвижной крышкой, внутри которого размещена восстанавливаемая деталь, съемные контейнеры некондиционного абразива, конусообразный бункер кондиционного абразива, крышку бункера, пневмоцилиндр, состоящий из цилиндра и размещенного в нем подвижного прецизионного поршня, опирающегося на пружину, жесткость которой регулируется гайкой, дробеструйный пистолет и пневматический кран управления, при этом опоры решетчатого защитного кожуха, соединенного с дробеструйным пистолетом, шарнирно связаны с план-шайбой и пинолью, нижняя часть защитного кожуха жестко связана с крышкой бункера, размещенного под камерой и связанного с кронштейнами некондиционного абразива, а пневматический кран управления установлен на пульте управления и соединен напорными рукавами с источником сжатого воздуха, пневмоцилиндром, который подвижно закреплен на направляющей балке, жестко установленной в верхней части теплозвукоизоляционной камеры, и пистолетом, связанным с конусообразным бункером посредством заборного рукава.
Недостатком известной установки является сложность закрепления восстанавливаемой детали в центрах, в процессе дробеструйной обработки пистолет удерживается рукой оператора, что не безопасно для него. Наличие защитного кожуха не позволяет добиться минимального времени между дробеструйной обработкой и нанесением покрытия, составляющего порядка 10 секунд. Вместе с тем на известной установке минимальное время составляет 45 секунд. За этот промежуток на поверхности, обработанной струей дроби, образуется слой оксидной пленки, препятствующей образованию прочной адгезионной связи. Причина этого состоит в том, что конструкция установки требует снятия защитного кожуха непосредственно перед нанесением покрытия. Из-за выполнения дробеструйной обработки и напыления в одной секции необходимо дополнительное время для удаления продуктов дробеструйной обработки.
Технический результат направлен на увеличение адгезионной прочности посредством уменьшения времени между дробеструйной обработкой и напылением, а также на снижение трудоемкости по установке детали в центрах.
Технический результат достигается тем, что установка восстановления коленчатых валов плазменным напылением содержит теплозвукоизоляционную камеру с крышкой, бункер абразива, привод вращения детали с мотором-редуктором, плазматрон и дробеструйный пистолет, при этом теплозвукоизоляционная камера состоит из секций дробеструйной обработки и напыления, разделенных перегородкой, а установка снабжена механизмом перемещения детали, состоящим из неподвижных направляющих, подвижной направляющей с кронштейном, плиты крепления мотора-редуктора, пневмоцилиндра для перемещения детали в секцию напыления и пневмоцилиндров для перемещения детали в секцию дробеструйной обработки, при этом неподвижные направляющие расположены на крышке теплозвукоизоляционной камеры перпендикулярно оси вращения детали, подвижная направляющая соединена с неподвижными направляющими и на ней с возможностью перемещения установлена плита крепления мотора-редуктора, связанная со штоком пневмоцилиндра для перемещения детали в секцию напыления, который жестко закреплен на кронштейне подвижной направляющей, которая жестко соединена со штоками пневмоцилиндра для перемещения детали в секцию дробеструйной обработки, жестко закрепленных на крышке теплозвукоизоляционной камеры.
Существенным отличием от прототипа является то, что теплозвукоизоляционная камера состоит из секций дробеструйной обработки и напыления, разделенных перегородкой, а установка снабжена механизмом перемещения детали, состоящим из неподвижных направляющих, подвижной направляющей с кронштейном, плиты крепления мотора-редуктора, пневмоцилиндра для перемещения детали в секцию напыления и пневмоцилиндров для перемещения детали в секцию дробеструйной обработки, при этом неподвижные направляющие расположены на крышке теплозвукоизоляционной камеры перпендикулярно оси вращения детали, подвижная направляющая соединена с неподвижными направляющими и на ней с возможностью перемещения установлена плита крепления мотора-редуктора, связанная со штоком пневмоцилиндра для перемещения детали в секцию напыления, который жестко закреплен на кронштейне подвижной направляющей, которая жестко соединена со штоками пневмоцилиндра для перемещения детали в секцию дробеструйной обработки, жестко закрепленных на крышке теплозвукоизоляционной камеры.
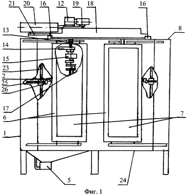
На фиг.1 изображена предлагаемая установка, вид спереди; на фиг.2 – предлагаемая установка, вид сверху, на фиг.3 – выносной элемент А на фиг.2.
Установка содержит теплозвукоизоляционную камеру 1 (фиг.1 и 2), смонтированную на станине 24, привод вращения детали, механизм перемещения детали, расположенный в верхней части установки, и устройство перемещения дробеструйного пистолета 2 и плазмотрона 3.
Теплозвукоизоляционная камера 1 имеет две разделенные перегородкой 4 секции дробеструйной обработки «Б» и плазменного напыления «А», бункер для сбора абразива 5, две сдвижные двери 6 со смотровыми окнами 7, крышку 8, в которой выполнены три соединенных между собой паза 9 для перемещения привода вращения детали и прорезь 10 для перемещения штока 11 (фиг.3) перегородки 4.
Привод вращения детали включает мотор-редуктор 12, вал 13, который соединен с центросмесителем 14, жестко связанным с патроном 15.
Механизм перемещения детали содержит две неподвижные направляющие 16, расположенные на крышке 8 перпендикулярно оси вращения детали 17, с которыми шарнирно соединена подвижная направляющая 18, на которой с возможностью перемещения установлена плита 19 крепления мотор-редуктора 12, связанная со штоком пневмоцилиндра 20, жестко закрепленным на кронштейне 21 подвижной направляющей 18. В свою очередь, подвижная направляющая 18 соединена со штоками пневмоцилиндров 22, жестко закрепленных на крышке 8.
Устройство перемещения детали выполнено в виде направляющей 23, на которой с возможностью перемещения в двух плоскостях закреплена ось 25 держателя 26.
Установка работает следующим образом.
В исходном положении I плита 19 находится в секции дробеструйной обработки. Для закрепления детали в патроне 15 дверь 6 секции дробеструйной обработки сдвигают влево. Подают сжатый воздух в пневмоцилиндры 22, которые, воздействуя на подвижную направляющую 18, выводят плиту 19 за пределы установки (положение II), при этом подача воздуха прекращается. В патрон 15 закрепляют деталь. Затем посредством подачи сжатого воздуха в пневмоцилиндры 22 плита 19 вместе с деталью перемещается в положение I, после чего дробеструйный пистолет устанавливают на необходимое расстояние от обрабатываемой поверхности. Включают привод вращения детали и производят дробеструйную обработку. Перемещение детали в секцию «А» осуществляется посредством подачи сжатого воздуха в пневмоцилиндр 20, который через шток воздействует на плиту 19, перемещая ее в секцию «А». В момент занятия деталью крайнего положения (III), когда ее ось совпадет с осью плазмотрона, подача воздуха прекращается. Плазмотрон устанавливают напротив обрабатываемой поверхности, включают привод вращения детали и наносят покрытие. Для обработки следующей шейки плиту 19 с деталью посредством пневмоцилиндра 20 перемещают в положение I, и процесс повторяется. При восстановлении шейки, ось которой не совпадает с осью дробеструйного пистолета или плазмотрона, деталь с помощью пневмоцилиндров 22 перемещают в положение II, где, используя центросмеситель 14, ось детали совмещают с осью дробеструйного пистолета или плазмотрона. Затем плиту 19 с деталью перемещают в положение I, процесс повторяется.
Смещение перегородки 4 при перемещении детали из одной секции в другую происходит посредством сектора 27, соединенного с плитой 19.
Снятие детали осуществляется в положении II напротив секции «А».
Предлагаемая установка позволяет увеличить адгезионную прочность покрытия, при этом время восстановления детали снижается за счет уменьшения времени между дробеструйной обработкой и нанесением покрытия и затраченного на установку деталей в центры.
Сравнительная характеристика установок приведена в таблице 1.
| Таблица 1 |
| Сравнительная характеристика установок |
| Установка |
|
| время установки детали в центры, мин |
время восстановления детали, мин |
повышение адгезионной прочности |
| Существующая |
2,5 |
46,38 |
1,2 |
| Предлагаемая |
0,56 |
41,26 |
1,4 |
Формула изобретения
Установка восстановления коленчатых валов плазменным напылением, содержащая теплозвукоизоляционную камеру с крышкой, бункер абразива, привод вращения детали с мотором-редуктором, плазматрон и дробеструйный пистолет, отличающаяся тем, что теплозвукоизоляционная камера состоит из секций дробеструйной обработки и напыления, разделенных перегородкой, а установка снабжена механизмом перемещения детали, состоящим из неподвижных направляющих, подвижной направляющей с кронштейном, плиты крепления мотора-редуктора, пневмоцилиндра для перемещения детали в секцию напыления и пневмоцилиндров для перемещения детали в секцию дробеструйной обработки, при этом неподвижные направляющие расположены на крышке теплозвукоизоляционной камеры перпендикулярно оси вращения детали, подвижная направляющая соединена с неподвижными направляющими и на ней с возможностью перемещения установлена плита крепления мотора-редуктора, связанная со штоком пневмоцилиндра для перемещения детали в секцию напыления, который жестко закреплен на кронштейне подвижной направляющей, которая жестко соединена со штоками пневмоцилиндров для перемещения детали в секцию дробеструйной обработки, жестко закрепленных на крышке теплозвукоизоляционной камеры.
РИСУНКИ
MM4A – Досрочное прекращение действия патента СССР или патента Российской Федерации на изобретение из-за неуплаты в установленный срок пошлины за поддержание патента в силе
Дата прекращения действия патента: 12.04.2007
Извещение опубликовано: 20.11.2008 БИ: 32/2008
|
|