|
|
(21), (22) Заявка: 2005136645/15, 25.11.2005
(24) Дата начала отсчета срока действия патента:
25.11.2005
(46) Опубликовано: 10.06.2007
(56) Список документов, цитированных в отчете о поиске:
RU 2261140 C1, 27.09.2005. RU 2247594 C1, 10.03.2005. RU 2193443 C1, 27.11.2002. RU 2193001 C1, 20.11.2002. RU 2115607 C1, 20.07.1998. RU 2080159 C1, 27.05.1997. US 3830074 A, 20.08.1974. US 3861890 A, 21.01.1975.
Адрес для переписки:
109377, Москва, ул. Зеленодольская, 11, кв.93, В.Г. Цегельскому
|
(72) Автор(ы):
Цегельский Валерий Григорьевич (RU)
(73) Патентообладатель(и):
Цегельский Валерий Григорьевич (RU)
|
(54) СПОСОБ ОЧИСТКИ ОТ УГЛЕВОДОРОДОВ ПАРОГАЗОВОЙ СРЕДЫ, ОБРАЗУЮЩЕЙСЯ ПРИ ХРАНЕНИИ НЕФТИ ИЛИ БЕНЗИНА ИЛИ ПРИ НАПОЛНЕНИИ ЕМКОСТИ НЕФТЬЮ ИЛИ БЕНЗИНОМ, И УСТАНОВКА ДЛЯ ЕГО ОСУЩЕСТВЛЕНИЯ (ВАРИАНТЫ)
(57) Реферат:
Настоящее изобретение относится к области струйной техники, преимущественно к способам, использующим насосно-эжекторные установки в системах очистки от углеводородов выбрасываемой в атмосферу парогазовой среды, образующейся при хранении нефти или бензина или при наполнении ими емкости. Способ включает подачу насосом жидкой среды в жидкостно-газовый струйный аппарат, откачку последним парогазовой среды из наполняемой емкости или резервуара для хранения и ее сжатие в жидкостно-газовом струйном аппарате за счет энергии жидкой среды. Образованную в жидкостно-газовом струйном аппарате смесь подают в сепаратор, разделяют в сепараторе на газообразную фазу и жидкую среду, отводят жидкую среду в наполняемую емкость или в резервуар для хранения и подают нефть или бензин на вход насоса или в сепаратор. При этом газообразную фазу из сепаратора подают во второй жидкостно-газовый струйный аппарат, в который вторым насосом подают жидкую среду и за счет ее энергии сжимают газообразную фазу. Образованную во втором жидкостно-газовом струйном аппарате смесь подают во второй сепаратор и разделяют смесь на газовую среду и жидкую среду. Жидкую среду из второго сепаратора отводят в наполняемую емкость или в резервуар для хранения и одновременно подают нефть или бензин на вход второго насоса или во второй сепаратор. Газовую среду из второго сепаратора подают в абсорбер, в который в качестве абсорбента подают углеводородную жидкость. Из абсорбера выводят очищенную от углеводородов газовую среду и углеводородную жидкость с растворенными в ней углеводородами газовой среды, которую направляют в десорбер. Установка содержит насос, жидкостно-газовый струйный аппарат, сепаратор, второй насос, второй жидкостно-газовый струйный аппарат, абсорбер и десорбер. В результате сокращаются потери нефти или бензина, уменьшаются энергетические затраты и повышается степень очистки от углеводородов выбрасываемой в атмосферу парогазовой среды, образующейся при хранении нефти или бензина или при наполнении емкости нефтью или бензином. 4 н. и 14 з.п. ф-лы, 2 ил.
Настоящее изобретение относится к области струйной техники, преимущественно к способам, использующим насосно-эжекторные установки в системах очистки от углеводородов выбрасываемой в атмосферу парогазовой среды, образующейся при хранении нефти или бензина или при наполнении ими емкости.
Известен способ очистки от углеводородов парогазовой среды, образующейся при хранении нефти или нефтепродукта или при заполнении ими емкости, включающий подачу насосом жидкой среды в жидкостно-газовый струйный аппарат, откачку последним из емкости, наполняемой нефтью или нефтепродуктом или из резервуара для их хранения, парогазовой среды и ее сжатие в жидкостно-газовом струйном аппарате за счет энергии жидкой среды, подачу образованной в жидкостно-газовом струйном аппарате смеси парогазовой и жидкой сред в сепаратор, разделение в сепараторе смеси на газообразную фазу и жидкую среду и отвод из сепаратора газообразной фазы и жидкой среды, при этом газообразную фазу из сепаратора направляют в абсорбционную колонну, в которую в качестве абсорбента подают углеводородную жидкость, в абсорбционной колонне проводят процесс абсорбции углеводородной жидкостью углеводородов из газообразной фазы, после чего очищенную от углеводородов газообразную фазу и углеводородную жидкость с растворенными в ней углеводородами газообразной фазы раздельно выводят из абсорбционной колонны (см. патент РФ 2193443, кл. В65D 90/30, 27.11.2002).
Из этого же патента известна насосно-эжекторная установка для очистки от углеводородов парогазовой среды, образующейся при хранении нефти или нефтепродукта или при заполнении ими емкости, содержащая насос, жидкостно-газовый струйный аппарат, сепаратор с выходом газообразной фазы и абсорбционную колонну, при этом жидкостно-газовый струйный аппарат входом жидкой среды подключен к выходу насоса, входом газа подключен к источнику этой среды – емкости или резервуару с нефтью или нефтепродуктом, и выходом смеси жидкостно-газовый струйный аппарат подключен к сепаратору, абсорбционная колонна подключена к выходу газообразной фазы из сепаратора, верхняя часть абсорбционной колонны подключена к трубопроводу вывода очищенной от углеводородов газообразной фазы и к трубопроводу подвода углеводородной жидкости.
Однако данный способ не позволяет обеспечить высокую степень очистки от углеводородов парогазовой среды, является достаточно сложным и энергозатратным. Это связано с тем, что процесс десорбции углеводородной жидкости проводят в ректификационной колонне с подводом большого количества теплоты, что требует громоздкого теплообменного оборудования для нагрева углеводородной жидкости и конденсации образовавшихся паров.
Наиболее близким к изобретению по технической сущности и достигаемому результату является способ очистки от углеводородов парогазовой среды, образующейся при хранении нефти или бензина или при наполнении емкости нефтью или бензином, включающий подачу насосом жидкой среды в жидкостно-газовый струйный аппарат, откачку последним парогазовой среды из наполняемой нефтью или бензином емкости или резервуара для их хранения и ее сжатие в жидкостно-газовом струйном аппарате за счет энергии жидкой среды, подачу образованной в жидкостно-газовом струйном аппарате смеси парогазовой и жидкой сред в сепаратор, разделение в сепараторе смеси на газообразную фазу и жидкую среду, отвод из сепаратора жидкой среды в наполняемую нефтью или бензином емкость или в резервуар для хранения нефти или бензина, подачу нефти или бензина на вход насоса или в сепаратор (см. патент RU №2261140, кл. В01D 53/14, 27.09.2005).
Из этого же патента известна установка для очистки от углеводородов парогазовой среды, образующейся при хранении нефти или бензина или при наполнении емкости нефтью или бензином, содержащая насос, жидкостно-газовый струйный аппарат, сепаратор, второй насос, второй жидкостно-газовый струйный аппарат, абсорбер и десорбер, при этом жидкостно-газовый струйный аппарат входом жидкой среды подключен к выходу насоса, входом газа подключен к источнику парогазовой среды – емкости, наполняемой нефтью или бензином, или резервуару для хранения нефти или бензина, выходом смеси жидкостно-газовый струйный аппарат подключен к сепаратору, который имеет выход газообразной фазы и выход жидкой среды, подключенный к резервуару для хранения нефти или бензина или емкости, наполняемой нефтью или бензином, вход насоса или сепаратор подключен к трубопроводу для перекачки нефти или бензина или к резервуару для хранения нефти или бензина, абсорбер выходом жидкости подключен к входу в десорбер, выход газа из десорбера подключен к входу газа в жидкостно-газовый струйный аппарат.
Данные способ и установка для его реализации обеспечивают сжатие и конденсацию углеводородных паров нефти или бензина и снижение концентрации вредных для окружающей среды углеводородных паров в выбрасываемой в атмосферу парогазовой среде. Использование нефти или бензина в качестве рабочей жидкости жидкостно-газового струйного аппарата позволяет одновременно со сжатием парогазовой среды проводить процесс абсорбции нефтью или бензином части углеводородов из сжимаемой среды. Однако при этом расходуется большое количество электроэнергии на привод насоса, так как сжимается весь расход парогазовой среды до больших давлений в одном жидкостно-газовом струйном аппарате. Кроме того, процесс десорбции углеводородной жидкости проводится в двух десорберах с использованием для этого второго насоса и второго жидкостно-газового струйного аппарата, что усложняет установку.
Задачей, на решение которой направлено настоящее изобретение, является очистка от углеводородов парогазовой среды, образующейся при хранении нефти или бензина или при наполнении ими емкости.
Техническим результатом, на достижение которого направлено настоящее изобретение, является сокращение потерь нефти или бензина, уменьшение энергетических затрат и повышение степени очистки от углеводородов выбрасываемой в атмосферу парогазовой среды, образующейся при хранении нефти или бензина или при наполнении емкости нефтью или бензином.
Указанный технический результат в части способа как объекта изобретения достигается за счет того, что способ очистки от углеводородов парогазовой среды, образующейся при хранении нефти или бензина или при наполнении емкости нефтью или бензином, включает подачу насосом жидкой среды в жидкостно-газовый струйный аппарат, откачку последним парогазовой среды из наполняемой нефтью или бензином емкости или резервуара для хранения нефти или бензина и ее сжатие в жидкостно-газовом струйном аппарате за счет энергии жидкой среды, подачу образованной в жидкостно-газовом струйном аппарате смеси парогазовой и жидкой сред в сепаратор, разделение в сепараторе смеси на газообразную фазу и жидкую среду, отвод из сепаратора жидкой среды в наполняемую нефтью или бензином емкость или в резервуар для хранения нефти или бензина, подачу нефти или бензина на вход насоса или в сепаратор, при этом газообразную фазу из сепаратора подают во второй жидкостно-газовый струйный аппарат, в который вторым насосом подают жидкую среду и за счет ее энергии сжимают газообразную фазу, образованную во втором жидкостно-газовом струйном аппарате смесь газообразной фазы и жидкой среды подают во второй сепаратор, в котором поддерживают давление в диапазоне от 0,6 до 2,5 МПа и разделяют смесь на газовую среду и жидкую среду, жидкую среду из второго сепаратора отводят в наполняемую нефтью или бензином емкость или в резервуар для хранения нефти или бензина и одновременно подают нефть или бензин на вход второго насоса или во второй сепаратор, газовую среду из второго сепаратора подают в абсорбер, в который в качестве абсорбента подают углеводородную жидкость, проводят в абсорбере процесс абсорбции углеводородной жидкостью углеводородов из газовой среды и выводят из абсорбера очищенную от углеводородов газовую среду и углеводородную жидкость с растворенными в ней углеводородами газовой среды, из абсорбера углеводородную жидкость с растворенными в ней углеводородами газовой среды направляют в десорбер, в котором создают давление ниже давления в абсорбере и выделяют из поступившей углеводородной жидкости растворенные в ней углеводороды газовой среды, после этого углеводородную жидкость из десорбера подают в качестве абсорбента в абсорбер.
В десорбере предпочтительно создают давление ниже давления в абсорбере путем откачки выделившихся в нем газообразных углеводородов жидкостно-газовым струйным аппаратом.
В десорбере предпочтительно создают давление ниже давления в абсорбере путем откачки выделившихся в нем газообразных углеводородов третьим жидкостно-газовым струйным аппаратом, подключенным входом жидкой среды к насосу и выходом образованной в нем смеси к сепаратору.
В сепараторе предпочтительно поддерживают давление в диапазоне от 0,15 до 0,5 МПа.
В сепаратор или на вход насоса предпочтительно подают нефть или бензин из резервуара для хранения нефти или бензина или из трубопровода для их перекачки расходом, составляющим не менее 25% от расхода жидкой среды, прокачиваемой через насос.
Во второй сепаратор или на вход второго насоса предпочтительно подают нефть или бензин из резервуара для хранения нефти или бензина или из трубопровода для их перекачки расходом, составляющим не менее 25% от расхода жидкой среды, прокачиваемой через второй насос.
Углеводородная жидкость предпочтительно содержит не менее 50% по массе дизельных фракций с пределами выкипания, лежащими в диапазоне от 180 до 340°С, причем углеводородную жидкость подают в абсорбер при ее температуре, находящейся в диапазоне от минус 30 до плюс 40°С.
Углеводородная жидкость с растворенными в ней углеводородами газовой среды после выхода из абсорбера может быть подогрета.
Углеводородную жидкость с растворенными в ней углеводородами газовой среды предпочтительно перед поступлением в десорбер предварительно дегазировать в предварительном десорбере с давлением ниже давления в абсорбере, которое создают жидкостно-газовом струйным аппаратом путем откачки из предварительного десорбера выделившихся в нем газообразных углеводородов, а в десорбере создавать при этом вакуум путем откачки из него выделившихся газообразных углеводородов третьим жидкостно-газовым струйным аппаратом, подключенным входом жидкой среды к насосу и выходом образованной в нем смеси к сепаратору.
В части устройства как объекта изобретения технический результат достигается за счет того, что установка для очистки от углеводородов парогазовой среды, образующейся при хранении нефти или бензина или при наполнении емкости нефтью или бензином, содержит насос, жидкостно-газовый струйный аппарат, сепаратор, второй насос, второй жидкостно-газовый струйный аппарат, абсорбер и десорбер, при этом жидкостно-газовый струйный аппарат входом жидкой среды подключен к выходу насоса, входом газа подключен к источнику парогазовой среды – емкости, наполняемой нефтью или бензином, или резервуару для хранения нефти или бензина, выходом смеси жидкостно-газовый струйный аппарат подключен к сепаратору, который имеет выход газообразной фазы и выход жидкой среды, подключенный к резервуару для хранения нефти или бензина или емкости, наполняемой нефтью или бензином, вход насоса или сепаратор подключен к трубопроводу для перекачки нефти или бензина или к резервуару для хранения нефти или бензина, абсорбер выходом жидкости подключен к входу в десорбер, выход газа из десорбера подключен к входу газа в жидкостно-газовый струйный аппарат, причем установка снабжена вторым сепаратором, второй жидкостно-газовый струйный аппарат входом жидкой среды подключен к выходу второго насоса, входом газа подключен к выходу газообразной фазы из сепаратора, выходом смеси второй жидкостно-газовый струйный аппарат подключен ко второму сепаратору, который имеет выход газовой среды, подключенный к абсорберу, и выход жидкой среды, подключенный к резервуару для хранения нефти или бензина или к емкости, наполняемой нефтью или бензином, вход второго насоса или второй сепаратор подключен к трубопроводу для перекачки нефти или бензина или к резервуару для хранения нефти или бензина, а выход углеводородной жидкости из десорбера подключен к входу углеводородной жидкости в абсорбер.
Установка может быть снабжена теплообменником, установленным между выходом жидкости из абсорбера и ее входом в десорбер.
Установка может быть снабжена теплообменником, установленным между выходом углеводородной жидкости из десорбера и ее входом в абсорбер.
По второму варианту выполнения установка для очистки от углеводородов парогазовой среды, образующейся при хранении нефти или бензина или при наполнении емкости нефтью или бензином, содержит насос, жидкостно-газовый струйный аппарат, сепаратор, второй насос, второй жидкостно-газовый струйный аппарат, абсорбер, десорбер и третий жидкостно-газовый струйный аппарат, при этом жидкостно-газовый струйный аппарат входом жидкой среды подключен к выходу насоса, входом газа подключен к источнику парогазовой среды – емкости, наполняемой нефтью или бензином, или резервуару для хранения нефти или бензина, выходом смеси жидкостно-газовый струйный аппарат подключен к сепаратору, который имеет выход газообразной фазы и выход жидкой среды, подключенный к резервуару для хранения нефти или бензина или к емкости, наполняемой нефтью или бензином, вход насоса или сепаратор подключен к трубопроводу для перекачки нефти или бензина или к резервуару для хранения нефти или бензина, абсорбер выходом жидкости подключен к входу в десорбер, выход газа из десорбера подключен к входу газа в третий жидкостно-газовый струйный аппарат, который входом жидкой среды подключен к выходу насоса и выходом смеси подключен к сепаратору, при этом установка снабжена вторым сепаратором, второй жидкостно-газовый струйный аппарат входом жидкой среды подключен к выходу второго насоса, входом газа подключен к выходу газообразной фазы из сепаратора, выходом смеси второй жидкостно-газовый струйный аппарат подключен ко второму сепаратору, который имеет выход газовой среды, подключенный к абсорберу, и выход жидкой среды, подключенный к резервуару для хранения нефти или бензина или к емкости, наполняемой нефтью или бензином, вход второго насоса или второй сепаратор подключен к трубопроводу для перекачки нефти или бензина или к резервуару для хранения нефти или бензина, а выход углеводородной жидкости из десорбера подключен к входу углеводородной жидкости в абсорбер.
Установка может быть снабжена теплообменником, установленным между выходом жидкости из абсорбера и ее входом в десорбер.
Установка может быть снабжена теплообменником, установленным между выходом углеводородной жидкости из десорбера и ее входом в абсорбер.
По третьему варианту выполнения установка для очистки от углеводородов парогазовой среды, образующейся при хранении нефти или бензина или при наполнении емкости нефтью или бензином, содержит насос, жидкостно-газовый струйный аппарат, сепаратор, второй насос, второй жидкостно-газовый струйный аппарат, абсорбер, десорбер и третий жидкостно-газовый струйный аппарат, при этом жидкостно-газовый струйный аппарат входом жидкой среды подключен к выходу насоса, входом газа подключен к источнику парогазовой среды – емкости, наполняемой нефтью или бензином, или резервуару для хранения нефти или бензина, входом смеси жидкостно-газовый струйный аппарат подключен к сепаратору, который имеет выход газообразной фазы и выход жидкой среды, подключенный к резервуару для хранения нефти или бензина или к емкости, наполняемой нефтью или бензином, вход насоса или сепаратор подключен к трубопроводу для перекачки нефти или бензина или к резервуару для хранения нефти или бензина, выход газа из десорбера подключен к входу газа в третий жидкостно-газовый струйный аппарат, который входом жидкой среды подключен к выходу насоса и выходом смеси подключен к сепаратору, при этом установка снабжена вторым сепаратором и предварительным десорбером, второй жидкостно-газовый струйный аппарат входом жидкой среды подключен к выходу второго насоса, входом газа подключен к выходу газообразной фазы из сепаратора, выходом смеси второй жидкостно-газовый струйный аппарат подключен ко второму сепаратору, который имеет выход газовой среды, подключенный к абсорберу, и выход жидкой среды, подключенный к резервуару для хранения нефти или бензина или к емкости, наполняемой нефтью или бензином, вход второго насоса или второй сепаратор подключен к трубопроводу для перекачки нефти или бензина или к резервуару для хранения нефти или бензина, выход жидкости из абсорбера подключен к ее входу в предварительный десорбер, который имеет выход газообразных углеводородов, подключенный к входу газа в жидкостно-газовый струйный аппарат, и выход частично дегазированной углеводородной жидкости, подключенный к ее входу в десорбер, а выход углеводородной жидкости из десорбера подключен к входу углеводородной жидкости в абсорбер.
Установка может быть снабжена теплообменником, установленным между выходом жидкости из абсорбера и ее входом в предварительный десорбер.
Установка может быть снабжена теплообменником, установленным между выходом углеводородной жидкости из десорбера и ее входом в абсорбер.
Парогазовая среда, которая образуется в резервуарах хранения нефти или бензина, а также в ходе операций наполнения-опорожнения различного рода емкостей, состоит в основном из паров углеводородов и воздуха или азота, если его подают в резервуар. Содержание углеводородов в парогазовой среде при выходе ее в атмосферу приводит как к загрязнению окружающей среды, так и к потере товарного продукта, в данном случае легких фракций нефти или бензина. Поэтому очистка парогазовой среды от углеводородов является актуальной задачей. Необходимо предотвратить попадание углеводородов в атмосферу и сократить потери товарной нефти и бензина.
Описываемый способ и установки для его реализации позволяют снижать концентрацию углеводородов в парогазовой среде до концентрации ниже уровня предельно допустимых выбросов этих паров в окружающую среду путем сжатия и очистки от углеводородов парогазовой среды в насосно-эжекторной установке и последующей ее доочистки в абсорбере.
С точки зрения упрощения реализации способа и установки для очистки от углеводородов парогазовой среды наиболее целесообразно использовать нефть или бензин, в зависимости от того, какая из этих жидкостей хранится в резервуаре или наполняет емкость, в качестве исходной жидкости, которой перед началом работы заполняют сепараторы и которую используют в дальнейшем для обновления жидкой среды, подаваемой насосами в жидкостно-газовые струйные аппараты. В этом случае жидкая среда абсорбирует часть углеводородов из сжимаемой парогазовой среды и тем самым частично очищает ее от углеводородов. Для обновления циркулирующей в установке жидкой среды нефть или бензин может подаваться в сепараторы или на вход насосов.
Для получения высокой степени очистки откачиваемой парогазовой среды от вредных для окружающей среды углеводородов в качестве абсорбента целесообразно подавать в абсорбер специально подобранную углеводородную жидкость, отличную от нефти или бензина. В качестве такой жидкости целесообразно использовать дизельную или газойлевую фракции нефти. Возможно также использовать более легкие фракции нефти, например керосиновую фракцию или смесь керосиновой и дизельной фракций. Для этого организуется абсорбционно-десорбционный контур циркуляции углеводородной жидкости.
Следует иметь в виду, что речь идет об исходных жидкостях (углеводородной жидкости и нефти или бензине), которыми заполняют установку до начала ее эксплуатации. В процессе работы эти жидкости используют только для подпитки абсорбционно-десорбционного контура и для обновления жидкой среды, поступающей в жидкостно-газовые струйные аппараты. Что касается состава жидкости, которую подают насосами в жидкостно-газовые струйные аппараты или которая находится в сепараторах, абсорбере и десорбере или десорберах (в зависимости от варианта реализации установки) в процессе работы установки, то кроме исходной жидкости в ней находится некоторое количество углеводородов, перешедших в нее из откачиваемой парогазовой среды. Поэтому можно говорить только о том, что жидкость в сепараторах близка по составу к исходной нефти или бензину, а углеводородная жидкость в десорберах и абсорбере близка по составу к дизельной, газойлевой, керосиновой или смеси керосиновой и дизельной фракций, в зависимости от того, какую из них используют в процессе работы установки.
В ходе исследования было установлено, что наиболее привлекательной с экономической точки зрения является трехступенчатая абсорбция углеводородов из откачиваемой жидкостно-газовыми струйными аппаратами парогазовой среды. На первом этапе абсорбцию углеводородов организуют в жидкостно-газовом струйном аппарате, где парогазовую среду целесообразно сжимать до давления в сепараторе, лежащем в диапазоне от 0,15 до 0,5 МПа. При этом, как отмечалось выше, в качестве исходной жидкости для откачки и первоначальной абсорбции углеводородов из парогазовой среды используют нефть или бензин, заполняя одной из этих жидкостей сепаратор до начала работы установки. В процессе работы установки нефть или бензин используют и для обновления жидкой среды, подавая одну из этих жидкостей, например, на вход насоса. Таким образом уже в жидкостно-газовом струйном аппарате и далее в сепараторе создают условия для начала процесса абсорбции жидкой средой углеводородов из парогазовой среды. Поэтому в газообразной фазе, которую отделяют в сепараторе от жидкой среды, содержится меньше углеводородов, чем в парогазовой среде.
Второй этап абсорбции углеводородов организован во втором жидкостно-газовом струйном аппарате, где газообразную фазу сжимают до давления во втором сепараторе, лежащем в диапазоне от 0,6 до 2,5 МПа. При этом, как отмечалось выше, в качестве исходной жидкости для откачки и первоначальной абсорбции углеводородов из газообразной фазы также используют нефть или бензин, в зависимости от того, какой жидкостью в начале работы заполняют второй сепаратор. В процессе работы установки нефть или бензин используют и для обновления жидкой среды, подавая ее, например, на вход второго насоса.
В ходе исследований было установлено, что в зависимости от состава парогазовой среды, образующейся при наливе нефти или бензина, состава подаваемой в абсорбер углеводородной жидкости, ее температуры и расхода, требуемая экологическими нормами степень очистки от углеводородов парогазовой среды достигается при давлении во втором сепараторе, лежащем в диапазоне от 0,6 до 2,5 МПа.
При этом минимальная мощность, затрачиваемая на сжатие парогазовой среды, достигается при давлении в первом сепараторе, лежащем в диапазоне от 0,15 до 0,5 МПа.
Было также установлено, что проводить сжатие парогазовой среды в две ступени экономически более выгодно, чем в одну ступень или в три ступени. Это связано с тем, что при одноступенчатом сжатии необходимо сжимать весь расход парогазовой среды до давления 0,6 – 2,5 МПа в сепараторе. При двухступенчатом сжатии уже в первой ступени часть углеводородов абсорбируется рабочей жидкостью жидкостно-газового струйного аппарата и поэтому во вторую ступень сжатия поступает меньший расход газообразной фазы, что уменьшает потребляемую мощность на сжатие, как и более высокий коэффициент полезного действия (КПД) жидкостно-газовых струйных аппаратов при двухступенчатом сжатии по сравнению с КПД этого аппарата при одноступенчатом сжатии. При организации трехступенчатого сжатия КПД жидкостно-газовых струйных аппаратов уже не увеличивается, а значит, не уменьшается по сравнению с двухступенчатым сжатием, потребляемая мощность. Однако при этом существенно увеличивается металлоемкость установки и возрастает общее количество свежей нефти или бензина, подаваемых в качестве подпитки на вход уже трех насосов, а соответственно, увеличивается и мощность, затрачиваемая на эту подачу.
Третий этап абсорбции углеводородов организован в абсорбере, где из газовой среды выделяют оставшиеся в ней углеводороды. Однако для организации эффективного процесса абсорбции углеводородов из газовой среды необходимо создать условия, при которых используемая в качестве абсорбента углеводородная жидкость, отличная от жидкой среды в сепараторе, имела бы при температуре ее подачи в абсорбер давление насыщенных паров значительно ниже, чем давление насыщенных паров углеводородов в парогазовой среде, образующейся при хранении и наливе нефти или бензина. Кроме того, необходимо добиться значительного снижения собственного испарения углеводородной жидкости в ходе процесса абсорбции. Таким образом требуется правильный выбор углеводородной жидкости, а после проведения процесса абсорбции ее последующая регенерация, чтобы она вновь могла абсорбировать углеводороды из газовой среды. В ходе работы установки проводят постоянное выделение из углеводородной жидкости накапливающихся в ней углеводородов газовой среды и возвращение их обратно в нефть или бензин с помощью жидкостно-газового струйного аппарата. Для этого созданы системы одно- или двухступенчатой десорбции углеводородной жидкости с последовательным снижением давления в десорберах по сравнению с давлением в абсорбере. Предложенная схема позволяет согласовать по давлениям работу жидкостно-газовых струйных аппаратов, абсорбера, десорберов и возвращать в резервуар или наполняемую нефтью или бензином емкость углеводороды, которые выделили из образованной при наливе парогазовой среды. При этом возможны три варианта реализации установки. При относительно невысоких требованиях к степени очистки от углеводородов парогазовой среды возможно использовать установку с одним десорбером, из которого газообразные углеводороды откачивают жидкостно-газовым струйным аппаратом. При больших колебаниях давления парогазовой среды на входе в жидкостно-газовый струйный аппарат целесообразно использовать установку, в которой газообразные углеводороды из десорбера откачивают третьим жидкостно-газовым струйным аппаратом, что позволяет поддерживать в десорбере стабильное давление. Для обеспечения более высокой степени очистки от углеводородов парогазовой среды целесообразно использовать установку с предварительным десорбером, в котором проводится предварительная дегазация углеводородной жидкости при давлении, близком к давлению парогазовой среды, откачиваемой жидкостно-газовым струйным аппаратом. В этом случае для более полного выделения из углеводородной жидкости растворенных в ней углеводородов газовой среды создают в десорбере вакуум третьим жидкостно-газовым струйным аппаратом. Это позволяет подавать в абсорбер углеводородную жидкость с более низким парциальным давлением ее паров, что увеличивает степень очистки от углеводородов парогазовой среды.
Улучшить процесс регенерации углеводородной жидкости в десорбере можно путем подогрева ее после выхода из абсорбера.
В ходе исследований было установлено, что в качестве углеводородной жидкости целесообразно использовать жидкость, содержащую не менее 50% по массе дизельных фракций с пределами выкипания, лежащими в диапазоне от 180 до 340°С, и подавать эту жидкость в абсорбер при температуре, находящейся в диапазоне от минус 30 до плюс 40°С. Это увеличивает степень очистки от углеводородов парогазовой среды и минимизирует расход свежей углеводородной жидкости, подаваемой в качестве подпитки.
Организация противоточной системы движения газовой среды и углеводородной жидкости в абсорбере, например в абсорбционной колонне, создает более благоприятные условия для проведения процесса абсорбции. Это позволяет значительно снизить концентрацию углеводородов в очищаемой указанным способом газовой среде.
Возможна подача жидкой среды из сепаратора на вход насоса и из второго сепаратора на вход второго насоса, что позволяет организовать два идентичных контура ее циркуляции: сепаратор – насос – жидкостно-газовый струйный аппарат – сепаратор. Это позволяет уменьшить расход свежей нефти или бензина, подаваемых в установку из резервуара для их хранения или из трубопровода для их перекачки. Поскольку в процессе работы в жидкую среду, которую подают насосами в жидкостно-газовые струйные аппараты, переходят углеводороды из откачиваемой парогазовой среды, то жидкую среду необходимо обновлять путем ее отвода из установки, например, в резервуар для хранения нефти или бензина или в наполняемую емкость и подводить в установку свежую (исходную) жидкость – нефть или бензин.
Отвод жидкой среды из контуров ее циркуляции и подвод в каждый контур свежей жидкости – нефти или бензина расходом не менее 25% от расхода жидкой среды, прокачиваемой через насос этого контура, дает возможность стабилизировать состав жидкой среды, подаваемой на вход жидкостно-газовых струйных аппаратов, и обеспечить процесс абсорбции жидкой средой углеводородов из откачиваемой парогазовой среды. При необходимости возможна подпитка десорбера свежей (исходной) углеводородной жидкостью (свежим абсорбентом), если в процессе эксплуатации в результате уноса или утечек будет сокращаться ее количество.
В результате удалось добиться эффективной работы всей установки и обеспечить высокую степень очистки от углеводородов парогазовой среды, выводимой в атмосферу.
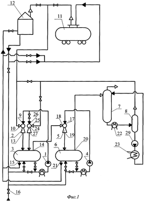
На фиг.1 представлена принципиальная схема, объединяющая первый и второй варианты выполнения установки, в которой осуществляется описываемый способ очистки от углеводородов парогазовой среды, образующейся при хранении нефти или бензина или при наполнении емкости нефтью или бензином. На фиг.2 представлен третий вариант выполнения такой установки.
Установка для очистки от углеводородов парогазовой среды, образующейся при хранении нефти или бензина или при наполнении емкости нефтью или бензином по первому варианту ее выполнения (см. фиг.1), содержит насос 1, жидкостно-газовый струйный аппарат 2, сепаратор 3, второй насос 4, второй жидкостно-газовый струйный аппарат 5, второй сепаратор 6, абсорбер 7 и десорбер 8. Жидкостно-газовый струйный аппарат 2 входом 9 жидкой среды подключен к выходу насоса 1, входом газа 10 подключен к источнику парогазовой среды – емкости 11, наполняемой нефтью или бензином, или резервуару 12 для хранения нефти или бензина, и выходом смеси 13 жидкостно-газовый струйный аппарат 2 подключен к сепаратору 3, который имеет выход 14 газообразной фазы и выход 15 жидкой среды, подключенный к резервуару 12 для хранения нефти или бензина или емкости 11, наполняемой нефтью или бензином. Вход насоса 1 или сепаратор 3 подключен к трубопроводу 16 для перекачки нефти или бензина или к резервуару 12. Абсорбер 7 выходом жидкости подключен к входу в десорбер 8. Выход газа из десорбера 8 подключен к входу 10 газа в жидкостно-газовый струйный аппарат 2. Второй жидкостно-газовый струйный аппарат 5 входом 17 жидкой среды подключен к выходу второго насоса 4, входом 18 газа подключен к выходу 14 газообразной фазы из сепаратора 3 и выходом 19 смеси подключен ко второму сепаратору 6, который имеет выход 20 газовой среды, подключенный к абсорберу 7, и выход 21 жидкой среды, подключенный к резервуару 12 и/или к емкости 11. Вход второго насоса 4 или второй сепаратор 6 подключен к трубопроводу 16 для перекачки нефти или бензина или к резервуару 12 для их хранения. Выход углеводородной жидкости из десорбера 8 подключен к входу углеводородной жидкости в абсорбер 7.
Установка может быть снабжена теплообменником 22, установленным между выходом жидкости из абсорбера и ее входом в десорбер.
Установка может быть снабжена теплообменником 23, установленным между выходом углеводородной жидкости из десорбера 8 и ее входом в абсорбер 7.
По второму варианту выполнения (см. фиг.1) установка для очистки от углеводородов парогазовой среды, образующейся при хранении нефти или бензина или при наполнении емкости нефтью или бензином, отличается от установки по первому варианту ее выполнения тем, что содержит третий жидкостно-газовый струйный аппарат 24. При этом выход газа из десорбера 8 подключен не к входу 10 газа в жидкостно-газовый струйный аппарат 2, а к входу 25 газа в третий жидкостно-газовый струйный аппарат 24, который входом 26 жидкой среды подключен к выходу насоса 1 и выходом 27 смеси подключен к сепаратору 3.
Установка по третьему варианту выполнения (см. фиг.2) отличается от второго варианта ее выполнения тем, что она содержит предварительный десорбер 28, который входом жидкости подключен к выходу ее из абсорбера 7, выходом частично дегазированной углеводородной жидкости подключен к ее входу в десорбер 8 и выходом газообразных углеводородов подключен к входу 10 газа в жидкостно-газовый струйный аппарат 2.
Работу установки по очистке от углеводородов парогазовой среды, образующейся при хранении нефти или бензина или при наполнении емкости нефтью или бензином, рассмотрим на примере, когда источником парогазовой среды является нефть, наполняющая емкость 11 и хранящаяся в резервуаре 12. Этой нефтью перед началом работы установки заполняют сепараторы 3, 6 и подают нефть в эти сепараторы или на вход насосов 1, 4 в процессе работы установки. Абсорбционно-десорбционный контур, включающий абсорбер 7 и десорбер 8, перед началом работы установки заполняют дизельной фракцией. При этом надо учитывать, что, как описывалось выше, вместо нефти может быть бензин, а вместо дизельной фракции могут быть использованы газойлевая фракция, керосиновая фракция или смесь керосиновой и дизельной фракций. Таким образом, наиболее предпочтительным вариантом реализации описываемого способа очистки является вариант, когда перед началом работы сепараторы 3, 6 заполняют той же жидкостью (соответственно, нефтью или бензином), которой наполняют емкость 11 из резервуара 12, и именно эту жидкость в качестве жидкой среды подают насосами 1, 4 в жидкостно-газовые струйные аппараты 2, 5 или в третий жидкостно-газовый струйный аппарат 24, а абсорбционно-десорбционный контур предпочтительно заполнять дизельной фракцией.
При хранении нефти в резервуаре 12 или при наполнении ею емкости 11 образуется парогазовая среда. Для организации процесса очистки от углеводородов парогазовой среды насосом 1 подают жидкую среду (в начальном состоянии это нефть) под давлением в сопло жидкостно-газового струйного аппарата 2 и проводят откачку последним парогазовой среды из наполняемой нефтью емкости 11 и/или из резервуара 12 для ее хранения. В жидкостно-газовом струйном аппарате 2 парогазовая среда сжимается за счет энергии жидкой среды и частично абсорбируется жидкостью. В процессе абсорбции часть углеводородов из парогазовой среды переходит в жидкую среду. Из жидкостно-газового струйного аппарата 2 образованную в нем смесь парогазовой и жидкой сред подают в сепаратор 3, где продолжается процесс перехода углеводородов из парогазовой среды в жидкую среду. В сепараторе разделяют поступившую в него смесь на газообразную фазу и жидкую среду. Из сепаратора 3 жидкая среда может быть подана на вход насоса 1, что позволяет сформировать контур циркуляции жидкой среды. В контуре циркуляции жидкая среда перетекает из сепаратора в насос, далее в жидкостно-газовый струйный аппарат и из последнего обратно в сепаратор. В сепаратор 3 и/или на вход насоса 1 подают нефть из резервуара 12 или из трубопровода 16 для ее перекачки. Избыток жидкой среды выводится из сепаратора 3 в резервуар 12 и/или наполняемую нефтью емкость 11. За счет подачи в сепаратор 3 или на вход насоса 1 «холодной» нефти (т.е. нефти, которая не нагревалась в процессе ее циркуляции в установке) из резервуара 12 или из трубопровода 16 осуществляется стабилизация состава и температуры жидкой среды в контуре ее циркуляции.
Газообразная фаза из сепаратора 3 поступает во второй жидкостно-газовый струйный аппарат 5, в котором она сжимается до давления, находящегося в диапазоне от 0,6 до 2,5 МПа, за счет энергии жидкой среды, подаваемой вторым насосом 4. Из второго жидкостно-газового струйного аппарата 5 образованную в нем смесь газообразной фазы и жидкой среды подают во второй сепаратор 6, где ее разделяют на газовую среду и жидкую среду. В смеси продолжается процесс перехода углеводородов из газообразной фазы в жидкую среду. Из второго сепаратора 6 жидкая среда может быть подана на вход второго насоса 4, что позволяет сформировать второй контур циркуляции жидкой среды. Во второй сепаратор 6 и/или на вход второго насоса 4 подают нефть из резервуара 12 для ее хранения или из трубопровода 16. Избыток жидкой среды выводят из второго сепаратора 6 в резервуар 12 и/или наполняемую нефтью емкость 11. Стабилизируют состав и температуру жидкой среды во втором контуре ее циркуляции путем подачи во второй сепаратор 6 или на вход второго насоса 4 нефти из резервуара 12 или из трубопровода 16.
Выше отмечалось, что основным условием снижения затрат энергии является двухступенчатое сжатие откачиваемой парогазовой среды. Было выявлено, что целесообразно сжимать парогазовую среду до давления в сепараторе 3, находящегося в диапазоне давлений от 0,15 до 0,5 МПа. Сжатие парогазовой среды жидкостно-газовым струйным аппаратом 2 до давления ниже 0,15 МПа позволяет снизить затраты электроэнергии на привод насоса 1, однако при этом эффективность первого этапа процесса абсорбции снижается настолько, что не достигается требуемая экологическими нормами степень очистки от углеводородов выбрасываемой в атмосферу среды. Сжатие парогазовой среды до давления выше 0,5 МПа увеличивает затраты электроэнергии на привод насоса 1 настолько, что начинает увеличиваться потребление электроэнергии всей установкой при условии сохранения одной и той же степени очистки.
Газовую среду из второго сепаратора 6 направляют в абсорбер 7, в который в качестве абсорбента подают углеводородную жидкость. В абсорбере 7 проводят процесс абсорбции углеводородной жидкостью углеводородов из газовой среды, после чего очищенную от углеводородов газовую среду и углеводородную жидкость с растворенными в ней углеводородами газовой среды раздельно выводят из абсорбера 7. В качестве углеводородной жидкости используют, как указывалось выше, дизельную, газойлевую, керосиновую фракции нефти или смесь дизельной и керосиновой фракций.
Наиболее предпочтительно, чтобы углеводородная жидкость содержала не менее 50% по массе дизельных фракций с пределами выкипания, лежащими в диапазоне от 180 до 340°С, причем углеводородную жидкость целесообразно подавать в абсорбер при ее температуре, лежащей в диапазоне от минус 30 до плюс 40°С. Для получения такой температуры углеводородной жидкости используют теплообменник 23, в который подается хладоноситель, в том числе охлажденный при помощи холодильной машины. Для интенсификации процесса выделения углеводородов газовой среды из углеводородной жидкости последняя может быть подогрета в теплообменнике 22 перед поступлением в десорбер 8 или предварительный десорбер 28. Для этого может быть использовано тепло жидкой среды из контуров ее циркуляции, например, после ее выхода из сепаратора 3 или 6. Возможно использование тепла нефти или другого теплоносителя, имеющего более высокую температуру по сравнению с температурой жидкости, выходящей из абсорбера 7.
В соответствии с первым вариантом выполнения установки (см. фиг.1) из абсорбера 7 углеводородную жидкость с растворенными в ней углеводородами газовой среды направляют в десорбер 8, в котором поддерживают давление ниже давления в абсорбере и выделяют из поступившей углеводородной жидкости растворенные в ней углеводороды газовой среды, которые откачивают жидкостно-газовым струйным аппаратом 2 вместе с парогазовой средой, образующейся при наливе нефти.
Углеводородную жидкость из десорбера 8 подают насосом 29 в качестве абсорбента в абсорбер 7.
Работа установки по второму варианту исполнения отличается от первого варианта только тем, что из десорбера 8 углеводороды газовой среды откачивают не жидкостно-газовым струйным аппаратом 2, а третьим жидкостно-газовым струйным аппаратом 24 за счет подачи в него насосом 1 жидкой среды. Образованную в третьем жидкостно-газовом струйном аппарате 24 сжатую смесь жидкой среды и выделившихся в десорбере газообразных углеводородов (углеводородов газовой среды) подают в сепаратор 3. В этой смеси протекает процесс абсорбции жидкой средой газообразных углеводородов.
Работа установки по третьему варианту выполнения (см. фиг.2) отличается от второго варианта тем, что углеводородную жидкость с растворенными в ней углеводородами газовой среды перед поступлением в десорбер 8 предварительно дегазируют в предварительном десорбере 28 с давлением ниже давления в абсорбере 7, которое создают жидкостно-газовым струйным аппаратом 2 путем откачки из предварительного десорбера 28 выделившихся в нем газообразных углеводородов, а в десорбере 8 создают при этом вакуум и полностью выделяют из поступившей углеводородной жидкости растворенные в ней углеводороды газовой среды, которые откачивают третьим жидкостно-газовым струйным аппаратом 24.
Данный способ очистки от углеводородов парогазовой среды, образующейся при хранении нефти или бензина или при наполнении емкости нефтью или бензином, и установки для его реализации могут быть использованы на эстакадах и терминалах налива нефти или бензина, на нефтебазах, заводах нефтеперерабатывающей, нефтехимической и других отраслях промышленности.
Формула изобретения
1. Способ очистки от углеводородов парогазовой среды, образующейся при хранении нефти или бензина или при наполнении емкости нефтью или бензином, включающий подачу насосом жидкой среды в жидкостно-газовый струйный аппарат, откачку последним парогазовой среды из наполняемой нефтью или бензином емкости или резервуара для хранения нефти или бензина и ее сжатие в жидкостно-газовом струйном аппарате за счет энергии жидкой среды, подачу образованной в жидкостно-газовом струйном аппарате смеси парогазовой и жидкой сред в сепаратор, разделение в сепараторе смеси на газообразную фазу и жидкую среду, отвод из сепаратора жидкой среды в наполняемую нефтью или бензином емкость или в резервуар для хранения нефти или бензина, подачу нефти или бензина на вход насоса или в сепаратор, отличающийся тем, что газообразную фазу из сепаратора подают во второй жидкостно-газовый струйный аппарат, в который вторым насосом подают жидкую среду и за счет ее энергий сжимают газообразную фазу, образованную во втором жидкостно-газовом струйном аппарате, смесь газообразной фазы и жидкой среды подают во второй сепаратор, в котором поддерживают давление от 0,6 до 2,5 МПа, и разделяют смесь на газовую среду и жидкую среду, жидкую среду из второго сепаратора отводят в наполняемую нефтью или бензином емкость или в резервуар для хранения нефти или бензина и одновременно подают нефть или бензин на вход второго насоса или во второй сепаратор, газовую среду из второго сепаратора подают в абсорбер, в который в качестве абсорбента подают углеводородную жидкость, проводят в абсорбере процесс абсорбции углеводородной жидкостью углеводородов из газовой среды и выводят из абсорбера очищенную от углеводородов газовую среду и углеводородную жидкость с растворенными в ней углеводородами газовой среды, из абсорбера углеводородную жидкость с растворенными в ней углеводородами газовой среды направляют в десорбер, в котором создают давление ниже давления в абсорбере, и выделяют из поступившей углеводородной жидкости растворенные в ней углеводороды газовой среды, после этого углеводородную жидкость из десорбера подают в качестве абсорбента в абсорбер.
2. Способ по п.1, отличающийся тем, что в десорбере создают давление ниже давления в абсорбере путем откачки выделившихся в нем газообразных углеводородов жидкостно-газовым струйным аппаратом.
3. Способ по п.1, отличающийся тем, что в десорбере создают давление ниже давления в абсорбере путем откачки выделившихся в нем газообразный углеводородов третьим жидкостно-газовым струйным аппаратом, подключенным входом жидкой среды к насосу и выходом образованной в нем смеси к сепаратору.
4. Способ по п.1, отличающийся тем, что в сепараторе поддерживают давление от 0,15 до 0,5 МПа.
5. Способ по п.1, отличающийся тем, что в сепаратор или на вход насоса подают нефть или бензин из резервуара для хранения нефти или бензина или из трубопровода для их перекачки расходом, составляющим не менее 25% от расхода жидкой среды, прокачиваемой через насос.
6. Способ по п.1, отличающийся тем, что во второй сепаратор или на вход второго насоса подают нефть или бензин из резервуара для хранения нефти или бензина или из трубопровода для их перекачки расходом, составляющим не менее 25% от расхода жидкой среды, прокачиваемой через второй насос.
7. Способ по п.1, отличающийся тем, что углеводородная жидкость содержит не менее 50% по массе дизельных фракций с пределами выкипания от 180 до 340°С, причем углеводородную жидкость подают в абсорбер при ее температуре от минус 30 до плюс 40°С.
8. Способ по п.1, отличающийся тем, что углеводородную жидкость с растворенными в ней углеводородами газовой среды после выхода из абсорбера подогревают.
9. Способ по п.1, отличающийся тем, что углеводородную жидкость с растворенными в ней углеводородами газовой среды перед поступлением в десорбер предварительно дегазируют в предварительном десорбере с давлением ниже давления в абсорбере, которое создают жидкостно-газовым струйным аппаратом путем откачки из предварительного десорбера выделившихся в нем газообразных углеводородов, а в десорбере создают при этом вакуум путем откачки из него выделившихся газообразных углеводородов третьим жидкостно-газовым струйным аппаратом, подключенным входом жидкой среды к насосу и выходом образованной в нем смеси к сепаратору.
10. Установка для очистки от углеводородов парагазовой среды, образующейся при хранении нефти или бензина или при наполнении емкости нефтью или бензином, содержащая насос, жидкостно-газовый струйный аппарат, сепаратор, второй насос, второй жидкостно-газовый струйный аппарат, абсорбер и десорбер, при этом жидкостно-газовый струйный аппарат входом жидкой среди подключен к выходу насоса, входом газа подключен к источнику парогазовой среды – емкости, наполняемой нефтью или бензином, или резервуару для хранения нефти или бензина, выходом смеси жидкостно-газовый струйный аппарат подключен к сепаратору, который имеет выход газообразной фазы и выход жидкой среды, подключенный к резервуару для хранения нефти или бензина или емкости, наполняемой нефтью или бензином, вход насоса или сепаратор подключен к трубопроводу для перекачки нефти или бензина или к резервуару для хранения нефти или бензина, абсорбер выходом жидкости подключен к входу в десорбер, выход газа из десорбера подключен к входу газа в жидкостно-газовый струйный аппарат, отличающаяся тем, что установка снабжена вторым сепаратором, при этом второй жидкостно-газовый струйный аппарат входом жидкой среды подключен к выходу второго насоса, входом газа подключен к выходу газообразной фазы из сепаратора, выходом смеси второй жидкостно-газовый струйный аппарат подключен ко второму сепаратору, который имеет выход газовой среды, подключенный к абсорберу, и выход жидкой среды, подключенный к резервуару для хранения нефти или бензина или к емкости, наполняемой нефтью или бензином, вход второго насоса или второй сепаратор подключен к трубопроводу для перекачки нефти или бензина или к резервуару для хранения нефти или бензина, а выход углеводородной жидкости из десорбера подключен к входу углеводородной жидкости в абсорбер.
11. Установка по п.10, отличающаяся тем, что она снабжена теплообменником, установленным между выходом жидкости из абсорбера и ее входом в десорбер.
12. Установка по п.10, отличающаяся тем, что она снабжена теплообменником, установленным между выходом углеводородной жидкости из десорбера и ее входом в абсорбер.
13. Установка для очистки от углеводородов парогазовой среды, образующейся при хранении нефти или бензина или при наполнении емкости нефтью или бензином, содержащая насос, жидкостно-газовый струйный аппарат, сепаратор, второй насос, второй жидкостно-газовый струйный аппарат, абсорбер, десорбер и третий жидкостно-газовый струйный аппарат, при этом жидкостно-газовый струйный аппарат входом жидкой среды подключен к выходу насоса, входом газа подключен к источнику парогазовой среды – емкости, наполняемой нефтью или бензином, или резервуару для хранения нефти или бензина, выходом смеси жидкостно-газовый струйный аппарат подключен к сепаратору, который имеет выход газообразной фазы и выход жидкой среды, подключенный к резервуару для хранения нефти или бензина или к емкости, наполняемой нефтью или бензином, вход насоса или сепаратор подключен к трубопроводу для перекачки нефти или бензина или к резервуару для хранения нефти или бензина, абсорбер выходом жидкости подключен к входу в десорбер, выход газа из десорбера подключен к входу газа в третий жидкостно-газовый струйный аппарат, который входом жидкой среды подключен к выходу насоса и выходом смеси подключен к сепаратору, отличающаяся тем, что установка снабжена вторым сепаратором, при этом второй жидкостно-газовый струйный аппарат входом жидкой среды подключен к выходу второго насоса, входом газа подключен к выходу газообразной фазы из сепаратора, выходом смеси второй жидкостно-газовый струйный аппарат подключен ко второму сепаратору, который имеет выход газовой среды, подключенный к абсорберу, и выход жидкой среды, подключенный к резервуару для хранения нефти или бензина или к емкости, наполняемой нефтью или бензином, вход второго насоса или второй сепаратор подключен к трубопроводу для перекачки нефти или бензина или к резервуару для хранения нефти или бензина, а выход углеводородной жидкости из десорбера подключен к входу углеводородной жидкости в абсорбер.
14. Установка по п.13, отличающаяся тем, что она снабжена теплообменником, установленным между выходом жидкости из абсорбера и ее входом в десорбер.
15. Установка по п.13, отличающаяся тем, что она снабжена теплообменником, установленным между выходом углеводородной жидкости из десорбера и ее входом в абсорбер.
16. Установка для очистки от углеводородов парогазовой среды, образующейся при хранении нефти или бензина или при наполнении емкости нефтью или бензином, содержащая насос, жидкостно-газовый струйный аппарат, сепаратор, второй насос, второй жидкостно-газовый струйный аппарат, абсорбер, десорбер и третий жидкостно-газовый струйный аппарат, при этом жидкостно-газовый струйный аппарат входом жидкой среды подключен к выходу насоса, входом газа подключен к источнику парогазовой среды – емкости, наполняемой нефтью или бензином, или резервуару для хранения нефти или бензина, входом смеси жидкостно-газовый струйный аппарат подключен к сепаратору, который имеет выход газообразной фазы и выход жидкой среды, подключенный к резервуару для хранения нефти или бензина или к емкости, наполняемой нефтью или бензином, вход насоса или сепаратор подключен к трубопроводу для перекачки нефти или бензина или к резервуару для хранения нефти или бензина, выход газа из десорбера подключен к входу газа в третий жидкостно-газовый струйный аппарат, который входом жидкой среды подключен к выходу насоса и выходом смеси подключен к сепаратору, отличающаяся тем, что установка снабжена вторым сепаратором и предварительным десорбером, при этом второй жидкостно-газовый струйный аппарат входом жидкой среды подключен к выходу второго насоса, входом газа подключен к выходу газообразной фазы из сепаратора, выходом смеси второй жидкостно-газовый струйный аппарат подключен ко второму сепаратору, который имеет выход газовой среды, подключенный к абсорберу, и выход жидкой среды, подключенный к резервуару для хранения нефти или бензина или к емкости, наполняемой нефтью или бензином, вход второго насоса или второй сепаратор подключен к трубопроводу для перекачки нефти или бензина или к резервуару для хранения нефти или бензина, выход жидкости из абсорбера подключен к ее входу в предварительный десорбер, который имеет выход газообразных углеводородов, подключенный к входу газа в жидкостно-газовый струйный аппарат, и выход частично дегазированной углеводородной жидкости, подключенный к ее входу в десорбер, а выход углеводородной жидкости из десорбера подключен к входу углеводородной жидкости в абсорбер.
17. Установка по п.16, отличающаяся тем, что она снабжена теплообменником, установленным между выходом жидкости из абсорбера и ее входом в предварительный десорбер.
18. Установка по п.16, отличающаяся тем, что она снабжена теплообменником, установленным между выходом углеводородной жидкости из десорбера и ее входом в абсорбер.
РИСУНКИ
|
|