|
|
(21), (22) Заявка: 2005131605/12, 13.10.2005
(24) Дата начала отсчета срока действия патента:
13.10.2005
(46) Опубликовано: 10.06.2007
(56) Список документов, цитированных в отчете о поиске:
RU 2253222 C1, 10.06.2005. FR 2814332 A, 29.03.2002. WO 01/35090 A1, 17.05.2001. RU 2083070 C1, 10.07.1997.
Адрес для переписки:
115598, Москва, ул. Загорьевская, 4, ГНУ ВСТИСП РАСХН, ОПЛИР
|
(72) Автор(ы):
Донецких Владислав Иванович (RU), Бешнов Геннадий Владимирович (RU)
(73) Патентообладатель(и):
Государственное научное учреждение Всероссийский селекционно-технологический институт садоводства и питомниководства Россельхозакадемии (ГНУ ВСТИСП) (RU)
|
(54) АКТИВАТОР РОСТА РАСТЕНИЙ
(57) Реферат:
Активатор роста растений предназначен для стимуляции развития и роста растений путем их импульсного омагничивания с дополнительным синхронным воздействием ультразвуком и позволяет повысить проницаемость капилляров растений и усилить влияние магнитоимпульсной обработки. Сущность изобретения заключается в осуществлений комплексного воздействия на растения периодической последовательностью заранее установленного количества однонаправленных, разнонаправленных импульсов магнитной индукции, с возможностью дополнительного синхронного воздействия на базальную часть растений импульсами ультразвуковых колебаний в двух взаимно перпендикулярных направлениях. 1 з.п. ф-лы, 3 ил.
Изобретение относится к сельскому хозяйству, а именно к средствам стимуляции развития и роста растений путем их импульсного омагничивания с дополнительным синхронным воздействием ультразвуком.
Известно устройство, которое состоит из формирователя импульсов электрического тока и излучателя магнитного поля. Формирователь содержит блок питания, конденсаторный накопитель электрической энергии, ключевой блок и блок управления ключевым устройством. Блок питания соединен с конденсаторным накопителем и блоком управления ключевым блоком, который подключен к управляющему входу ключевого блока, а конденсаторный накопитель и последовательно соединенный с ним ключевой блок подключены на выходе формирователя к излучателю магнитного поля, выполненному в виде соленоида. На вход формирователя подается переменное напряжение промышленной сети 220 В, 50 Гц. В течение положительного полупериода ключевой блок закрыт и происходит заряд конденсаторного накопителя через блок питания. В отрицательный полупериод блок открывает ключевой блок и происходит разряд конденсаторного накопителя на соленоид, что создает импульс магнитного поля в излучателе (См. Патент РФ №2083070, 1993 г., кл. А01С 1/00, БИ №19, 1997 г.).
Однако это устройство может работать только на одной частоте следования магнитных импульсов – частоте сети 50 Гц и не позволяет проводить обработку растений разнонаправленными импульсами магнитной индукции в сочетании с дополнительным воздействием ультразвуком.
Известно так же устройство для магнитно-импульсной обработки растений, содержащее стабилизированный блок питания, общая шина и первый выход которого подключены к цепи питания логических элементов, а второй выход соединен через первый ключ и термостабильный балластный резистор с первыми выводами накопительного конденсатора, индикатора напряжения, первого индуктора и катодом первого диода, анод которого соединен с вторым выводом первого индуктора, а вторые выводы накопительного конденсатора, индикатора напряжения, второго и третьего ключей соединены с общей шиной стабилизированного блока питания, задающий генератор, выходом соединенный с входом делителя частоты, выходы которого подключены к входам коммутатора, выходом соединенного с входом одновибратора, выход которого соединен с первым входом первого элемента И, и входом первого элемента задержки, выход которого подключен к первому входу второго элемента И, кнопку пуска, выход которой через элемент подавления дребезга контактов соединен с вторым входом второго элемента И, выход которого соединен с S-входом RS-триггера, первый выход которого соединен с управляющим входом первого ключа, третий и четвертый элементы И, выходы которых через первый и второй усилители-формирователи соединены с управляющими входами, соответственно, второго и третьего ключей, блок ввода числа, выходом соединенный с информационным входом блока цифровой индикации, первые выводы начала первой и конца второй обмоток катушки второго индуктора соединены со вторым выводом первого индуктора и катодами второго и третьего диодов, а вторые выводы конца первой и начала второй обмоток катушки второго индуктора соединены, соответственно, с анодами второго и третьего диодов, а также с первыми выводами второго и третьего ключей, первый выход RS-триггера соединен с вторым входом первого элемента И, выход которого соединен со счетным входом блока цифровой индикации, с первыми входами третьего и четвертого элементов И и входом Т-триггера, первый и второй выходы которого соединены со вторыми входами, соответственно, третьего и четвертого элементов И, а выход блока цифровой индикации через второй элемент задержки соединен с R-входом RS-триггера, при этом намотка первой и второй обмоток катушки второго индуктора выполнена в два провода одного направления (См. Патент РФ №2231949, 23.10.2002 г., кл. А01G 7/04, БИ №19, 2004 г.).
Однако данное устройство для магнитно-импульсной обработки растений не позволяет проводить обработку растений одно- и разнонаправленными импульсами магнитной индукции в одном и том же индукторе, а также дополнительно синхронно воздействовать на растения импульсами ультразвуковых колебаний в двух взаимно перпендикулярных направлениях.
Наиболее близким техническим решением из известных является устройство для магнитно-импульсной обработки растений, содержащее источник бесперебойного питания, соединенный с входом блока питания, общая шина и первый выход которого подключены к цепи питания логических элементов, а второй выход соединен с входом первого ключа, первые накопительный конденсатор и индикатор напряжения, первые выводы которых соединены с первым выводом вертикальной катушки индуктора, второй вывод которой соединен с первым выводом второго ключа, а вторые выводы первого накопительного конденсатора, первого индикатора напряжения, второго и третьего ключей соединены с общей шиной блока питания, задающий генератор, выходом соединенный с входом делителя частоты и вторым входом первого элемента ИЛИ-НЕ, первый вход которого соединен с десятым выводом пульта управления и первым выводом резистора, второй вывод которого соединен с первым выводом блока питания, m-выходов делителя частоты подключены к m-входам первого коммутатора, выход которого через первые одновибратор и усилитель-формирователь соединен с управляющим входом третьего ключа, m-выход делителя частоты соединен с первым входом второго коммутатора и входом десятичного счетчика, выход которого подключен к второму входу второго коммутатора, второй элемент ИЛИ-НЕ, первый и второй входы которого соединены, соответственно, с выходом первого элемента ИЛИ-НЕ и выходом второго коммутатора, десятичный счетчик-дешифратор, вход которого соединен с выходом второго элемента ИЛИ-НЕ, а его с нулевого по девятый выходы соединены с нулевого по девятый входами пульта управления, нулевой выход десятичного счетчика-дешифратора соединен с нулевыми входами сброса десятичного счетчика, делителя частоты и входом первого элемента НЕ, второй усилитель-формирователь, выход которого соединен с управляющим входом второго ключа, первый диод, в него дополнительно введены второй, третий, четвертый и пятый диоды, первый, второй и третий выключатели, второй и третий накопительные конденсаторы, второй и третий индикаторы напряжения, горизонтальная катушка индуктора, первое и второе сферические зеркала, источник инфракрасного излучения, импульсная газоразрядная лампа, блок поджига, второй элемент НЕ, второй и третий одновибраторы, блок звуковой сигнализации, при этом выход первого ключа через источник инфракрасного излучения соединен с анодами первого, второго и третьего диодов, катоды которых соединены с первыми выводами, соответственно первого, второго и третьего выключателей, вторые выводы которых соединены соответственно, с первым выводом первого накопительного конденсатора, с первыми выводами второго накопительного конденсатора, второго индикатора напряжения и горизонтальной катушки индуктора, с первыми выводами третьего накопительного конденсатора, третьего индикатора напряжения, блока поджига и импульсной газоразрядной лампы, а вторые выводы второго и третьего накопительных конденсаторов, второго и третьего индикаторов напряжения, блока поджига и импульсной газоразрядной лампы соединены с общей шиной блока питания, второй вывод горизонтальной катушки индуктора подключен к первому выводу третьего ключа, третий вывод блока поджига соединен с электродом поджига импульсной газоразрядной лампы, третьи выводы первого и второго выключателей соединены с анодами четвертого и пятого диодов, а их катоды подключены к третьему выводу третьего выключателя, пятый и четвертый выводы соответственно первого и второго выключателей соединены с выходом второго усилителя-формирователя, а пятые выводы второго и третьего выключателей соответственно соединены с выходом первого усилителя-формирователя и управляющим входом блока поджига, управляющий вход первого ключа подключен к выходу первого элемента НЕ, вход второго элемента НЕ подключен к выходу первого коммутатора, а выход второго элемента НЕ через второй одновибратор соединен с входом второго усилителя-формирователя, вход третьего одновибратора подключен к нулевому входу сброса делителя частоты, а выход третьего одновибратора соединен с входом блока звуковой сигнализации, индуктор выполнен в виде двух взаимно перпендикулярных катушек рядовой намотки с шагом равным не менее двум диаметрам обмоточного провода, намотанных на прямоугольных каркасах, один из которых находится в полости другого, при этом на каждой из двух противоположных сторон каркаса обмотки горизонтальной катушки выполнены окна, вплотную к которым установлены совместно с сферическими зеркалами, направленными во внутрь ее полости, с одной стороны источник инфракрасного излучения, а с противоположной ей – импульсная газоразрядная лампа (см. Патент РФ №2253222, 29.12.2003 г., кл. А01G 7/04, Бюл. №16, 2005 г. Устройство для магнитно-импульсной обработки растений. – прототип).
Однако данное устройство для магнитно-импульсной обработки растений может использоваться только для осуществления воздействия на растения периодической последовательности заранее установленного количества импульсов магнитной индукции, чередующихся с частотой повторения в двух взаимно перпендикулярных направлениях, а также дополнительного воздействия световыми импульсами разной длины волны на базальную и апикальную части растений. Оно не позволяет проводить обработку растений разнонаправленными импульсами магнитной индукции, а также дополнительно синхронно воздействовать на растения импульсами ультразвуковых колебаний в двух взаимно перпендикулярных направлениях, обеспечивая обеззараживающее действие и дополнительные положительные реакции развития у обычных и трудно укореняемых растений.
Задачей, на решение которой направлено изобретение, является создание устройства пригодного для осуществления воздействия на растения в одном и том же индукторе периодической последовательности заранее установленного количества однонаправленных, разнонаправленных импульсов магнитной индукции, с возможностью дополнительного синхронного воздействия на базальную часть растений импульсами ультразвуковых колебаний в двух взаимно перпендикулярных направлениях, обеспечивающих обеззараживающее действие, повышение проницаемости капилляров растений, усиление влияния магнитно-импульсной обработки.
Поставленная задача решается тем, что в активатор роста растений, содержащий источник бесперебойного питания, первым выводом выхода соединенный с первым выводом входа блока питания и первым выводом ограничителя тока, второй вывод выхода источника бесперебойного питания соединен со вторыми выводами входов блока питания и схемы выпрямителя, минусовые выводы выходов которых соединены общей шиной со вторыми выводами индикатора напряжения, накопительного конденсатора, первого и второго ключей, общая шина и третий вывод плюсового выхода стабилизированного напряжения блока питания подключены к цепи питания логических элементов и блоков, первую и вторую идентичные катушки индуктора, которые намотаны в два провода одного направления и размещены на полом каркасе из диэлектрика, двухпозиционное электромагнитное реле с двумя группами нормально замкнутых контактов соответственно первого с третьим и второго с пятым, второй вывод ограничителя тока соединен с входом третьего ключа, выход которого соединен с первым выводом входа схемы выпрямителя, плюсовый вывод выхода которой подключен ко второму входу первого переключателя, выходом соединенного с анодом диода, катод которого соединен с первым переключающим контактом первой группы контактов двухпозиционного электромагнитного реле, с первыми выводами индикатора напряжения, накопительного конденсатора и первой катушки индуктора, второй вывод которой соединен с первым выводом первого ключа, управляющий вход которого подключен к выходу первого усилителя-формирователя, второй усилитель-формирователь, выходом соединенный с управляющим входом второго ключа, первый вывод которого соединен со вторым переключающим контактом второй группы контактов двухпозиционного электромагнитного реле, третий контакт первой группы контактов и шестой контакт второй группы контактов которого соединены с первым выводом второй катушки индуктора, второй вывод которой соединен с четвертым и пятым контактами соответственно первой и второй группы контактов двухпозиционного электромагнитного реле, седьмой вывод обмотки которой соединен с общей шиной, а ее восьмой вывод обмотки соединен с выходом второго переключателя, второй вход которого соединен с четвертым выводом плюсового выхода напряжения блока питания, пульт управления, подключенный к управляющему входу цифрового таймера, выход которого через элемент гальванической развязки соединен с управляющим входом третьего ключа, а через последовательно соединенные первые элемент НЕ и одновибратор соединен с входом блока звуковой сигнализации, задающий генератор, выходом соединенный с входом цифрового таймера и со счетным С-входом делителя частоты, R-вход которого подключен к выходу первого элемента НЕ, m-выходов делителя частоты подключены к m-входам коммутатора, выход которого соединен с входом второго одновибратора, а через второй элемент НЕ соединен с входом третьего одновибратора, выходы второго и третьего одновибраторов соединены с входами соответственно первого и второго усилителей-формирователей, а также с первым и вторым входами элемента ИЛИ, третий переключатель, в него дополнительно введены генератор импульсов ультразвуковой частоты, третий элемент НЕ, первые и вторые элементы И, усилители мощности импульсов ультразвуковой частоты и излучатели импульсов ультразвуковых колебаний, при этом выход генератора импульсов ультразвуковой частоты соединен со вторым входом третьего переключателя, первый вход которого подключен к общей шине, выход элемента ИЛИ соединен с первым входом первого элемента И, а через третий элемент НЕ подключен к первому входу второго элемента И, вторые входы первого и второго элементов И соединены с выходом третьего переключателя, выходы первого и второго элементов И соединены соответственно через первый и второй усилители мощности импульсов ультразвуковой частоты с первым и вторым излучателями импульсов ультразвуковых колебаний, которые расположены взаимно перпендикулярно и размещены совместно с растениями в емкости с жидкой питательной средой внутри индуктора.
Технический результат выражается в том, что благодаря введенным в предлагаемое устройство генератору импульсов ультразвуковой частоты, третьему элементу НЕ, первым и вторым элементам И, усилителям мощности импульсов ультразвуковой частоты и излучателям импульсов ультразвуковых колебаний, которые расположены взаимно перпендикулярно и размещены совместно с растениями в емкости с жидкой питательной средой внутри индуктора и их электрическим связям, удалось осуществить воздействия на базальную часть обычных и трудноукореняемых растений импульсами ультразвуковых колебаний в двух взаимно перпендикулярных направлениях и синхронно с ними однонаправленными и разнонаправленными импульсами магнитной индукции с целью стимуляции их обменных процессов и адаптации к внешнему фактору среды.
Новизна предложенного технического решения состоит в введенных в предлагаемое устройство новых элементах, их электрических связях и электрических преобразованиях сигналов.
Проведенный анализ уровня техники, включающий поиск по патентным и научно-техническим источникам информации, и выявление источников, содержащих сведения об аналогах заявленного изобретения, позволил установить отсутствие технического решения в источниках, характеризующегося признаками, тождественными признакам предложенного изобретения. Определение из перечня выявленных аналогов прототипа, как наиболее близкого по совокупности признаков аналога, позволил установить совокупность существенных по отношению к усматриваемому техническому результату отличительных признаков в заявленном устройстве, изложенных в формуле изобретения.
Следовательно, заявленное изобретение соответствует условию «новизна».
Результаты проведенного дополнительного поиска известных решений показали, что заявленное изобретение не содержит признаков, совпадающих с отличительными от прототипа признаками заявленного устройства.
Следовательно, заявленное изобретение не вытекает для специалиста явным образом из известного уровня техники, а является результатом творческого труда авторов изобретения.
Следовательно, заявленное изобретение соответствует условию «изобретательский уровень».
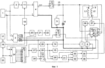
Активатор роста растений поясняется чертежом, где на фиг.1 дана электрическая структурная схема активатора, на фиг.2 – схема размещения растений в индукторе, на фиг.3 – временные диаграммы работы активатора.
Активатор роста растений содержит источник бесперебойного питания 1, первый вывод выхода которого соединен с первым выводом входа блока питания 2, первым выводом ограничителя тока 3. Второй вывод выхода источника бесперебойного питания 1 соединен со вторыми выводами входов блока питания 2 и схемы выпрямителя 4, минусовые выводы выходов которых соединены общей шиной со вторыми выводами индикатора напряжения 5, накопительного конденсатора 6, первого и второго ключей 7 и 8. Общая шина и третий вывод плюсового выхода стабилизированного напряжения (+U2) блока питания 2 подключены к цепи питания логических элементов и блоков. Первую и вторую идентичные катушки L1 и L2 индуктора 9, которые намотаны в два провода одного направления и размещены на полом каркасе из диэлектрика. Двухпозиционное электромагнитное реле 10 с двумя группами К1.1 и К1.2 нормально замкнутых контактов соответственно первого с третьим и второго с пятым. Второй вывод ограничителя тока 3 соединен с входом третьего ключа 11, выход которого соединен с первым выводом входа схемы выпрямителя 4. Плюсовый вывод выхода напряжения (+U1) схемы выпрямителя 4 подключен ко второму входу первого переключателя 12, выход которого соединен с анодом диода 13. Катод диода 13 соединен с первым переключающим контактом первой группы контактов К1.1 двухпозиционного электромагнитного реле 10, с первыми выводами индикатора напряжения 5, накопительного конденсатора 6 и первой катушки L1 индуктора 9, второй вывод которой соединен с первым выводом первого ключа 7, управляющий вход которого подключен к выходу первого усилителя-формирователя 14.
Второй усилитель-формирователь 15, выход которого соединен с управляющим входом второго ключа 8, первый вывод которого соединен со вторым переключающим контактом второй группы контактов К1.2 двухпозиционного электромагнитного реле 10. Третий контакт первой группы контактов К1.1 и шестой контакт второй группы контактов К1.2 двухпозиционного электромагнитного реле 10 соединены с первым выводом второй катушки L2 индуктора 9, второй вывод которой соединен с четвертым и пятыми контактами соответственно первой и второй группы контактов К1.1 и К1.2 двухпозиционного электромагнитного реле 10, седьмой вывод обмотки которой соединен с общей шиной, а ее восьмой вывод обмотки соединен с выходом второго переключателя 16, второй вход которого соединен с четвертым выводом плюсового выхода напряжения (+U3) блока питания 2. Пульт управления 17, подключенный к управляющему входу цифрового таймера 18, выход которого через элемент гальванической развязки 19 соединен с управляющим входом третьего ключа 11, а через последовательно соединенные первые элемент НЕ 20 и одновибратор 21 соединен с входом блока звуковой сигнализации 22. Задающий генератор 23, выход которого соединен с входом цифрового таймера 18 и со счетным С-входом делителя частоты 24, R-вход которого подключен к выходу первого элемента НЕ 20. Делитель частоты 24, m-выходов которого подключены к m-входам коммутатора 25, выход которого соединен с входом второго одновибратора 26, а через второй элемент НЕ 27 соединен с входом третьего одновибратора 28. Выходы второго и третьего одновибраторов 26 и 28 соединены с входами соответственно первого и второго усилителей-формирователей 14 и 15, а также с первым и вторым входами элемента ИЛИ 29, выход которого соединен с первым входом первого элемента И 30, а через третий элемент НЕ 31 подключен к первому входу второго элемента И 32. Третий переключатель 33, первый вход которого соединен с общей шиной, а второй его вход подключен к выходу генератора импульсов ультразвуковой частоты 34. Выход третьего переключателя 33 соединен со вторыми входами первого и второго элементов И 30 и 32, выходы которых соединены соответственно через первый и второй усилители мощности импульсов ультразвуковой частоты 35 и 36 с первым и вторым излучателями импульсов ультразвуковых колебаний 37 и 38, которые жестко прикреплены к крышке 39, расположены взаимно перпендикулярно и размещены совместно с растениями 40 в емкости 41 с жидкой питательной средой 42 внутри индуктора 9.
Устройство работает следующим образом.
При обработке растений однонаправленными импульсами магнитной индукции растения требуемым образом размещают и ориентируют внутри полости каркаса катушек L1, L2 индуктора 9, первый, второй и третий переключатели 12, 16 и 33 устанавливают в положения соответственно 2, 1 и 1 (на фиг.1 номера входов и положений как переключателей, так и коммутатора указаны на их контактах внутри их графических изображений). С помощью коммутатора 25 задают одно значение частоты Fc из m возможных частот следования импульсов магнитной индукции (например, устанавливают в положение 1, соответствующее самой верхней частоте рабочего диапазона частот), а с помощью клавиатуры пульта управления 17 выбирают необходимый временной интервал экспозиции э цифрового таймера 18.
Задаваемое количество импульсов N периодической последовательности одно- или разнонаправленных импульсов магнитной индукции в индукторе 9 определяют из выражения (1):
N= Э·2Fc (1),
Fc=1/Тс (2),
где Тс – период следования прямоугольных импульсов на выходе первого коммутатора 25, с;
э – задаваемый с помощью цифрового таймера 18 интервал экспозиции, с.
Инициализируют начало работы устройства нажатием кнопки выбранного значения временного интервала экспозиции на пульте управления 17, при этом строб-импульс длительности э с выхода цифрового таймера 18 (фиг.3, поз.43), инвертированный первым элементом НЕ 20 (фиг.3, поз.44), поступает на R-вход делителя частоты 24 и разрешает синхронизированный с цифровым таймером 18 счет импульсов, поступающих на счетный С-вход делителя частоты 24 и вход цифрового таймера 18 с выхода одного и того же задающего генератора 23.
Таким образом, делитель частоты 24 в течение всего времени э находится в рабочем состоянии, поэтому с выхода коммутатора 25 на входы второго одновибратора 26 и второго элемента НЕ 27 поступают прямоугольные импульсы с частотой следования Fc=1/Тс (фиг.3, поз.46). Одновременно, передний фронт сформированного прямоугольного строб-импульса длительности э с выхода цифрового таймера 18 через элемент гальванической развязки 19 поступает на управляющий вход третьего ключа 11 и открывает его на время э (фиг.3, поз.43). При этом напряжение постоянного тока (+U1) с плюсового вывода выхода схемы выпрямителя 4 через диод 13 поступает на первый вывод накопительного конденсатора 6, заряжая его в течение времени ta до напряжения U1 (фиг.3, поз.51), которое контролируется индикатором напряжения 5.
Второй одновибратор 26, из поступивших на его вход пачки прямоугольных импульсов (фиг.2, поз.46) формирует на своем выходе первую пачку коротких импульсов длительности и периодом следования Tc (фиг.3, поз.47).
Третий одновибратор 28 формирует из поступившего на его вход инвертированного вторым элементом НЕ 27 сигнала вторую пачку коротких импульсов длительности и периодом следования Tc, задержанных относительно первой пачки импульсов на время равное половине периода их следования (фиг.3, поз.48).
Таким образом, второй и третий одновибраторы 26 и 28 формируют на своих выходах пачки коротких импульсов длительности с числом импульсов в каждой пачке равным Nэ= э·Fc (фиг.2, поз.47 и 48).
Первая пачка коротких импульсов с выхода второго одновибратора 26 через первый усилитель-формирователь 14 поступает на управляющий вход первого ключа 7, а вторая пачка коротких импульсов с выхода третьего одновибратора 28 через второй усилитель-формирователь 15 поступает на управляющий вход второго ключа 8 (в качестве первого и второго ключей 7 и 8 используются тиристоры).
Первый короткий импульс первой пачки импульсов N1э, поступивший на управляющий вход первого ключа 7, открывает его, при этом происходит разряд накопительного конденсатора 6 через обмотку первой катушки L1 индуктора 9 за время к (фиг.3, поз.54). В результате протекания через обмотку первой катушки L1 индуктора 9 разрядного тока в ней возникает импульс магнитной индукции (фиг.3, поз.56), воздействующий на размещенные в индукторе 9 растения. Так же первый короткий импульс второй пачки импульсов N2Э (фиг.3, поз.48), поступивший на управляющий вход второго ключа 8, открывает его. При этом происходит очередной разряд накопительного конденсатора 6 через обмотку второй катушки L2 индуктора 9 так же за время к (фиг.3, поз.55). В результате во второй катушке L2 индуктора 9 возникает очередной импульс магнитной индукции (фиг.3, поз.56), воздействуя на размещенные в нем растения.
Далее процесс идет аналогично и окончательно завершается с приходом заднего фронта строб-импульса длительности э с выхода цифрового таймера 18 (фиг.3, поз.43), который своим задним фронтом закрывает третий ключ 11 и прерывает подачу напряжения (+U1), а поступив через первый элемент НЕ 20 на R-вход делителя частоты 24, останавливает его счет, процесс останавливается. При этом блок звуковой сигнализации 22 из поступившего на его вход скачка напряжения с выхода первого элемента НЕ 20 (фиг.3, поз.44) через первый одновибратор 21 формирует звуковой сигнал длительности зв (фиг.3, поз.45), который извещает в течение нескольких секунд, что процесс обработки растений закончен.
Таким образом полное число однонаправленных импульсов магнитной индукции, полученное растениями в процессе их обработки (фиг.3, поз.56), при этом будет определяться из ранее приведенного выражения (1).
Для обработки в индукторе 9 растений разнонаправленными импульсами магнитной индукции второй переключатель 21 переводят из положения 1 в 2, при этом подается электропитание на восьмой вывод обмотки двухпозиционного электромагнитного реле 10, которое своими контактами К1.1 и К1.2 изменяет направление протекания тока (при включении второго ключа 8) в катушке L2 индуктора 9 на противоположное. В результате полное число разнонаправленных импульсов магнитной индукции, полученное растениями в процессе их обработки (фиг.3, поз.57), так же будет определяться из ранее приведенного выражения (1).
При магнитно-импульсной обработке растений с дополнительным синхронным воздействием на их базальную часть импульсами ультразвуковых колебаний в двух взаимно перпендикулярных направлениях внутри индуктора 9 в емкости 41 с жидкой питательной средой 42 и установленными в ней взаимно перпендикулярно первым и вторым излучателями импульсов ультразвуковых колебаний 37 и 38 размещают растения 40 (фиг.2), а третий переключатель 33 переводят из положения 1 в 2 (фиг.1).
При этом с выхода элемента ИЛИ 29 на первый вход первого элемента И 30 поступают короткие импульсы длительности с периодом следования 0,5 Тс (фиг.3, поз.49), а на первый вход второго элемента И 32 поступают через третий элемент НЕ 31 их инвертированные значения (фиг.3, поз.50). Кроме того, на вторые входы первого и второго элементов И 30 и 32 с выхода третьего переключателя 33 поступают прямоугольные импульсы ультразвуковой частоты. Таким образом на выходе первого и второго элементов И 30 и 32 будут сформированы пакеты импульсов ультразвуковой частоты длительности и 0,5Тс- соответственно (фиг.3, поз.52, 53). Эти пачки пакетов импульсов ультразвуковой частоты синхронно с импульсами магнитной индукции поступают соответственно через первый и второй усилители мощности импульсов ультразвуковой частоты 35 и 36 на первый и второй излучатели импульсов ультразвуковых колебаний 37 и 38 и излучаются ими в жидком питательном растворе в двух взаимно перпендикулярных направлениях, воздействуя на базальные части растений синхронно с импульсами магнитной индукции на протяжении интервала э (фиг.3, поз.58, 59). При этом пакеты импульсов колебаний ультразвуковой частоты, излучаемые первым излучателем импульсов ультразвуковых колебаний 37, оказывают больше стимулирующее действие увеличением проницаемости капилляров, а пакеты импульсов колебаний ультразвуковой частоты, излучаемые вторым излучателем импульсов ультразвуковых колебаний 38, оказывают больше обеззараживающее действие, уничтожая грибковые споры и других паразитов (на фиг.1 направления излучения каждого из излучателей импульсов ультразвуковых колебаний 37 и 38 условно указано тремя волнистыми стрелками, а на фиг.2 – тремя полуокружностями).
Стабильность и автономность устройства достигается благодаря использованию источника бесперебойного питания 1, что существенно при работе устройства в полевых условиях.
Формула изобретения
1. Активатор роста растений, содержащий источник бесперебойного питания, первым выводом выхода соединенный с первым выводом входа блока питания и первым выводом ограничителя тока, второй вывод выхода источника бесперебойного питания соединен со вторыми выводами входов блока питания и схемы выпрямителя, минусовые выводы выходов которых соединены общей шиной со вторыми выводами индикатора напряжения, накопительного конденсатора, первого и второго ключей, общая шина и третий вывод плюсового выхода стабилизированного напряжения блока питания подключены к цепи питания логических элементов и блоков, первую и вторую идентичные катушки индуктора, которые намотаны в два провода одного направления и размещены на полом каркасе из диэлектрика, двухпозиционное электромагнитное реле с двумя группами нормально замкнутых контактов соответственно первого с третьим и второго с пятым, второй вывод ограничителя тока соединен с входом третьего ключа, выход которого соединен с первым выводом входа схемы выпрямителя, плюсовый вывод выхода которой подключен ко второму входу первого переключателя, выходом соединенного с анодом диода, катод которого соединен с первым переключающим контактом первой группы контактов двухпозиционного электромагнитного реле, с первыми выводами индикатора напряжения, накопительного конденсатора и первой катушки индуктора, второй вывод которой соединен с первым выводом первого ключа, управляющий вход которого подключен к выходу первого усилителя-формирователя, второй усилитель-формирователь, выходом соединенный с управляющим входом второго ключа, первый вывод которого соединен со вторым переключающим контактом второй группы контактов двухпозиционного электромагнитного реле, третий контакт первой группы контактов и шестой контакт второй группы контактов которого соединены с первым выводом второй катушки индуктора, второй вывод которой соединен с четвертым и пятым контактами соответственно первой и второй группы контактов двухпозиционного электромагнитного реле, седьмой вывод обмотки которой соединен с общей шиной, а ее восьмой вывод обмотки соединен с выходом второго переключателя, второй вход которого соединен с четвертым выводом плюсового выхода напряжения блока питания, пульт управления, подключенный к управляющему входу цифрового таймера, выход которого через элемент гальванической развязки соединен с управляющим входом третьего ключа, а через последовательно соединенные первые элемент НЕ и одновибратор соединен с входом блока звуковой сигнализации, задающий генератор, выходом соединенный с входом цифрового таймера и со счетным С – входом делителя частоты, R – вход которого подключен к выходу первого элемента НЕ, m-выходов делителя частоты подключены к m-входам коммутатора, выход которого соединен с входом второго одновибратора, а через второй элемент НЕ соединен с входом третьего одновибратора, выходы второго и третьего одновибраторов соединены с входами соответственно первого и второго усилителей-формирователей, а также с первым и вторым входами элемента ИЛИ, третий переключатель, отличающийся тем, что в него дополнительно введены генератор импульсов ультразвуковой частоты, третий элемент НЕ, первые и вторые элементы И, усилители мощности импульсов ультразвуковой частоты и излучатели импульсов ультразвуковых колебаний, при этом выход генератора импульсов ультразвуковой частоты соединен со вторым входом третьего переключателя, первый вход которого подключен к общей шине, выход элемента ИЛИ соединен с первым входом первого элемента И, а через третий элемент НЕ подключен к первому входу второго элемента И, вторые входы первого и второго элементов И соединены с выходом третьего переключателя, выходы первого и второго элементов И соединены соответственно через первый и второй усилители мощности импульсов ультразвуковой частоты с первым и вторым излучателями импульсов ультразвуковых колебаний.
2. Активатор роста растений по п.1, отличающийся тем, что первый и второй излучатели импульсов ультразвуковых колебаний расположены взаимно перпендикулярно и размещены совместно с растениями в емкости с жидкой питательной средой внутри индуктора.
РИСУНКИ
MM4A – Досрочное прекращение действия патента СССР или патента Российской Федерации на изобретение из-за неуплаты в установленный срок пошлины за поддержание патента в силе
Дата прекращения действия патента: 14.10.2007
Извещение опубликовано: 27.06.2009 БИ: 18/2009
|
|