|
|
(21), (22) Заявка: 2006102035/09, 25.01.2006
(24) Дата начала отсчета срока действия патента:
25.01.2006
(46) Опубликовано: 27.05.2007
(56) Список документов, цитированных в отчете о поиске:
RU 2234198 C1, 10.08.2004. US 3371281 A, 27.12.1968. RU 2114510 C1, 27.06.1998. JP 5612946, 09.10.1981.
Адрес для переписки:
109074, Москва, Китайгородский пр-д, 9/5, Военная академия Ракетных войск стратегического назначения им. Петра Великого
|
(72) Автор(ы):
Аношкин Александр Владимирович (RU), Аношкин Данил Александрович (RU), Аношкина Ирина Анатольевна (RU), Зайцева Галина Яковлевна (RU), Киреев Дмитрий Геннадьевич (RU), Кусков Николай Александрович (RU)
(73) Патентообладатель(и):
Военная академия Ракетных войск стратегического назначения имени Петра Великого (RU)
|
(54) УСТРОЙСТВО ДЛЯ ПРИЕМА СИГНАЛОВ С МИНИМАЛЬНОЙ УГЛОВОЙ МОДУЛЯЦИЕЙ
(57) Реферат:
Изобретение относится к цифровой радиосвязи и может быть использовано в системах передачи сигналов с минимальной угловой модуляцией (МУМ) без разрыва фазы, а именно сигналов с минимальной фазовой модуляцией (МФМ) и сигналов с минимальной частотной модуляцией (МЧМ). Технический результат состоит в обеспечении оптимального когерентного приема как сигналов с МФМ, так и сигналов с МЧМ с учетом корреляционной связи между их символами, что обеспечивает повышение верности приема. Устройство для приема сигналов с МЧМ содержит синхронизатор, первый и второй корреляторы, первое, второе, третье и четвертое устройства выборки/хранения, первый, второй и третий сумматоры, компаратор, первый и второй перемножители, вычитающее устройство, первый и второй пороговые элементы. 4 ил.
Изобретение относится к электросвязи, а именно к цифровой радиосвязи, и может быть использовано в системах передачи сигналов с минимальной угловой модуляцией (МУМ) без разрыва фазы, а именно сигналов с минимальной фазовой модуляцией (МФМ) и сигналов с минимальной частотной модуляцией (МЧМ).
Известно устройство для приема частотно-манипулированных сигналов (Финк Л.М. Теория передачи дискретных сообщений. – М.: Сов. радио, 1970, с.155-156), содержащее синхронизатор, первый и второй корреляторы, первый и второй блоки вычисления модуля сигнала, блок вычитания, компаратор, тактовый вход которого подключен к тактовому выходу синхронизатора и к тактовым входам первого и второго корреляторов, информационные входы которых соединены с входом устройства, а опорные входы – соответственно с первым и вторым опорными выходами синхронизатора, при этом выход триггера является выходом устройства.
Недостатком известного устройства для приема частотно-манипулированных сигналов является недостаточная верность демодулированных сигналов, т.к. при приеме не учитывается корреляционная связь между символами принимаемых сигналов с МЧМ. Кроме того, известное устройство не позволяет демодулировать сигналы с МФМ.
Наиболее близким к предлагаемому является устройство для приема сигналов с минимальной угловой модуляцией (патент РФ №2234198 С1, кл. Н04L 27/14, 2004), содержащее синхронизатор, первый и второй корреляторы, первый и второй сумматоры, первое, второе, третье и четвертое устройства выборки/хранения, компаратор, перемножитель и относительный декодер, тактовый вход которого подключен к тактовому выходу синхронизатора и к тактовым входам первого и второго корреляторов, информационные входы которых соединены с входом устройства и входом синхронизатора, а опорные входы – соответственно с первым и вторым опорными выходами синхронизатора, при этом выход первого сумматора подключен к прямому входу компаратора, выход перемножителя – к инверсному входу компаратора, первый вход перемножителя – к выходу второго сумматора, второй вход перемножителя – к управляющим входам первого и второго устройств выборки/хранения и к прямому управляющему выходу синхронизатора, инверсный управляющий выход которого соединен с управляющими входами третьего и четвертого устройств выборки/хранения, выходы которых подключены к первым входам соответственно первого и второго сумматоров, вторые входы которых соединены с выходами соответственно первого и второго устройств выборки/хранения, информационные входы которых подключены к выходам соответственно первого и второго корреляторов и к информационным входам соответственно третьего и четвертого устройств выборки/хранения, причем первым информационным выходом устройства является выход компаратора, который подключен к информационному входу относительного декодера, выход которого является вторым информационным выходом устройства, синхровыход которого соединен с тактовым выходом синхронизатора.
Известное устройство обеспечивает более высокую верность приема сигналов с МУМ за счет учета корреляционной связи между их элементарными сигналами (символами).
При этом в режиме приема сигналов с МФМ известное устройство обеспечивает оптимальный корреляционный прием сигналов с МФМ.
Однако недостатком известного устройства в режиме приема сигналов с МЧМ также является недостаточная верность демодулированных сигналов, т.к. прием сигналов с МЧМ без разрыва фазы осуществляют в два этапа: вначале сигнал с МЧМ принимают как сигнал с МФМ, затем выполняют относительное декодирование полученного видеосигнала. В результате применения относительного декодирования происходит удвоение числа ошибок при опознании элементарных сигналов (символов) в принимаемом сигнале с МЧМ.
Для устранения указанного недостатка необходимо обеспечить оптимальный корреляционный прием сигналов с МЧМ.
Принимаемый сигнал с МУМ, информация в котором может быть заложена как в фазу – минимальная фазовая модуляция (МФМ), так и в частоту – минимальная частотная модуляция (МЧМ), при отсутствии шума на любом символьном интервале может быть представлен одним из четырех элементарных сигналов, определенных на длительности T символа как


где А и – амплитуда и начальная фаза сигнала на границе к-го символа,
1 и 2 – круговые частоты элементарных сигналов.
Любые два последовательных символа с МУМ коррелированны друг с другом, что отражают решетчатые диаграммы сигналов с МФМ и МЧМ, показанные на фиг.3,а и 3,б.
Узлам указанных решетчатых диаграмм соответствуют разности фаз несущего колебания и принимаемого сигнала с МУМ на границах символьных интервалов, а ребрам – элементарные сигналы, передаваемые в соответствующих символьных интервалах. При этом ребра, показанные пунктирными линиями соответствуют передаваемым символам “+1”, а ребра, показанные сплошными линиями, – передаваемым символам “-1”.
Как показано на фиг.3,а, для сигнала с МФМ передаче символов “+1” всегда соответствует состояние , а передаче символа “-1” – состояние . При этом, как показано на фиг.3,б, для сигнала с МЧМ передаче символа “+1” соответствует сохранение состояния или , а передаче символов “-1” – переход из одного из этих состояний в другое состояние.
Разрешенные последовательности элементарных сигналов сигнала с МУМ на двухсимвольном интервале определяются разрешенными путями на решетчатой диаграмме.
Разрешенные последовательности элементарных сигналов сигнала с МФМ (см. фиг.3,а) при передаче на к-м символьном интервале символа “+1”:
S1, S1 или S1, S2;
S3, S1 или S3, S2,
а при передаче на к-м символьном интервале символа “-1”:
S2, S4 или S2, S3;
S4, S4 или S4, S3.
Поэтому решение о значении принимаемого на к-м символьном интервале символа сигнала с МФМ следует принимать, последовательно сравнивая альтернативные гипотезы о приеме разрешенных последовательностей двух элементарных сигналов, соответствующих передаче символов “+1” или и “-1”:
S1, S1 или S2, S3;
S3, S1 или S4, S3;
S1, S2 или S2, S4;
S3, S2 или S4, S4.
Для принятия решения о значении принятого на к-м символьном интервале символа необходимо определить, с какой из указанных гипотез наиболее коррелирована реализация принимаемого радиосигнала на к-м и (к+1)-м символьных интервалах.
Обозначим корреляционный интеграл от произведения входного сигнала и i-го опорного сигнала на к-м символьном интервале [кТ,(к+1)Т] как

Интеграл, взятый на следующем (к+1)-м интервале [(к+1)Т, (к+2)Т], обозначим как

Тогда правила принятия решения о приеме символов “+1” или “-1” для сигналов с МФМ можно представить в следующем виде:




Поскольку всегда выполняются неравенства:
а1(к)=-a4(к);
а2(к)=-a3(к);
a1(к+1)=-a4(к+1);
а2(к+1)=-a3(к+1),
то при приеме сигналов с МФМ все четыре приведенные выше правила принятия решения эквивалентны одному правилу принятия решения о приеме символов “+1” или “-1”:

Разрешенные последовательности элементарных сигналов сигнала с МЧМ (см. фиг.3,б) при передаче на к-м символьном интервале символа “+1”:
S1, S1 или S1, S2;
S4, S4 или S4, S3,
а при передаче на к-м символьном интервале символа “-1”:
S2, S4 или S2, S3;
S3, S1 или S3, S2.
Указанным последовательностям элементарных сигналов сигнала с МЧМ соответствуют следующие последовательности состояний (см. фиг.3,б):
при передаче на к-м символьном интервале символа “+1”:
или 
или 
при передаче на к-м символьном интервале символа “-1”:
или 
или 
Поэтому решение о значении принимаемого на к-м символьном интервале символа сигнала с МЧМ следует принимать, последовательно сравнивая альтернативные гипотезы о разрешенных последовательностях состояний, соответствующих передаче символов “+1” или “-1”:
или 
или 
или 
или 
Анализ указанных выражений позволяет упростить альтернативные гипотезы о разрешенных последовательностях состояний сигнала с МЧМ на к-м и (к+1)-м символьных интервалах, соответствующих передаче символов “+1” или “-1”:
или 
или 
Используя введенные ранее обозначения корреляционных интегралов и решетчатую диаграмму (см. фиг.3,б), правила принятия решения о начальном состоянии или на к-м и (к+1)-м символьных интервалах соответственно для сигналов с МЧМ можно представить в следующем виде:


Поскольку для сигнала с МЧМ (см. фиг.3,б) передаче символа “+1” соответствует сохранение состояния или , а передаче символов “-1” – переход из одного из этих состояний в другое состояние, то оптимальным правилом принятия решения о приеме символов “+1” или “-1” на к-м символьном интервале является следующее правило:
если на к-м и (к+1)-м символьных интервалах последовательно выполняются или не выполняются оба неравенства (2) и (3), то на к-м символьном интервале принят символ «+1», если одно из этих неравенств выполняется, а другое не выполняется, то на к-ом символьном интервале принят символ «-1».
Задачей изобретения является повышение верности приема сигналов с МЧМ.
Достигается решение поставленной задачи тем, что в устройство для приема сигналов с минимальной угловой модуляцией, содержащее первый и второй корреляторы, первый и второй сумматоры, первое, второе, третье и четвертое устройства выборки/хранения, компаратор, перемножитель и синхронизатор, тактовый вход которого подключен к тактовым входам первого и второго корреляторов, информационные входы которых соединены с входом устройства и входом синхронизатора, а опорные входы – соответственно с первым и вторым опорными выходами синхронизатора, прямой управляющий выход которого подключен к управляющим входам первого и второго устройств выборки/хранения и к второму входу перемножителя, а инверсный управляющий выход – к управляющим входам третьего и четвертого устройств выборки/хранения, выходы которых соединены с первыми входами соответственно первого и второго сумматоров, вторые входы которых подключены к выходам соответственно первого и второго устройств выборки/хранения, информационные входы которых соединены с выходами соответственно первого и второго корреляторов и с информационными входами соответственно третьего и четвертого устройств выборки/хранения, при этом выход второго сумматора подключен к первому входу перемножителя, выход которого соединен с инверсным входом компаратора, прямой вход которого подключен к выходу первого сумматора, а выход является первым информационным выходом устройства, синхровыход которого соединен с тактовым выходом синхронизатора, введены третий сумматор, вычитающее устройство, первый и второй пороговые элементы и второй перемножитель, выход которого является вторым информационным выходом устройства, а первый и второй входы подключены к выходам соответственно первого и второго пороговых элементов, входы которых соединены с выходами соответственно третьего сумматора и вычитающего устройства, прямой и инверсный входы которого подключены к выходам соответственно первого и второго устройств выборки/хранения, причем первый и второй входы третьего сумматора соединены с выходами соответственно третьего и четвертого устройств выборки/хранения.
Предлагаемое устройство для приема сигналов с МУМ реализует оптимальный корреляционный прием как сигналов с МФМ, так и сигналов с МЧМ, по правилам (1)-(3), что и обеспечивает повышение верности приема сигналов с МЧМ.
Сравнительный анализ с прототипом показал, что предлагаемое устройство для приема сигналов с МУМ включает в себя новые существенные признаки, изложенные в формуле изобретения. Следовательно, техническое решение соответствует критерию “новизна”.
Так как требуемый технический результат достигается всей вновь введенной совокупностью существенных признаков, которые в известной патентной и научной литературе на дату подачи заявки не обнаружены, то предлагаемое техническое решение соответствует критерию “изобретательский уровень”.
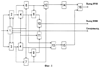
На фиг.1 показана электрическая структурная схема предлагаемого устройства для приема сигналов с МУМ; на фиг.2 – временные диаграммы, поясняющие его работу; на фиг.3 – решетчатые диаграммы принимаемых сигналов с МФМ и сигналов с МЧМ на двух символьных интервалах; на фиг.4 – электрическая структурная схема прототипа.
Устройство для приема сигналов с минимальной угловой модуляцией (см. фиг.1) содержит синхронизатор 1, первый и второй корреляторы 2 и 3, первое, второе, третье и четвертое устройства выборки/хранения 4, 5, 6 и 7, первый, второй и третий сумматоры 8, 9 и 12, компаратор 10, первый и второй перемножители 11 и 16, вычитающее устройство 13, первый и второй пороговые элементы 14 и 15. С входом устройства соединены входы синхронизатора 1, первого и второго корреляторов 2 и 3. Тактовый выход синхронизатора 1 подключен к тактовым входам первого и второго корреляторов 2 и 3. Первый и второй опорные выходы синхронизатора 1 соединены с опорными входами соответственно первого и второго корреляторов 2 и 3. Выход первого коррелятора 2 подключен к информационным входам первого и третьего устройств выборки/хранения 4 и 6, выход второго коррелятора 3 – к информационным входам второго и четвертого устройств выборки/хранения 5 и 7. Выходы третьего и первого устройств выборки/хранения 6 и 4 соединены соответственно с первым и вторым входами первого сумматора 8, выходы четвертого и второго устройств выборки/хранения 7 и 5 – соответственно с первым и вторым входами второго сумматора 9. Выход первого сумматора 8 подключен к прямому входу компаратора 10, инверсный вход которого соединен с выходом перемножителя 11. Первый вход перемножителя 11 соединен с выходом второго сумматора 9. Второй вход перемножителя 11 подключен к управляющим входам первого и второго устройств выборки/хранения 4 и 5 и к прямому управляющему выходу синхронизатора 1, инверсный управляющий выход которого соединен с управляющими входами третьего и четвертого устройств выборки/хранения 6 и 7. Первый и второй входы третьего сумматора 12 подключены к выходам соответственно третьего и четвертого устройств выборки/хранения 6 и 7. Прямой и инверсный входы вычитающего устройство 13 соединены с выходами соответственно первого и второго устройств выборки/хранения 4 и 5. Выходы третьего сумматора 12 и вычитающего устройства 13 подключены к входам соответственно первого и второго пороговых элементов 14 и 15, выходы которых соединены соответственно с первым и вторым входами второго перемножителя 16.
Первым информационным выходом (при приеме сигналов с МФМ) устройства является выход компаратора 10. Вторым информационным выходом (при приеме сигналов с МЧМ) устройства является выход второго перемножителя 16. Синхровыходом предлагаемого устройства является тактовый выход синхронизатора 1.
Работает устройство для приема сигналов с минимальной угловой модуляцией следующим образом.
На информационные входы первого 2 и второго 3 корреляторов подают сумму (фиг.2,б) входного сигнала (фиг.2,а) с МУМ и нормального белого шума. При этом на тактовые входы первого 2 и второго 3 корреляторов с тактового выхода синхронизатора 1 подают тактовые импульсы (фиг.2,в) с периодом следования Т, а на опорные входы первого 2 и второго 3 корреляторов с соответствующих выходов синхронизатора 1 в течение четных (к) и нечетных (к+1) символьных интервалов подают опорные сигналы (фиг.2,г и 2,д)


где А и 0 – амплитуда и начальная фаза опорных сигналов,
1 и 2 – круговые частоты опорных сигналов,
0 t* Т – текущее время в пределах одного символьного интервала.
Значения сигналов на выходах первого 2 и второго 3 корреляторов (фиг.2,з и 2,и) равны значениям корреляционных интегралов: в моменты окончания четных к-х символьных интервалов – соответственно а1(к) и a2(к), а в моменты окончания нечетных (к+1)-х символьных интервалов – соответственно а1(к+1) и – a2(к+1).
Значения выходных сигналов первого 4 и второго 5 (фиг.2,к и 2,л), третьего 6 и четвертого 7 (фиг.2,м и 2,н) устройств выборки/хранения постоянны в течение двух последовательных (к+2)-го и (к+3)-го или (к+1)-го и (к+2)-го символьных интервалов и равны значениям соответствующих корреляционных интегралов а1(к+1) и -a2(к+1), а1(к) и a2(к) на их информационных входах в моменты времени, соответствующие поступлению на их управляющие входы с прямого и инверсного управляющих выходов синхронизатора 1 положительных фронтов управляющих сигналов (фиг.2,е и 2,ж), представляющих собой взаимно инверсные меандры с частотой 1/(2T), уровни которых меняются в моменты окончания символьных интервалов.
При приеме сигналов с МФМ сигналы с выходов третьего и первого устройств выборки/хранения 6 и 4 (фиг.2,м и 2,к) подают соответственно на первый и второй входы первого сумматора 8, а сигналы с выходов четвертого и второго устройств выборки/хранения 7 и 5 (фиг.2,н и 2,л) – соответственно на первый и второй входы второго сумматора 9.
Значения выходных сигналов первого 8 и второго 9 (фиг.2,о и 2,п) сумматоров постоянны в течение любого символьного интервала и равны: в течение четных (к+2)-х символьных интервалов – соответственно сумме и разности значений корреляционных интегралов
и 
в течение нечетных (к+3)-х символьных интервалов – соответственно сумме и разности значений корреляционных интегралов
и .
С выхода второго сумматора 9 сигнал (см. фиг.2,п) поступает на первый вход перемножителя 11, на второй вход которого подают управляющий сигнал (см. фиг.2,е) с прямого управляющего выхода синхронизатора 1. На выходе перемножителя 11 получают сигнал (фиг.2,р), значения которого постоянны в течение любого символьного интервала и равны разности значений корреляционных интегралов: в течение четных (к+2)-х символьных интервалов

в течение нечетных (к+3)-х символьных интервалов – соответственно

В результате в течение любого (к+2)-го символьного интервала на прямой и инверсный входы компаратора 10 с выходов соответственно первого сумматора 8 и перемножителя 11 подают постоянные сигналы (см. фиг.2,о и 2,р), имеющие значения
и .
Компаратор 10 сравнивает значения этих сигналов и реализует алгоритм (1) оптимального когерентного приема сигналов с МФМ.
На выходе компаратора 10 получают сигнал (фиг.2,с), значения которого постоянны в течение любого символьного интервала и равны значениям задержанных на два символьных интервала оценок символов принимаемого сигнала с МФМ, который подают на первый информационный выход устройства.
При приеме сигналов с МЧМ сигналы с выходов третьего и четвертого устройств выборки/хранения 6 и 7 (фиг.2,м и 2,н) подают соответственно на первый и второй входы третьего сумматора 12, а сигналы с выходов первого и второго устройств выборки/хранения 4 и 5 (фиг.2,к и 2,л) – соответственно на прямой и инверсный входы вычитающего устройства 13.
Сигнал (фиг.2,т) на выходе третьего сумматора 12 постоянен в течение двух последовательных (к+1)-го и (к+2)-го символьных интервалов и равен сумме значений корреляционных интегралов

Сигнал (фиг.2,т) с выхода третьего сумматора 12 поступает на вход первого порогового элемента 14, выходной сигнал которого (фиг.2,ф) постоянен в течение двух последовательных (к+1)-го и (к+2)-го символьных интервалов и принимает значения “+1” или “-1” в соответствии с правилом (2):

Сигнал (фиг.2,у) на выходе вычитающего устройства 13 постоянен в течение двух последовательных (к+2)-го и (к+3)-го символьных интервалов и также равен сумме значений корреляционных интегралов

Сигнал (фиг.2,у) с выхода вычитающего устройства 13 поступает на вход второго порогового элемента 15, выходной сигнал которого (фиг.2,х) постоянен в течение двух последовательных (к+2)-го и (к+3)-го символьных интервалов и принимает значения “+1” или “-1” в соответствии с правилом (3):

Сигналы (фиг.2,ф и 2,х) с выходов первого и второго пороговых элементов 14 и 15 поступают соответственно на первый и второй входы второго перемножителя 16, выходной сигнал которого (фиг.2,ц) в течение (к+2)-го символьного интервала принимает значение «+1», если на к-м и (к+1)-м символьных интервалах последовательно выполняются или не выполняются оба неравенства (2) и (3), и значение «-1», если одно из этих неравенств выполняется, а другое не выполняется.
Таким образом, второй перемножитель 16 реализует алгоритм оптимального когерентного приема сигналов с МЧМ.
Значения выходного сигнала (фиг.2,ц) второго перемножителя 16 постоянны в течение любого символьного интервала и равны значениям задержанных на два символьных интервала оценок символов принимаемого сигнала с МЧМ, который подают на второй информационный выход устройства.
На синхровыход устройства с тактового выхода синхронизатора 1 подают тактовые импульсы (см. фиг.2,в) с периодом следования Т.
Устройство для приема сигналов с МЧМ может быть реализовано на известных функциональных элементах.
Возможный пример выполнения синхронизатора 1 известен из прототипа, первый и второй пороговые элементы 14 и 15 могут быть выполнены в виде двухсторонних усилителей-ограничителей или устройств определения пересечений сигналом нулевого уровня, другие составные части предлагаемого устройства могут быть реализованы на стандартных функциональных элементах.
Изложенные выше сведения свидетельствуют о выполнении при использовании заявленного технического решения следующей совокупности условий:
– предлагаемое устройство предназначено для использования в промышленности, а именно в технике связи, в частности в цифровых системах передачи сигналов с МУМ;
– для заявленного устройства в том виде, как оно охарактеризовано в независимом пункте изложенной формулы изобретения, подтверждена возможность его осуществления с помощью описанных в заявке или известных до даты приоритета средств и методов.
Следовательно, заявленное техническое решение соответствует критерию “промышленная применимость”.
При использовании предлагаемого устройства для приема сигналов с МУМ обеспечивается реализация оптимального когерентного приема как сигналов с МФМ, так и сигналов с МЧМ, с учетом корреляционной связи между их символами, что обеспечивает повышение верности приема.
Формула изобретения
Устройство для приема сигналов с минимальной угловой модуляцией, содержащее первый и второй корреляторы, первый и второй сумматоры, первое, второе, третье и четвертое устройства выборки/хранения, компаратор, перемножитель и синхронизатор, тактовый выход которого подключен к тактовым входам первого и второго корреляторов, информационные входы которых соединены с входом устройства и входом синхронизатора, а опорные входы – соответственно с первым и вторым опорными выходами синхронизатора, прямой управляющий выход которого подключен к управляющим входам первого и второго устройств выборки/хранения и к второму входу перемножителя, а инверсный управляющий выход – к управляющим входам третьего и четвертого устройств выборки/хранения, выходы которых соединены с первыми входами соответственно первого и второго сумматоров, вторые входы которых подключены к выходам соответственно первого и второго устройств выборки/хранения, информационные входы которых соединены с выходами соответственно первого и второго корреляторов и с информационными входами соответственно третьего и четвертого устройств выборки/хранения, при этом выход второго сумматора подключен к первому входу перемножителя, выход которого соединен с инверсным входом компаратора, прямой вход которого подключен к выходу первого сумматора, а выход является первым информационным выходом устройства, синхровыход которого соединен с тактовым выходом синхронизатора, отличающееся тем, что введены третий сумматор, вычитающее устройство, первый и второй пороговые элементы и второй перемножитель, выход которого является вторым информационным выходом устройства, а первый и второй входы подключены к выходам соответственно первого и второго пороговых элементов, входы которых соединены с выходами соответственно третьего сумматора и вычитающего устройства, прямой и инверсный входы которого подключены к выходам соответственно первого и второго устройств выборки/хранения, причем первый и второй входы третьего сумматора соединены с выходами соответственно третьего и четвертого устройств выборки/хранения.
РИСУНКИ
MM4A – Досрочное прекращение действия патента СССР или патента Российской Федерации на изобретение из-за неуплаты в установленный срок пошлины за поддержание патента в силе
Дата прекращения действия патента: 26.01.2008
Извещение опубликовано: 27.08.2009 БИ: 24/2009
|
|