|
|
(21), (22) Заявка: 2006100712/09, 10.01.2006
(24) Дата начала отсчета срока действия патента:
10.01.2006
(46) Опубликовано: 27.05.2007
(56) Список документов, цитированных в отчете о поиске:
RU 2172516 C1, 20.08.2001. RU 2192045 С1, 27.10.2002. RU 25625 U1, 10.10.2002. SU 1541636 А1, 07.02.1990. GB 2274366 А, 20.07.1994. US 2005060358 А1, 17.03.2005. US 5315171 А1, 24.05.1994. EP 0273802 A2, 06.07.1988.
Адрес для переписки:
432027, г.Ульяновск, Северный Венец, 32, ГОУ ВПО “Ульяновский государственный технический университет”, Проректору по научной работе
|
(72) Автор(ы):
Андреев Дмитрий Васильевич (RU)
(73) Патентообладатель(и):
Государственное образовательное учреждение высшего профессионального образования “Ульяновский государственный технический университет” (RU)
|
(54) РАНГОВЫЙ ФИЛЬТР
(57) Реферат:
Изобретение относится к автоматике и аналоговой вычислительной технике и может быть использовано для построения функциональных узлов аналоговых вычислительных машин, средств автоматического регулирования и управления, аналоговых процессоров и др. Техническим результатом изобретения является повышение быстродействия при сохранении функциональных возможностей. В ранговом фильтре, содержащем реляторы, которые сгруппированы в N+1 групп так, что i-я и (N+1)-я группы содержат соответственно k-1 и N-1 реляторов, в каждой группе выход предыдущего релятора соединен с вторым входом последующего релятора, а выход (k-1)-го релятора первой группы и выходы (k-1)-х реляторов второй – N-й групп подключены соответственно к второму входу первого и первым входам первого – (N-1)-го реляторов (N+1)-й группы, входы управления всех реляторов которой объединены и образуют второй управляющий вход рангового фильтра, подсоединенного выходом к выходу (N-1)-го релятора (N+1)-й группы. В каждом реляторе входы и выход соединены соответственно с неинвертирующим, инвертирующим входами компаратора и объединенными выходами замыкающего и размыкающего ключей. В каждом из (k-1)-х реляторов первой – n-й групп и реляторов (N+1)-й группы входы и вход управления соединены соответственно с входами замыкающего, размыкающего ключей и вторым входом булевого элемента ИСКЛЮЧАЮЩЕЕ ИЛИ, подсоединенного первым входом и выходом соответственно к выходу компаратора и управляющему входу ключей, при этом k=0,5(n+1), , n 1, есть любое нечетное натуральное число. В каждом из первого – (k-2)-го реляторов первой – n-й групп и реляторов (n+1)-й – N-й групп входы соединены соответственно с входами ключей, подсоединенных управляющим входом к выходу компаратора. Входы управления (k-1)-х реляторов первой – n-й групп объединены и образуют первый управляющий вход рангового фильтра. 2 ил.
Изобретение относится к автоматике и аналоговой вычислительной технике и может быть использовано для построения функциональных узлов аналоговых вычислительных машин, средств автоматического регулирования и управления, аналоговых процессоров и др.
Известны ранговые фильтры (см., например, фиг.1 в описании изобретения к патенту РФ 2124754, кл. G06G 7/52, 1999 г.), которые обеспечивают выбор минимального, медианного или максимального из трех входных аналоговых сигналов.
К причине, препятствующей достижению указанного ниже технического результата при использовании известных ранговых фильтров, относятся ограниченные функциональные возможности, обусловленные тем, что не допускается обработка любого нечетного количества входных аналоговых сигналов.
Наиболее близким устройством того же назначения к заявленному изобретению по совокупности признаков является, принятый за прототип, ранговый фильтр (фиг.1 в описании изобретения к патенту РФ 2172516, кл. G06G 7/52, 2001 г.), который содержит реляторы и обеспечивает выбор минимального, медианного или максимального из n входных аналоговых сигналов, где n 1 есть любое нечетное натуральное число.
К причине, препятствующей достижению указанного ниже технического результата при использовании прототипа, относится низкое быстродействие, обусловленное тем, что максимальное время задержки распространения сигнала в прототипе определяется выражением =( К+ Э+ Кл)(k-1)+( К+ Э+ Кл)(N-1), где К, Э и Кл есть длительности задержек, вносимых соответственно компаратором, булевым элементом ИСКЛЮЧАЮЩЕЕ ИЛИ и замыкающим (размыкающим) ключом, содержащимися в каждом реляторе; k=0,5(n+1); .
Техническим результатом изобретения является повышение быстродействия при сохранении функциональных возможностей прототипа.
Указанный технический результат при осуществлении изобретения достигается тем, что в ранговом фильтре, содержащем реляторы, которые сгруппированы в N+1 групп так, что i-я и (N+1)-я группы содержат соответственно k-1 и N-1 реляторов, в каждой группе выход предыдущего релятора соединен с вторым входом последующего релятора, а выход (k-1)-го релятора первой группы и выходы (k-1)-х реляторов второй – N-й групп подключены соответственно к второму входу первого и первым входам первого – (N-1)-го реляторов (N+1)-й группы, входы управления всех реляторов которой объединены и образуют второй управляющий вход рангового фильтра, подсоединенного выходом к выходу (N-1)-го релятора (N+1)-й группы, в каждом из всех реляторов первый, второй входы и выход соединены соответственно с неинвертирующим, инвертирующим входами компаратора и объединенными выходами замыкающего, размыкающего ключей, а в каждом из (k-1)-х реляторов первой – n-й групп и всех реляторов (N+1)-й группы первый, второй входы и вход управления соединены соответственно с входами замыкающего, размыкающего ключей и вторым входом булевого элемента ИСКЛЮЧАЮЩЕЕ ИЛИ, подсоединенного первым входом и выходом соответственно к выходу компаратора и управляющему входу замыкающего, размыкающего ключей, при этом k=0,5(n+1), , n 1 есть любое нечетное натуральное число, особенность заключается в том, что в каждом из первого – (k-2)-го реляторов первой – n-й групп и всех реляторов (n+1)-й – N-й групп первый, второй входы соединены соответственно с входами размыкающего, замыкающего ключей, подсоединенных управляющим входом к выходу компаратора, а входы управления (k-1)-х реляторов первой – n-й групп объединены и образуют первый управляющий вход рангового фильтра.
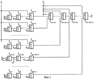
На фиг.1 и 2 представлены соответственно схема предлагаемого рангового фильтра и схемы реляторов, использованных при построении указанного фильтра.
Ранговый фильтр (фиг.1) содержит реляторы 111, …, 1(N+1)(N-1), где , k=0,5(n+1), n 1 есть любое нечетное натуральное число. Каждый из реляторов 11(k-1), …, 1n(k-1) и 1(N+1)1,…,1(N+1)(N-1) содержит компаратор 2, подключенный неинвертирующим и инвертирующим входами соответственно к первому и второму входам релятора, входам замыкающего и размыкающего ключей 31 и 32, выходы которых объединены и образуют выход релятора, подсоединенного входом управления к второму входу булевого элемента ИСКЛЮЧАЮЩЕЕ ИЛИ 4, первый вход и выход которого соединены соответственно с выходом компаратора 2 и управляющим входом ключей 31, 32 (фиг.2а). Каждый из реляторов 1j1, …, 1j(k-2) и 1r1, …, 1r(k-1) содержит компаратор 2, подсоединенный неинвертирующим и инвертирующим входами соответственно к первому и второму входам релятора, входам ключей 32 и 31, управляющий вход и объединенные выходы которых соединены соответственно с выходом компаратора 2 и выходом релятора (фиг.2б). Все реляторы сгруппированы в N+1 группы так, что i-я и (N+1)-я группы содержат соответственно реляторы 1i1, …, 1i(k-1) и 1(N+1)1, …, 1(N+1)(N-1), в каждой группе выход предыдущего релятора соединен с вторым входом последующего релятора, а выход релятора 11(k-1) и выходы реляторов 12(k-1), …, 1N(k-1) подключены соответственно к второму входу релятора 1(N+1)1 и первым входам реляторов 1(N+1)1, …, 1(N+1)(N-1), входы управления которых объединены и образуют второй управляющий вход рангового фильтра, подключенного выходом и первым управляющим входом соответственно к выходу релятора 1(N+1)(N-1) и объединенным входам управления реляторов 11(k-1), …, 1n(k-1).
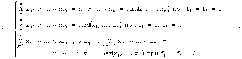
Работа предлагаемого рангового фильтра осуществляется следующим образом. На его первом, втором управляющих входах фиксируются соответственно цифровые управляющие сигналы f1, f2 {0,1}. На второй вход релятора 1i1, первые входы реляторов 1i1, …, 1i(k-1) подается соответственно набор xi1, xi2, …, хik {x1,…,xn} (x1, …, xn – входные аналоговые сигналы (напряжения), i1 … ik, k=0,5(n+1), n 1 – любое нечетное натуральное число) так, чтобы xjk=хj и наборы х11, …, х1k-хN1, …, хNk были неповторяющимися. Если на входе управления релятора (фиг.2а) присутствует логический «0» (логическая «1») и сигнал на его первом входе больше либо меньше сигнала на его втором входе, то ключ 31 соответственно замкнут (разомкнут) либо разомкнут (замкнут), а ключ 32 соответственно разомкнут (замкнут) либо замкнут (разомкнут). Следовательно, когда на входе управления релятора (фиг.2а) присутствует логический «0» (логическая «1»), этот релятор будет выделять на своем выходе наибольший (наименьший) из сигналов, действующих на его первом, втором входах. Если сигнал на первом входе релятора (фиг.2б) больше либо меньше сигнала на его втором входе, то ключ 31 соответственно замкнут либо разомкнут, а ключ 32 соответственно разомкнут либо замкнут. Следовательно, релятор (фиг.2б) будет выделять на своем выходе наименьший из сигналов, действующих на его первом, втором входах. Таким образом, операция, воспроизводимая предлагаемым фильтром, определяется выражением

где символами и обозначены соответственно операции max и min.
Вышеизложенные сведения позволяют сделать вывод, что предлагаемый ранговый фильтр обеспечивает выбор минимального, медианного или максимального из n (n 1 – любое нечетное натуральное число) входных аналоговых сигналов и обладает более высоким по сравнению с прототипом быстродействием, так как максимальное время задержки распространения сигнала в предлагаемом ранговом фильтре определяется выражением =( К+ Кл)(k-1)+ Э+( К+ Э+ Кл)(N-1), где К, Э и Кл есть длительности задержек, вносимых соответственно компаратором, булевым элементом ИСКЛЮЧАЮЩЕЕ ИЛИ и замыкающим (размыкающим) ключом; k=0,5(n+1); .
Формула изобретения
Ранговый фильтр, содержащий реляторы, которые сгруппированы в N+1 групп так, что i-я и (N+1)-я группы содержат соответственно k-1 и N-1 реляторов, в каждой группе выход предыдущего релятора соединен с вторым входом последующего релятора, а выход (k-1)-го релятора первой группы и выходы (k-1)-х реляторов второй – N-й групп подключены соответственно к второму входу первого и первым входам первого – (N-1)-го реляторов (N+1)-й группы, входы управления всех реляторов которой объединены и образуют второй управляющий вход рангового фильтра, подсоединенного выходом к выходу (N-1)-го релятора (N+1)-й группы, в каждом из всех реляторов первый, второй входы и выход соединены соответственно с неинвертирующим, инвертирующим входами компаратора и объединенными выходами замыкающего, размыкающего ключей, а в каждом из (k-1)-х реляторов первой – n-й групп и всех реляторов (N+1)-й группы первый, второй входы и вход управления соединены соответственно с входами замыкающего, размыкающего ключей и вторым входом булевого элемента ИСКЛЮЧАЮЩЕЕ ИЛИ, подсоединенного первым входом и выходом соответственно к выходу компаратора и управляющему входу замыкающего, размыкающего ключей, при этом k=0,5(n+1), , n 1 есть любое нечетное натуральное число, отличающийся тем, что в каждом из первого (k-2)-го реляторов первой – n-й групп и всех реляторов (n+1)-й – N-й групп первый, второй входы соединены соответственно с входами размыкающего, замыкающего ключей, подсоединенных управляющим входом к выходу компаратора, а входы управления (k-1)-х реляторов первой – n-й групп объединены и образуют первый управляющий вход рангового фильтра.
РИСУНКИ
MM4A – Досрочное прекращение действия патента СССР или патента Российской Федерации на изобретение из-за неуплаты в установленный срок пошлины за поддержание патента в силе
Дата прекращения действия патента: 11.01.2008
Извещение опубликовано: 20.06.2009 БИ: 17/2009
|
|