|
|
(21), (22) Заявка: 2006101389/28, 19.01.2006
(24) Дата начала отсчета срока действия патента:
19.01.2006
(46) Опубликовано: 27.05.2007
(56) Список документов, цитированных в отчете о поиске:
SU 1023260 А, 15.06.1983. SU 849112 А, 23.07.1981. SU 1247791 А1, 30.07.1986. RU 2120129 С1, 10.10.1998. US 4857830 А, 15.08.1989. JP 2000035452 А, 02.02.2000. JP 2002323526 А, 08.11.2002.
Адрес для переписки:
125993, Москва, Волоколамское шоссе, 2, ОАО “Инженерный центр ЕЭС”, Научно-технический департамент, Л.Д.Азаровой
|
(72) Автор(ы):
Кулдыкин Анатолий Нестерович (RU), Смолин Виктор Игоревич (RU)
(73) Патентообладатель(и):
Открытое Акционерное Общество “Инженерный центр ЕЭС” (RU)
|
(54) СПОСОБ КОНТРОЛЯ СОПРОТИВЛЕНИЯ ИЗОЛЯЦИИ ЭЛЕКТРИЧЕСКОЙ СЕТИ ПОСТОЯННОГО ТОКА
(57) Реферат:
Предложенное изобретение относится к области электроэнергетики, а именно к способам контроля сопротивления изоляции в изолированных сетях постоянного тока с большой распределенной емкостью по отношению к земле. Данное изобретение направлено на разработку способа контроля сопротивления изоляции в сетях с большой распределенной емкостью по отношению к земле, обладающего более высоким быстродействием процесса определения снижения сопротивления изоляции по сравнению с известными аналогичными способами. Предложенный способ заключается в принудительном периодическом смещении потенциалов сети по отношению к земле от источника переменного напряжения прямоугольной формы, подключенного между полюсом сети и землей через сопротивление связи, и определении сопротивления изоляции сети. При этом периодическое смещение потенциалов сети по отношению к земле формируют с обеспечением такого режима контроля сопротивления изоляции, при котором реализуется недозаряд распределенной емкости сети в конце каждого полупериода напряжения смещения, выделяют амплитуду напряжения смещения, установившегося вследствие недозаряда распределенной емкости сети в конце каждого полупериода, и величину первой производной от принудительного периодического напряжения смещения, преобразуют значение выделенной производной в конце каждого полупериода в напряжение, равное указанному недозаряду распределенной емкости сети в каждый полупериод, и суммируют ее величину с максимальной амплитудой напряжения принудительного периодического смещения в конце каждого полупериода, используя эту сумму в качестве параметра, определяющего сопротивление изоляции сети. 2 ил.
Изобретение относится к области электроэнергетики, а более конкретно к способам контроля сопротивления изоляции в изолированных сетях постоянного тока с большой распределенной емкостью по отношению к земле.
Известен способ контроля сопротивления изолированных сетей постоянного тока с большой распределенной емкостью полюсов сети по отношению к земле, включающий вынужденное периодическое смещение потенциалов сети по отношению к земле от источника, связанного с землей и через резистор с полюсом сети, и использование протекающего через резистор вынужденного переменного тока в качестве параметра, зависимого от сопротивления изоляции сети [1].
Недостатком этого известного способа контроля сопротивления изолированных сетей постоянного тока является его низкое быстродействие, обусловленное тем, что необходимо обеспечить большую длительность каждого полупериода периодического смещения для уменьшения влияния процесса перезаряда распределенной емкости сети. Вследствие этого данный способ имеет ограниченные возможности своего использования в устройствах автоматического контроля и сигнализации снижения сопротивления изоляции сетей постоянного тока.
Наиболее близким техническим решением по отношению к предложенному является способ контроля сопротивления изоляции электрической сети постоянного тока с большой распределенной емкостью по отношению к земле, включающий принудительное периодическое смещение потенциалов сети по отношению к земле от источника переменного напряжения прямоугольной формы, подключенного между полюсом сети и землей через сопротивление связи, и определение сопротивления изоляции сети по максимальному значению амплитуды принудительного периодического смещения в конце каждого полупериода [2].
Однако и этот способ характеризуется недостаточным быстродействием, так как требует значительного времени заряда распределенной емкости сети до установившегося максимального значения в каждый полупериод источника прямоугольного напряжения. Например, при величине распределенной емкости сети порядка нескольких десятков микрофарад достаточно достоверная информация о сниженном значении сопротивления изоляции сети может быть получена с помощью устройства, реализованного по настоящему способу, только за время не менее 10 секунд.
Авторы и заявитель ставили перед собой конкретную техническую задачу разработки способа контроля сопротивления изоляции электрической сети постоянного тока с большой распределенной емкостью по отношению к земле, обладающего более высоким быстродействием процесса определения снижения сопротивления изоляции по сравнению с известными способами аналогичного назначения. Этот положительный технический результат достигается за счет совокупности существенных признаков, зафиксированных в формуле изобретения, а именно: «способ контроля сопротивления изоляции электрической сети постоянного тока с большой распределенной емкостью по отношению к земле, включающий принудительное периодическое смещение потенциалов сети по отношению к земле от источника переменного напряжения прямоугольной формы, подключенного между полюсом сети и землей через сопротивление связи, и определение сопротивления изоляции сети; при этом периодическое смещение потенциалов сети по отношению к земле формируют с обеспечением такого режима контроля сопротивления изоляции, при котором реализуется недозаряд распределенной емкости сети в конце каждого полупериода напряжения смещения, выделяют амплитуду напряжения смещения, установившегося вследствие недозаряда распределенной емкости сети в конце каждого полупериода, и величину первой производной от принудительного периодического напряжения смещения, преобразуют значение выделенной производной в конце каждого полупериода в напряжение, равное вышеотмеченному недозаряду распределенной емкости сети в каждый полупериод, и суммируют ее величину с максимальной амплитудой напряжения принудительного периодического смещения в конце каждого полупериода, используя эту сумму в качестве параметра, определяющего сопротивление изоляции сети”.
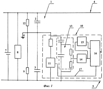
Сущность изобретения поясняется чертежами, где на фиг.1 представлена принципиальная схема электрической сети постоянного тока с устройством, реализованным по способу, выполненному согласно настоящему изобретению; на фиг.2 показаны диаграммы напряжений, первых производных этих напряжений, а также их амплитуд в конце каждого полупериода изменений принудительного периодического напряжения смещения.
По предложенному способу контроль за величиной сопротивления электрической сети постоянного тока по отношению к земле выполняют следующим образом.
Электрическая сеть 1 постоянного тока (фиг.1) питает, как правило, устройства управления защиты, сигнализации на промышленных объектах, в том числе на электростанциях и подстанциях, и характеризуется большой распределенной емкостью, например условно показанные на фиг.1 распределенные емкости 2 и 3 полюсов 4 и 5 сети 1 по отношению к земле 6. Сеть 1 запитывается от источника напряжения 7, подключаемого параллельно нагрузке 8. Для контроля за сопротивлением 9 изоляции полюсов 4, 5 сети 1 по отношению к земле 6 используют устройство 10, которое представляет собой источник 11 периодических прямоугольных импульсов, подключаемый к сети 1 через нормированное сопротивление связи 12 между землей 6 и одним из полюсов 5 электрической сети 1.
Для отделения переменной составляющей от постоянной, зависящей от соотношения сопротивлений полюсов 4, 5 сети 1, между полюсом 5 сети 1 и землей 6 включены конденсаторный высокоомный делитель 13 и усилитель с двухполупериодным выпрямителем 14. На выходное напряжение выпрямителя 14 подключается дифференциальный усилитель 15, формирующий производную из поданного на его вход напряжения. Выходные напряжения с усилителей 14 и 15 подаются на два входа избирательного и формирующего выходное напряжение блока 16, а на его третий вход подаются импульсы управления, сформированные генератором прямоугольного напряжения 11 в конце каждого полупериода выходного напряжения.
Выделение максимального значения амплитуды в выходном напряжении усилителя 14 и значения первой производной в конце каждого полупериода в выходном напряжении дифференциального усилителя 15 и их преобразование в постоянные по форме напряжения можно осуществить с помощью двух цепей, содержащих каждая накопительный конденсатор, резистор и ключ, управляемый через сформированные импульсы генератором 11 в конце каждого полупериода выходного напряжения, поданного по цепи 17 на третий вход блока 16. Сформированные постоянные по форме напряжения на накопительных конденсаторах усиливаются по мощности и подаются на суммирующий эти напряжения усилитель.
При суммировании напряжение, пропорциональное значению первой производной, может регулироваться в широких пределах, обеспечивая оптимальное соотношение суммирующих напряжений, позволяющее скомпенсировать влияние уменьшения максимального значения в каждом полупериоде смещения потенциалов сети 1 из-за недозаряда ее распределенных емкостей 2 и 3. Выходное напряжение блока 16, зависимое только от сопротивления изоляции сети 1, используется для контроля состояния ее изоляции.
Реализация предложенного способа контроля сопротивления изоляции электрической сети постоянного тока позволяет обеспечивать периодическое смещение ее потенциалов относительно земли. На электрических станциях и подстанциях распределенная емкость сети относительно земли может быть 15÷50 мкФ, а нормированное внутреннее сопротивление для устройств контроля изоляции (в нашем случае сопротивления 12) должно быть 20 кОм. При этих условиях полный заряд распределенный емкости 2, 3 сети 1 в каждый полупериод составляет длительность 3,3 сек и более. Для увеличения быстродействия в заявляемом техническом решении полупериод напряжения периодического смещения по сравнению со способом-прототипом уменьшают до 1,0÷1,3 сек и более, что вызывает значительное уменьшение максимального значения амплитуды в каждом полупериоде смещения потенциалов сети. Диаграммы напряжений, поясняющие сущность предложенного способа, приведены на фиг 2. На диаграмме «а» показано графически периодическое смещение потенциалов сети 1 относительно земли 6 и постоянного напряжения Vсм, которое определяется по соотношению сопротивлений изоляции полюсов 4, 5 сети 1 по отношению к земле 6. Максимальное значение амплитуды в каждом полупериоде 1а из-за недозаряда распределенной емкости значительно меньше уровней напряжения 1в при полном заряде распределенной емкости. На диаграмме «б» показано графически то же напряжение без постоянной составляющей, усиленное после конденсаторного делителя 13 и выпрямленное усилителем 14, а также максимальные значения напряжения в каждом полупериоде 2а и уровни напряжений 2в, достигающие максимального значения при полном заряде распределенной емкости 2, 3 сети 1. На диаграмме «с» показана графически первая производная выпрямленного напряжения 3а и ее значения в конце каждого полупериода, при этом по кратковременным значениям выходных напряжений 2а и 3а избирательного и формирующего блока 16 осуществляется контроль за состоянием изоляции электрической сети 1.
Заявленный способ обеспечивает высокую точность измерения сопротивления изоляции изолированной электрической сети постоянного тока при приемлемых уровнях быстродействия системы за счет четкой фиксации момента снижения сопротивления изоляции в сети. Способ найдет применение в энергосистемах и сетях постоянного тока (на объектах электрифицированного городского транспорта, электростанциях, подстанциях, линиях передачи постоянного тока и т.п.), где проблема сохранения требуемого уровня сопротивления изоляции наиболее актуальна.
Источники информации
1. Патент США №3668472, класс G01R 31/02 (G01R 31/08), опубликован 09.02.1995 г.
2. Авторское свидетельство СССР №664112, класс G01R 31/08, от 04.07.79 г., опубликовано 23.07.79 г. Бюллетень №19.
Формула изобретения
Способ контроля сопротивления изоляции электрической сети постоянного тока с большой распределенной емкостью по отношению к земле, включающий принудительное периодическое смещение потенциалов сети по отношению к земле от источника переменного напряжения прямоугольной формы, подключенного между полюсом сети и землей через сопротивление связи, и определение сопротивления изоляции сети, отличающийся тем, что периодическое смещение потенциалов сети по отношению к земле формируют с обеспечением такого режима контроля сопротивления изоляции, при котором реализуется недозаряд распределенной емкости сети в конце каждого полупериода напряжения смещения, выделяют амплитуду напряжения смещения, установившегося вследствие недозаряда распределенной емкости сети в конце каждого полупериода, и величину первой производной от принудительного периодического напряжения смещения, преобразуют значение выделенной производной в конце каждого полупериода в напряжение, равное указанному недозаряду распределенной емкости сети в каждый полупериод, и суммируют ее величину с максимальной амплитудой напряжения принудительного периодического смещения в конце каждого полупериода, используя эту сумму в качестве параметра, определяющего сопротивление изоляции сети.
РИСУНКИ
|
|