|
|
(21), (22) Заявка: 2006109169/28, 23.03.2006
(24) Дата начала отсчета срока действия патента:
23.03.2006
(46) Опубликовано: 27.05.2007
(56) Список документов, цитированных в отчете о поиске:
Коммерческий учет энергоносителей. Материалы 22-й Международной научно-практической конференции. С.-Петербург, 2005, с.80-89. RU 2041450 C1, 09.08.1995. WO 96/14560 A1, 17.05.1996. ШОРНИКОВ Е.А. Расходомеры энергоносителей и повышение точности измерений разности расходов, температур и потребляемой тепловой энергии. С.-Петербург, АО НПО ЦКТИ, 1995, с.с.60-73.
Адрес для переписки:
105066, Москва, ул. Доброслободская, 6, стр.1, ООО “ТБН энергосервис”
|
(72) Автор(ы):
Теплышев Вячеслав Юрьевич (RU), Бурдунин Михаил Николаевич (RU), Варгин Александр Александрович (RU)
(73) Патентообладатель(и):
Общество с Ограниченной Ответственностью “ТБН энергосервис” (RU)
|
(54) ТЕПЛОСЧЕТЧИК И СПОСОБ ОПРЕДЕЛЕНИЯ ТЕПЛОВОЙ ЭНЕРГИИ ТЕПЛОНОСИТЕЛЯ В ОТКРЫТЫХ ВОДЯНЫХ СИСТЕМАХ ТЕПЛОСНАБЖЕНИЯ
(57) Реферат:
Подающий и обратный трубопроводы в теплосчетчике оснащены объемным электромагнитным расходомером, преобразователями давления, температуры, блоком вычисления плотности, энтальпии, массы теплоносителя. В теплосчетчик введены четыре блока деления выходных сигналов приборов подающего и обратного трубопроводов, два блока памяти, два преобразователя температуры окружающей среды и два блока вычитания температуры. Все выходы введенных блоков соединены с индикатором. Полученные отношения выходных сигналов объемных расходомеров, преобразователей давления и температуры выбирают в качестве тестового сигнала. В процессе эксплуатации с тестовым сигналом сравнивают текущее значение объемных расходов и массы теплоносителя за время усреднения и выдают соответствующие поправки. Из общего сигнала, смешанного с шумами, выделяют напряжение покоя, тепловые шумы и уход нуля, определяют коэффициент преобразования приборов в подающем и обратном трубопроводах и вводят соответствующую коррекцию в объемный расход и массу теплоносителя. Изобретение обеспечивает повышении точности измерения. 2 н.п. ф-лы, 1 ил.
Изобретение относится к экспериментальной технике и может быть использовано в энергетике, водоснабжении коммунального, промышленного хозяйства, нефтяной, газовой промышленности и т.д.
Известен теплосчетчик для измерений тепловой энергии в водяных системах теплоснабжения и расхода теплоносителя. Конструкция расходомера этого теплосчетчика содержит: два канала (металлических патрубка), два измерительных термопреобразователя, два компенсационных термопреобразователя (пленочные терморезисторы), включенные в схемы неуравновешенных мостов постоянного тока с усилителями, блок управления нагревателями и вычислительный блок. Блок управления нагревателями периодически включает нагреватель, генерируя в поток тепловые метки. При включении нагревателя в вычислительном блоке реализуется команда на начало измерения времени и начинается отсчет времени переноса метки терморезисторами. Далее определяется время переноса метки по контрольному участку времени, а следовательно, и величина объемного расхода. По разности времени определяется плотность теплоносителя и затем величина массового расхода.
Такое решение позволяет определить объемный и массовый расход теплоносителя косвенным способом (Динамический термоконвективный метод измерения массового расхода бинарных растворов жидкости «Коммерческий учет энергоносителей». Материалы 20-й Международной научно-практической конференции 23-24 ноября 2004 г. стр.150-154. Авторы: Соколов Г.А., Сягаев Н.А., Тугушев К.Р.).
Недостатки этого теплосчетчика: погрешность определения массового расхода 1,2-1,8%; затруднен контроль плотности измеряемой среды, состоящей из двух компонентов и более, затруднено измерение скорости жидкости при разной вязкости, большая длительность времени измерения.
Известен способ определения объемного расхода теплоносителя (жидкости):
– путем теплопроводности и конвекции определяют объемный расход жидкости при реализации меточного метода измерения процесса переноса теплоты от источника меток (нагревателя) в поток вещества и от потока к термопреобразователям;
– показывают, что время переноса метки по контрольному участку однозначно связано с объемным расходом и не зависит от свойств и состава измеряемой среды;
– аналитически определяют одномерные задачи о распространении теплового импульса в потоке жидкости и достигают максимума метки в зоне регистрации.
Такое решение позволяет определить объемный расход жидкости (Динамический термоконвективный метод измерения массового расхода бинарных растворов жидкости «Коммерческий учет энергоносителей». Материалы 20-й Международной научно-практической конференции 23-24 ноября 2004 г. стр.150-154. Авторы: Соколов Г.А., Сягаев Н.А., Тугушев К.Р.).
Недостатки этого способа заключаются в том, что в процессе измерения время переноса метки потоком состоит из длительности процесса кондуктивного переноса теплоты от нагревателя к потоку жидкости и от потока через стенку камеры (металлической трубы) к термопреобразователю и т.д.
Известны теплосчетчики для определения тепловой энергии и объемного (массового) расхода теплоносителя (холодной, горячей воды).
Теплосчетчики электромагнитные предназначены для измерения и коммерческого учета количества теплоты, объема и массы теплоносителя, потребленной жилыми, общественными зданиями и т.д., в закрытых и открытых системах водяного теплоснабжения для измерения и регистрации объемного и массового расхода и параметров теплоносителя в обоих направлениях через первичные преобразователи расхода, а также для использования в автоматизированных системах учета, контроля и регулирования количества теплоты. В состав теплосчетчика входят объемный электромагнитный расходомер (один для закрытой, два для открытой водяной системы теплоснабжения), преобразователи температуры и давления.
Электронный блок представляет собой промышленный контроллер с программным обеспечением. Конструктивно он выполнен в пылевлагозащитном корпусе, размещенном непосредственно на объемном электромагнитном расходомере. В комплект теплосчетчика включается один или два объемных расходомера, два термопреобразователя, один термопреобразователь для измерения температуры окружающего воздуха и два преобразователя давления.
Электронный блок выполняет измерение, оцифровку и последующую обработку выходных сигналов преобразователей объемных электромагнитных расходомеров (ОЭР), температуры (ПТ) и давления теплоносителя (ПД). Вычисленные параметры теплоносителя могут быть переданы в единицах измерителя (т/ч, кПа, °С и т.п.).
Такой теплосчетчик позволяет определять тепловую энергию, объемный и массовый расход, температуру и давление теплоносителя в открытых и условно открытых водяных системах теплоснабжения (Теплосчетчики электромагнитные КМ-5 «Руководство по эксплуатации. Часть 1 АКП 42/8 2003» стр.3-4, стр.10, 14).
Недостатки этого теплосчетчика: низкая точность измерения тепловой энергии от 4 до 5% из-за того, что не учтено влияние тепловых шумов, остаточной деформации, и старение материалов конструкции ОЭР при длительном времени эксплуатации. Известен способ определения тепловой энергии и расхода теплоносителя. С помощью теплосчетчиков модификации КМ-5-1 тепловую энергию определяют следующим образом:
– Подобранную пару платиновых термопреобразователей, установленную на подающем и обратном трубопроводах системы теплоснабжения присоединяют ко входу КМ-5-1.
– Определяют тепловую энергию для закрытой водяной системы теплоснабжения Q=V· (h1-h2), где V – объем теплоносителя, протекающего через подающий (обратный) трубопровод за время наблюдения; – плотность теплоносителя (сетевой воды), соответствующая температуре теплоносителя в подающем (обратном) трубопроводе, согласно ГСССД 188-99; h1, h2 – удельная энтальпия теплоносителя (сетевой воды) соответственно в подающем и обратном трубопроводах согласно ГСССД 188-99.
– Определяют объем измеряемой среды V, прошедший через объемный расходомер за время наблюдений, V= GV( )d , где GV( ) – значение объемного расхода в момент времени .
– Определяют массовый расход Gм( )в момент времени Gм( )= (t, P)·GV( ); и массу М измеряемой среды M= (t, Р)·GV( )d .
Такое решение позволяет определить тепловую энергию, объемный и массовый расходы теплоносителя в подающих и обратных трубопроводах открытых и условно открытых водяных систем водоснабжения (Теплосчетчики электромагнитные КМ-5 «Руководство по эксплуатации. Часть 1 АКП 42/8 2003» стр.3-4, стр.10, 14).
Недостаток этого способа определения объемного расхода теплоносителя связан с неоднозначностью измерения. Это объясняется тем, что при определении расхода его величина зависит от конструктивных параметров объемного расходомера. А изменение этих параметров, в частности магнитной индукции, размеров трубы, влияние температуры и статического давления в течение времени влияют на результаты измерений.
Наиболее близким к предлагаемому изобретению техническим решением является теплосчетчик, который содержит подающий, обратный, подпиточный трубопроводы. Подающий и обратный трубопроводы, каждый, содержит по одному ОЭР, ПТ и ПД. Подпиточный канал содержит ПТ холодной воды. Подающий и обратный трубопроводы также оснащены блоками вычисления энтальпии и плотности теплоносителя. На выходе каждого трубопровода определяется расход, масса и объем теплоносителя. Отмечено, что комплектация измерительными компонентами для различных уравнений измерений может быть различной. Например, теплосчетчик может комплектоваться ПД либо давление может задаваться договорной константой.
Такое решение позволяет определить тепловую энергию, объемный и массовый расход теплоносителя в системах теплоснабжения (Коммерческий учет энергоносителей. Материалы 22-й Международной научно-практической конференции. Санкт-Петербург 2005 г., стр.80-89. «К вопросу о типовых испытаниях теплосчетчиков для водяных систем теплоснабжения». Авторы М.Н.Бурдунин, А.А.Варгин.).
Недостатки этого теплосчетчика: низкая точность определения объемного расхода из-за неучета влияния остаточной деформации, тепловых шумов ОЭР, ПТ и ПД.
Наиболее близким техническим решением является способ определения объемных расходов теплоносителя в водяных системах теплоснабжения.
Сущность способа определения тепловой энергии и расхода теплоносителя заключается в следующем:
– В заданном интервале времени  определяют массу теплоносителя в подающем и обратном трубопроводах M1= 1q1 и М2= 2q2 , где М1, М2 – массы теплоносителя в подающем и обратном трубопроводах; q1, q2 -объемный расход в каждом трубопроводе; 1, 2 – плотность теплоносителя в каждом трубопроводе.
– На выходе теплосчетчика определяют тепловую энергию теплоносителя в открытых водяных системах теплоснабжения

где = (Р, t) и h=h(Р, t),
P – избыточное давление,
t – температура,
– плотность теплоносителя, определяемая по ГСССД 188-99.
– Причем расходомеры теплосчетчика градуируют на холодноводной установке: q=k(q)f, где k(q) – градуировочный коэффициент как функция расхода; f – выходной электрический сигнал (напряжение).
Такой способ позволяет определить тепловую энергию и расход теплоносителя в водяных системах теплоснабжения (Коммерческий учет энергоносителей. Материалы 22-й Международной научно-практической конференции. Санкт-Петербург 2005 г., стр.80-89. «К вопросу о типовых испытаниях теплосчетчиков для водяных систем теплоснабжения». Авторы М.Н.Бурдунин, А.А.Варгин.).
Недостаток этого способа определения тепловой энергии и расхода теплоносителя является неучет и неопределение влияния остаточных деформаций от давления и температуры, особенно при длительной эксплуатации. Не учитывается влияние изменения окружающей температуры. ОЭР градуируется холодной водой.
Задачей настоящего изобретения является повышение точности измерений объемных расходов теплоносителя в системе теплоснабжения за счет однозначного измерения объемных расходов теплоносителя и выделения из общего сигнала расхода теплоносителя сигналов шумов, остаточной деформации (гистерезиса) и внешних воздействий.
Технический результат достигается тем, что в теплосчетчик для открытых водяных систем теплоснабжения, содержащий трубопроводы подающий, обратный, каждый подающий и обратный трубопроводы оснащены по одному объемному электромагнитному расходомеру, преобразователями давления, температуры, блоками вычисления плотности, энтальпии расхода, массы, преобразователь температуры холодной воды, выход которого через блок вычисления энтальпий холодной воды соединен с индикатором, выходы объемных расходомеров соединены с входами блоков вычисления расхода массы теплоносителя, выходы преобразователей давления и температуры соединены с входами блоков вычисления плотности и энтальпий теплоносителя подающего и обратного трубопроводов, выход блоков плотности соединен с входом блока вычисления разности массы теплоносителя, дополнительно введены четыре блока деления, два блока памяти, два преобразователя температуры окружающей среды и два блока вычитания, причем выходы объемных электромагнитных расходомеров, преобразователей давления, блоков вычитания расходов массы и энтальпии соответственно прямого и обратного трубопроводов соединены на входы блоков деления, входы блоков памяти соединены с соответствующими выходами объемных расходомеров преобразователей температуры, давления, входы двух блоков вычитания температуры соответственно соединены с выходами преобразователей температуры в подающем и обратном трубопроводах и окружающей среды, а выходы этих двух блоков вычитания соединены с входами блоков памяти, вычисления плотности, энтальпии теплоносителя соответственно подающего и обратного трубопроводов, все выходы введенных блоков в теплосчетчике соединены с индикатором.
Технический результат также достигается тем, что в способе определения тепловой энергии теплоносителя в подающем, обратном трубопроводах открытых и условно открытых водяных систем теплоснабжения определяют плотность, температуру, энтальпию теплоносителя и холодной (подпиточной) воды, используют уравнение определения расхода, объема и разности масс теплоносителя, объемные электромагнитные расходомеры, преобразователи давления и температуры устанавливают на прямых участках подающего и обратного трубопроводов, расстояния между расходомерами и местными сопротивлениями выбирают не менее чем минимальное допускаемое значение, определенное заранее экспериментально при отсутствии в подающем и обратном трубопроводах расхода теплоносителя, избыточного давления и при окружающей температуре, определяют напряжение покоя и уход нуля на выходе объемного электромагнитного расходомера преобразователей давления температуры, регистрируют в блоках памяти и в индикаторе, затем в подающем и обратном трубопроводах задают перепад температуры до допустимого значения перепада температуры и регистрируют тепловые шумы на выходе объемных электромагнитных расходомеров и преобразователей давления температуры в подающем и обратном трубопроводах и выходные сигналы этих приборов регистрируют в блоках памяти индикатора, в подающем и обратном трубопроводах задают дискретные значения расхода теплоносителя от нуля прямым ходом до допустимого значения, затем обратным ходом от допустимого значения до нуля, при этом поддерживают постоянно избыточное давление и температуру и выходные сигналы объемных электромагнитах расходомеров, преобразователей давления и температуры регистрируют в блоках памяти и индикатора, определяют суммарные шумы на выходе объемного электромагнитного расходомера и преобразовывают давление и температуру и регистрируют в индикаторе, затем из сигналов с выходов объемных электромагнитных расходомеров и преобразователей давления и температуры, смешанных с шумами, вычитают суммарные сигналы шумов и получают сигналы без влияния шумов и регистрируют в индикаторе, измеряют сигнал с выходов обоих электромагнитных расходомеров, преобразователей давления, блоков вычисления массы и энтальпии теплоносителя путем деления выходного сигнала с выходов приборов подающего трубопровода на выходные сигналы приборов обратного трубопровода, получают отношение двух сигналов и выбирают как тестовый сигнал, и в процессе эксплуатации вводят соответствующую коррекцию в расход массы и объема теплоносителя, значение тепловых шумов, напряжение покоя, ухода нуля и отношение выходных сигналов в номинальных режимах объемных электромагнитных расходомеров, преобразователей температуры и давления и блоков вычисления массы и энтальпии теплоносителя регистрируют в паспорте теплосчетчика.
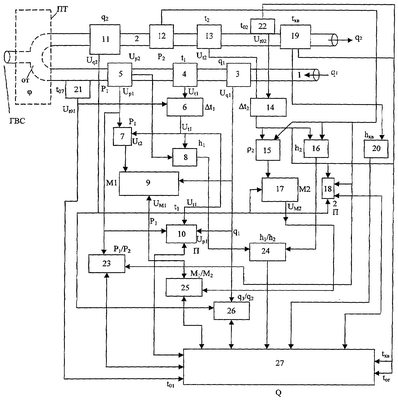
На чертеже изображена блок-схема теплосчетчика для определения тепловой энергии и массы теплоносителя, отобранного в открытых водяных системах теплоснабжения. На блок-схеме показаны подающий 1, обратный 2 трубопроводы. Подающий трубопровод 1 оснащен ОЭР 3, ПТ 4 и ПД 5, блоком вычитания температуры 6, блоками вычисления плотности 7, энтальпии 8, массы теплоносителя 9, памяти 10 и ПТ окружающей среды 21. Обратный трубопровод 2 содержит ОЭР 77, ПД 12 и ПТ 13, второй блок вычитания температуры 14, блоки вычисления плотности 15, энтальпии 16, массы теплоносителя 17, памяти 18 и ПТ 22 окружающей среды. Кроме этого теплосчетчик снабжен блоками деления давления 23, массы теплоносителя 25, объемных расходов теплоносителя 26 и индикатором 27. Теплосчетчик также содержит блок потребления тепла, в состав которого входят трубопроводы отбора тепла ОТ и горячего водоснабжения ГВС (см. чертеж). Выходы ПД 5, 12, ПТ 4, 13 соответственно соединены с входами блоков вычисления плотности 7, 75; энтальпии 8, 16. Выходы блоков вычисления плотности 7, 15 и ОЭР 3,11 присоединены к входу блоков вычисления массы теплоносителя 9, 17. Обратный трубопровод 2 также оснащен ПТ 19, выход которого соединен с входом блока вычисления энтальпии холодной воды 20, выход последнего соединен со входом блока индикации 27. Выходы ПД 5, 12 соединены с входами блока деления 23. Выходы блока вычитания температуры 6, ПД 5, ОЭР 3 соединены с входом блока памяти 10. Аналогично выходы ПД 12 и блок вычитания температуры 14, ОЭР 77 соединены с входами блока памяти 18. Выходы блоков вычисления энтальпии 8, 16, ОЭР 3, 11 и массы теплоносителя 9, 17 соответственно соединены с входами блоков деления 24, 25, 26. Выходы блоков 23, 10, 24, 25, 26, 6, 14, 21, 22, 20 соединены с входом индикатора 27.
В подающем, обратном и подпиточном трубопроводах теплосчетчика использован ПТ в большинстве из платины с номинальным сопротивлением 100, 500 Ом. Критерием выбора преобразователя является стабильность, точность и стоимость. Способ соединения ПТ 100 Ом с усилителем по 4-х проводной линии связи, с двумя токовыми и двумя потенциальными проводниками. Для ПТ 500 Ом применяется двухпроводная линия. При этом входное сопротивление усилителя должно быть сотни МОм. ПТ 13 измеряет температуру теплоносителя, ПТ 19 измеряет температуру холодной (подпиточной) воды. ПТ 21, 22 измеряют температуру на наружной поверхности подающего и обратного трубопроводов. Если эти трубопроводы изолированы от среды теплоизоляционным материалом, то измеряют температуру на поверхности изоляционного слоя. Зависимость выходного сигнала платиновых ПТ от температуры нелинейна. В реальности, например, погрешность ПТ исходит из предела допускаемой относительной погрешности комплекта ПТ (подобранной пары) при измерении температур t, %  t=±(0,5+3 tmin/ t), где t – численное значение разности температуры, °С; tmin – нижний предел диапазона разности температур, выбирается из ряда 1, 2, 3°С в зависимости от класса применяемого комплекта ПТ. Известные классы термопреобразователей ТС по точностным характеристикам классифицированы как А, В, С. Самая высокая точность класса А, низкая – С. Теплосчетчики классифицированы С, В, А.
Избыточное давление в подающем и обратном трубопроводах контролируется с помощью известных ПД 5, 12. Избыточное статическое давление контролирует ПД, их типы очень разнообразны – тензометрические, емкостные, пъезорезистивные, индуктивные и т.д., отечественного и зарубежного производства. На выходе ПД устроены электронные блоки согласования и усиления, они смонтированы рядом с преобразователем расхода. Точность измерения избыточного давления от – 0,01 до 0,5%. Принцип преобразования давления в электрический сигнал состоит в том, что изменение давления на АР приводит, например, тензометрические и емкостные ПД соответственно к изменению сопротивления R и емкости С, соответственно к изменению относительного сопротивления R/R и емкости С/С. Выходной сигнал будет изменяться пропорционально относительному приращению сопротивления или емкости, умноженному на напряжение поляризации ПД.
В теплосчетчиках объемные расходомеры 3, 11 выдают электрический сигнал, пропорциональный расходу жидкости. Объем получают интегрированием расхода по времени. Массовый расход или масса воды (теплоносителя) вычисляется как произведение расхода или объема на плотность теплоносителя. Вычисление плотности происходит в блоках 7, 75. Значения плотности теплоносителя определены в нормативных документах теплоснабжения, например МИ 2412-97 или в работе «Плотность, энтальпия и вязкость воды». ГСССД 188-99 «Удельный объем и энтальпия воды при температурах 0…1000°С и давлениях 0,001…1000 МПа». В этих источниках определено i= i(Pi, ti) и массовый расход mi= i(Рi, ti)qi, где i=1, 2 – номера подающего и обратного трубопроводов, i – плотность, hi – энтальпия теплоносителя как функция изменения давления Рi и температуры ti. Плотность деаэрированной воды существенно зависит от температуры. С изменением температуры от 0 до 150°С плотность изменяется от 0 до – 10%.
Зависимость изменения плотности деаэрированной воды от абсолютного давления от 30 до 11 кгс/см2, плотность меняется от – 0,027 до – 0,013%.
В трубопроводах системы теплоснабжения температура и давление различны, это значит, что различны плотность и энтальпия воды. В обратном трубопроводе плотность больше, поскольку здесь ниже температура, и отсюда вытекает, что в идеале объемный расход и объем в обратном трубопроводе исходя из баланса масс должен быть на столько же меньше, насколько здесь больше плотность воды по сравнению с подающим трубопроводом. Если нет отбора теплоносителя, то должно соблюдаться соотношение: V2 2=V1 1, где V1, V2 – объем воды в м3 в подающем и обратном трубопроводах, на практике этого не происходит. Часто небаланс объемов существенно меньше, чем небаланс масс. Это объясняется тем, что в реальности вода содержит нерастворенные газы, воздух, плотность которых на три порядка меньше, чем деаэрированной воды (Коммерческий учет энергоносителя. Материалы 20-й Международной научно-практической конференции. 23-24 ноября 2004. Авторы В.И.Лачков. О небалансе результатов измерений масс в трубопроводах водяной системы теплоснабжения, стр.44-49.).
ОЭР прямого измерения скорости потока с индукционной системой.
Теплоноситель протекает через трубопроводы 1-2, расположенные в магнитном поле, индукция которого равна В, и электрически изолированы от трубы. Если жидкость протекает через трубопровод со средней скоростью v, то индуцируется электрический заряд и образуется разность потенциалов e=vBd, где d – внутренний диаметр трубопровода. Это выражение можно представить как где q – средний расход жидкости, мл/с. Питание переменным напряжением устраняет электролитическую поляризацию расходомера, если частота достаточно высокая, а также позволяет использовать усилитель переменного тока для усиления выходного сигнала расходомера. Выходное напряжение ОЭР не зависит от характера потока – ламинарный или турбулентный, и от профиля скоростей потока. Однако значимая осевая несимметрия потока может влиять на выходной сигнал.
Ошибки при измерении ОЭР теплоносителя могут возникать из-за паразитного напряжения между электродами расходомера. Эти напряжения появляются вследствие гальванических потенциалов между электродами и другими металлическими частями, а также при поляризации расходомера напряжением постоянного тока. Величина случайных шумов, возникающих в расходомере, и влияние внешних электромагнитных полей увеличиваются с ростом сопротивления теплоносителя.
Расходомеры, используемые в теплосчетчике, стандартные, например тип КМ-5.
Принцип работы расходомера основан на явлении электромагнитной индукции при прохождении электропроводящей жидкости через подающий 1 и обратный 2 трубопроводы, содержащие соответственно объемные электромагнитные расходомеры 3, 11. Жидкость, проходящая со средней скоростью через магнитное поле В, наводит ЭДС в нем. Сигнал, снимаемый с выхода объемного электромагнитного расходомера, пропорционален величине индукции В и напряжению поляризации.
Согласно руководящему документу ОКП 4218 индикатор содержит преобразователи интерфейса; адаптер периферии АП-5 различных модификаций; модем; интегратор сети. Индикатор обеспечивает представление информации в следующей форме: тепловая энергия Q [Гкал] и [МВт·ч] для одной или двух тепловых систем; объем V, [м3] и масса М, [т] теплоносителя в подающем и/или обратном трубопроводах; тепловая мощность; температура, разность температур; время наработки теплосчетчика; давление в трубопроводах и т.д.
Выходной электрический сигнал позволяет получить информацию о календарном времени, времени наработки, тепловой энергии, температуре и т.д. Режимы работы: «основной» («ЗИМА» ЛЕТО-1, ЛЕТО-2 и ЛЕТО-3), задаются вручную из меню теплосчетчика. Определение тепловой энергии, массы и объема теплоносителя производится согласно инструкции. Все согласующие и усилительные блоки размещены в герметично закрытом корпусе ОЭР, ПД и ПТ. Такое конструктивное оформление преобразователей защищает их от любых внешних воздействий. Дополнительно введены блоки в теплосчетчике, т.е. четыре блока деления, два вычитания и два памяти, известные в электронной и вычислительной технике, стандартные. Эти блоки могут быть размещены в индикаторе или в конструкции соответствующих блоков, т.е. блоках ОЭР, ПД и ПТ.
Способ определения тепловой энергии и массы теплоносителя открытых или условно открытых водяных систем теплоснабжения осуществляют следующим образом.
1 этап. ОЭР, ПД и ПТ устанавливают на прямых участках подающего и обратного трубопроводов. Расстояния между расходомерами и местными сопротивлениями выбирают не менее чем минимальное допускаемое значение, определенное заранее экспериментально.
2 этап. В блоках вычисления 9, 17 вычисляют массу как за интервал времени, усредняют расход: M1=q1· 1 и M2=q2· 2 . В блоках памяти 10, 18 соответственно хранят значения t1, P1, q1 и t1, P2, q2. В блоках деления 23, 25, 24, 26 соответственно производят деление результатов измерения в подающем трубопроводе на результаты измерения обратного трубопровода, т.е. Р1/P2, M1/М2, q1/q2 и h1/h2. Вычисляют тепловую энергию с помощью уравнения теплоносителя в открытой водяной системе теплоснабжения индикатором 27 по уравнению измерений

3 этап. На подающий трубопровод подают теплоноситель с объемным расходом q1 с определенной температурой t1 и избыточным давлением Р1. Теплоноситель проходит через обратный трубопровод и ОЭР с расходом проходящей воды q2 с определенной температурой t2 и избыточным давлением Р2. В реальности эти параметры не равны между собой q1 q2, t1>t2 и P1>P2. При прохождении теплоносителем обоих трубопроводов в ОЭР, ПТ и ПД одновременно возникают электрические напряжения U1q, U2q, Ut1, Ut2, Up1, Up2, Utхв, Ut01 и Ut02, где индексы 1, 2 – подающий, обратный трубопроводы, сигналы U1q и U2q с выходов ОЭР 3, 11 поступают на входы блоков вычисления 9, 17 массы и деления 26. Сигналы ПД 5, 12 UP1, UP2 ПТ 4, 13 поступают на входы блоков вычисления плотности 7, 75, энтальпии 8, 16. Сигналы с выходов блоков 7, 15 поступают на входы блоков 9, 17. Сигналы с выходов блоков 8, 16 поступают на входы блока деления 24. Выходной сигнал блоков 9, 17 поступает на входы блока деления 25.
Причем сигналы с выходов блоков 4, 13 поступают через блоки вычитания 6, 14 на входы блоков 7, 8, 15, 16. Сигналы с выходов преобразователей температуры окружающей среды 21, 22 поступают на входы блоков 6, 14. Выходной сигнал блока 19 поступает на вход блока 20. Все выходные сигналы указанных блоков поступают на вход индикатора 27. Через индикатор управляются все блоки, т.е. подачи воды, поддержания температуры и давления заданных уровней.
4 этап. Определяют энтальпию теплоносителя в подающем и обратном трубопроводах и холодной (подпиточной) воды теплосчетчика в блоках 8, 16, 20 как функцию соответствующего давления и температуры как: h1=f(P1, t1), h2=f(P2,t2), hXB=f(PXB, tXB), кДж/кг. Типичный алгоритм расчета плотности и энтальпии сетевой воды при средней температуре определяют как при использовании линейной интерполяции данных таблиц ГСССД 188-99, зашитых программах icp=[ –+( +– –)·(tкр-t–)/(t+-t–)]/100, где ср – плотность сетевой воды при средней температуре, кг/м3; –, +, t+, t– – данные таблицы ГСССД 188-99. hicp=[(h–+h+-h1)·(tкр-t–)/(t+-t–)]/4190, где hicp – энтальпия сетевой воды при средней температуре, Гкал/т, t–, t+ – данные таблицы ГСССД 188-99 («Учет тепла – это почти просто», Осипов Ю.Н., Колмогоров А.Н. Санкт-Петербург, г.2001, стр.73).
Как видно, в теплосчетчиках используют высокоточные преобразователи давления и температуры (0,1-0,5%). Наиболее дорогостоящим и сложным является измерение объемных расходов в водяных системах теплоснабжения. Из опыта эксплуатации отечественных и зарубежных водяных систем теплоснабжения установлено, что имеются пределы относительной погрешности расходомеров ±1% в диапазоне измерений объемного расхода теплоносителя 1:100. Стоимость зарубежных объемных электромагнитных расходомеров в 2-3 больше отечественных.
5 этап. В теплосчетчике при отсутствии теплоносителя q1=0, избыточном давлении P1=0 и температуре окружающей среды, при поляризованном состоянии ОЭР и ПД подают и регистрируют напряжение покоя (нулевого уровня) с выходов блоков 3, 4, 5, 11, 12, 13, 19, 21, 22, в соответствующих блоках согласно чертежу. В блоках памяти 9, 18 хранят и и регистрируют в индикаторе 27.
а. Когда на выходе ОЭР и ПД постоянное напряжение, то регистрируют 
б. Когда на выходе расходомера переменное напряжение, то регистрируют 
в. Определяют уход нуля (дрейф нуля) выходных сигналов в зависимости от времени при отсутствии теплоносителя, давления и температуры. Определение ухода нуля выходных сигналов U0q1, U0g2, U0t1, U0t2, U0P1, U0P2, и т.д. осуществляют путем соответствующего выбора последовательности точек во времени.
В зависимости от характера выходных сигналов и от длительности работы теплосчетчика выбирают соответствующий шаг, равномерность которого может быть не одинакова во времени.
6 этап. Из анализа условия работы ОЭР, ПД и ПТ следует, что влияние температуры является доминирующим не только в установившихся режимах, но и при резких изменениях температуры больше допустимого значения (тепловой удар). Поэтому в таких случаях в падающем и обратном трубопроводах задают ступенчатое изменение температуры с шагом дискретности 10°С от окружающего значения до допустимого 90°С и измеряют выходной сигнал с выходов блоков 3, 4, 5, 11, 12, 13, 19, 21, 22 – в зависимости от температуры в соответствующих блоках (см. чертеж), на входах индикатора. Устанавливают, что с повышением температуры магнитная проницаемость в слабых полях возрастает, а проницаемость в сильных полях, приближаясь к насыщению, падает. С ростом температуры регистрируют уменьшение коэрцитивной силы и остаточной индукции. Влияние температуры на величину магнитной проницаемости определяют формулой d= d20(1+TK d· t), где d20 и d – соответственно величины дифференциальной магнитной проницаемости при +20°С и температуре, равной t+20°C.
Тепловой шум на выходе преобразователей давления определяют из известного выражения как: где К – постоянная Больцмана, (1,38·10-23 Дж/К); t – температура; f – полоса пропускания, Гц; R – сопротивление преобразователя давления, Ом.
7 этап. В подающем и обратном трубопроводах задают номинальный уровень теплоносителя q1=qном q2=qном и задают необходимое избыточное давление P1=const, P2=const и рабочую температуру t1=t1max; t2=t2max. При этих условиях определяют гистерезис (вариацию) выходного напряжения ОЭР и ПД в зависимости от изменения расхода теплоносителя от q=0 до максимального значения q1=qmax.
8 этап. При градуировке расходомеров теплосчетчиков установлено, что при проходе теплоносителя через изоляционную диэлектрическую трубку ОЭР на вторые-третьи сутки, вследствие проникновения влаги в конструкцию ОЭР, изменяются диэлектрические потери и проницаемость, токи утечки, снижается сопротивление изоляции и т.д. Следовательно, эти недостатки влияют на выходные сигналы ОЭР, которые несут информацию об объемных расходах теплоносителя. Поэтому предлагают проводить ускоренное старение ОЭР теплосчетчиков в эксплуатации при повышенной температуре 80-90°С.
Продолжительность проводимого эксперимента не менее двух месяцев, в течение которых измеряют выходное напряжение с выхода ОЭР в зависимости от времени с шагом дискретности 8 час, т.е. строят суточный график зависимости от объемных расходов теплоносителя и тепловой энергии от времени. Результаты экспериментального исследования запоминают в соответствующих блоках памяти.
Полученные значения объемных расходов и тепловой энергии в условиях эксплуатации теплосчетчиков на объекте сравнивают с результатами измерений в стадии градуировки. Полученные результаты эксплуатации корректируют и получают истинное значение объемных расходов теплоносителя и тепловой энергии.
Вариацию расхода теплоносителя задают от q1=0 (первой точки) прямого хода до qmax (последняя точка) в 11 сечениях, затем медленно от 11 сечения возвращаются до значения q1=0 в обратном ходе и завершают цикл. Таких циклов совершают не менее 8-ми. Результаты поверки выходных сигналов, смешанных с шумами помех, регистрируют в блоках памяти и в индикаторе. Определяют вариацию как абсолютную величину разности между значениями меньшего и большего  . Значение вычисляют как среднее из значений погрешности в точке хi диапазона измерений при медленном неоднократном изменении q1. Значение  определяют аналогично при плавном изменении q1 со стороны больших значений хi и окончательно определяют, что . Затем определяют

где Mi и  i – j – реализация погрешности ОЭР или ПД.
9 этап. Когда на выходах ОЭР, ПД и ПТ напряжение переменное, уход нуля (из-за гистерезиса или вариации напряжения покоя), тепловые шумы возникают независимо и не связаны друг с другом. Этим подтверждают, что напряжения шумов в теплосчетчике не коррелированы и они суммируются на основе правила сложения мощностей и определяют суммарное напряжение шума на выходе объемного расходомера

соответственно определяют шум на выходе преобразователя давления

и температуры 
где индексы 1, 2 – падающий и обратный трубопроводы. Затем из общего сигнала выделяют сигналы шумов и получают истинное значение выходных напряжений на выходе ОЭР

соответственно определяют полезный сигнал на выходе

и 
Полученное истинное значение выходных сигналов подают в блоки памяти, деления и индикатор. Эти сигналы в качестве тестовых сигналов хранятся в индикаторе. Затем определяют коэффициенты преобразования ОЭР

Когда на выходе ОЭР, ПД, ПТ постоянное напряжение, то истинное значение выходного напряжения определяют как:
где, UT означает текущее значение выходного напряжения на выходе ОЭР, ПД, ПТ.
10 этап. Определяют плотность 1,2= 1,2(P1,2, t1,2) и энтальпии h1,2=h1,2(P1,2, t1,2) теплоносителя как функции избыточного давления P1,2 и перепада температуры t1,2. Перепад t1,2 определяют путем вычитания от температуры подающего t1, обратного t2 трубопроводов окружающую температуру t01 и t02 соответствующих трубопроводов в блоках вычитания 6, 14; т.е. t1=t1-t01; t2=t2-t02. Значения t1 и t2 подают в соответствующие блоки и на индикатор.
Затем определяют массу теплоносителя в подающем и обратном трубопроводах соответственно как: M1=q1· 1· , М2=q2· 2· , за  – интервал времени усреднения измеряемых величин потока, который выбирают постоянным.
11 этап. В блоках деления 23, 24, 25, 26 осуществляют деление выходных сигналов от блока 3 Uq1 на блок 11 Uq2, от блока 5 UP1 на – 12 UP2, от блока 9 UM1 на – 17 UM2 и от блока 8 Uh1 на – 24 Uh2, т.е. на выходе этих блоков получают

B этих формулах одинаковые члены сокращают и за счет этого измеряют однозначное выходное напряжения. Во всех формулах соотношение левой части всегда больше единицы. Путем перечисленных экспериментальных проверок с высокой точностью определяют (например), что где q1=const задают, и определяют расход в обратном трубопроводе как: 1,2q2=q1. Аналогичным образом поступают с другими сигналами. Полученные истинные значения отношений сигналов принимают за основу как тестовый, хранят в индикаторе для дальнейшего использования в процессе эксплуатации теплосчетчиков. Далее сравнивают с результатами эксплуатации, вводят соответствующую коррекцию в массу и объем теплоносителя. Все процессы и действия (деление, вычитание, умножение и т.д.) осуществляют от индикатора. В формуляре или паспорте теплосчетчика заполняют эти относительные величины.
Технико-экономический эффект предложенного изобретения достигается за счет использования перепада температуры при определении расхода, массы, объема, энтальпии теплоносителя, выделения из общего сигнала сигналов тепловых шумов, напряжения покоя, ухода нуля и нормирования выходных сигналов путем деления выходных сигналов массы, давления, температуры, энтальпии подающего трубопровода соответственно на выходные сигналы массы, энтальпии, давления и температуры обратного трубопровода, что выгодно отличается от выбранного аналога и прототипа.
В OOO “ТБН энергосервис” были проверены ОЭР, ПД и ПТ на градуировочном стенде теплосчетчиков. Напряжение покоя ОЭР при окружающей температуре 20°С 2-3 мВ полупроводникового преобразователя избыточного давления 1,0-1,5 мВ тоже после усиления. Тепловые шумы при температуре 80-90°С превышали от первоначального значения в 2-2,5 раза. Напряжение поляризации расходомера и ПД 6 В. Тип ОЭР и диаметр условного прохода: расходомер в составе теплосчетчика электромагнитного КМ-5 Ду=15 мм, давления 5-6 ата. Расход теплоносителя за рассматриваемый промежуток времени поддерживался 6 м3/час.
Вариация (гистерезис) выходного напряжения ОЭР 0,1-0,15%; полупроводниковых ПД 0,05%. Градуировочные характеристики при изменении расхода теплоносителя от 0 до номинального значения 30 м3 линейные. Величины отношений Температура в подающем трубопроводе 90°С, в обратном 40°С. Для упрощения расчетов температура холодной (подпиточной) воды полагалась 0°С.
Формула изобретения
1. Теплосчетчик для определения тепловой энергии теплоносителя в открытых водяных системах теплоснабжения, содержащий подающий и обратный трубопроводы, каждый из которых оснащен объемным электромагнитным расходомером, преобразователями давления, температуры, блоком вычисления плотности, энтальпии, массы теплоносителя, а также преобразователь температуры холодной воды, выход которого через блок вычисления энтальпии холодной воды соединен с индикатором, выходы объемных электромагнитных расходомеров соединены со входами блоков вычисления массы теплоносителя, выходы преобразователей давления и температуры соединены со входами блоков вычисления плотности и энтальпии теплоносителя подающего и обратного трубопроводов, выходы блоков плотности соединены со входами блоков вычисления разности масс теплоносителя, отличающийся тем, что дополнительно введены четыре блока деления, два блока памяти, два преобразователя температуры окружающей среды и два блока вычитания, причем выходы объемных электромагнитных расходомеров, преобразователей давления, блоков вычисления массы и энтальпии подающего и обратного трубопроводов соединены со входами соответствующих блоков деления, входы блоков памяти соединены с выходами объемных электромагнитных расходомеров, преобразователей температуры, давления, входы двух блоков вычитания соединены с выходами преобразователей температуры в подающем и обратном трубопроводах и окружающей среды, а выходы двух блоков вычитания соединены со входами блоков памяти, вычисления плотности, энтальпии теплоносителя подающего и обратного трубопроводов, все выходы введенных блоков соединены с индикатором.
2. Способ определения тепловой энергии теплоносителя в открытых водяных системах теплоснабжения, заключающийся в том, что на прямых участках подающего и обратного трубопроводов устанавливают объемные электромагнитные расходомеры, преобразователи давления и температуры теплосчетчика, измеряют объемный расход q1, q2 теплоносителя путем измерения сигналов с выходов электромагнитных расходомеров, измеряют сигналы преобразователей давления (P1,2) и температуры (t1,2) для определения плотности, энтальпии и массы теплоносителя в подающем и обратном трубопроводах, вычисляют тепловую энергию теплоносителя по уравнению, связывающему энтальпию и массу теплоносителя в подающем и обратном трубопроводах, отличающийся тем, что при отсутствии в подающем и обратном трубопроводах расхода теплоносителя, избыточного давления и при окружающей температуре определяют напряжение покоя и уход нуля на выходах объемных электромагнитных расходомеров, преобразователей давления и температуры и выходные сигналы этих приборов регистрируют в блоках памяти и в индикаторе, затем в подающем и обратном трубопроводах задают перепад температуры до допустимого значения перепада температуры и регистрируют тепловые шумы на выходах объемных электромагнитных расходомеров и преобразователей давления, температуры, выходные сигналы этих приборов регистрируют в блоках памяти и индикаторе, в подающем и обратном трубопроводах задают дискретные значения расхода теплоносителя от нуля до допустимого значения, затем от допустимого значения до нуля, при этом поддерживают постоянное избыточное давление и температуру, выходные сигналы объемных электромагнитных расходомеров, преобразователей давления и температуры регистрируют в блоках памяти и индикаторе теплосчетчика, определяют суммарные сигналы шумов на выходах объемных электромагнитных расходомеров и преобразователей давления и температуры и регистрируют в индикаторе, затем из сигналов с выходов объемных электромагнитных расходомеров и преобразователей давления и температуры, смешанных с шумами, вычитают суммарные сигналы шумов, получают сигналы без влияния шумов Uq1,2, Up1,2, Ut1,2, путем деления выходных сигналов приборов подающего трубопровода на выходные сигналы приборов обратного трубопровода получают отношение двух сигналов и выбирают его как тестовый сигнал, в процессе эксплуатации определяют коэффициент преобразования приборов в подающем и обратном трубопроводах

и вводят соответствующую коррекцию в объемный расход и массу теплоносителя.
РИСУНКИ
HE4A – Изменение адреса для переписки с обладателем патента Российской Федерации на изобретение
Новый адрес для переписки с патентообладателем:
123436, Москва, 1-й Волоколамский пр-д, 10, стр. 5, ООО “ТБН энергосервис”
Извещение опубликовано: 20.06.2007 БИ: 17/2007
|
|