|
|
(21), (22) Заявка: 2005112910/09, 28.04.2005
(24) Дата начала отсчета срока действия патента:
28.04.2005
(43) Дата публикации заявки: 10.11.2006
(46) Опубликовано: 10.05.2007
(56) Список документов, цитированных в отчете о поиске:
RU 2072645 С1, 27.01.1997. RU 2039372 C1, 09.07.1995. US 6073251 A, 06.06.2000.
Адрес для переписки:
129626, Москва, ул. 3-я Мытищинская, 10, стр.8, ООО “Желдорконсалтинг”, Генеральному директору Н.А. Майорову
|
(72) Автор(ы):
Рабинович Михаил Даниилович (RU), Никифоров Борис Данилович (RU), Абрамов Валерий Михайлович (RU)
(73) Патентообладатель(и):
Общество с ограниченной ответственностью “Желдорконсалтинг” (RU)
|
(54) УСТРОЙСТВО МАЖОРИТАРНОГО РЕЗЕРВИРОВАНИЯ (ВАРИАНТЫ)
(57) Реферат:
Устройство для мажоритарного резервирования относится к области автоматики и вычислительной техники и может быть использовано при построении высоконадежных устройств и систем, например резервированных систем для обработки числоимпульсных кодов в автоматической локомотивной сигнализации (АЛС). Техническим результатом устройства является повышение отказоустойчивости системы. Технический результат достигается тем, что в устройстве, состоящем из трех идентичных функциональных резервируемых элементов, включенных параллельно и осуществляющих обработку поступающего входного сигнала, связанных с их выходами трех одноименных логических элементов И с одним каналом на выходе и исполнительного элемента, каждый логический элемент И соединен с выходом одноименного функционального резервируемого элемента и выполнен на основе двухконтактного реле с гальванически изолированными контактами, которые одновременно замыкаются при возбуждении реле под действием сигнала на выходах одноименных функциональных резервируемых элементов и включенными по схеме мажоритарного избирания «два из трех», в которой питание на исполнительный элемент подается через три параллельные электрические цепи, образованные последовательно включенными контактами логических элементов И так, что в первой цепи последовательно соединены первый контакт первого реле и первый контакт второго реле, во второй цепи – второй контакт первого реле и первый контакт третьего реле, а в третьей цепи последовательно соединены второй контакт второго реле и второй контакт третьего реле. При этом логические элементы И могут быть выполнены в виде двухтранзисторных оптронов или других устройств такого типа. Таким образом при выходе из строя одного любого функционального элемента, а также одного из трех логических элементов И, например реле или его контактов, устройство будет продолжать нормально функционировать и подавать сигнал на исполнительный элемент, что повышает отказоустойчивость устройства. Данное новое отличительное качество устройства достигнуто за счет включения элементов И в контур мажоритарного избирания. 2 с.п. ф-лы, 2 ил.
Устройство для мажоритарного резервирования относится к области автоматики и вычислительной техники и может быть использовано при построении высоконадежных устройств и систем, например резервированных систем для обработки числоимпульсных кодов в автоматической локомотивной сигнализации (АЛС).
Известна резервированная вычислительная система, содержащая резервированные процессоры, коммутаторы вывода информации, модули памяти, устройство для управления реконфигурацией вычислительной системы, коммутаторы вывода информации и блок сравнения. Контроль функционирования системы обеспечивается параллельной работой пары процессоров в течение такта контроля путем сравнения конечных результатов. Обнаружение отказавшего процессора осуществляется путем анализа параллельной работы следующей пары процессоров (см. Патент РФ №2039372 от 05.06.1991, кл. МКИ6 G06F 11/20).
В этой системе реконфигурация структуры и исключение отказавшего процессора осуществляется на программно-аппаратном уровне, и в случае возникновения неисправности в операционной системе, например, может возникнуть опасный отказ.
Известна компьютерная система, которая в отказоустойчивом исполнении использует несколько одинаковых процессоров, использующих одни и те же инструкции, с сохранением одних и тех же данных в нескольких идентичных модулях памяти с одинаковой организацией адресного пространства. Система фиксирует отказ процессора и модуля памяти, отключает неисправное устройство и продолжает работать с другими исправными устройствами. Неисправное устройство может быть заменено и заново встроено в систему без перезагрузки всей системы (см. Патент США №6,073,251 от 09.06.1997, кл. МКИ7 С06F 11/20).
Недостаток данной системы заключается в том, что при отказе функции отключения, неисправный процессор продолжает неправильно работать, что может привести к опасному событию.
Известно устройство, содержащее N коммутационных блоков, вход первого коммутационного блока является первым информационным входом устройства, i-e выходы каждого коммутационного блока объединены и являются i-м выходом устройства, вводятся (N 1) мультиплексоров, (N 1) элементов ИЛИ и резервный коммутационный блок (РКБ), первый информационный вход i-го мультиплексора является (i+1)-м информационным входом устройства, второй информационный вход i-го мультиплексора является i-м информационным входом устройства, информационный вход резервного коммутационного блока является N-м информационным входом устройства, выход i-го мультиплексора соединен с информационным входом (i+1)-го коммутационного блока, подключенного, кроме первого коммутационного блока, выходом сигнала ошибки к первому входу i-го элемента ИЛИ, связанного выходом, кроме (N 1)-го элемента ИЛИ с адресным входом (i+1)-го мультиплексора, выход сигнала ошибки первого коммутационного блока соединен с адресным входом первого мультиплексора и со вторым входом первого элемента ИЛИ, выход (N 1)-го элемента ИЛИ подключен ко входу разрешения резервного коммутационного блока, выходы которого связаны с одноименными выходами коммутационных блоков, а N-й выход резервного коммутационного блока является N-м выходом устройства (см. Патент РФ №2072645 от 24.03.1993, кл. МКИ6 G06F 11/20).
В этом устройстве предполагается, что в случае отказа коммутационного блока, его выход адекватно формирует сигнал ошибки, что не может быть гарантировано при его неисправности. Таким образом, устройство не защищено от опасных отказов.
Известно устройство создания отказоустойчивой системы резервирования, которая в случае отказа первичной системы передает управление дублирующей системе без прерывания работы. Основная и резервная системы обработки представляют собой отдельные компьютеры, связанные между собой высокоскоростным каналом связи. Устройство обеспечивает программное решение синхронизации резервной системы за счет разделения операционной системы на две машины. Машина ввода/вывода (В/В) ответственна за управление и прием всех данных и асинхронных событий в системе. Машина ввода/вывода связывается с физическими устройствами и драйверами устройств и управляет ими. Машина операционной системы (ОС) используется для работы с данными, принимаемыми от машины ввода/вывода. В первичном сервере эти машины определяются как первичная машина ввода/вывода и первичная машина (ОС). Все события или данные, которые могут изменять состояние операционной системы, разделяются на отдельные каналы через машину ввода/вывода и преобразуются в формат сообщения. Сообщения выстраиваются в очередь сообщений, доступ к которой осуществляется машиной (ОС). Поэтому, несмотря на синхронизацию событий (т.е. асинхронные события), машина (ОС) является автоматом запуска из конечного состояния с одномерным входным «представлением» остальной части системы. Таким образом, хотя машина (ОС) работает по асинхронным событиям, обработка этих событий управляется через одноразрядную входную последовательность. При запуске или при первом задействовании вторичного процессора, первичный процессор «зависает» и таким образом все инструкции или другие события изменения состояния приостанавливаются до тех пор, пока машина (ОС) не войдет в стабильное состояние. В тот момент состояние передается в машину (ОС) резервной системы. С того момента идентичные события (сообщения) передаются на каждую машину (ОС). Поскольку обе системы начинают работать с идентичного состояния и принимают идентичные входы, машина (ОС) как часть системы формируют идентичные выходы и переходят в идентичные состояния. Резервная система также делит операционную систему на вторичную машину (ОС) и вторичную машину ввода/вывода. Вторичная машина ввода/вывода связывается с первичной машиной ввода/вывода. При отказе первичной системы остальная часть вычислительной системы переключается на вторичную систему фактически без прерывания. Это становится возможным потому, что каждое событие исполняется по существу последовательно резервной системой и первичной системой (см. Патент РФ №2108621 от 09.08.1991, кл. G06F 11/20).
В этой системе, ее отказоустойчивость реализуется на основе программных средств, что в случае возникновения в них неисправности, не гарантирует от возникновения опасных отказов.
Наиболее близким по технической сущности является схема устройства мажоритарного резервирования, состоящая из трех идентичных функциональных резервируемых элементов, включенных параллельно и осуществляющих обработку поступающего входного сигнала, трех одноименных логических элементов И с одним каналом на выходе, выход каждого функционального элемента соединен со входами двух логических элементов И по схеме возможных сочетаний «два из трех», а выходы элементов И поступают на входы логического элемента ИЛИ, выход которого соединен с входом исполнительного элемента (см. Г.А.Шевцов, Е.М.Шеремет «Логическое резервирование», издательство Львовского университета, 1973 г., с.60, рис.25).
Недостатком этой системы является невысокая отказоустойчивость, ввиду того, что при отказе любого логического элемента И, а также элемента ИЛИ, не включенных в контур мажоритарного избирания, система выходит из строя.
Техническим результатом устройства является повышение отказоустойчивости системы.
Технический результат достигается тем, что в устройстве, состоящем из трех идентичных функциональных резервируемых элементов, включенных параллельно и осуществляющих обработку поступающего входного сигнала, связанных с их выходами трех одноименных логических элементов, каждый с одним каналом на выходе и исполнительного элемента, вход каждого логического элемента соединен с выходом одноименного функционального резервируемого элемента, а каждый логический элемент выполнен в виде двухконтактного реле с гальванически изолированными контактами, которые одновременно замыкаются при возбуждении реле под действием сигнала на выходе одноименного функционального элемента, при этом указанные контакты электрически соединены по схеме мажоритарного избирания «два из трех», в которой питание на исполнительный элемент подается через три параллельные электрические цепи, образованные тремя комбинациями последовательного включения контактов логических элементов так, что в первой из указанных цепей последовательно соединены первый контакт первого реле и первый контакт второго реле, во второй указанной цепи – второй контакт первого реле и первый контакт третьего реле, а в третьей указанной цепи последовательно соединены второй контакт второго реле и второй контакт третьего реле. При этом логические элементы могут быть выполнены в виде двухтранзисторных оптронов.
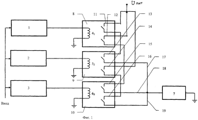
На фиг.1 представлена схема устройства мажоритарного резервирования с двухконтактными реле.
На фиг.2 – схема с двухтранзисторными оптронами.
Устройство состоит из трех идентичных функциональных резервируемых элементов 1, 2, 3, включенных параллельно и осуществляющих обработку поступающего входного сигнала, трех одноименных логических элементов 41, 52, 63, каждый с одним каналом на выходе и исполнительного элемента 7. Вход каждого логического элемента соединен с выходом одноименного функционального элемента 1, 2, 3. Логические элементы 41, 52, и 63 выполнены на основе двухконтактного реле 8, 9, и 10 с гальванически изолированными контактами 11, 12; 13, 14; и 15, 16, соответственно, которые одновременно замыкаются при возбуждении реле 8, 9, 10 под действием сигнала на выходах функциональных элементов 1, 2, 3, и включенными по схеме мажоритарного избирания «два из трех», в которой питание на исполнительный элемент 7 подается через три параллельные электрические цепи 17, 18, 19, образованные тремя комбинациями последовательного включения контактов логических элементов 41, 52, 63 так, что в первой цепи 17 последовательно соединены первый контакт 11 первого реле 8 и первый контакт 13 второго реле 9, во второй цепи 18 – второй контакт 12 первого реле 8 и первый контакт 15 третьего реле 10, а в третьей цепи 19 последовательно соединены второй контакт 14 второго реле 9 и второй контакт 16 третьего реле 10. В ином исполнении (фиг.2) – логические элементы 41, 52, 63 выполнены в виде двухтранзисторных оптронов 8, 9, 10 с контактами 11, 12; 13, 14 и 15, 16 соответственно.
Устройство мажоритарного резервирования работает следующим образом.
Сигнал на входе поступает в три идентичных функциональных элемента 1, 2, 3, например дешифратора, где на выходе он будет декодирован в логическую единицу или логический ноль. Этот декодированный сигнал поступает на вход одноименного логического элемента 41, 52 и 63, выполненного, например, на основе двухконтактного реле 8, 9, 10 с гальванически изолированными парами контактов 11, 12; 13, 14 и 15, 16 соответственно, которые одновременно замыкаются при возбуждении реле 8, 9 и 10 под действием сигнала – логической единицы на выходах одноименных функциональных элементов 1, 2 и 3. Так как реле включены по схеме мажоритарного избирания «два из трех», то питание на исполнительный элемент 7 подается по трем параллельным цепям 17, 18 и 19, образованным тремя комбинациями последовательного включения контактов реле, как это описано выше.
Таким образом, при выходе из строя одного любого функционального элемента 1, или 2, или 3, а также одного из трех одноименного логического элемента 41, или 52, или 63, например реле 8 или 9, или 10, или его контактов по обрыву или короткому замыканию устройство будет продолжать нормально функционировать и подавать сигнал на исполнительный элемент, что повышает отказоустойчивость устройства. Данное новое отличительное качество устройства достигнуто за счет включения логических элементов в контур мажоритарного избирания.
Формула изобретения
1. Устройство мажоритарного резервирования, состоящее из трех идентичных функциональных резервируемых элементов, включенных параллельно и осуществляющих обработку поступающего входного сигнала, связанных с их выходами трех одноименных логических элементов, каждый с одним каналом на выходе, и исполнительного элемента, отличающееся тем, что вход каждого логического элемента соединен с выходом одноименного функционального резервируемого элемента, а каждый логический элемент выполнен в виде двухконтактного реле с гальванически изолированными контактами, которые одновременно замыкаются при возбуждении реле под действием сигнала на выходе одноименного функционального элемента, при этом указанные контакты электрически соединены по схеме мажоритарного избирания «два из трех», в которой питание на исполнительный элемент подается через три параллельные электрические цепи, образованные тремя комбинациями последовательного включения контактов логических элементов так, что в первой из указанных цепей последовательно соединены первый контакт первого реле и первый контакт второго реле, во второй указанной цепи – второй контакт первого реле и первый контакт третьего реле, а в третьей указанной цепи последовательно соединены второй контакт второго реле и второй контакт третьего реле.
2. Устройство мажоритарного резервирования, состоящее из трех идентичных функциональных резервируемых элементов, включенных параллельно и осуществляющих обработку поступающего входного сигнала, связанных с их выходами трех одноименных логических элементов, каждый с одним каналом на выходе, и исполнительного элемента, отличающееся тем, что вход каждого логического элемента соединен с выходом одноименного функционального резервируемого элемента, а каждый логический элемент выполнен в виде двухтранзисторного оптрона с двумя парами гальванически изолированных контактов, которые одновременно замыкаются при включении оптрона под действием сигнала на выходе одноименного функционального элемента, при этом указанные контакты электрически соединены по схеме мажоритарного избирания «два из трех», в которой питание на исполнительный элемент подается через три параллельные электрические цепи, образованные тремя комбинациями последовательного включения контактов логических элементов так, что в первой из указанных цепей последовательно соединены первый контакт первого оптрона и первый контакт второго оптрона, во второй указанной цепи – второй контакт первого оптрона и первый контакт третьего оптрона, а в третьей указанной цепи последовательно соединены второй контакт второго оптрона и второй контакт третьего оптрона.
РИСУНКИ
|
|