|
|
(21), (22) Заявка: 2005125010/03, 05.08.2005
(24) Дата начала отсчета срока действия патента:
05.08.2005
(46) Опубликовано: 10.05.2007
(56) Список документов, цитированных в отчете о поиске:
ЛЕЩИНСКИЙ М.Ю. Испытание бетона, Москва, Стройиздат, 1980, с.328-329. RU 2179722 С2, 20.02.2002. SU 300815 A, 07.04.1971. SU 566182 A, 25.07.1977. SU 834516 A, 30.05.1981. JP 5-203596 А, 10.08.1993.
Адрес для переписки:
443001, г.Самара, ул. Молодогвардейская, 194, СГАСУ, патентный отдел
|
(72) Автор(ы):
Мурашкин Геннадий Васильевич (RU), Стрельцын Артем Александрович (RU), Чикноворьян Александр Григорьевич (RU), Мурашкин Василий Геннадиевич (RU)
(73) Патентообладатель(и):
Государственное образовательное учреждение высшего профессионального образования “Самарский государственный архитектурно-строительный университет” (СГАСУ) (RU)
|
(54) СПОСОБ ОПРЕДЕЛЕНИЯ ПОКАЗАТЕЛЕЙ СТРУКТУРЫ ЗАТВЕРДЕВШЕГО БЕТОНА
(57) Реферат:
Изобретение относится к области строительного материаловедения, а более конкретно к способу определения показателей структуры затвердевшего бетона в конструкции. В способе определения показателей структуры затвердевшего бетона, включающем взятие образцов из тела затвердевшего бетона и их обследование, для взятия образцов применяют алмазный инструмент, а для обследования поверхность среза образцов фиксируют на цифровую камеру, затем полученные изображения передают на компьютер, где обрабатывают их, например, в графическом редакторе Photoshop, выделяя поверхность образцов с отсечением фона и посторонних объектов, затем изображения преобразовывают, например, в автоматизированной программе ВидеоТесТ, выделяя крупные поры диаметром от 0,2 мм, крупный заполнитель и цементно-песчаный камень, после чего автоматически определяют площади крупного заполнителя, указанных пор и цементно-песчаного камня путем разбиения изображений на отдельные объекты по их цветовой гамме, производят перенос результатов в табличный редактор, например в MS Excel, определяют процентное содержание указанных пор, крупного заполнителя и цементно-песчаного камня и по процентному содержанию указанных пор устанавливают степень дефектности структуры затвердевшего бетона. Технический результат – обеспечение объективного и оперативного определения показателей структуры затвердевшего бетона. 2 табл., 5 ил.
Изобретение относится к области строительного материаловедения, а более конкретно к способу определения показателей структуры затвердевшего бетона в конструкции и к системе для осуществления такого способа.
Известны способы исследования структуры затвердевшего бетона при обследовании конструкций методами световой микроскопии: в импрессионных препаратах, в прозрачных шлифах, в полированных непрозрачных шлифах (аншлифах). При этом визуально определяются минералы по показателям светопреломления, минералогический состав цементного камня, состояние контактной зоны, выявляются микродефекты, определяется количество составляющих бетона, структура тонкозернистых материалов и пор минимальных видимых размеров /Рамачандран В. Наука о бетоне: Физико-химическое бетоноведение / Рамачандран В., Фельдман Р., Бодуэн Дж.; Под ред. В.Б.Ратинова. – М.: Стройиздат, 1986. – С.27-44/ [1].
Эти способы достаточно трудоемки и длительны, а поэтому не обеспечивают достаточной оперативности и объективности определения показателей структуры бетона.
Наиболее близким к изобретению является способ макроскопических исследований путем рассмотрения структуры затвердевшего бетона с помощью оптических приборов (микроскопа, лупы) для определения вида заполнителей и их количества, выявления некоторых видов минеральных добавок, выявления пор и трещин, изучения состояния контактной зоны /Лещинский М.Ю. Испытание бетона: Справочное пособие. – М.: Стройиздат, 1980. – С.328-329/ [2]. Принят за прототип.
Однако этот способ также не обеспечивает достаточной оперативности и объективности определения показателей структуры бетона.
Сущность изобретения заключается в повышении качества бетонных изделий и конструкций.
Технический результат – обеспечение объективного и оперативного определения показателей структуры бетона.
Технический результат при осуществлении изобретения достигается тем, что в известном способе определения показателей структуры затвердевшего бетона, включающем взятие образцов из тела затвердевшего бетона и их обследование, особенностью является то, что для взятия образцов применяют алмазный инструмент, а для обследования поверхность среза образцов фиксируют на цифровую камеру, затем полученные изображения передают на компьютер, где обрабатывают их, например, в графическом редакторе Photoshop, выделяя поверхность образцов с отсечением фона и посторонних объектов, затем изображения преобразовывают, например, в автоматизированной программе ВидеоТесТ, выделяя крупные поры диаметром от 0,2 мм, крупный заполнитель и цементно-песчаный камень, после чего автоматически определяют площади крупного заполнителя, указанных пор и цементно-песчаного камня путем разбиения изображений на отдельные объекты по их цветовой гамме, производят перенос результатов в табличный редактор, например в MS Excel, определяют процентное содержание указанных пор, крупного заполнителя и цементно-песчаного камня и по процентному содержанию указанных пор устанавливают степень дефектности структуры затвердевшего бетона.
Технический результат – обеспечение объективного и оперативного определения показателей структуры затвердевшего бетона.
Алмазный бур HILTI DD-CA-S используется для высверливания образцов из тела затвердевшего бетона. С помощью цифровой камеры Canon А80 производится фотографирование среза поверхности образцов. На персональном компьютере с использованием программного обеспечения PhotoShop, ВидеоТесТ и MS Excel осуществляется определение показателей структуры затвердевшего бетона: пористости, содержания крупного заполнителя и растворной составляющей бетона.
Использование алмазного бура при извлечении образцов из затвердевшего бетона дает возможность получить гладкую поверхность среза обследуемых образцов, что положительно сказывается на качестве изображения образца, передаваемого на компьютер для последующей обработки. А применение компьютера для сбора и обработки цифрового изображения поверхности среза бетона позволяет получить оперативную и объективную информацию о показателях структуры бетона.
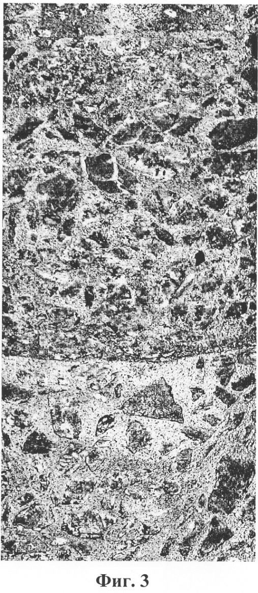
На чертежах представлено: на фиг.1 – общий вид образца, отобранного для испытаний; на фиг.2 – отредактированное изображение поверхности образца; на фиг.3 – преобразованное изображение образца; на фиг.4 – анализ изображения с помощью ПО ВидеоТесТ; на фиг.5 – схема установки для осуществления изобретения, где приняты следующие обозначения: бетонная плита – 1, алмазный инструмент – 2, образцы – 3, цифровая камера – 4, компьютер – 5.
Сведения, подтверждающие возможность осуществления изобретения.
Испытания проводились на затвердевшем бетоне монолитной плиты класса В 10, состав которого приведен в табл.1.
Таблица 1 Состав бетона монолитной плиты |
| №.п.п. |
Наименование материала |
Расход материала, в кг, на |
| замес |
1 м3 бетона |
| 1 |
Цемент |
6,48 |
180 |
| 2 |
Вода |
6,12 |
170 |
| 3 |
Песок |
25,2 |
700 |
| 4 |
Щебень |
46,8 |
1300 |
| Итого: |
– |
2350 |
Для приготовления бетона монолитной плиты был использован портландцемент марки ПЦ-400; кварцевый песок со средней плотностью 2500 кг/м3 и насыпной плотностью 1500 кг/м3 при естественной влажности 3..5%; гранитный щебень со средней плотностью 2300 кг/м3 и насыпной плотностью 1600 кг/м3; вода.
Способ определения показателей структуры затвердевшего бетона согласно изобретению содержит ряд этапов.
Вначале из бетонной плиты 1 с помощью алмазного бура HILTI DD-CA-S 2 выбуривались стандартные цилиндрические образцы 3 размером: диаметр – 10 см и длина – 20 см.
Далее образцы 3 фотографировались с помощью цифровой фотокамеры Canon A80 4. Фотография образца приведена на фиг.1. Эти фотографии образцов проходили обработку на компьютере 5 в графическом редакторе PhotoShop с целью выделения поверхности образца из фотографии с отсечением фона и посторонних объектов. Отредактированное изображение поверхности образца приведено на фиг.2.
На следующем этапе производилось преобразование отредактированного изображения на “ПО ВидеоТесТ” с целью контрастного выделения структурных параметров бетона: дефектов (крупных пор), крупного заполнителя и цементно-песчаного камня (раствора). Преобразованное изображение поверхности образца приведено на фиг.3.
Далее на программе ВидеоТесТ осуществлялся анализ преобразованного изображения образца с целью автоматического определения площадей крупного заполнителя, крупных пор и растворной составляющей на срезе затвердевшего бетона путем разбиения изображения на отдельные объекты по их цветовой гамме. Рабочее окно программы ВидеоТесТ при анализе изображения показано на фиг.4.
В дальнейшем программа ВидеоТесТ автоматически переносила результаты измерений в табличный редактор MS Exel.
По результатам цифровой обработки изображений срезов бетона на поверхности выбуренных образцов были определены следующие структурные характеристики бетона: процентное содержание крупного заполнителя и растворной составляющей бетона, наличие пор, которые можно характеризовать как дефекты структуры бетона. Эти данные приведены в табл.2.
Размеры замеренных в образцах пор находились в пределах от 1 пикселя (0,1 мм2) до 428 пикселей (43 мм2) при среднем размере пор 116 пикселей (12 мм2). Диаметр пор находился в пределах от 0,2 мм до 3,5 мм при среднем диаметре – 1,7 мм.
Таблица 2 Характеристики структуры бетона, полученные по результатам цифровой обработки изображений срезов бетона |
| № образца |
Маркировка образца |
Содержание по объему, % |
| Пор |
крупного заполнителя |
цементно-песчаного камня |
| 1 |
1Б10 |
0,936 |
53,939 |
45,123 |
| 2 |
2Б10 |
0,52 |
60,685 |
38,794 |
| 3 |
ЗБ10 |
1,03 |
54,455 |
44,51 |
| 4 |
4Б10 |
1,07 |
57,466 |
41,46 |
| 5 |
5Б10 |
0,58 |
58,03 |
41,386 |
| 6 |
6Б10 |
0,365 |
59,27 |
40,36 |
| 7 |
7Б10 |
0,175 |
58,38 |
41,44 |
| 8 |
8Б10 |
0,965 |
53,81 |
45,22 |
| 9 |
9Б10 |
0,68 |
56,35 |
42,96 |
| 10 |
10Б10 |
0,458 |
59,61 |
39,93 |
| 11 |
11Б10 |
0,727 |
53,03 |
40,24 |
| 12 |
12Б10 |
1,01 |
56,16 |
42,829 |
| 13 |
Среднее |
0,70 |
57,3 |
42,0 |
Данное техническое решение обеспечивает отображение пористости, содержания крупного заполнителя и растворной составляющей бетона, тем самым давая возможность при обследовании конструкций оперативно осуществлять проверку состава затвердевшего бетона и лучше понимать его структуру.
Изобретение может реализовать быструю обработку изображения на усовершенствованных компьютерах.
Поскольку изобретение описывается совместно с вариантом осуществления, очевидно, что специалист в данной области техники может реализовать изобретение при помощи других программных комплексов по анализу изображений.
Устройства для получения оптических цифровых изображений и компьютер в системе согласно изобретению могут быть образованы устройствами любого количества или спецификации. Соответственно, объем и формула изобретения не ограничены специфической системой реализации.
Источники информации
1. Рамачандран В. Наука о бетоне: Физико-химическое бетоноведение / Рамачандран В., Фельдман Р., Бодуэн Дж.; Под ред. В.Б. Ратинова. – М.: Стройиздат, 1986. – С.27-44.
2. Лещинский М.Ю. Испытание бетона: Справочное пособие. – М.: Стройиздат, 1980. – С.328-329.
Формула изобретения
Способ определения показателей структуры затвердевшего бетона, включающий взятие образцов из тела затвердевшего бетона и их обследование, отличающийся тем, что для взятия образцов применяют алмазный инструмент, а для обследования поверхность среза образцов фиксируют на цифровую камеру, затем полученные изображения передают на компьютер, где обрабатывают их, например, в графическом редакторе Photoshop, выделяя поверхность образцов с отсечением фона и посторонних объектов, затем изображения преобразовывают, например, в автоматизированной программе ВидеоТесТ, выделяя крупные поры диаметром от 0,2 мм, крупный заполнитель и цементно-песчаный камень, после чего автоматически определяют площади крупного заполнителя, указанных пор и цементно-песчаного камня путем разбиения изображений на отдельные объекты по их цветовой гамме, производят перенос результатов в табличный редактор, например в MS Excel, определяют процентное содержание указанных пор, крупного заполнителя и цементно-песчаного камня и по процентному содержанию указанных пор устанавливают степень дефектности структуры затвердевшего бетона.
РИСУНКИ
|
|