|
|
(21), (22) Заявка: 2004121650/09, 14.07.2004
(24) Дата начала отсчета срока действия патента:
14.07.2004
(43) Дата публикации заявки: 10.01.2006
(46) Опубликовано: 27.04.2007
(56) Список документов, цитированных в отчете о поиске:
RU 2192682 С2, 10.11.2002. SU 920898 А, 15.04.1982. SU 907609 А, 28.02.1982. US 4658320 А, 14.04.1987. US 4438472 А, 20.03.1984.
Адрес для переписки:
428000, г.Чебоксары, пр. И. Яковлева, 4, ОАО “ВНИИР”
|
(72) Автор(ы):
Плотников Владислав Иванович (RU), Моисеев Сергей Алексеевич (RU), Сагарадзе Евгений Владимирович (RU), Яковлев Сергей Капитонович (RU), Кариков Виталий Михайлович (RU), Самарин Евгений Витальевич (RU), Григорьева Марина Анатольевна (RU)
(73) Патентообладатель(и):
Открытое акционерное общество “Всероссийский научно-исследовательский проектно-конструкторский и технологический институт релестроения с опытным производством” (RU)
|
(54) УСТРОЙСТВО ДЛЯ БЕЗДУГОВОЙ КОММУТАЦИИ ЭЛЕКТРИЧЕСКОЙ ЦЕПИ
(57) Реферат:
Изобретение относится к области электротехники и может быть использовано в сетях автономных систем электроснабжения. Технический результат – повышение надежности и упрощение. Устройство для бездуговой коммутации электрической цепи содержит контакты и нормально открытый управляемый полупроводниковый ключ, управляющий электрод которого подключен к первому выводу резистора и через прямовключенный диод к первому выводу контактов, образующему первую выходную клемму. Второй вывод контактов соединен с первым силовым выводом полупроводникового ключа, образующим с управляющим электродом управляющий вход ключа, к которому подключен конденсатор. Второй силовой вывод ключа образует вторую выходную клемму, а второй вывод резистора соединен с первой выходной клеммой, причем последовательно с резистором включен обратновключенный диод. 1 з.п. ф-лы, 3 ил.
Предлагаемое изобретение относится к электротехнике, а именно к коммутации электрической цепи, и может быть использовано в сетях автономных систем электроснабжения.
Известны устройства для бездуговой коммутации электрической цепи [1-4], содержащие контакты, к которым подсоединены силовые выводы нормально закрытого управляемого полупроводникового ключа и цепь из последовательно соединенных конденсатора и резистора или диода, подключенного к управляющему входу полупроводникового ключа. Недостаток устройств – наличие в отключенном состоянии существенного тока утечки, поскольку включенный параллельно контактам полупроводниковый ключ, в закрытом состоянии имеет через силовые выводы значительный ток утечки (порядка единиц и десятков миллиампер) [5].
Известно устройство для бездуговой коммутации электрической цепи [6], содержащее основные контакты с задержкой на замыкание, к которым через дополнительные контакты с задержкой на размыкание подсоединены силовые выводы нормально закрытого управляемого полупроводникового ключа и цепь из последовательно соединенных конденсатора и резистора, подключенного к управляющему входу полупроводникового ключа. Недостаток устройства – сложность, обусловленная необходимостью обеспечения задержки на замыкание основных контактов и введением дополнительных контактов с задержкой на размыкание в цепь полупроводникового ключа для исключения тока утечки полупроводникового ключа в отключенном состоянии.
Известно устройство для защиты от искрения при включении [7], содержащее подключенные к источнику питания последовательно соединенные нагрузку, контакты и нормально закрытый однооперационный тиристорный ключ, управляющий электрод которого через первый резистор соединен с анодом и через параллельно включенные второй резистор и конденсатор – с катодом. Недостатки устройства – отсутствие защиты контактов от дуги при их размыкании и значительное падение напряжения во включенном состоянии на тиристорном ключе, которое составляет более одного вольта.
Наиболее близким к предлагаемому устройству по техническим средствам и достигаемому результату является устройство для бездуговой коммутации электрической цепи по патенту РФ [8], содержащее контакты и нормально открытый управляемый полупроводниковый ключ, управляющий электрод которого через диод подключен к первому выводу контактов, образующему первую выходную клемму, а второй вывод контактов соединен с первым силовым выводом полупроводникового ключа, образующим с управляющим электродом управляющий вход ключа, к которому подключены параллельно соединенные конденсатор и резистор, при этом второй силовой вывод ключа образует вторую выходную клемму. Недостатки устройства – наличие в отключенном состоянии существенного тока утечки и повышенное остаточное падение напряжения во включенном состоянии.
Технический результат предлагаемого изобретения – повышение надежности и упрощение за счет улучшения ключевых характеристик устройства путем устранения тока утечки в отключенном состоянии и снижения остаточного падения напряжения во включенном состоянии на нормально открытом полупроводниковом ключе. Улучшение ключевых характеристик позволяет выполнить устройство с менее нагруженным режимом работы, ввиду меньшей выделяемой на нем мощности во включенном состоянии, и без введения усложняющих дополнительных контактов для исключения тока утечки в отключенном состоянии.
Указанный технический результат достигается тем, что в устройстве для бездуговой коммутации электрической цепи, содержащем контакты и нормально открытый управляемый полупроводниковый ключ, управляющий электрод которого подключен к первому выводу резистора и через прямовключенный диод к первому выводу контактов, образующему первую выходную клемму, а второй вывод контактов соединен с первым силовым выводом полупроводникового ключа, образующим с управляющим электродом управляющий вход ключа, к которому подключен конденсатор, при этом второй силовой вывод ключа образует вторую выходную клемму, второй вывод резистора соединен с первой выходной клеммой, причем последовательно с резистором включен обратновключенный диод, а в качестве нормально открытого управляемого полупроводникового ключа использован полевой транзистор с встроенным каналом и изолированным затвором.
Сущность изобретения заключается в том, что благодаря пересоединению второго вывода резистора с первого силового вывода полупроводникового ключа, образующего с управляющим электродом управляющий вход ключа, через контакт и развязывающий обратновключенный диод на первую выходную клемму, в предлагаемом устройстве исключается отрицательное шунтирующее действие резистора на вход управления нормально открытого полупроводникового ключа, выражающееся в увеличении тока утечки в отключенном состоянии и падения напряжения на ключе во включенном состоянии, поскольку ток утечки определяется как отношение напряжения отсечки нормально открытого ключа к величине сопротивления на его входе управления, а падение напряжения на нормально открытом полупроводниковом ключе меньше, когда его управляющий электрод “оборван” от цепи истока, в частности, на 20% для нормально открытого транзистора со статической индукцией типа 2П926А [9].
Известно в устройстве для бездуговой коммутации электрической цепи соединение одного вывода резистора через обратновключенный диод с выходной клеммой устройства [3]. Однако в известном устройстве не решена задача устранения или даже снижения значительного тока утечки, поскольку в нем контакты соединены с силовыми выводами полупроводникового ключа не последовательно, а параллельно. В предлагаемом же устройстве бездуговой коммутации при наличии всего одного контакта и при использовании в качестве нормально открытого ключа полевого транзистора с изолированным затвором в отключенном состоянии обеспечивается полная гальваническая развязка нагрузки от источника питания, что является существенным отличием предлагаемого устройства от известного. Кроме того, существенно и то, что в отличие от известного в предлагаемом устройстве к контактам прикладывается не все коммутируемое напряжение, а незначительное напряжение, определяемое напряжением отсечки нормально открытого полупроводникового ключа, которое в десятки раз меньше коммутируемого. Это позволяет использовать в качестве контактов контакты микроэлектромеханических реле, изготовленных по МЭМС-технологии [10-12]. Необходимо также отметить, что предложенное устройство, помимо достижения практически нулевого тока утечки, не имеет технических ограничений и для достижения практически нулевого остаточного падения напряжения во включенном состоянии за счет параллельного соединения множества полевых транзисторных структур с нормально открытым каналом. Таким образом, предложенное устройство, позволяющее достигать близкие к нулевым значениям ток утечки в отключенном состоянии и остаточное падение напряжения во включенном состоянии, представляет один из вариантов “идеального ключа” [12, 13], причем способного работать с заданным, близким к оптимальному, законом коммутации [14].
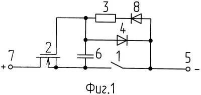
На фиг.1 представлен вариант предложенного устройства для бездуговой коммутации электрической цепи при использовании в качестве нормально открытого управляемого полупроводникового ключа полевого транзистора с встроенным каналом и изолированным затвором, где приняты следующие обозначения:
1 – контакты;
2 – полевой транзистор с встроенным каналом и изолированным затвором;
3 – резистор;
4 – прямовключенный диод;
5 – первая выходная клемма;
6 – конденсатор;
7 – вторая выходная клемма;
8 – обратновключенный диод.
Последовательно с устройством включаются не показанные на фиг.1 последовательно соединенные источник питания и нагрузка, которая может быть соединена с устройством как со стороны первой, так и второй выходных клемм.
Устройство для бездуговой коммутации электрической цепи содержит контакты 1, полевой транзистор 2 с встроенным каналом и изолированным затвором, который подключен к первому выводу резистора 3 и через прямовключенный диод 4 к первому выводу контактов 1, образующему первую выходную клемму 5, а второй вывод контактов 1 соединен с истоком транзистора 2, образующим с затвором управляющий вход транзистора, к которому подключен конденсатор 6, при этом сток транзистора 2 образует вторую выходную клемму 7, а второй вывод резистора 2 соединен с первой выходной клеммой 5 через обратновключенный диод 8.
На фиг.2, 3 приведены осциллограммы напряжения переходных процессов соответственно при включении активной и отключении активно-индуктивной нагрузок, где приняты следующие обозначения:
U5-7 – напряжение на выходных клеммах;
U2 – напряжение на силовых выводах полупроводникового ключа;
U1 – напряжение на контактах.
Устройство для бездуговой коммутации электрической цепи работает следующим образом.
В отключенном состоянии, когда контакт 1 разомкнут, конденсатор 6 заряжен через прямовключенный диод 4 до напряжения отсечки транзистора 2. Разомкнутый контакт 1, изолированный затвор транзистора 2 и заряженный конденсатор 6 [15, 16] обеспечивают в отключенном состоянии гальваническую развязку нагрузки от источника питания. В результате управляющего включающего воздействия на контакты 1 они замыкаются, однако в первоначальный момент времени ток нагрузки через выходные клеммы 5, 7 устройства не протекает, поскольку заряженный конденсатор 6 поддерживает транзистор 2 в закрытом состоянии и, тем самым, исключается образование короткой дуги на контактах при их дребезге в момент замыкания. После разряда конденсатора 6 через резистор 3 и диод 8 транзистор 2 открывается и через выходные клеммы 5, 7 устройства начинает протекать ток нагрузки (кривая U5-7 на фиг.2). Время задержки включения транзистора 2, которое должно превышать время дребезга контактов 1, определяется величинами емкости конденсатора 6 и сопротивления разрядного резистора 3. Обратновключенный диод 8 и наличие порога включения у прямовключенного диода 4 задают режим работы транзистора 2 с “разорванным” от истока затвором, обеспечивая минимальное сопротивление во включенном состоянии. При воздействии управляющего отключающего воздействия на контакты 1 они начинают размыкаться, но ток нагрузки не прерывается, а перетекает с контактов 1 на параллельную цепь, образованную конденсатором 6 и прямовключенным диодом 4, и, тем самым, исключается образование короткой дуги на контактах при их размыкании. При этом транзистор 2, ввиду наличия на его входе интегрирующего конденсатора 6, закрывается не мгновенно, а постепенно, что ограничивает перенапряжения (кривая V5-7 на фиг.3) на выходных клеммах устройства при отключении активно-индуктивной нагрузки и обеспечивает близкий к оптимальному закон коммутации [14].
Предложенное техническое решение предполагается использовать в модернизированных комбинированных контактно-бесконтактных реле напряжения серии РКH11 с улучшенными ключевыми характеристиками и расширенным диапазоном номинальных токов, которые будут выпускаться ОАО “ВНИИР”.
Указанные преимущества предлагаемого устройства для бездуговой коммутации электрической цепи позволят ему найти применение в системах автоматики низковольтных энергосистем, устанавливаемых как на стационарных, так и на подвижных установках и летательных аппаратах.
Источники информации
1. Патент США №4658320, Н 01 Н 9/30, НПК 361/13; 361/58, заявл. 08.03.1985, опубл. 14.04.1987.
2. Патент США №4438472, Н 02 Н 7/22, НПК 361/13; 307/134; 361/2, заявл. 09.08.1982, опубл. 20.04.1984.
3. Патент Швейцарии №588153, МКИ Н 01 Н 9/30, НПК 24 h, заявл. 13.08.1975, опубл. 31.05.1977.
4. Патент ЕПВ (ЕР) №0102442, МКИ Н 01 Н 9/54, заявл. 23.02.1983, опубл. 14.03.1984.
5. Сергеев Б.С. Схемотехника функциональных узлов источников вторичного электропитания: Справочник – М.: Радио и связь, 1992, с.35.
6. А.с. СССР №920898, МКИ Н 01 Н 9/30, заявл. 02.03.1977, опубл. 15.04.1982.
7. А.с. СССР №907609, Н 01 Н 9/30, заявл. 26.06.1980, опубл. 23.02.1982.
8. Патент РФ №2192682, Н 01 Н 9/30, заявл. 05.07.2000, опубл. 10.11.2002.
14. Марактанов В.А., Пивненко А.Д. О возможности создания выключателя, работающего с заданным законом коммутации. – Научно-технический сборник Электротехническая промышленность. Сер. Аппараты низкого напряжения, 1971, вып.7, с.8, рис.5.
15. Сергеев Б.С. Схемотехника функциональных узлов источников вторичного электропитания: Справочник – М.: Радио и связь, 1992, с.36, рис.2.21.
16. Поликарпов А.Г., Сергиенко Е.Ф. Однотактные преобразователи напряжения в устройствах электропитания РЭА – М.: Радио и связь, 1989, с.46, 51.
Формула изобретения
1. Устройство для бездуговой коммутации электрической цепи, содержащее контакты и нормально открытый управляемый полупроводниковый ключ, управляющий электрод которого подключен к первому выводу резистора и через прямовключенный диод к первому выводу контактов, образующему первую выходную клемму, а второй вывод контактов соединен с первым силовым выводом полупроводникового ключа, образующим с управляющим электродом управляющий вход ключа, к которому подключен конденсатор, при этом второй силовой вывод ключа образует вторую выходную клемму, отличающееся тем, что второй вывод резистора соединен с первой выходной клеммой, причем последовательно с резистором включен обратновключенный диод.
2. Устройство по п.1, отличающееся тем, что в качестве нормально открытого управляемого полупроводникового ключа использован полевой транзистор с встроенным каналом и изолированным затвором.
РИСУНКИ
|
|