|
(21), (22) Заявка: 2005115672/11, 23.05.2005
(24) Дата начала отсчета срока действия патента:
23.05.2005
(43) Дата публикации заявки: 27.11.2006
(46) Опубликовано: 27.04.2007
(56) Список документов, цитированных в отчете о поиске:
DE 2510623, 23.09.1976. US 5865263, 02.02.1999. US 3791473, 12.02.1974. DE 4443312,22.06.1995.
Адрес для переписки:
454016, г.Челябинск, ул. Университетская наб., 16, кв.45, Ю.А.Губочкину
|
(72) Автор(ы):
Губочкин Юрий Александрович (RU)
(73) Патентообладатель(и):
Губочкин Юрий Александрович (RU)
|
(54) ПРИВОД ГИБРИДНОГО АВТОМОБИЛЯ
(57) Реферат:
Изобретение относится к области автомобильной промышленности, в частности к приводам экологически чистых гибридных автомобилей. Привод гибридного автомобиля включает двигатель внутреннего сгорания, электродвигатель, аккумулятор, ведущие колеса. Имеются две электромагнитные муфты. Входной вал первой муфты соединен с валом двигателя внутреннего сгорания, а выходной вал – с электродвигателем. Входной вал второй муфты соединен с электродвигателем, а выходной вал – с ведущими колесами. Имеется система управления режимами работы привода по сигналам измерителей скоростей на валу двигателя внутреннего сгорания, электродвигателя и ведущих колесах. Технический результат заключается в упрощении конструкции, снижении стоимости гибридного автомобиля. 1 ил.
Изобретение относится к автомобилестроению, а именно к конструкции гибридных автомобилей, в частности к приводам гибридных автомобилей.
Известен привод электромобиля, включающий электродвигатель, аккумуляторную батарею, устройство обеспечения режимов работы электромобиля, механизм трансмиссии, установленный между электродвигателем и ведущими колесами [1].
Недостатком указанного аналога являются увеличенные габариты, обусловленные высокой установочной мощностью электродвигателя и аккумуляторной батареи, а также повышенная сложность эксплуатации, связанная с необходимостью подзарядки аккумуляторов на зарядных станциях.
Наиболее близким по технической сущности и достигаемому эффекту к предлагаемому приводу является привод гибридного автомобиля, состоящий из двигателя внутреннего сгорания, тягового электродвигателя, генератора переменного тока, аккумулятора, механизма трансмиссии, установленного между ведущими колесами, двигателем внутреннего сгорания и электродвигателем [2].
Привод снабжен планетарным механизмом, в котором вал двигателя внутреннего сгорания соединен с водилом, солнечная шестерня соединена с валом генератора, коронная шестерня через ряд шестерен параллельно соединена с тяговым электродвигателем и дифференциалом ведущих колес. Имеется центральная система управления, а также измерители скоростей ведущих колес, двигателя внутреннего сгорания и электродвигателя.
Трогание автомобиля осуществляется с помощью тягового электродвигателя, при этом планетарный механизм вращается вхолостую при неподвижном водиле и неподвижном вале двигателя внутреннего сгорания. При достижении автомобилем определенной скорости подается напряжение на обмотки генератора, на сателлитах планетарного механизма появляется реактивный момент. Водило начинает вращаться и запускает двигатель внутреннего сгорания. Мощность двигателя внутреннего сгорания параллельно расходуется на привод ведущих колес и на зарядку аккумулятора.
Основными недостатками наиболее близкого аналога является сложность конструкции, низкая надежность работы, значительная трудоемкость и сложность эксплуатации.
Задачей предлагаемого изобретения является упрощение конструкции путем устранения генератора планетарного механизма, повышения надежности и упрощение эксплуатации.
Поставленная задача достигается тем, что в приводе гибридного автомобиля, включающем двигатель внутреннего сгорания, электродвигатель, аккумулятор, ведущие колеса, механизм трансмиссии, установленный между электродвигателем, двигателем внутреннего сгорания и ведущими колесами, измерители скорости ведущих колес, двигателя внутреннего сгорания и электродвигателем, систему управления, согласно изобретению он снабжен двумя электромагнитными муфтами, при этом входной вал первой муфты соединен с валом двигателя внутреннего сгорания, а выходной – с электродвигателем, а входной вал второй муфты соединен с электродвигателем, а выходной, посредством механизма трансмиссии – с ведущими колесами, причем измеритель скорости вала двигателя внутреннего сгорания соединен с первым входом системы управления, измеритель скорости на ведущих колесах – со вторым входом, измеритель скорости электродвигателя – с третьим входом системы управления, четвертый вход – с выходом задатчика режимов работы, первый выход системы управления соединен с первой электромагнитной муфтой, второй выход – со второй электромагнитной муфтой, третий – электродвигателем, а четвертый – с аккумулятором.
То что привод снабжен двумя электромагнитными муфтами, связанными заявленным способом с двигателем внутреннего сгорания, электродвигателем и ведущими колесами, позволяет достичь существенного упрощения конструкции привода, так как отпадает необходимость в сложном планетарном механизме и связях его отдельных элементов с основными узлами привода (солнечная шестерня – с генератором, водило – с двигателем внутреннего сгорания, коронная шестерня – с тяговым электродвигателем). Отпадает и необходимость в устройствах подтормаживания отдельных элементов планетарного механизма.
Значительно повышается надежность работы заявленного привода по сравнению с наиболее близким аналогом, так как в приводе используются всего две электромагнитные муфты, обеспечивающие мгновенное жесткое соединение входных и выходных валов при подаче на них управляющих сигналов.
Упрощается эксплуатация привода за счет простоты конструкции, в которой устранены многочисленные передаточные элементы (генератор, планетарный механизм с его связями с двигателем внутреннего сгорания, электродвигателем и ведущими колесами).
Предлагаемый привод гибридного автомобиля проиллюстрирован чертежом, где показана схема привода.
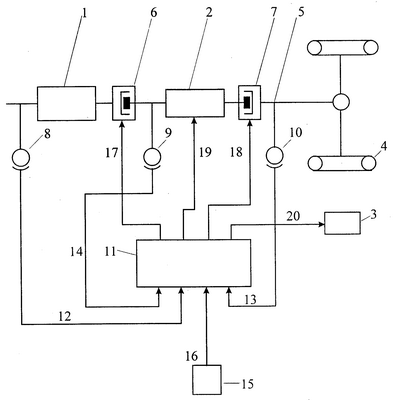
Привод содержит двигатель внутреннего сгорания 1, электродвигатель 2, аккумулятор 3, ведущие колеса 4, механизм трансмиссии 5, установленный между электродвигателем 2, двигателем внутреннего сгорания 1 и ведущими колесами 4. Привод снабжен двумя электромагнитными муфтами 6 и 7. Входной вал электромагнитной муфты 6 соединен с валом двигателя внутреннего сгорания 1, а выходной вал – с электродвигателем 2. Входной вал муфты 7 соединен с электродвигателем 2, а выходной вал – посредством механизма трансмиссии 5 – с ведущими колесами 4. Привод снабжен измерителями скоростей 8, 9 и 10, соответственно установленными на валу двигателя внутреннего сгорания 1, на ведущих колесах 4 и на электродвигателе 2. Измеритель 9 скорости на ведущих колесах 4 смонтирован на механизме трансмиссии 5. В приводе имеется система 11 управления. Измеритель скорости 8 соединен с первым входом 12 системы 11, измеритель скорости 10 на ведущих колесах со вторым входом 13 системы 11 управления, а измеритель скорости 9 электродвигателя 2 с третьим входом 14 системы 11 управления.
Привод снабжен задатчиком 15 режимов работы, соединенным с четвертым входом 16 системы 11. Первый выход 17 системы 11 соединен с электромагнитной муфтой 6, второй выход 18 – с электромагнитной муфтой 7, третий 19 с электродвигателем 2, а четвертый 20 – с аккумулятором 3.
Привод гибридного автомобиля работает следующим образом. Задатчиком 15 режимов работы на четвертом входе 16 системы 11 управления устанавливается один из четырех основных режимов работы привода.
Первый режим – начало движения с малой нагрузкой, под небольшой уклон или разгон до заданной скорости. Включают электродвигатель 2. Для этого отключают электромагнитную муфту 6 через выход 17 системы 11 управления, а через второй выход 18 включают муфту 7.
При этом электрическая энергия от аккумулятора 3 через четвертый выход 20 системы 11 управления поступает на третий выход 19 системы 11 к электродвигателю 2. Электродвигатель 2 начинает вращаться и посредством механизма трансмиссии 5 крутящий момент передается к ведущим колесам 4.
Второй режим – установившееся движение после разгона автомобиля до определенной скорости. Мощность двигателя внутреннего сгорания 1 параллельно расходуется на привод ведущих колес 4 и подзарядку аккумулятора 3.
Для этого выключают электромагнитную муфту 7 через второй выход 18 системы 11 управления. Электродвигатель 2 тормозится до нулевой скорости через третий выход 19 системой 11 управления.
Контроль нулевой скорости электродвигателя 2 фиксируют измерителем 9 скорости электродвигателя через третий вход 14 системы 11 управления. Включают электромагнитную муфту 6 через первый выход 17 системы 11 управления. При этом электрическая энергия аккумулятора 3 через четвертый выход 20 системы 11 поступает к электродвигателю 2 через третий выход 19 системы 11 управления.
Электродвигатель 2 работает как стартер и запускает двигатель внутреннего сгорания 1 до скорости движения автомобиля, которая контролируется измерителем скорости 10 через второй вход 13 системы 11 управления.
Включают электромагнитную муфту 7 через второй выход 18 системы 11 управления, когда скорость вала двигателя внутреннего сгорания 1 станет равной скорости ведущих колес 4. При этом на первый вход 12 и на второй вход 13 системы 11 управления поступают соответственно сигналы от измерителя 8 скорости вала двигателя внутреннего сгорания 1 и от измерителя 10 скорости ведущих колес. Электродвигатель 2 переводится в генераторный режим через третий выход 19 системы 11 и электрическая энергия через четвертый выход 20 системы 11 управления подается в аккумулятор 3 для его подзарядки.
Третий режим – разгон с максимальным ускорением. Он реализуется в два этапа. На первом этапе поток электрической энергии от аккумулятора 3 через четвертый выход 20 поступает в систему 11 управления и далее через третий выход 19 – к электродвигателю 2. Электромагнитную муфту 6 через первый выход 17 системы 11 управления отключают, а муфту 7 через второй выход 18 системы 11 – включают. Разгон автомобиля до определенной скорости движения осуществляется только от электродвигателя 2.
На втором этапе разгона на ведущих колесах 4 через механизм трансмиссии 5 действуют два крутящих момента – от двигателя внутреннего сгорания 1 и от электродвигателя 2.
В начале второго этапа электродвигатель 2 работает как стартер и запускает двигатель внутреннего сгорания 1, который разгоняется до скорости движущегося автомобиля.
При этом электромагнитную муфту 7 через второй выход 18 системы 11 управления отключают, а муфту 6 через первый выход 17 включают только тогда, когда электродвигатель 2 будет остановлен. Контроль нулевой скороси электродвигателя 2 фиксируется измерителем скорости 9 через третий вход 14 системы 11 управления. Электродвигатель 2 осуществляет запуск двигателя внутреннего сгорания 1, при этом электрическая энергия от аккумулятора 3 через четвертый выход 20 поступает в систему 11 управления и далее через третий выход 19 системы 11 – к электродвигателю 2. При скорости вала двигателя внутреннего сгорания 1, равной скорости движущегося автомобиля, включают муфту 7 через второй выход 18 системы 11 управления. Контроль состояний движения на втором этапе осуществляется измерителями скоростей 8,9 и 10 через первый 12, второй 13 и третий 14 входы системы управления 11.
Разгон автомобиля осуществляют от электродвигателя 2 и от двигателя внутреннего сгорания 1.
Следует отметить, что указанные коммутации электромагнитных муфт 6 и 7 и запуск двигателя внутреннего сгорания 1 в начале второго этапа разгона происходит практически мгновенно и скорость движения автомобиля мало отличается от скорости его в конце первого этапа.
В режимах торможения автомобиля система 11 управления обеспечивает рекуперативный режим торможения с возвратом энергии движения аккумулятору 3. Электромагнитную муфту 6 через первый выход 17 системы 11 управления отключают, а муфту 7 через второй выход 18 системы 11 управления оставляют включенной. Крутящий момент от ведущих колес 4 через механизм 5 трансмиссии, посредством муфты 7 передается на электродвигатель 2, который работает в режиме генератора и через четвертый выход 20 системы 11 управления электрическую энергию подают к аккумулятору 3 для его подзарядки.
Четвертый режим – зарядка аккумулятора 3. Автомобиль неподвижен. Электродвигатель 2 работает как стартер и запускает двигатель внутреннего сгорания 1 до расчетной скорости его вала, при которой токсичность выхлопа минимальна. При этом электромагнитную муфту 7 через второй выход 18 системы 11 управления отключают, а муфту 6 через первый выход 17 системы 11 – включают. Электрическая энергия от аккумулятора 3 через четвертый выход 20 системы 11 управления поступает через третий выход 19 системы 11 к электродвигателю 2. Крутящий момент электродвигателя 2 через муфту 6 передается на вал двигателя внутреннего сгорания 1 и происходит его запуск. Контроль расчетной скорости вала двигателя внутреннего сгорания 1 производят по датчику скорости 8 через первый вход 12 системы 11 управления и далее электродвигатель 2 проходит в генераторный режим, при этом электрическая энергия от электродвигателя 2 через третий выход 19 подают в систему 11 управления и далее через четвертый выход 20 – к аккумулятору 3 для его подзарядки.
Разработан технический проект предлагаемого привода для гибридного автомобиля на базе автомобиля “Ода”. В приводе заводского автомобиля демонтирован стартер, генератор, сцепление, коробка передач.
Привод включает:
а) двигатель внутреннего сгорания от автомобиля “Ока” с мощностью двигателя 23,5 кВт при частоте вращения коленчатого вала 5000 мин-1, минимальная частота вращения коленчатого вала в режиме холостого хода 850 мин-1;
б) электродвигатель типа П52М мощностью 20 кВт, напряжение 220 В, ток 104 А, частота вращения 3000/3300 мин-1;
в) муфты электромагнитные многодисковые серии ЭТМ с вынесенными дисками габарит 11 с номинальным передаваемым моментом 250 Н·м, напряжение 24 В, ток 3,8 А, частота вращения 3300 мин-1, быстродействие при включении 16 мс, при отключении 10 мс.
Предлагаемый привод гибридного автомобиля найдет применение в автомобильной промышленности для создания экономичных, простых по конструкции и экологически чистых автомобилей.
Источники информации
1. Автомобильный справочник BOSCH, под ред. И.В.Ксенофонтов, А.И.Мазилкин, А.В.Димтриевский. М.: Издательство “За рулем”, с.545-553. – 2000 г.
2. Патент США №5865263, МПК6 В60К 6/00, гибридный автомобиль, заявл. 23.02.1996, опубл. 02.02.1999, приор. 28.02.1995, №7-063538 (Япония).
Формула изобретения
Привод гибридного автомобиля, включающий двигатель внутреннего сгорания, электродвигатель, аккумулятор, ведущие колеса, механизм трансмиссии, установленный между электродвигателем, двигателем внутреннего сгорания и ведущими колесами, электрическую систему управления, две муфты, при этом входной вал первой муфты соединен с валом двигателя внутреннего сгорания, а выходной вал – с электродвигателем, входной вал второй муфты соединен с электродвигателем, а выходной вал посредством механизма трансмиссии – с ведущими колесами, отличающийся тем, что муфты выполнены с электромагнитным управлением и привод снабжен измерителями скоростей вала двигателя внутреннего сгорания, электродвигателя и ведущих колес, причем измеритель скорости вала на двигателе внутреннего сгорания соединен с первым входом системы управления, измеритель скорости на ведущих колесах – со вторым входом, измеритель скорости электродвигателя – с третьим входом системы управления, четвертый вход системы – с выходом задатчика режимов работы, первый выход системы управления соединен с первой муфтой с электромагнитным управлением, второй выход – со второй муфтой с электромагнитным управлением, третий выход – с электродвигателем, четвертый – с аккумулятором.
РИСУНКИ
MM4A – Досрочное прекращение действия патента СССР или патента Российской Федерации на изобретение из-за неуплаты в установленный срок пошлины за поддержание патента в силе
Дата прекращения действия патента: 24.05.2007
Извещение опубликовано: 10.08.2008 БИ: 22/2008
NF4A – Восстановление действия патента СССР или патента Российской Федерации на изобретение
Дата, с которой действие патента восстановлено: 10.10.2008
Извещение опубликовано: 10.10.2008 БИ: 28/2008
|