|
|
(21), (22) Заявка: 2005136406/12, 24.11.2005
(24) Дата начала отсчета срока действия патента:
24.11.2005
(46) Опубликовано: 27.04.2007
(56) Список документов, цитированных в отчете о поиске:
RU 2229155 С1, 20.05.2004. SU 1690639 А1, 15.11.1991. SU 1762829 А2, 23.09.1992. SU 812250 А, 15.03.1981. RU 2132610 С1, 10.07.1999.
Адрес для переписки:
109456, Москва, 1-й Вешняковский пр-д, 2, ГНУ ВИЭСХ, О.В. Голубевой
|
(72) Автор(ы):
Дубровин Александр Владимирович (RU), Краусп Валентин Робертович (RU), Борисов Владимир Валерьевич (RU)
(73) Патентообладатель(и):
Государственное научное учреждение Всероссийский научно-исследовательский институт электрификации сельского хозяйства (ГНУ ВИЭСХ) (RU)
|
(54) СПОСОБ ЭКОНОМИЧНОГО ОБОГРЕВА СЕЛЬСКОХОЗЯЙСТВЕННЫХ ЖИВОТНЫХ ИЛИ ПТИЦЫ И УСТРОЙСТВО ДЛЯ ЕГО ОСУЩЕСТВЛЕНИЯ
(57) Реферат:
Способ включает измерение концентрации аммиака, формирование сигнала величины ощущаемой температуры помещения, периодическое изменение сигнала сформированной величины ощущаемой температуры помещения в диапазоне между технологически допустимыми наименьшим и наибольшим ее заданными значениями. В зависимости от значения изменяемого сигнала сформированной величины ощущаемой температуры помещения, относительной влажности внутреннего воздуха в помещении и от измеренной концентрации аммиака вычисляют стоимость продукции данной партии животных или птицы. Стоимость затрат энергии на обогрев вычисляют в зависимости от значения изменяемого сигнала сформированной величины ощущаемой температуры помещения. Вычисляют первую разность между стоимостью продукции и стоимостью затрат энергии на обогрев. Определяют наибольшее значение этой первой разности и соответствующий ему сигнал сформированной величины ощущаемой температуры помещения в качестве значения наивысшей прибыли. Определяют второе значение этой разности при нормативном значении ощущаемой температуры технологического режима наивысшей продуктивности поголовья в качестве нормативной прибыли, вычитают из первой разности стоимостей ее второе значение и получают третью разность стоимостей в виде показателя прироста. Определяют наибольшее значение этой третьей разности в качестве значения наивысшего прироста прибыли и соответствующий ему сигнал сформированной величины ощущаемой температуры помещения. Сравнивают соответствующий наибольшему значению первой или второй разности сигнал сформированной величины ощущаемой температуры помещения с измеренной величиной ощущаемой температуры помещения и по результату сравнения корректируют обогрев животных или птицы. Индицируют вычисленные потери тепловой энергии помещением для информирования персонала производственного помещения с животными или с птицей. Устройство имеет датчик концентрации аммиака, выход которого соединен с шестым входом вычислительного блока. Устройство содержит блок задатчиков возраста поголовья, технологически допустимых наименьшего и наибольшего заданных значений ощущаемой температуры помещения, времени опроса, сигнала сформированной величины ощущаемой температуры помещения и констант, выходы которого подключены к соответствующим дополнительным входам вычислительного блока, второй выход которого соединен со входом дополнительно введенного блока индикации стоимости потерь теплоты помещением с обогреваемыми животными или птицей, выход блока управления соединен с задающим вторым входом регулятора температуры. Обеспечивается точная экономическая оптимизация технологического режима обогрева помещения. 2 н.п. ф-лы, 4 ил.
Изобретение относится к области сельского хозяйства, к технологиям локального обогрева сельскохозяйственного молодняка и общего обогрева животноводческих или птицеводческих помещений и может быть использовано в отраслях промышленного животноводства или птицеводства.
Недостатком данного технического решения является необходимость отдельного от регулирования локального обогрева управления температурным режимом общего обогрева помещения, что существенно усложняет технические решения.
Причиной этого являются требования норм технологического проектирования (например, птицеводческих предприятий) по поддержанию температурного режима отдельно в зоне локального обогрева молодняка (под брудером) и отдельно в остальном помещении.
В настоящее время в сельскохозяйственное производство, в частности в птицеводство, активно внедряются достаточно известные в биоклиматологии человека лучистые системы обогрева помещений. На потолке помещения устанавливается низкотемпературная электрическая излучательная инфракрасная панель большой площади или высокотемпературные облучатели всей поверхности пола этого помещения. Таким образом, условия теплового комфорта определяются в основном режимом лучистого обогрева и от температурного фона помещения только по величине температуры воздушной среды практически не зависят. Применение в качестве энергоносителя для таких систем лучистого обогрева недорогого природного газа существенно снижает стоимость энергетических затрат на создание требуемого температурного режима именно для биологических объектов.
Производственные помещения сельскохозяйственного назначения характеризуются значительными габаритными размерами и их относительно невысокой теплозащитой, поэтому энергетические затраты и соответственно эксплуатационные расходы даже на весьма технологичный лучистый обогрев помещений и сельскохозяйственного молодняка, особенно в холодных климатических зонах страны, чрезвычайно велики.
Другим недостатком данного технического решения является отсутствие учета в реальном времени фактора концентрации аммиака, что заметно влияет на процесс роста животных и птицы и соответственно на экономические показатели технологического процесса и всего предприятия в целом. Источником чрезвычайно опасного для биологических объектов газа являются жидкие и полужидкие выделения поголовья, которые скапливаются и затем разлагаются в древесностружечной подстилке и на полу производственного помещения.
В производственных помещениях сельскохозяйственного назначения, например в промышленных птичниках, одновременно выращиваются или содержатся до нескольких десятков тысяч птиц, поэтому даже незначительное изменение газового состава внутреннего воздуха приводит к существенному изменению продуктивности поголовья в данном помещении. Поэтому учет концентрации исключительно вредного для организма газа аммиака также необходим.
Задачей изобретения являются непрерывные в реальном времени автоматизированный поиск положения экономического баланса между стоимостью эксплуатационных энергетических затрат на обогрев сельскохозяйственных животных или птицы и расчетной ценой реализованной продукции, достижение экономически оптимального и энергетически рационального режима обогрева животноводческого или птицеводческого помещения и сельскохозяйственных животных и птицы, получение наивысшего значения экономического критерия прироста прибыли при автоматизированном управлении обогревом.
В результате использования изобретения устанавливается такое значение ощущаемой животным или птицей температуры помещения, при котором обеспечивается наивысший на данный момент времени прирост прибыли при обогреве животных или птицы и производственного помещения.
Вышеуказанный технический результат достигается способом экономичного обогрева сельскохозяйственных животных или птицы, включающим в себя измерение и задание величины ощущаемой животными и птицей температуры помещения, сравнение измеренной и заданной величин, регулирование режима обогрева по результату сравнения, измерение величин температур и относительных влажностей внутреннего воздуха в помещении и наружного воздуха, причем потери тепловой энергии помещением вычисляют в зависимости от измеренных величин температур и относительных влажностей наружного и внутреннего воздуха в помещении, при этом измеряют концентрацию аммиака, формируют сигнал величины ощущаемой температуры помещения, периодически изменяют сигнал сформированной величины ощущаемой температуры помещения в диапазоне между технологически допустимыми наименьшим и наибольшим ее заданными значениями, причем в зависимости от значения изменяемого сигнала сформированной величины ощущаемой температуры помещения, относительной влажности внутреннего воздуха в помещении и от измеренной концентрации аммиака вычисляют стоимость продукции данной партии животных или птицы, при этом стоимость затрат энергии на обогрев вычисляют в зависимости от значения изменяемого сигнала сформированной величины ощущаемой температуры помещения, затем вычисляют первую разность между стоимостью продукции и стоимостью затрат энергии на обогрев в качестве показателя прибыли в диапазоне между технологически допустимыми наименьшим и наибольшим заданными значениями сигнала сформированной величины ощущаемой температуры помещения, определяют наибольшее значение этой первой разности в качестве значения наивысшей прибыли и соответствующий ему сигнал сформированной величины ощущаемой температуры помещения, определяют второе значение этой разности при нормативном значении ощущаемой температуры технологического режима наивысшей продуктивности поголовья в качестве нормативной прибыли, вычитают из первой разности стоимостей ее второе значение и получают третью разность стоимостей в виде показателя прироста прибыли, определяют наибольшее значение этой третьей разности в качестве значения наивысшего прироста прибыли и соответствующий ему сигнал сформированной величины ощущаемой температуры помещения, либо вычитают из наибольшего значения первой разности стоимостей ее второе значение и получают наибольшее значение третьей разности стоимостей в виде значения наивысшего прироста прибыли и соответствующий ему сигнал сформированной величины ощущаемой температуры помещения, причем соответствующие значениям наивысшей прибыли и наивысшего прироста прибыли сигналы сформированной величины ощущаемой температуры помещения равны между собой, сравнивают соответствующий наибольшему значению первой или второй разности сигнал сформированной величины ощущаемой температуры помещения с измеренной величиной ощущаемой температуры помещения и по результату сравнения корректируют обогрев животных или птицы, при этом индицируют вычисленные потери тепловой энергии помещением для информирования персонала производственного помещения с животными или с птицей.
Технический результат достигается также тем, что в устройство экономичного обогрева сельскохозяйственных животных или птицы, содержащее датчик ощущаемой температуры помещения в зоне локального обогрева, датчики температуры наружного воздуха и внутреннего воздуха в помещении, датчики относительной влажности наружного воздуха и внутреннего воздуха в помещении, вычислительный блок, блок управления, регулятор температуры, обогреватели, причем выход датчика ощущаемой температуры помещения соединен с первым входом вычислительного блока и с управляющим первым входом регулятора температуры, выход которого соединен с обогревателями, причем выходы датчиков температуры наружного воздуха и внутреннего воздуха в помещении подключены соответственно ко второму и к третьему входам вычислительного блока, выходы датчиков относительной влажности наружного и внутреннего воздуха соединены соответственно с четвертым и с пятым входами вычислительного блока, своим первым выходом связанного с входом блока управления, дополнительно введен датчик концентрации аммиака, выход которого соединен с шестым входом вычислительного блока, при этом оно содержит блок задатчиков возраста поголовья, технологически допустимых наименьшего и наибольшего заданных значений ощущаемой температуры помещения, времени опроса, сигнала сформированной величины ощущаемой температуры помещения и констант, выходы которого подключены к соответствующим дополнительным входам вычислительного блока, второй выход которого соединен со входом дополнительно введенного блока индикации стоимости потерь теплоты помещением с обогреваемыми животными или птицей, выход блока управления соединен с задающим вторым входом регулятора температуры.
Сущность предлагаемого изобретения поясняется примером.
Задача оптимизации микроклимата помещения для выращивания бройлеров в клеточных батареях с учетом расхода энергии на отопление птичника для достижения максимума функционала непрерывно изменяющейся во времени разности стоимостей продукции и тепловой энергии при управлении микроклиматом по условию наивысшей продуктивности поголовья решена (Грабауров В.А., Савченко Е.И., 1986, и др.). Промышленный птичник рассматривается как биотехническая система, состоящая из взаимосвязанных и взаимозависимых объектов – биологического (птица) и технического (помещение и оборудование).
Математическая модель биологического объекта представляет собой зависимость продуктивности птиц (суточный прирост массы бройлеров от их возраста и от факторов микроклимата, в граммах массы) Пбр от возраста птиц t (в сутках) и основных параметров микроклимата – температуры воздуха Т (в градусах по шкале Цельсия), относительной влажности воздуха В (в процентах) и загазованности воздуха К (массовая концентрация аммиака в воздухе, мг/м3) /см.: Грабауров В.А. Задача оптимизации микроклимата в промышленных птичниках с учетом расхода энергии на отопление. Рукопись представлена РИСХМ (Ростовским институтом сельскохозяйственного машиностроения). Деп. во ВНИИТЭИСХ. №537 ВС – 85 Деп. – 17 с.; см. также: Грабауров В.А. Идентификация класса и структуры статической математической модели биологического объекта биотехнической системы в промышленном птичнике. – Рукопись представлена РИСХМ (Ростовским институтом сельскохозяйственного машиностроения). Деп. во ВНИИТЭИСХ. №469 – 84 Деп. – 6 с./:

где а0, а1, …, а14 – коэффициенты уравнения регрессии, или константы: а0=-715,1; а1=6,354; а2=27,076; а3=9,594; а4=-0,870; a5=-0,025; а6=-0,343; а7=-0,050; a8=-0,009; а9=-0,104; а10=-0,024; а11=0,003; а12=-0,102; a13=0,012; а14=0,008 /см.: Грабауров В.А., Савченко Е.И. Исследование математической модели биологического объекта биотехнической системы. – Рукопись представлена РИСХМ (Ростовским институтом сельскохозяйственного машиностроения). Деп. во ВНИИТЭИСХ. №59 ВС – 87 Деп. – 6 с./.
Показатель уровня теплового комфорта в виде величины ощущаемой температуры tоп включает в себя комплекс факторов температуры воздуха Т (далее в тексте заявки измеряемая и усредненная по высоте птичника температура внутреннего воздуха в помещении при технологии напольного выращивания бройлеров для удобства обозначена tв изм), скорости его движения и лучистых тепловых потоков между телом животного или птицы и нагретыми или охлажденными ограждающими конструкциями помещения. Для обсуждаемой модели продуктивности бройлеров в клеточных батареях значения ощущаемой температуры и температуры воздуха практически равны. Поэтому модель продуктивности действует и при замене в ней величины температуры воздуха на величину ощущаемой температуры, которая необходима при оценке теплового состояния молодняка при лучистом обогреве помещения.
Из биологии известно, что различие в развитии однотипных организмов сохраняются на протяжении всего периода их роста, поэтому цена будущей реализации суточного прироста массы бройлеров Цр сут определяется значением этого прироста Пбр (tоп, Т, В, К), кг·10-3/сут, количеством бройлеров в помещении Nбр, голов (примем обычное количество 20 тыс. голов в стандартном птицезале размерами 18·96 м), удельной ценой реализации конечной продукции птицефабрики Цр уд, руб./кг (примем 40 руб./кг):

Суточная стоимость теряемой помещением тепловой энергии Эо(tв изм) пропорциональна удельной стоимости применяемого энергоносителя Цэ, руб./кВт·ч, в данном регионе страны, длительности времени опроса биотехнической системы (суточного отопительного периода в 24 ч) То и средней за этот период времени величине мощности системы общего обогрева Qоср(tв изм), кВт, которая определяется при средних за период То величинах температур внутреннего tв изм и наружного воздуха tн изм, °С:

где Qпт – тепловыделения птицы, кВт; Qпод – тепловыделения от подстилки, кВт; Qогр – теплопотери через ограждения, кВт; Qвент – общие теплопотери с влажным вентилируемым воздухом (с учетом теплоты, расходуемой на испарение влаги с открытых водных и смоченных поверхностей), кВт; Qпол – теплопотери через пол, кВт; Qинф – расход теплоты на нагрев воздуха, инфильтрующегося через притворы ворот, окон и дверей, кВт.
Суточные затраты на энергию в системе электрического или газового обогрева Эл сут (tоп) пропорциональны удельной стоимости энергии данного вида Цэ, руб./кВт·ч, в данном регионе страны, количеству зон обогрева, или количеству лучистых обогревателей в помещении Nл, отн.ед., мощности применяемого локального обогревателя Qл 1(tоп), кВт.

При известной статической характеристике локального, например, электрообогревателя в виде люстры из четырех ИК облучателей типа ЛИКИ (фиг.4):

– расчет Эл сут(tоп з) упрощается, и его результаты конкретизируются.
Целевая функция оптимизации значения управляемого параметра ощущаемой температуры tоп опт в виде показателя прибыли П(tоп з) или показателя прироста прибыли П(tоп з) при переборе всевозможных искусственно задаваемых значений tоп з, которые численно равны возможным измеренным значениям tоп в диапазоне между ее наименьшим и наибольшим заданными технологическими значениями:


Как известно, эффективность и ресурсосбережение чрезвычайно энергозатратных в настоящее время в бройлерном птицеводстве технологий лучистого локального и общего обогрева можно существенно повысить путем автоматизации процесса поиска оптимального значения выбранного экономического критерия. Например, прибыль Павт новой автоматизированной системы:

где Павт – годовая прибыль предприятия или технологии, руб./год; Цр макс – рыночная цена реализованной за год продукции в действующей системе обогрева по условию получения наивысшей продуктивности поголовья, руб./год; С – годовые издержки производства, руб./год; П – увеличение прибыли, руб./год, из-за экономии издержек в результате экономически обоснованного снижения затрат на энергию в обсуждаемой технологии С, руб./год, при неизбежно возникающих при предлагаемом методе экономической оптимизации расчетных потерях продуктивности Ц, руб./год ( Ц – по абсолютной величине).
Следует заметить, что в качестве единицы времени при наличии математической модели продуктивности типа (1) может быть принята любая длительность технологического процесса, а не только общепринятая в экономических расчетах и кратная году.
Остальные составляющие эксплуатационных затрат – на освещение, трудозатраты персонала и т.п. – от tоп при локальном обогреве зависят слабо или вообще не зависят. Составляющие (7) вычисляются по достаточно известным и модифицированным зависимостям, включающим в себя удельные цены на электрическую энергию и энергию природного газа в данном регионе страны, удельную отпускную цену мяса бройлеров на конкретной птицефабрике; параметры наружного климата: tн и н – температуру и относительную влажность наружного воздуха; теплоизоляционные характеристики конструкции помещения для поголовья: Sогр i, R0 огр i, Gинф – площадей ограждающих конструкций, их сопротивлений теплопередаче и удельный объем инфильтрующегося через притворы в помещение воздуха; параметры внутреннего микроклимата: tоп, tоп норм=tоп макс продукт, tв, вн – ощущаемую цыплятами температуру в зонах обогрева, ее нормативное значение tоп норм, соответствующее режиму обогрева при наивысшей продуктивности поголовья tоп макс продукт, температуру и относительную влажность внутреннего воздуха в помещении; характеристики оборудования для лучистого локального обогрева: Qл 1(tоп, tв) – статическую характеристику передачи локального обогревателя.
Сущность предлагаемого изобретения поясняется фиг.1, фиг.2, фиг.3. На фиг.1 приведена общая схема технологии и технологического оборудования обогрева цыплят и птичника в промышленном птицеводстве.
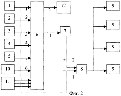
На фиг.2 приведена общая схема устройства по способу.
На фиг.3 дана иллюстрация оценки технико-экономической эффективности обогревательной технологии по критерию прироста прибыли в результате суммирования стоимостей затрат на энергоноситель и прогнозируемых потерь продукции (с отрицательным знаком) в искусственно формируемом диапазоне изменения теплового режима по величине ощущаемой температуры помещения.
На фиг.4 приведена фотография экспериментального образца инфракрасной люстры, состоящей из четырех облучателей типа “ЛИКИ” (вид снизу сбоку).
Способ осуществляется следующим образом. Например, в сильный мороз обычная система конвективного, лучистого или комбинированного обогрева с электрическим или с газовым энергоносителем просто поддерживает нормативный технологический режим обогрева поголовья tоп норм=tоп макс продукт, соответствующий его наивысшей продуктивности. Расход электроэнергии или природного газа связан с потребностями биотехнической системы и из-за большой лучистой теплоотдачи датчика ощущаемой температуры помещения к холодным ограждающим внутренним конструкциям производственного помещения и большой суммарной теплоотдачи здания в целом может достигнуть больших значений. Это приведет к тому, что разница между наивысшей ценой реализованной продукции Цр макс и очень высокой стоимостью израсходованных энергоносителей Смакс окажется совсем малой. Это означает, что прибыль в данном (старом) варианте управления по критерию максимальной продуктивности поголовья Пс получена небольшая:

По заявляемому способу автоматически выбирается такой режим расхода энергоносителя, при котором указанная экономически оптимальная разность Цр опт-Сопт всегда имеет наибольшее значение. Таким образом, при любых внешних условиях прибыль в новом варианте управления по критерию максимума прибыли Попт всегда максимальна:

Вычитая из второго значения разности ее первое значение, получаем прирост прибыли П, образовавшийся в результате оптимального (наилучшего) автоматизированного управления обогревом помещения с молодняком.

Прибыль увеличивается в результате экономически оптимального управления обогревом на величину ее прироста:

где C1(tоп макс продукт, tоп опт 1) – экономия издержек, выигрыш в стоимости энергозатрат, полученный за счет частичного снижения продуктивности поголовья или за счет некоторого уменьшения (по абсолютной величине) цены реализованной в будущем продукции данной технологии Ц1(tоп макс продукт, tоп опт 1) в результате перехода от управления по критерию максимума продукции с любыми затратами при значении tоп макс продукт режима наивысшей продуктивности к управлению по критерию максимума прироста прибыли при экономически оптимальном значении tоп опт управляемого параметра tоп.
Таким образом, в соответствии со способом экономически оптимального (экономически наилучшего) обогрева последовательно по времени учитывают и используют впоследствии для управления в том числе следующие сигналы как материальные носители информации и полученные расчетные величины:
заданные: Тц=t – возраст поголовья, tоп з мин, tоп з макс – технологически допустимые наименьшее и наибольшее заданные значения ощущаемой температуры помещения, в пределах между которыми периодически изменяют сигнал сформированной величины ощущаемой температуры помещения; времени опроса То, а0, а1, …, а14, Nбр, Цр уд, Цэ, Nл, 44,51, 3/2, 10-3, Sогр i, R0 огр i, Gинф, 0,032, 1,17, 70…100, 0,28, 0,68, 10-5, 40, 0,021, 0,0012, dвн нас(tв) – констант;
формируемые: tоп з – сформированный сигнал величины ощущаемой температуры помещения tоп;
измеренные: tоп – ощущаемая температура помещения, Т=tв – температура внутреннего воздуха, В= вн – относительная влажность внутреннего воздуха, tн температура наружного воздуха, н – относительная влажность наружного воздуха; К – массовая концентрация аммиака в воздухе или загазованность воздуха;
рассчитанные: Цр сут(tоп з) – вычисленная стоимость продукции данной партии животных или птицы; Эл сут(tоп з) – вычисленная стоимость затрат энергии на обогрев; П(tоп з) – расчетный показатель прибыли; Попт(tоп з опт) – наибольшее значение прибыли (этой первой разности по формуле изобретения) в качестве значения наивысшей прибыли и соответствующий ему сигнал сформированной величины ощущаемой температуры помещения tоп з опт; Пс(tоп норм=tоп макс продукт) – нормативная прибыль (второе значение этой разности при нормативном значении ощущаемой температуры технологического режима наивысшей продуктивности поголовья по формуле изобретения); П(tоп з, tоп норм) – прирост прибыли (третья разность стоимостей по формуле изобретения); П(tоп з опт, tоп норм) – наибольшее (экономически оптимальное) значение прироста прибыли и соответствующий ему сигнал сформированной величины ощущаемой температуры помещения tоп з опт;
– сравнивают полученный сигнал сформированной величины ощущаемой температуры помещения tоп з опт с измеренным значением ощущаемой температуры помещения tоп изм и по результату сравнения корректируют обогрев животных или птицы, осуществляя режим обогрева по критерию наивысшего прироста прибыли, а не тривиальное и зачастую экономически неоправданное для расположенных севернее предприятий следование установленным в других климатических условиях нормам технологического проектирования.
Одновременно с целью информирования персонала о тепловых потерях помещения вычисляют их по (3), (13)…(18) в зависимости в том числе от усредненной по высоте помещения температуры внутреннего воздуха.
На фиг.2 приведена схема устройства экономически оптимального управления обогревом производственного помещения и сельскохозяйственного молодняка. По результатам измерения и задания параметров климата, помещения, микроклимата, оборудования, поголовья вычислительный блок 6 формирует значение П(tоп з, tоп норм) в диапазоне изменения tоп з за цикл опроса Топр системой автоматизации рассматриваемой биотехнической системы. Блок управления 7 устанавливает на задающем входе регулятора общего обогрева 8 соответствующее режиму максимального прироста прибыли производства П(tоп з опт, tоп норм) значение сформированной величины ощущаемой температуры tоп опт.
Устройство для осуществления способа содержит датчик ощущаемой температуры помещения 1, датчики температуры наружного воздуха 2 и внутреннего воздуха в помещении 3, датчики относительной влажности наружного 4 и внутреннего воздуха 5, вычислительный блок 6, блок управления 7, регулятор температуры 8, локальные обогреватели 9, причем выход датчика ощущаемой температуры 1 в зоне обогрева соединен с первым входом вычислительного блока 6 и с управляющим первым входом регулятора температуры 8, выход которого соединен с локальными обогревателями 9, причем выходы датчиков температуры наружного воздуха 2 и внутреннего воздуха в помещении 3 подключены соответственно ко второму и к третьему входам вычислительного блока 6, выходы датчиков относительной влажности наружного 4 и внутреннего 5 воздуха соединены соответственно с четвертым и с пятым входами вычислительного блока 6, своим выходом связанного с входом блока управления 7, при этом в устройство дополнительно введен датчик концентрации аммиака 10, первый выход которого соединен с шестым входом вычислительного блока 6, при этом оно содержит блок задатчиков возраста поголовья, технологически допустимых наименьшего и наибольшего заданных значений ощущаемой температуры, времени опроса, сигнала сформированной величины ощущаемой температуры и констант 11, выходы которого подключены к соответствующим дополнительным входам вычислительного блока 6, второй выход которого соединен со входом дополнительно введенного блока индикации стоимости потерь теплоты помещением с обогреваемыми животными или птицей 12, выход блока управления 7 соединен с задающим вторым входом регулятора температуры 8.
Устройство работает следующим образом. Вычислительный блок 6 по данным измерений, заданий и формирования искусственной величины tоп 3 управляемого параметра теплоощущений поголовья tоп рассчитывает целевую функцию оптимизации П(tоп з, tоп норм) в выбранном диапазоне (tоп з мин, tоп з макс) по зависимостям (1), (2), (4), (6), (7), (9)…(12).
Блок управления 7 находит экстремальное (максимальное) ее значение, то есть экономически оптимальное значение расчетного прироста прибыли П(tоп з опт, tоп норм) и соответствующее ему значение аргумента функции tоп з опт и подает его в качестве задающего сигнала на задающий вход регулятора температуры 8. Технология обогрева идет по экономически наилучшей траектории. Обеспечивается экономически наилучшее для обогревательной технологии и для предприятия в целом соотношение между получаемой продукцией птицеводства (животноводства) и расходуемым на обогрев поголовья (например, бройлеров в птицеводстве) энергоносителем любого вида.
Одновременно вычислительный блок 6 рассчитывает ежесуточные затраты на обогрев производственного помещения по (13)…(16), (3) и со своего второго выхода подает соответствующий им сигнал на блок индикации 12 для информирования персонала и для дополнительного контроля издержек.




где Nбр – число бройлеров в птицезале, гол.; в 1,7 г/кг; L=70…100 м3/ч; tн – наружная температура, °С; dвн (tв з), dн(tн) – влагосодержание внутреннего и наружного воздуха, г/кг; Тц=t (t – по В.А.Грабаурову) – возраст поголовья, сут.
Здесь следует учесть, что


где вн, н – относительные влажности внутреннего воздуха в помещении и наружного воздуха, %; dвн нас(tв з), dн нас(tн) – влагосодержание насыщенного воздуха при измеряемых внутренней и наружной температурах воздуха, г/кг. Эти данные заданы в виде таблиц соответствия /см.: Славин P.M. Научные основы автоматизации производства в животноводстве и птицеводстве. М.: Колос. 1974. 464 с./. Таблицы хранятся в блоке задатчиков возраста поголовья, технологически допустимых наименьшего и наибольшего заданных значений ощущаемой температуры, времени опроса, сигнала сформированной величины ощущаемой температуры и констант 11. В этом блоке 11 также задаются региональные удельные цены на энергоноситель и на конечную продукцию сельскохозяйственного предприятия, количество животных или птицы в помещении и все указанные в описании коэффициенты в формулах и другие константы.
При этом обеспечивается точная экономическая оптимизация технологического режима обогрева помещения с молодняком, поскольку кроме факторов температуры и относительной влажности воздуха учитывается и его газовый состав и полученные экспериментально и научно обоснованные математические соотношения. Используемые в них заданные, измеряемые и формируемые сигналы несут в себе точную и полную информацию об управляемом процессе экономичного обогрева сельскохозяйственных животных или птицы.
Пояснительные подписи к фигурам:
Фиг.1. Общая схема технологии лучистого обогрева цыплят и птичника: 1 – теплозащитные ограждающие конструкции помещения (здания) птичника; 2 – утепленный пол (древесностружечная подстилка) птичника; 3 – приточная вентиляция; 4 – вытяжная вентиляция; 5 – поголовье птицы; 6 – обогреватели; 7 – энергетическая магистраль; 8 – регулятор температуры; 9 – датчик температуры внутреннего воздуха птичника; 10 – датчик относительной влажности внутреннего воздуха птичника; 11 – датчик ощущаемой температуры помещения в зоне обитания животных или птицы; 12 – датчик концентрации аммиака.
Фиг.2. Функциональная схема устройства управления обогревом: 1 – датчик ощущаемой температуры помещения; 2 – датчик температуры наружного воздуха; 3 – датчик температуры внутреннего воздуха помещения; 4 – датчик относительной влажности наружного воздуха; 5 – датчик относительной влажности внутреннего воздуха; 6 – вычислительный блок; 7 – блок управления; 8 – регулятор температуры; 9 – обогреватели (электрические, газовые и т.п.); 10 – датчик концентрации аммиака; 11 – блок задатчиков возраста поголовья, технологически допустимых наименьшего и наибольшего заданных значений ощущаемой температуры, времени опроса, сигнала сформированной величины ощущаемой температуры, констант; 12 – блок индикации стоимости потерь теплоты помещением с обогреваемыми животными или птицей Эо(tв изм).
Фиг.3. Иллюстрация технико-экономической эффективности обогревательной технологии по критерию прироста прибыли в результате суммирования стоимостей затрат энергоносителя и прогнозируемых потерь продукции в искусственно формируемом диапазоне изменения теплового режима: П – прогнозируемый расчетный прирост прибыли в результате управления обогревом данной партии цыплят и данного птичника; tоп – ощущаемая температура помещения в зоне обитания поголовья в результате действия обогревателей; tоп опт – экономически оптимальное значение tоп при соответствующих наружных метеоусловиях, теплозащите помещения здания птичника и данной концентрации аммиака; tоп макс продукт – биологически наилучшее значение для получения режима наивысшей продуктивности поголовья птицы данных породы, кросса и возраста;  ПТ – изменение величины наивысшего прироста прибыли при изменении температуры наружного воздуха tн;  ПА – изменение величины наивысшего прироста прибыли при изменении (при увеличении) концентрации аммиака; tоп з – искусственно сформированный сигнал величины ощущаемой температуры помещения в выбранном диапазоне между технологически допустимыми наименьшим tоп з мин и наибольшим tоп з макс ее заданными значениями.
Фиг.4. Образец инфракрасного электрообогревателя, состоящий из четырех излучателей ЛИКИ мощностью 300 Вт каждый с питанием 220 В 50 Гц.
Формула изобретения
1. Способ экономичного обогрева сельскохозяйственных животных или птицы, включающий в себя измерение и задание величины ощущаемой животными и птицей температуры помещения, сравнение измеренной и заданной величин, регулирование режима обогрева по результату сравнения, измерение величин температур и относительных влажностей внутреннего воздуха в помещении и наружного воздуха, причем потери тепловой энергии помещением вычисляют в зависимости от измеренных величин температур и относительных влажностей наружного и внутреннего воздуха в помещении, отличающийся тем, что дополнительно измеряют концентрацию аммиака, формируют сигнал величины ощущаемой температуры помещения, периодически изменяют сигнал сформированной величины ощущаемой температуры помещения в диапазоне между технологически допустимыми наименьшим и наибольшим ее заданными значениями, причем в зависимости от значения изменяемого сигнала сформированной величины ощущаемой температуры помещения, относительной влажности внутреннего воздуха в помещении и от измеренной концентрации аммиака вычисляют стоимость продукции данной партии животных или птицы, при этом стоимость затрат энергии на обогрев вычисляют в зависимости от значения изменяемого сигнала сформированной величины ощущаемой температуры помещения, затем вычисляют первую разность между стоимостью продукции и стоимостью затрат энергии на обогрев в диапазоне между технологически допустимыми наименьшим и наибольшим заданными значениями сигнала сформированной величины ощущаемой температуры помещения в качестве показателя прибыли, определяют наибольшее значение этой первой разности и соответствующий ему сигнал сформированной величины ощущаемой температуры помещения в качестве значения наивысшей прибыли, определяют второе значение этой разности при нормативном значении ощущаемой температуры технологического режима наивысшей продуктивности поголовья в качестве нормативной прибыли, вычитают из первой разности стоимостей ее второе значение и получают третью разность стоимостей в виде показателя прироста прибыли, определяют наибольшее значение этой третьей разности в качестве значения наивысшего прироста прибыли и соответствующий ему сигнал сформированной величины ощущаемой температуры помещения либо вычитают из наибольшего значения первой разности стоимостей ее второе значение и получают наибольшее значение третьей разности стоимостей в виде значения наивысшего прироста прибыли и соответствующий ему сигнал сформированной величины ощущаемой температуры помещения, причем соответствующие значениям наивысшей прибыли и наивысшего прироста прибыли сигналы сформированной величины ощущаемой температуры помещения равны между собой, сравнивают соответствующий наибольшему значению первой или второй разности сигнал сформированной величины ощущаемой температуры помещения с измеренной величиной ощущаемой температуры помещения и по результату сравнения корректируют обогрев животных или птицы, при этом индицируют вычисленные потери тепловой энергии помещением для информирования персонала производственного помещения с животными или с птицей.
2. Устройство экономичного обогрева сельскохозяйственных животных или птицы, содержащее датчик ощущаемой температуры в зоне локального обогрева, датчики температуры наружного воздуха и внутреннего воздуха в помещении, датчики относительной влажности наружного и внутреннего воздуха, вычислительный блок, блок управления, регулятор температуры, обогреватели, причем выход датчика ощущаемой температуры помещения соединен с первым входом вычислительного блока и с управляющим первым входом регулятора температуры, выход которого соединен с обогревателями, причем выходы датчиков температуры наружного воздуха и внутреннего воздуха в помещении подключены соответственно ко второму и к третьему входам вычислительного блока, выходы датчиков относительной влажности наружного и внутреннего воздуха соединены соответственно с четвертым и с пятым входами вычислительного блока, своим первым выходом связанного с входом блока управления, отличающееся тем, что в него дополнительно введен датчик концентрации аммиака, выход которого соединен с шестым входом вычислительного блока, при этом оно содержит блок задатчиков возраста поголовья, технологически допустимых наименьшего и наибольшего заданных значений ощущаемой температуры помещения, времени опроса, сигнала сформированной величины ощущаемой температуры помещения и констант, выходы которого подключены к соответствующим дополнительным входам вычислительного блока, второй выход которого соединен со входом дополнительно введенного блока индикации стоимости потерь теплоты помещением с обогреваемыми животными или птицей, выход блока управления соединен с задающим вторым входом регулятора температуры.
РИСУНКИ
MM4A – Досрочное прекращение действия патента СССР или патента Российской Федерации на изобретение из-за неуплаты в установленный срок пошлины за поддержание патента в силе
Дата прекращения действия патента: 25.11.2007
Извещение опубликовано: 27.07.2009 БИ: 21/2009
|
|